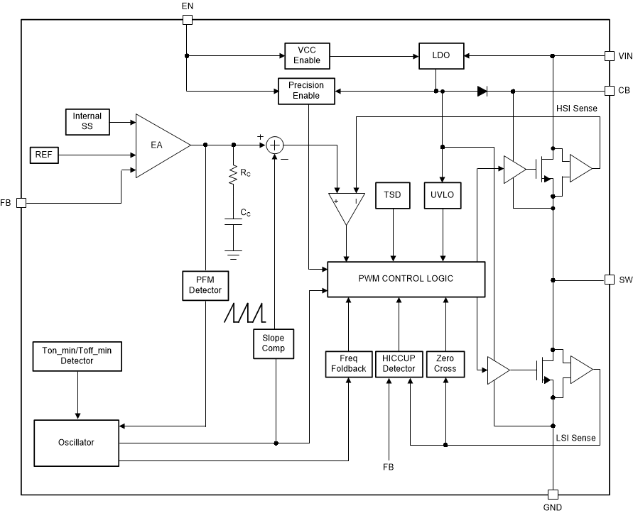
LMR38015-Q1Automotive, 80V input, 1.5A synchronous step-down (buck) DC/DC converter with spread spectrum | Power Management (PMIC) | 4 | Active | The LMR38015-Q1 synchronous buck converter is designed to regulate over a wide input voltage range, minimizing the need for external surge suppression components. The LMR38015-Q1 operates during input voltage dips as low as 4.2 V, at nearly 100% duty cycle if needed, making the device an excellent choice for 48-V battery automotive applications and MHEV/EV systems as the absolute maximum input voltage is 85 V.
The LMR38015-Q1 features a high voltage enable pin to enable the device by connecting the device to the wide input supply voltage or by having precise UVLO control across start-up and shutdown. The power-good flag, with built-in filtering and delay, offers a true indication of system status, eliminating the need for an external supervisor. The device incorporates pseudorandom spread spectrum option for minimal EMI. The switching frequency can be configured between 200 kHz and 2.2 MHz to avoid noise sensitive frequency bands. In addition, the frequency can be programmed through the RT pin for improved efficiency at low operating frequencies or by having a smaller design size at high operating frequencies.
The device has built-in protection features such as cycle-by-cycle current limit, hiccup mode short-circuit protection, and thermal shutdown in case of excessive power dissipation. The LMR38015-Q1 is qualified to automotive AEC-Q100 grade 1 and is available in a 12-pin WSON package.
The LMR38015-Q1 synchronous buck converter is designed to regulate over a wide input voltage range, minimizing the need for external surge suppression components. The LMR38015-Q1 operates during input voltage dips as low as 4.2 V, at nearly 100% duty cycle if needed, making the device an excellent choice for 48-V battery automotive applications and MHEV/EV systems as the absolute maximum input voltage is 85 V.
The LMR38015-Q1 features a high voltage enable pin to enable the device by connecting the device to the wide input supply voltage or by having precise UVLO control across start-up and shutdown. The power-good flag, with built-in filtering and delay, offers a true indication of system status, eliminating the need for an external supervisor. The device incorporates pseudorandom spread spectrum option for minimal EMI. The switching frequency can be configured between 200 kHz and 2.2 MHz to avoid noise sensitive frequency bands. In addition, the frequency can be programmed through the RT pin for improved efficiency at low operating frequencies or by having a smaller design size at high operating frequencies.
The device has built-in protection features such as cycle-by-cycle current limit, hiccup mode short-circuit protection, and thermal shutdown in case of excessive power dissipation. The LMR38015-Q1 is qualified to automotive AEC-Q100 grade 1 and is available in a 12-pin WSON package. |
LMR38020-Q1Automotive SIMPLE SWITCHER® power converter 4.2-V to 80-V, 2-A, synchronous buck converter | Integrated Circuits (ICs) | 4 | Active | The LMR38020-Q1 synchronous buck converter is designed to regulate over a wide input voltage range, minimizing the need for external surge suppression components. The LMR38020-Q1 operates during input voltage dips as low as 4.2V, at nearly 100% duty cycle if needed, making the device an excellent choice for 48-V battery automotive applications and MHEV/EV systems.
The LMR38020-Q1 uses precision enable to provide flexibility by enabling a direct connection to the wide input voltage or precise control over device start-up and shutdown. The power-good flag, with built-in filtering and delay, offers a true indication of system status, eliminating the need for an external supervisor. The device incorporates pseudorandom spread spectrum for minimal EMI and switching frequency can be configured between 200kHz and 2.2MHz to avoid noise sensitive frequency bands. In addition, the frequency can be selected for improved efficiency at low operating frequency or smaller design size at high operating frequency.
The device has built-in protection features such as cycle-by-cycle current limit, hiccup mode short-circuit protection, and thermal shutdown in case of excessive power dissipation. The LMR38020-Q1 is qualified to automotive AEC-Q100 grade 1 and is available in an 8-pin HSOIC PowerPAD integrated circuit package.
The LMR38020-Q1 synchronous buck converter is designed to regulate over a wide input voltage range, minimizing the need for external surge suppression components. The LMR38020-Q1 operates during input voltage dips as low as 4.2V, at nearly 100% duty cycle if needed, making the device an excellent choice for 48-V battery automotive applications and MHEV/EV systems.
The LMR38020-Q1 uses precision enable to provide flexibility by enabling a direct connection to the wide input voltage or precise control over device start-up and shutdown. The power-good flag, with built-in filtering and delay, offers a true indication of system status, eliminating the need for an external supervisor. The device incorporates pseudorandom spread spectrum for minimal EMI and switching frequency can be configured between 200kHz and 2.2MHz to avoid noise sensitive frequency bands. In addition, the frequency can be selected for improved efficiency at low operating frequency or smaller design size at high operating frequency.
The device has built-in protection features such as cycle-by-cycle current limit, hiccup mode short-circuit protection, and thermal shutdown in case of excessive power dissipation. The LMR38020-Q1 is qualified to automotive AEC-Q100 grade 1 and is available in an 8-pin HSOIC PowerPAD integrated circuit package. |
LMR38025-Q1Automotive grade 80V input 2.5A synchronous step-down (buck) DC/DC converter with spread spectrum | Integrated Circuits (ICs) | 5 | Active | The LMR38025-Q1 synchronous buck converter is designed to regulate over a wide input voltage range, minimizing the need for external surge suppression components. The LMR38025-Q1 operates during input voltage dips as low as 4.2V, at nearly 100% duty cycle if needed, making the device an excellent choice for 48V battery automotive applications and MHEV/EV systems as the absolute maximum input voltage is 85V.
The LMR38025-Q1 features a high voltage enable pin to enable the device by connecting the device to the wide input supply voltage or by having precise UVLO control across start-up and shutdown. The power-good flag, with built-in filtering and delay, offers a true indication of system status, eliminating the need for an external supervisor. The device incorporates pseudorandom spread spectrum option for minimal EMI. The switching frequency can be configured between 200kHz and 2.2MHz to avoid noise sensitive frequency bands. In addition, the frequency can be programmed through the RT pin for improved efficiency at low operating frequencies or by having a smaller design size at high operating frequencies.
The device has built-in protection features such as cycle-by-cycle current limit, hiccup mode short-circuit protection, and thermal shutdown in case of excessive power dissipation. The LMR38025-Q1 is qualified to automotive AEC-Q100 grade 1 and is available in a 12-pin WSON package.
The LMR38025-Q1 synchronous buck converter is designed to regulate over a wide input voltage range, minimizing the need for external surge suppression components. The LMR38025-Q1 operates during input voltage dips as low as 4.2V, at nearly 100% duty cycle if needed, making the device an excellent choice for 48V battery automotive applications and MHEV/EV systems as the absolute maximum input voltage is 85V.
The LMR38025-Q1 features a high voltage enable pin to enable the device by connecting the device to the wide input supply voltage or by having precise UVLO control across start-up and shutdown. The power-good flag, with built-in filtering and delay, offers a true indication of system status, eliminating the need for an external supervisor. The device incorporates pseudorandom spread spectrum option for minimal EMI. The switching frequency can be configured between 200kHz and 2.2MHz to avoid noise sensitive frequency bands. In addition, the frequency can be programmed through the RT pin for improved efficiency at low operating frequencies or by having a smaller design size at high operating frequencies.
The device has built-in protection features such as cycle-by-cycle current limit, hiccup mode short-circuit protection, and thermal shutdown in case of excessive power dissipation. The LMR38025-Q1 is qualified to automotive AEC-Q100 grade 1 and is available in a 12-pin WSON package. |
LMR43606-Q1Automotive, 36V, 600mA synchronous step-down converter with 4uA IQ and high light load efficiency | Integrated Circuits (ICs) | 3 | Active | The LMR43606-Q1 is a small, 36V, 0.6A, synchronous step-down DC/DC converter in a 2mm × 2mm HotRod package. This easy-to-use converter supports a wide input voltage range of 3.0V to 36V with transients up to 42V.
The LMR43606-Q1 is specifically designed to meet low standby power requirements for always on, automotive applications. Auto mode enables frequency foldback when operating at light loads, allowing an unloaded current consumption of 1.5µA at 13.5VIN and high light load efficiency. A seamless transition between PWM and PFM modes along with very low MOSFET ON resistances provide exceptional efficiency across the entire load range.
The control architecture and feature-set are designed for an ultra-small design size. The device uses peak current mode control to minimize output capacitance. The LMR43606-Q1 minimizes input filter size by using dual random spread spectrum, a low-EMI HotRod package, and an optimized pinout. The MODE/SYNC and RT pin variants can be used to set or synchronize the frequency between 200kHz and 2.2MHz to avoid noise sensitive frequency bands.
The rich feature set of the LMR43606-Q1 is designed to simplify implementation for a wide range of automotive end equipments.
The LMR43606-Q1 is a small, 36V, 0.6A, synchronous step-down DC/DC converter in a 2mm × 2mm HotRod package. This easy-to-use converter supports a wide input voltage range of 3.0V to 36V with transients up to 42V.
The LMR43606-Q1 is specifically designed to meet low standby power requirements for always on, automotive applications. Auto mode enables frequency foldback when operating at light loads, allowing an unloaded current consumption of 1.5µA at 13.5VIN and high light load efficiency. A seamless transition between PWM and PFM modes along with very low MOSFET ON resistances provide exceptional efficiency across the entire load range.
The control architecture and feature-set are designed for an ultra-small design size. The device uses peak current mode control to minimize output capacitance. The LMR43606-Q1 minimizes input filter size by using dual random spread spectrum, a low-EMI HotRod package, and an optimized pinout. The MODE/SYNC and RT pin variants can be used to set or synchronize the frequency between 200kHz and 2.2MHz to avoid noise sensitive frequency bands.
The rich feature set of the LMR43606-Q1 is designed to simplify implementation for a wide range of automotive end equipments. |
LMR43610-Q1Automotive 3-V to 36-V, 1-A, low-EMI synchronous buck regulator with low IQ | Voltage Regulators - DC DC Switching Regulators | 5 | Active | The LMR436x0-Q1 is the industry smallest 36V, 2A, and 1A synchronous step-down DC/DC converters in a 2mm × 2mm HotRod package. This easy-to-use converter supports a wide input voltage range of 3.0V to 36V with transients up to 42V.
The LMR43620-Q1 is specifically designed to meet low standby power requirements for always on, automotive applications. Auto mode enables frequency foldback when operating at light loads, allowing an unloaded current consumption of 1.5µA at 13.5VIN and high light load efficiency. A seamless transition between PWM and PFM modes along with very low MOSFET ON resistances provide exceptional efficiency across the entire load range.
The control architecture and feature set are designed for an ultra-small design size. The device uses peak current mode control to minimize output capacitance. The LMR436x0-Q1 minimizes input filter size by using dual random spread spectrum, a low-EMI HotRod package, and an optimized pinout. The MODE/SYNC and RT pin variants can be used to set or synchronize the frequency between 200kHz and 2.2MHz to avoid noise sensitive frequency bands.
The rich feature set of the LMR436x0-Q1 is designed to simplify implementation for a wide range of automotive end equipments.
The LMR436x0-Q1 is the industry smallest 36V, 2A, and 1A synchronous step-down DC/DC converters in a 2mm × 2mm HotRod package. This easy-to-use converter supports a wide input voltage range of 3.0V to 36V with transients up to 42V.
The LMR43620-Q1 is specifically designed to meet low standby power requirements for always on, automotive applications. Auto mode enables frequency foldback when operating at light loads, allowing an unloaded current consumption of 1.5µA at 13.5VIN and high light load efficiency. A seamless transition between PWM and PFM modes along with very low MOSFET ON resistances provide exceptional efficiency across the entire load range.
The control architecture and feature set are designed for an ultra-small design size. The device uses peak current mode control to minimize output capacitance. The LMR436x0-Q1 minimizes input filter size by using dual random spread spectrum, a low-EMI HotRod package, and an optimized pinout. The MODE/SYNC and RT pin variants can be used to set or synchronize the frequency between 200kHz and 2.2MHz to avoid noise sensitive frequency bands.
The rich feature set of the LMR436x0-Q1 is designed to simplify implementation for a wide range of automotive end equipments. |
LMR43620-Q1Automotive, 3-V to 36-V, 2-A low-EMI synchronous buck regulator with low IQ | Evaluation Boards | 7 | Active | The LMR436x0-Q1 is the industry smallest 36V, 2A, and 1A synchronous step-down DC/DC converters in a 2mm × 2mm HotRod package. This easy-to-use converter supports a wide input voltage range of 3.0V to 36V with transients up to 42V.
The LMR43620-Q1 is specifically designed to meet low standby power requirements for always on, automotive applications. Auto mode enables frequency foldback when operating at light loads, allowing an unloaded current consumption of 1.5µA at 13.5VIN and high light load efficiency. A seamless transition between PWM and PFM modes along with very low MOSFET ON resistances provide exceptional efficiency across the entire load range.
The control architecture and feature set are designed for an ultra-small design size. The device uses peak current mode control to minimize output capacitance. The LMR436x0-Q1 minimizes input filter size by using dual random spread spectrum, a low-EMI HotRod package, and an optimized pinout. The MODE/SYNC and RT pin variants can be used to set or synchronize the frequency between 200kHz and 2.2MHz to avoid noise sensitive frequency bands.
The rich feature set of the LMR436x0-Q1 is designed to simplify implementation for a wide range of automotive end equipments.
The LMR436x0-Q1 is the industry smallest 36V, 2A, and 1A synchronous step-down DC/DC converters in a 2mm × 2mm HotRod package. This easy-to-use converter supports a wide input voltage range of 3.0V to 36V with transients up to 42V.
The LMR43620-Q1 is specifically designed to meet low standby power requirements for always on, automotive applications. Auto mode enables frequency foldback when operating at light loads, allowing an unloaded current consumption of 1.5µA at 13.5VIN and high light load efficiency. A seamless transition between PWM and PFM modes along with very low MOSFET ON resistances provide exceptional efficiency across the entire load range.
The control architecture and feature set are designed for an ultra-small design size. The device uses peak current mode control to minimize output capacitance. The LMR436x0-Q1 minimizes input filter size by using dual random spread spectrum, a low-EMI HotRod package, and an optimized pinout. The MODE/SYNC and RT pin variants can be used to set or synchronize the frequency between 200kHz and 2.2MHz to avoid noise sensitive frequency bands.
The rich feature set of the LMR436x0-Q1 is designed to simplify implementation for a wide range of automotive end equipments. |
| Power Management (PMIC) | 6 | Active | |
LMR51406SIMPLE SWITCHER® 4V to 42V, 0.6A synchronous buck converter with 26.5uA IQ | Voltage Regulators - DC DC Switching Regulators | 2 | Active | The LMR514xx is a wide-VIN, easy-to-use synchronous buck converter capable of driving up to 0.6A and 1A load current. With a wide input range of 4V to 42V, the device is designed for a wide range of industrial applications for power conditioning from an unregulated source.
The LMR514xx operates at 400kHz and 1.1MHz switching frequency to support use of relatively small inductors for an optimized design size. The LMR514xx has a PFM version to realize high efficiency at light load and a FPWM version to achieve constant frequency and small output voltage ripple over the full load range. Soft-start and compensation circuits are implemented internally, which allow the device to be used with minimal external components.
The device has built-in protection features, such as cycle-by-cycle current limit, hiccup mode short-circuit protection, and thermal shutdown in case of excessive power dissipation.
The LMR514xx is a wide-VIN, easy-to-use synchronous buck converter capable of driving up to 0.6A and 1A load current. With a wide input range of 4V to 42V, the device is designed for a wide range of industrial applications for power conditioning from an unregulated source.
The LMR514xx operates at 400kHz and 1.1MHz switching frequency to support use of relatively small inductors for an optimized design size. The LMR514xx has a PFM version to realize high efficiency at light load and a FPWM version to achieve constant frequency and small output voltage ripple over the full load range. Soft-start and compensation circuits are implemented internally, which allow the device to be used with minimal external components.
The device has built-in protection features, such as cycle-by-cycle current limit, hiccup mode short-circuit protection, and thermal shutdown in case of excessive power dissipation. |
LMR51410SIMPLE SWITCHER® 4V to 42V, 1A synchronous buck converter with 26.5uA IQ | Integrated Circuits (ICs) | 2 | Active | The LMR514xx is a wide-VIN, easy-to-use synchronous buck converter capable of driving up to 0.6A and 1A load current. With a wide input range of 4V to 42V, the device is designed for a wide range of industrial applications for power conditioning from an unregulated source.
The LMR514xx operates at 400kHz and 1.1MHz switching frequency to support use of relatively small inductors for an optimized design size. The LMR514xx has a PFM version to realize high efficiency at light load and a FPWM version to achieve constant frequency and small output voltage ripple over the full load range. Soft-start and compensation circuits are implemented internally, which allow the device to be used with minimal external components.
The device has built-in protection features, such as cycle-by-cycle current limit, hiccup mode short-circuit protection, and thermal shutdown in case of excessive power dissipation.
The LMR514xx is a wide-VIN, easy-to-use synchronous buck converter capable of driving up to 0.6A and 1A load current. With a wide input range of 4V to 42V, the device is designed for a wide range of industrial applications for power conditioning from an unregulated source.
The LMR514xx operates at 400kHz and 1.1MHz switching frequency to support use of relatively small inductors for an optimized design size. The LMR514xx has a PFM version to realize high efficiency at light load and a FPWM version to achieve constant frequency and small output voltage ripple over the full load range. Soft-start and compensation circuits are implemented internally, which allow the device to be used with minimal external components.
The device has built-in protection features, such as cycle-by-cycle current limit, hiccup mode short-circuit protection, and thermal shutdown in case of excessive power dissipation. |
LMR51420SIMPLE SWITCHER® power converter 4.5V-to-36V, 2A, synchronous buck with 40µA IQ | Integrated Circuits (ICs) | 2 | Active | The LMR51420 is a wide-VIN, easy-to-use SIMPLE SWITCHER power converter synchronous buck converter capable of driving up to 2-A load current. With a wide input range of 4.5 V to 36 V, the device is suitable for a wide range of industrial applications for power conditioning from an unregulated source.
The LMR51420 operates at 500-kHz and 1.1-MHz switching frequency to support use of relatively small inductors for an optimized solution size. The device has a PFM version to realize high efficiency at light load and FPWM version to achieve constant frequency, and small output voltage ripple over the full load range. Soft-start and compensation circuits are implemented internally, which allows the device to be used with minimum external components.
The device has built-in protection features, such as cycle-by-cycle current limit, hiccup mode short-circuit protection, and thermal shutdown in case of excessive power dissipation. The LMR51420 is available in a 6-pin SOT-23 package.
The LMR51420 is a wide-VIN, easy-to-use SIMPLE SWITCHER power converter synchronous buck converter capable of driving up to 2-A load current. With a wide input range of 4.5 V to 36 V, the device is suitable for a wide range of industrial applications for power conditioning from an unregulated source.
The LMR51420 operates at 500-kHz and 1.1-MHz switching frequency to support use of relatively small inductors for an optimized solution size. The device has a PFM version to realize high efficiency at light load and FPWM version to achieve constant frequency, and small output voltage ripple over the full load range. Soft-start and compensation circuits are implemented internally, which allows the device to be used with minimum external components.
The device has built-in protection features, such as cycle-by-cycle current limit, hiccup mode short-circuit protection, and thermal shutdown in case of excessive power dissipation. The LMR51420 is available in a 6-pin SOT-23 package. |