T
Texas Instruments
| Series | Category | # Parts | Status | Description |
|---|---|---|---|---|
| Part | Spec A | Spec B | Spec C | Spec D | Description |
|---|---|---|---|---|---|
| Series | Category | # Parts | Status | Description |
|---|---|---|---|---|
| Part | Spec A | Spec B | Spec C | Spec D | Description |
|---|---|---|---|---|---|
| Part | Category | Description |
|---|---|---|
Texas Instruments | Integrated Circuits (ICs) | BUS DRIVER, BCT/FBT SERIES |
Texas Instruments | Integrated Circuits (ICs) | 12BIT 3.3V~3.6V 210MHZ PARALLEL VQFN-48-EP(7X7) ANALOG TO DIGITAL CONVERTERS (ADC) ROHS |
Texas Instruments | Integrated Circuits (ICs) | TMX320DRE311 179PIN UBGA 200MHZ |
Texas Instruments TPS61040DRVTG4Unknown | Integrated Circuits (ICs) | IC LED DRV RGLTR PWM 350MA 6WSON |
Texas Instruments LP3876ET-2.5Obsolete | Integrated Circuits (ICs) | IC REG LINEAR 2.5V 3A TO220-5 |
Texas Instruments LMS1585ACSX-ADJObsolete | Integrated Circuits (ICs) | IC REG LIN POS ADJ 5A DDPAK |
Texas Instruments INA111APG4Obsolete | Integrated Circuits (ICs) | IC INST AMP 1 CIRCUIT 8DIP |
Texas Instruments | Integrated Circuits (ICs) | AUTOMOTIVE, QUAD 36V 1.2MHZ OPERATIONAL AMPLIFIER |
Texas Instruments OPA340NA/3KG4Unknown | Integrated Circuits (ICs) | IC OPAMP GP 1 CIRCUIT SOT23-5 |
Texas Instruments PT5112AObsolete | Power Supplies - Board Mount | DC DC CONVERTER 8V 8W |
| Series | Category | # Parts | Status | Description |
|---|---|---|---|---|
BQ29729Li-Ion/Li Polymer Advanced Single-Cell Battery Protector IC Family | Battery Management | 5 | Active | The BQ2970 battery cell protection device provides an accurate monitor and trigger threshold for overcurrent protection during high discharge/charge current operation or battery overcharge conditions.
The BQ2970 device provides the protection functions for Li-ion/Li-polymer cells, and monitors across the external power FETs for protection due to high charge or discharge currents. In addition, there is overcharge and depleted battery monitoring and protection. These features are implemented with low current consumption in NORMAL mode operation.
The BQ2970 battery cell protection device provides an accurate monitor and trigger threshold for overcurrent protection during high discharge/charge current operation or battery overcharge conditions.
The BQ2970 device provides the protection functions for Li-ion/Li-polymer cells, and monitors across the external power FETs for protection due to high charge or discharge currents. In addition, there is overcharge and depleted battery monitoring and protection. These features are implemented with low current consumption in NORMAL mode operation. |
BQ29732Lithium-ion / lithium-polymer advanced single-cell battery protector | Integrated Circuits (ICs) | 5 | Active | The BQ2970 battery cell protection device provides an accurate monitor and trigger threshold for overcurrent protection during high discharge/charge current operation or battery overcharge conditions.
The BQ2970 device provides the protection functions for Li-ion/Li-polymer cells, and monitors across the external power FETs for protection due to high charge or discharge currents. In addition, there is overcharge and depleted battery monitoring and protection. These features are implemented with low current consumption in NORMAL mode operation.
The BQ2970 battery cell protection device provides an accurate monitor and trigger threshold for overcurrent protection during high discharge/charge current operation or battery overcharge conditions.
The BQ2970 device provides the protection functions for Li-ion/Li-polymer cells, and monitors across the external power FETs for protection due to high charge or discharge currents. In addition, there is overcharge and depleted battery monitoring and protection. These features are implemented with low current consumption in NORMAL mode operation. |
BQ298012High-side protector for single-cell li-ion and li-polymer batteries | Evaluation Boards | 14 | Active | The BQ298xx family of devices, featuring integrated charge-pump FET drivers, provides high-side primary battery cell protection for 1-series Li-ion and Li-polymer batteries, enabling consistent Rdson across cell voltages. For better system thermal performance, the BQ298xx device’s accuracy enables the use of a sense resistor as low as 1mΩ.
The CTR pin in the BQ298xx device can be configured to override the FET driver by host control to create a system reset or shutdown function. Alternatively, the CTR pin can be configured to connect an external Positive Temperature Coefficient (PTC) thermistor for FET OT protection in addition to the internal die temperature sensor. The BQ2980xx devices support zero-volt (0V) charging, while the BQ2982xx devices have this disabled.
The BQ298xx family of devices, featuring integrated charge-pump FET drivers, provides high-side primary battery cell protection for 1-series Li-ion and Li-polymer batteries, enabling consistent Rdson across cell voltages. For better system thermal performance, the BQ298xx device’s accuracy enables the use of a sense resistor as low as 1mΩ.
The CTR pin in the BQ298xx device can be configured to override the FET driver by host control to create a system reset or shutdown function. Alternatively, the CTR pin can be configured to connect an external Positive Temperature Coefficient (PTC) thermistor for FET OT protection in addition to the internal die temperature sensor. The BQ2980xx devices support zero-volt (0V) charging, while the BQ2982xx devices have this disabled. |
BQ298215High-side protector for single-cell Li-ion and Li-polymer batteries with 0-V charge disabled | Integrated Circuits (ICs) | 4 | Active | The BQ298xx family of devices, featuring integrated charge-pump FET drivers, provides high-side primary battery cell protection for 1-series Li-ion and Li-polymer batteries, enabling consistent Rdson across cell voltages. For better system thermal performance, the BQ298xx device’s accuracy enables the use of a sense resistor as low as 1mΩ.
The CTR pin in the BQ298xx device can be configured to override the FET driver by host control to create a system reset or shutdown function. Alternatively, the CTR pin can be configured to connect an external Positive Temperature Coefficient (PTC) thermistor for FET OT protection in addition to the internal die temperature sensor. The BQ2980xx devices support zero-volt (0V) charging, while the BQ2982xx devices have this disabled.
The BQ298xx family of devices, featuring integrated charge-pump FET drivers, provides high-side primary battery cell protection for 1-series Li-ion and Li-polymer batteries, enabling consistent Rdson across cell voltages. For better system thermal performance, the BQ298xx device’s accuracy enables the use of a sense resistor as low as 1mΩ.
The CTR pin in the BQ298xx device can be configured to override the FET driver by host control to create a system reset or shutdown function. Alternatively, the CTR pin can be configured to connect an external Positive Temperature Coefficient (PTC) thermistor for FET OT protection in addition to the internal die temperature sensor. The BQ2980xx devices support zero-volt (0V) charging, while the BQ2982xx devices have this disabled. |
| Integrated Circuits (ICs) | 2 | Active | ||
BQ30552-series, 3-series, and 4-series Li-ion battery pack manager | Integrated Circuits (ICs) | 2 | Active | The bq3055 device is a fully integrated, single-chip, pack-based solution that provides a rich array of features for gas gauging, protection, and authentication for 2-series, 3-series, and 4-series cell Li-Ion and Li-Polymer battery packs.
Using its integrated high-performance analog peripherals, the bq3055 device measures and maintains an accurate record of available capacity, voltage, current, temperature, and other critical parameters in Li-Ion or Li-Polymer batteries, and reports this information to the system host controller over an SMBus v1.1 compatible interface.
The bq3055 provides software-based 1st-level and 2nd-level safety protection for overvoltage, undervoltage, overtemperature, and overcharge conditions, as well as hardware-based protection for overcurrent in discharge and short circuit in charge and discharge conditions.
SHA-1 authentication with secure memory for authentication keys enables identification of genuine battery packs beyond any doubt.
The compact 30-lead TSSOP package minimizes solution cost and size for smart batteries while providing maximum functionality and safety for battery gauging applications.
The bq3055 device is a fully integrated, single-chip, pack-based solution that provides a rich array of features for gas gauging, protection, and authentication for 2-series, 3-series, and 4-series cell Li-Ion and Li-Polymer battery packs.
Using its integrated high-performance analog peripherals, the bq3055 device measures and maintains an accurate record of available capacity, voltage, current, temperature, and other critical parameters in Li-Ion or Li-Polymer batteries, and reports this information to the system host controller over an SMBus v1.1 compatible interface.
The bq3055 provides software-based 1st-level and 2nd-level safety protection for overvoltage, undervoltage, overtemperature, and overcharge conditions, as well as hardware-based protection for overcurrent in discharge and short circuit in charge and discharge conditions.
SHA-1 authentication with secure memory for authentication keys enables identification of genuine battery packs beyond any doubt.
The compact 30-lead TSSOP package minimizes solution cost and size for smart batteries while providing maximum functionality and safety for battery gauging applications. |
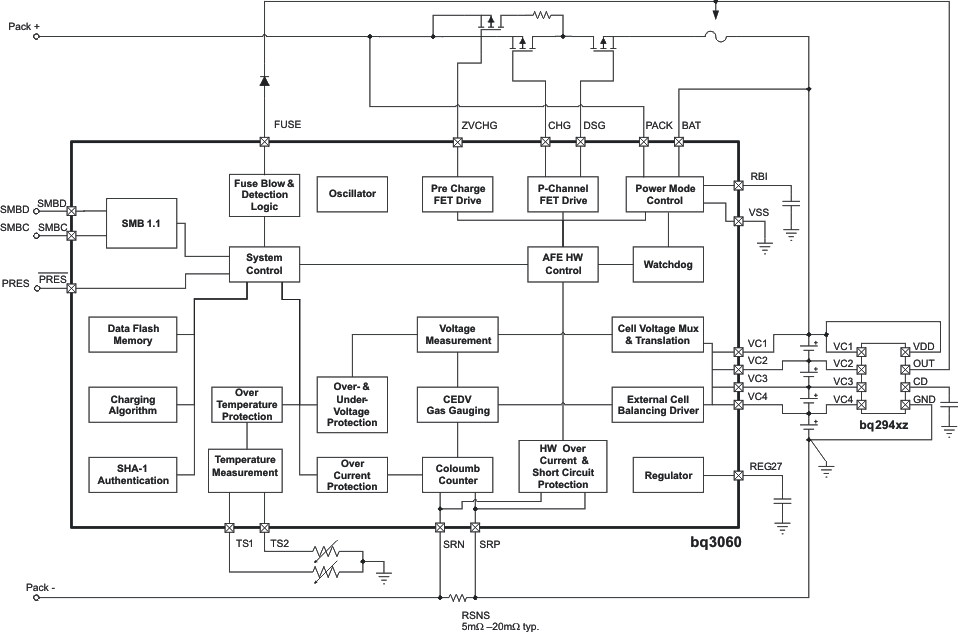
BQ3060SBS 1.1-compliant gas gauge and protector | Integrated Circuits (ICs) | 1 | Active | The Texas Instruments bq3060 Battery Manager is a fully integrated, single-chip, pack-based solution that provides a rich array of features for gas gauging, protection, and authentication for 2, 3, or 4 series cell Li-Ion battery packs. With a footprint of merely 7.8 mm × 6.4 mm in a compact 24-pin TSSOP package, the bq3060 maximizes functionality and safety while dramatically cutting the solution cost and size for smart batteries.
Using its integrated high-performance analog peripherals, the bq3060 measures and maintains an accurate record of available capacity, voltage, current, temperature, and other critical parameters in Li-Ion or Li-Polymer batteries, and reports the information to the system host controller over an SMBus 1.1-compatible interface.
The bq3060 provides software-first level and second level safety protection on overvoltage, undervoltage, overtemperature, and overcharge, as well as hardware-overcurrent in discharge, short circuit in charge, and discharge protection.
The Texas Instruments bq3060 Battery Manager is a fully integrated, single-chip, pack-based solution that provides a rich array of features for gas gauging, protection, and authentication for 2, 3, or 4 series cell Li-Ion battery packs. With a footprint of merely 7.8 mm × 6.4 mm in a compact 24-pin TSSOP package, the bq3060 maximizes functionality and safety while dramatically cutting the solution cost and size for smart batteries.
Using its integrated high-performance analog peripherals, the bq3060 measures and maintains an accurate record of available capacity, voltage, current, temperature, and other critical parameters in Li-Ion or Li-Polymer batteries, and reports the information to the system host controller over an SMBus 1.1-compatible interface.
The bq3060 provides software-first level and second level safety protection on overvoltage, undervoltage, overtemperature, and overcharge, as well as hardware-overcurrent in discharge, short circuit in charge, and discharge protection. |
| Evaluation Boards | 2 | Obsolete | ||
BQ30Z554-R12 series, 3 series, and 4 series Li-ion battery pack manager | Integrated Circuits (ICs) | 2 | Active | The bq30z554-R1 device is a fully integrated Impedance Track gas gauge and analog monitoring single-package solution that provides protection and monitoring with authentication for 2-series, 3-series, and 4-series cell Li-Ion battery packs. The bq30z554-R1 device incorporates sophisticated algorithms that offer cell balancing while charging or at rest.
The device communicates via an SBS v1.1 interface, providing high accuracy cell parameter reporting and control of battery pack operation, and can be designed into systems that require AC peak power (TURBO mode), using a method to ensure that system performance is not disrupted.
An optimum balance of quick response hardware-based protection along with intelligent CPU control delivers an ideal pack solution. The device has flexible user-programmable settings of critical system parameters, such as voltage, current, temperature, and cell imbalance, among other conditions.
The bq30z554-R1 device has advanced charge algorithms, including JEITA support, enhanced cell charging, and adaptive charging compensating charge losses, enabling faster charging. In addition, the bq30z554-R1 device can monitor critical parameters over the life of the battery pack, tracking usage conditions.
A general purpose output is used for power interruption, employing an external push button switch.
The advanced snapshot and black box functionality show critical information for analysis of returned battery packs.
SHA-1 authentication with secure memory for authentication keys enables identification for genuine battery packs beyond doubt.
The bq30z554-R1 device is a fully integrated Impedance Track gas gauge and analog monitoring single-package solution that provides protection and monitoring with authentication for 2-series, 3-series, and 4-series cell Li-Ion battery packs. The bq30z554-R1 device incorporates sophisticated algorithms that offer cell balancing while charging or at rest.
The device communicates via an SBS v1.1 interface, providing high accuracy cell parameter reporting and control of battery pack operation, and can be designed into systems that require AC peak power (TURBO mode), using a method to ensure that system performance is not disrupted.
An optimum balance of quick response hardware-based protection along with intelligent CPU control delivers an ideal pack solution. The device has flexible user-programmable settings of critical system parameters, such as voltage, current, temperature, and cell imbalance, among other conditions.
The bq30z554-R1 device has advanced charge algorithms, including JEITA support, enhanced cell charging, and adaptive charging compensating charge losses, enabling faster charging. In addition, the bq30z554-R1 device can monitor critical parameters over the life of the battery pack, tracking usage conditions.
A general purpose output is used for power interruption, employing an external push button switch.
The advanced snapshot and black box functionality show critical information for analysis of returned battery packs.
SHA-1 authentication with secure memory for authentication keys enables identification for genuine battery packs beyond doubt. |
BQ32000Serial real-time clock (RTC) with battery backup and trickle charge | Integrated Circuits (ICs) | 2 | Active | The bq32000 device is a compatible replacement for industry standard real-time clocks.
The bq32000 features an automatic backup supply with integrated trickle charger. The backup supply can be implemented using a capacitor or non-rechargeable battery. The bq32000 has a programmable calibration adjustment from –63 ppm to +126 ppm. The bq32000 registers include an OF (oscillator fail) flag indicating the status of the RTC oscillator, as well as a STOP bit that allows the host processor to disable the oscillator. The time registers are normally updated once per second, and all the registers are updated at the same time to prevent a timekeeping glitch. The bq32000 includes automatic leap-year compensation.
The bq32000 device is a compatible replacement for industry standard real-time clocks.
The bq32000 features an automatic backup supply with integrated trickle charger. The backup supply can be implemented using a capacitor or non-rechargeable battery. The bq32000 has a programmable calibration adjustment from –63 ppm to +126 ppm. The bq32000 registers include an OF (oscillator fail) flag indicating the status of the RTC oscillator, as well as a STOP bit that allows the host processor to disable the oscillator. The time registers are normally updated once per second, and all the registers are updated at the same time to prevent a timekeeping glitch. The bq32000 includes automatic leap-year compensation. |