| Evaluation Boards | 2 | Obsolete | |
TPS20510.5A loading, 4.5-5.5V, 97mΩ USB power switch, active-high, output discharge, reverse blocking | Development Boards, Kits, Programmers | 22 | Active | The TPS2041 and TPS2051 power distribution switches are intended for applications where heavy capacitive loads and short circuits are likely to be encountered. The TPS2041 and the TPS2051 are 135-mN-channel MOSFET high-side power switches. Each switch is controlled by a logic enable that is compatible with 5-V logic and 3-V logic. Gate drive is provided by an internal charge pump designed to control the power-switch rise times and fall times to minimize current surges during switching. The charge pump requires no external components and allows operation from supplies as low as 2.7 V.
When the output load exceeds the current-limit threshold or a short is present, the TPS2041 and TPS2051 limit the output current to a safe level by switching into a constant-current mode, pulling the overcurrent (OC\) logic output low. When continuous heavy overloads and short circuits increase the power dissipation in the switch, causing the junction temperature to rise, a thermal protection circuit shuts off the switch to prevent damage. Recovery from a thermal shutdown is automatic once the device has cooled sufficiently. Internal circuitry ensures the switch remains off until valid input voltage is present.
The TPS2041 and TPS2051 are designed to limit at 0.9-A load. These power distribution switches are available in 8-pin small-outline integrated circuit (SOIC) and 8-pin plastic dual-in-line packages (PDIP) and operate over an ambient temperature range of -40°C to 85°C.
The D package is available taped and reeled. Add an R suffix to device type (e.g., TPS2041DR)
The TPS2041 and TPS2051 power distribution switches are intended for applications where heavy capacitive loads and short circuits are likely to be encountered. The TPS2041 and the TPS2051 are 135-mN-channel MOSFET high-side power switches. Each switch is controlled by a logic enable that is compatible with 5-V logic and 3-V logic. Gate drive is provided by an internal charge pump designed to control the power-switch rise times and fall times to minimize current surges during switching. The charge pump requires no external components and allows operation from supplies as low as 2.7 V.
When the output load exceeds the current-limit threshold or a short is present, the TPS2041 and TPS2051 limit the output current to a safe level by switching into a constant-current mode, pulling the overcurrent (OC\) logic output low. When continuous heavy overloads and short circuits increase the power dissipation in the switch, causing the junction temperature to rise, a thermal protection circuit shuts off the switch to prevent damage. Recovery from a thermal shutdown is automatic once the device has cooled sufficiently. Internal circuitry ensures the switch remains off until valid input voltage is present.
The TPS2041 and TPS2051 are designed to limit at 0.9-A load. These power distribution switches are available in 8-pin small-outline integrated circuit (SOIC) and 8-pin plastic dual-in-line packages (PDIP) and operate over an ambient temperature range of -40°C to 85°C.
The D package is available taped and reeled. Add an R suffix to device type (e.g., TPS2041DR) |
TPS2051B0.5A loading, 2.7-5.5V, 70mΩ USB power switch, active-high | Integrated Circuits (ICs) | 1 | Obsolete | The TPS20xxB power-distribution switches are intended for applications where heavy capacitive loads and short circuits are likely to be encountered. These devices incorporates 70mΩ N-channel MOSFET power switches for power-distribution systems that require multiple power switches in a single package. Each switch is controlled by a logic enable input. Gate drive is provided by an internal charge pump designed to control the power-switch rise times and fall times to minimize current surges during switching. The charge pump requires no external components and allows operation from supplies as low as 2.7V.
When the output load exceeds the current-limit threshold or a short is present, the device limits the output current to a safe level by switching into a constant-current mode, pulling the overcurrent ( OCx) logic output low. When continuous heavy overloads and short circuits increase the power dissipation in the switch, causing the junction temperature to rise, a thermal protection circuit shuts off the switch to prevent damage. Recovery from a thermal shutdown is automatic once the device has cooled sufficiently. Internal circuitry ensures that the switch remains off until valid input voltage is present. This power-distribution switch is designed to set current limit at 1A (typical).
The TPS20xxB power-distribution switches are intended for applications where heavy capacitive loads and short circuits are likely to be encountered. These devices incorporates 70mΩ N-channel MOSFET power switches for power-distribution systems that require multiple power switches in a single package. Each switch is controlled by a logic enable input. Gate drive is provided by an internal charge pump designed to control the power-switch rise times and fall times to minimize current surges during switching. The charge pump requires no external components and allows operation from supplies as low as 2.7V.
When the output load exceeds the current-limit threshold or a short is present, the device limits the output current to a safe level by switching into a constant-current mode, pulling the overcurrent ( OCx) logic output low. When continuous heavy overloads and short circuits increase the power dissipation in the switch, causing the junction temperature to rise, a thermal protection circuit shuts off the switch to prevent damage. Recovery from a thermal shutdown is automatic once the device has cooled sufficiently. Internal circuitry ensures that the switch remains off until valid input voltage is present. This power-distribution switch is designed to set current limit at 1A (typical). |
TPS20522-ch, 0.5A loading, 0.9A ILIMIT, 2.7-5.5V, 80mΩ USB power switch, active-high | Power Distribution Switches, Load Drivers | 19 | Active | The TPS2041A through TPS2044A and TPS2051A through TPS2054A power-distribution switches are intended for applications where heavy capacitive loads and short circuits are likely to be encountered. These devices incorporate 80-mN-channel MOSFET high-side power switches for power-distribution systems that require multiple power switches in a single package. Each switch is controlled by an independent logic enable input. Gate drive is provided by an internal charge pump designed to control the power-switch rise times and fall times to minimize current surges during switching. The charge pump requires no external components and allows operation from supplies as low as 2.7V.
When the output load exceeds the current-limit threshold or a short is present, these devices limit the output current to a safe level by switching into a constant-current mode, pulling the overcurrent (OCx\) logic output low. When continuous heavy overloads and short circuits increase the power dissipation in the switch, causing the junction temperature to rise, a thermal protection circuit shuts off the switch to prevent damage. Recovery from a thermal shutdown is automatic once the device has cooled sufficiently. Internal circuitry ensures the switch remains off until valid input voltage is present. These power-distribution switches are designed to current limit at 0.9 A.
The TPS2041A through TPS2044A and TPS2051A through TPS2054A power-distribution switches are intended for applications where heavy capacitive loads and short circuits are likely to be encountered. These devices incorporate 80-mN-channel MOSFET high-side power switches for power-distribution systems that require multiple power switches in a single package. Each switch is controlled by an independent logic enable input. Gate drive is provided by an internal charge pump designed to control the power-switch rise times and fall times to minimize current surges during switching. The charge pump requires no external components and allows operation from supplies as low as 2.7V.
When the output load exceeds the current-limit threshold or a short is present, these devices limit the output current to a safe level by switching into a constant-current mode, pulling the overcurrent (OCx\) logic output low. When continuous heavy overloads and short circuits increase the power dissipation in the switch, causing the junction temperature to rise, a thermal protection circuit shuts off the switch to prevent damage. Recovery from a thermal shutdown is automatic once the device has cooled sufficiently. Internal circuitry ensures the switch remains off until valid input voltage is present. These power-distribution switches are designed to current limit at 0.9 A. |
TPS20533-ch, 0.5A loading, 2.7-5.5V, 70mΩ USB power switch, active-high | Integrated Circuits (ICs) | 7 | Active | The TPS20xxB power-distribution switches are intended for applications where heavy capacitive loads and short circuits are likely to be encountered. These devices incorporates 70mΩ N-channel MOSFET power switches for power-distribution systems that require multiple power switches in a single package. Each switch is controlled by a logic enable input. Gate drive is provided by an internal charge pump designed to control the power-switch rise times and fall times to minimize current surges during switching. The charge pump requires no external components and allows operation from supplies as low as 2.7V.
When the output load exceeds the current-limit threshold or a short is present, the device limits the output current to a safe level by switching into a constant-current mode, pulling the overcurrent ( OCx) logic output low. When continuous heavy overloads and short circuits increase the power dissipation in the switch, causing the junction temperature to rise, a thermal protection circuit shuts off the switch to prevent damage. Recovery from a thermal shutdown is automatic once the device has cooled sufficiently. Internal circuitry ensures that the switch remains off until valid input voltage is present. This power-distribution switch is designed to set current limit at 1A (typical).
The TPS20xxB power-distribution switches are intended for applications where heavy capacitive loads and short circuits are likely to be encountered. These devices incorporates 70mΩ N-channel MOSFET power switches for power-distribution systems that require multiple power switches in a single package. Each switch is controlled by a logic enable input. Gate drive is provided by an internal charge pump designed to control the power-switch rise times and fall times to minimize current surges during switching. The charge pump requires no external components and allows operation from supplies as low as 2.7V.
When the output load exceeds the current-limit threshold or a short is present, the device limits the output current to a safe level by switching into a constant-current mode, pulling the overcurrent ( OCx) logic output low. When continuous heavy overloads and short circuits increase the power dissipation in the switch, causing the junction temperature to rise, a thermal protection circuit shuts off the switch to prevent damage. Recovery from a thermal shutdown is automatic once the device has cooled sufficiently. Internal circuitry ensures that the switch remains off until valid input voltage is present. This power-distribution switch is designed to set current limit at 1A (typical). |
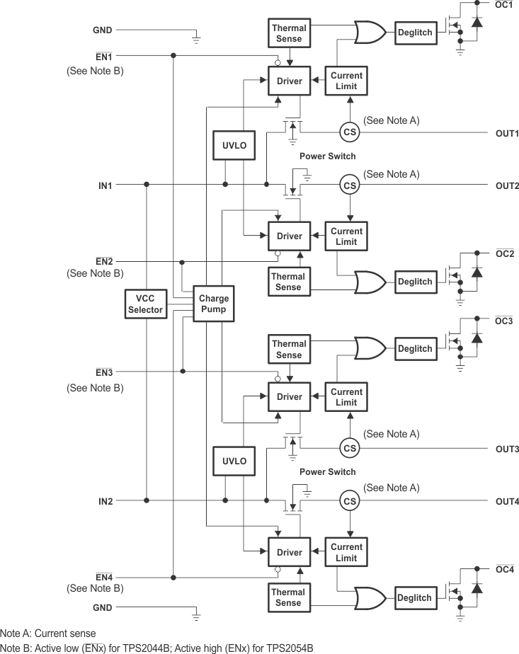
TPS20544-ch, 0.5A loading, 0.9A ILIMIT, 2.7-5.5V, 80mΩ USB power switch, active-high | Integrated Circuits (ICs) | 6 | Active | The TPS2044 and TPS2054 quad power-distribution switches are intended for applications where heavy capacitive loads and short circuits
are likely to be encountered. Both the TPS2044 and the TPS2054 incorporate in a single package four 135-mN-channel MOSFET high-side power switches for power-distribution systems that require multiple power switches. Each switch is controlled by a logic enable that is compatible with 5-V logic and 3-V logic. Gate drive is provided by an internal charge pump that controls the power-switch rise times and fall times to minimize current surges during switching. The charge pump, requiring no external components, allows operation from supplies as low as 2.7 V.
When the output load exceeds the current-limit threshold or a short is present, the TPS2044 and TPS2054 limit the output current to a safe level by switching into a constant-current mode, pulling the overcurrent (OCx\) logic output low. When continuous heavy overloads and short circuits increase the power dissipation in the switch causing the junction temperature to rise, a thermal protection circuit shuts off the switch to prevent damage. Recovery from a thermal shutdown is automatic once the device has cooled sufficiently. Internal circuitry ensures the switch remains off until valid input voltage is present.
The TPS2044 and TPS2054 are designed to limit at 0.9-A load. These power-distribution switches are available in 16-pin small-outline integrated-circuit (SOIC) packages and operate over an ambient temperature range of -40°C to 85°C.
The D package is available taped and reeled. Add an R suffix to device type (e.g., TPS2044DR)
The TPS2044 and TPS2054 quad power-distribution switches are intended for applications where heavy capacitive loads and short circuits
are likely to be encountered. Both the TPS2044 and the TPS2054 incorporate in a single package four 135-mN-channel MOSFET high-side power switches for power-distribution systems that require multiple power switches. Each switch is controlled by a logic enable that is compatible with 5-V logic and 3-V logic. Gate drive is provided by an internal charge pump that controls the power-switch rise times and fall times to minimize current surges during switching. The charge pump, requiring no external components, allows operation from supplies as low as 2.7 V.
When the output load exceeds the current-limit threshold or a short is present, the TPS2044 and TPS2054 limit the output current to a safe level by switching into a constant-current mode, pulling the overcurrent (OCx\) logic output low. When continuous heavy overloads and short circuits increase the power dissipation in the switch causing the junction temperature to rise, a thermal protection circuit shuts off the switch to prevent damage. Recovery from a thermal shutdown is automatic once the device has cooled sufficiently. Internal circuitry ensures the switch remains off until valid input voltage is present.
The TPS2044 and TPS2054 are designed to limit at 0.9-A load. These power-distribution switches are available in 16-pin small-outline integrated-circuit (SOIC) packages and operate over an ambient temperature range of -40°C to 85°C.
The D package is available taped and reeled. Add an R suffix to device type (e.g., TPS2044DR) |
TPS20550.25A loading, 0.44A ILIMIT, 2.7-5.5V, 80mΩ USB power switch, active-high | Evaluation Boards | 9 | Active | The TPS2045 and TPS2055 power-distribution switches are intended for applications where heavy capacitive loads and short circuits are likely. Each of these 135-mN-channel MOSFET high-side power switches is controlled by a logic enable compatible with 5-V and 3-V logic. Gate drive is provided by an internal charge pump that controls the power-switch rise times and fall times to minimize current surges during switching. The charge pump requires no external components and allows operation from supplies as low as 2.7 V.
When the output load exceeds the current-limit threshold or a short is present, the TPS2045 and TPS2055 limit the output current to a safe level by switching into a constant-current mode, pulling the overcurrent (OC\) logic output low. When continuous heavy overloads and short circuits increase the power dissipation in the switch, causing the junction temperature to rise, a thermal protection circuit shuts off the switch in overcurrent to prevent damage. Recovery from a thermal shutdown is automatic once the device has cooled sufficiently. Internal circuitry ensures the switch remains off until valid input voltage is present.
The TPS2045 and TPS2055 are designed to limit at 0.44-A load. These power-distribution switches, available in 8-pin small-outline integrated circuit (SOIC) and 8-pin plastic dual-in-line packages (PDIP), operate over an ambient temperature range of -40°C to 85°C.
The TPS2045 and TPS2055 power-distribution switches are intended for applications where heavy capacitive loads and short circuits are likely. Each of these 135-mN-channel MOSFET high-side power switches is controlled by a logic enable compatible with 5-V and 3-V logic. Gate drive is provided by an internal charge pump that controls the power-switch rise times and fall times to minimize current surges during switching. The charge pump requires no external components and allows operation from supplies as low as 2.7 V.
When the output load exceeds the current-limit threshold or a short is present, the TPS2045 and TPS2055 limit the output current to a safe level by switching into a constant-current mode, pulling the overcurrent (OC\) logic output low. When continuous heavy overloads and short circuits increase the power dissipation in the switch, causing the junction temperature to rise, a thermal protection circuit shuts off the switch in overcurrent to prevent damage. Recovery from a thermal shutdown is automatic once the device has cooled sufficiently. Internal circuitry ensures the switch remains off until valid input voltage is present.
The TPS2045 and TPS2055 are designed to limit at 0.44-A load. These power-distribution switches, available in 8-pin small-outline integrated circuit (SOIC) and 8-pin plastic dual-in-line packages (PDIP), operate over an ambient temperature range of -40°C to 85°C. |
| Power Management (PMIC) | 7 | Active | |
TPS20573-ch, 0.25A loading, 0.44A ILIMIT, 2.7-5.5V, 80mΩ USB power switch, active-low | Power Distribution Switches, Load Drivers | 5 | Active | The TPS2047 and TPS2057 triple power-distribution switches are intended for applications where heavy capacitive loads and short circuits are likely. These devices incorporate in single packages three 135-mN-channel MOSFET high-side power switches for power-distribution systems that require multiple power switches. Each switch is controlled by a logic enable compatible with 5-V and 3-V logic. Gate drive is provided by an internal charge pump that controls the power-switch rise times and fall times to minimize current surges during switching. The charge pump, requiring no external components, allows operation from supplies as low as 2.7 V.
When the output load exceeds the current-limit threshold or a short is present, the TPS2047 and TPS2057 limit the output current to a safe level by switching into a constant-current mode, pulling the overcurrent (OCx\) logic output low. When continuous heavy overloads and short circuits increase the power dissipation in the switch causing the junction temperature to rise, a thermal protection circuit shuts off the switch in overcurrent to prevent damage. Recovery from a thermal shutdown is automatic once the device has cooled sufficiently. Internal circuitry ensures the switch remains off until valid input voltage is present.
The TPS2047 and TPS2057 are designed to limit at 0.44-A load. These power-distribution switches are available in 16-pin small-outline integrated circuit (SOIC) packages and operate over an ambient temperature range of -40°C to 85°C.
The TPS2047 and TPS2057 triple power-distribution switches are intended for applications where heavy capacitive loads and short circuits are likely. These devices incorporate in single packages three 135-mN-channel MOSFET high-side power switches for power-distribution systems that require multiple power switches. Each switch is controlled by a logic enable compatible with 5-V and 3-V logic. Gate drive is provided by an internal charge pump that controls the power-switch rise times and fall times to minimize current surges during switching. The charge pump, requiring no external components, allows operation from supplies as low as 2.7 V.
When the output load exceeds the current-limit threshold or a short is present, the TPS2047 and TPS2057 limit the output current to a safe level by switching into a constant-current mode, pulling the overcurrent (OCx\) logic output low. When continuous heavy overloads and short circuits increase the power dissipation in the switch causing the junction temperature to rise, a thermal protection circuit shuts off the switch in overcurrent to prevent damage. Recovery from a thermal shutdown is automatic once the device has cooled sufficiently. Internal circuitry ensures the switch remains off until valid input voltage is present.
The TPS2047 and TPS2057 are designed to limit at 0.44-A load. These power-distribution switches are available in 16-pin small-outline integrated circuit (SOIC) packages and operate over an ambient temperature range of -40°C to 85°C. |
| Power Distribution Switches, Load Drivers | 4 | Active | |