TPS51404.5-V to 28-V, quad output buck controller for notebook power | Special Purpose Regulators | 4 | LTB | The TPS5140 is a dc/dc controller that incorporates three synchronous-buck controllers and one nonsynchronous 12-V boost converter on one chip to power the voltage rails needed by notebook peripheral components. On-chip high-side and low-side synchronous rectifier drivers are integrated to drive less expensive N-channel power MOSFETs. The nonsynchronous boost converter includes the N channel power MOSFET and supports 120 mA for the PCMCIA power supply. The outputs are controlled independently and two of the synchronous-buck controllers operate 180 degrees out of phase, with the third lowering the input current ripple and allowing a smaller input capacitance to reduce power supply cost. For higher efficiency under all load conditions, the TPS5140 automatically adjusts each channel from the PWM mode to the skip mode independently. The skip mode enables a lower operating frequency and shortens the pulse width to the low side MOSFETs, thereby increasing the efficiency under light load conditions. To further extend battery life, the TPS5140 features dead-time control and very low quiescent current. Resistorless current protection and the fixed high-side driver voltage simplify the system design and reduce the external parts count.
The TPS5140 is a dc/dc controller that incorporates three synchronous-buck controllers and one nonsynchronous 12-V boost converter on one chip to power the voltage rails needed by notebook peripheral components. On-chip high-side and low-side synchronous rectifier drivers are integrated to drive less expensive N-channel power MOSFETs. The nonsynchronous boost converter includes the N channel power MOSFET and supports 120 mA for the PCMCIA power supply. The outputs are controlled independently and two of the synchronous-buck controllers operate 180 degrees out of phase, with the third lowering the input current ripple and allowing a smaller input capacitance to reduce power supply cost. For higher efficiency under all load conditions, the TPS5140 automatically adjusts each channel from the PWM mode to the skip mode independently. The skip mode enables a lower operating frequency and shortens the pulse width to the low side MOSFETs, thereby increasing the efficiency under light load conditions. To further extend battery life, the TPS5140 features dead-time control and very low quiescent current. Resistorless current protection and the fixed high-side driver voltage simplify the system design and reduce the external parts count. |
TPS51427ADual-output synchronous D-CAP synchronous buck controller for notebook power with OOB disabled | Integrated Circuits (ICs) | 2 | Active | The TPS51427A is a dual synchronous step-down controller designed for notebook and mobile communications applications. This device is part of a low-cost suite of notebook power bus regulators that enables system designs with low external component counts. The TPS51427A includes two pulse-width-modulation (PWM) controllers, SMPS1 and SMPS2. The output of SMPS1 can be adjusted from 0.7 V to 5.9 V, while the output of SMPS2 can be adjusted from 0.5 V to 2.5 V. This device also features a low-dropout (LDO) regulator that provides a 5-V/3.3-V output, or adjustable from 0.7-V to 4.5-V output via LDOREFIN. The fixed-frequency emulated adaptive on-time control supports seamless operation between PWM mode under heavy load conditions and reduced frequency operation at light loads for high-efficiency down to the milliampere range. An integrated boost switch enhances the high-side MOSFET to further improve efficiency. The main control loop is the D-CAP™ mode that is optimized for low equivalent series resistance (ESR) output capacitors such as POSCAP or SP-CAP. Advanced ramp compensation minimizes jitter without degrading line and load regulation. RDS(on)current sensing methods offers maximum cost saving.
The TPS51427A supports supply input voltages that range from 5.5 V to 28 V. It is available in the 32-pin, 5-mm × 5-mm QFN package (Green, RoHs- compliant, and Pb-free). The device is specified from -40°C to +85°C.
The TPS51427A is a dual synchronous step-down controller designed for notebook and mobile communications applications. This device is part of a low-cost suite of notebook power bus regulators that enables system designs with low external component counts. The TPS51427A includes two pulse-width-modulation (PWM) controllers, SMPS1 and SMPS2. The output of SMPS1 can be adjusted from 0.7 V to 5.9 V, while the output of SMPS2 can be adjusted from 0.5 V to 2.5 V. This device also features a low-dropout (LDO) regulator that provides a 5-V/3.3-V output, or adjustable from 0.7-V to 4.5-V output via LDOREFIN. The fixed-frequency emulated adaptive on-time control supports seamless operation between PWM mode under heavy load conditions and reduced frequency operation at light loads for high-efficiency down to the milliampere range. An integrated boost switch enhances the high-side MOSFET to further improve efficiency. The main control loop is the D-CAP™ mode that is optimized for low equivalent series resistance (ESR) output capacitors such as POSCAP or SP-CAP. Advanced ramp compensation minimizes jitter without degrading line and load regulation. RDS(on)current sensing methods offers maximum cost saving.
The TPS51427A supports supply input voltages that range from 5.5 V to 28 V. It is available in the 32-pin, 5-mm × 5-mm QFN package (Green, RoHs- compliant, and Pb-free). The device is specified from -40°C to +85°C. |
TPS514613.3V to 5V Input, 6A, D-CAP+ Mode Synchronous Step-Down Converter with 2-Bit VID | Integrated Circuits (ICs) | 2 | Active | The TPS51461 is a fully integrated synchronous buck regulator employing D-CAP+™. It is used for up to 5-V step-down where system size is at its premium, performance and optimized BOM are must-haves.
This device fully supports Intel system agent applications with integrated 2-bit VID function.
The TPS51461 also features two switching frequency settings (700 kHz and 1 MHz), skip mode, pre-bias startup, programmable external capacitor soft-start time/voltage transition time, output discharge, internal VBST Switch, 2-V reference (±1%), power good and enable.
The TPS51461 is available in a 4 mm × 4 mm, 24-pin, QFN package (Green RoHs compliant and Pb free) and is specified from 0°C to 85°C.
The TPS51461 is a fully integrated synchronous buck regulator employing D-CAP+™. It is used for up to 5-V step-down where system size is at its premium, performance and optimized BOM are must-haves.
This device fully supports Intel system agent applications with integrated 2-bit VID function.
The TPS51461 also features two switching frequency settings (700 kHz and 1 MHz), skip mode, pre-bias startup, programmable external capacitor soft-start time/voltage transition time, output discharge, internal VBST Switch, 2-V reference (±1%), power good and enable.
The TPS51461 is available in a 4 mm × 4 mm, 24-pin, QFN package (Green RoHs compliant and Pb free) and is specified from 0°C to 85°C. |
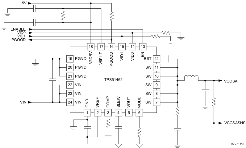
TPS514623.3-V/5-V Input, D-CAP+™ Mode Synchronous Step-Down Integrated FETs Converter With 2-Bit VID | Integrated Circuits (ICs) | 1 | Active | The TPS51462 is a fully integrated synchronous buck regulator employing D-CAP+™. It is used for up to 5-V step-down where system size is at its premium, performance and optimized BOM are must-haves.
This device fully supports Intel system agent applications with integrated 2-bit VID function.
The TPS51462 also features two switching frequency settings (700 kHz and 1 MHz), skip mode, pre-bias startup, programmable external capacitor soft-start time/voltage transition time, output discharge, internal VBST Switch, 2-V reference (±1%), power good and enable.
The TPS51462 is available in a 4 mm × 4 mm, 24-pin, QFN package (Green RoHs compliant and Pb free) and is specified from -40°C to 85°C.
The TPS51462 is a fully integrated synchronous buck regulator employing D-CAP+™. It is used for up to 5-V step-down where system size is at its premium, performance and optimized BOM are must-haves.
This device fully supports Intel system agent applications with integrated 2-bit VID function.
The TPS51462 also features two switching frequency settings (700 kHz and 1 MHz), skip mode, pre-bias startup, programmable external capacitor soft-start time/voltage transition time, output discharge, internal VBST Switch, 2-V reference (±1%), power good and enable.
The TPS51462 is available in a 4 mm × 4 mm, 24-pin, QFN package (Green RoHs compliant and Pb free) and is specified from -40°C to 85°C. |
TPS514633.3-V/5-V Input, D-CAP+™ Mode Synchronous Step-Down Integrated FETs Converter with 2-Bit VID | Integrated Circuits (ICs) | 2 | Active | The TPS51463 is a fully integrated synchronous buck regulator employing D-CAP+™. It is used for up to 5-V step-down where system size is at its premium, performance and optimized BOM are must-haves.
The TPS51463 fully supports the Intel Chief River platform, a ULV/CPU system agent application with integrated 2-bit VID function.
The TPS51463 also features two switching frequency settings (700 kHz and 1 MHz), skip mode, pre-bias startup, programmable external capacitor soft-start time/voltage transition time, output discharge, internal VBST Switch, 2-V reference (±1%), power good and enable.
The TPS51463 is available in a 4 mm × 4 mm, 24-pin, QFN package (Green RoHs compliant and Pb free) and is specified from -40°C to 85°C.
The TPS51463 is a fully integrated synchronous buck regulator employing D-CAP+™. It is used for up to 5-V step-down where system size is at its premium, performance and optimized BOM are must-haves.
The TPS51463 fully supports the Intel Chief River platform, a ULV/CPU system agent application with integrated 2-bit VID function.
The TPS51463 also features two switching frequency settings (700 kHz and 1 MHz), skip mode, pre-bias startup, programmable external capacitor soft-start time/voltage transition time, output discharge, internal VBST Switch, 2-V reference (±1%), power good and enable.
The TPS51463 is available in a 4 mm × 4 mm, 24-pin, QFN package (Green RoHs compliant and Pb free) and is specified from -40°C to 85°C. |
| Evaluation Boards | 2 | Obsolete | |
| Integrated Circuits (ICs) | 1 | Obsolete | |
TPS515133-V to 28-V synchronous D-CAP buck controller with integrated gate drivers | DC DC Switching Controllers | 1 | LTB | The TPS51513 is a single-phase synchronous buck controller with integrated gate drivers. Advanced control features such as the D-CAP+ architecture and OSR™ overshoot reduction provide fast transient response, low output capacitance and high efficiency. The TPS51513 supports a wide range of IC VCOREapplications with an integrated 3-bit DAC. It also provides a full complement of signal I/O including a sleep mode control (SLP), two power good signals (PGOOD andPG), and an analog current monitor (IMON). Logic inputs are compatible with either 1-V or 3.3-V logic levels. VCOREslew rates are controlled with one resistor. In addition, the TPS51513 includes high-current FET gate drivers with an integrated P/N junction diode to drive N-channel FETs with low switching loss. The TPS51513 is available in the 5 mm × 5 mm, 32-pin QFN package and operates between –10°C and 100°C.
The TPS51513 is a single-phase synchronous buck controller with integrated gate drivers. Advanced control features such as the D-CAP+ architecture and OSR™ overshoot reduction provide fast transient response, low output capacitance and high efficiency. The TPS51513 supports a wide range of IC VCOREapplications with an integrated 3-bit DAC. It also provides a full complement of signal I/O including a sleep mode control (SLP), two power good signals (PGOOD andPG), and an analog current monitor (IMON). Logic inputs are compatible with either 1-V or 3.3-V logic levels. VCOREslew rates are controlled with one resistor. In addition, the TPS51513 includes high-current FET gate drivers with an integrated P/N junction diode to drive N-channel FETs with low switching loss. The TPS51513 is available in the 5 mm × 5 mm, 32-pin QFN package and operates between –10°C and 100°C. |
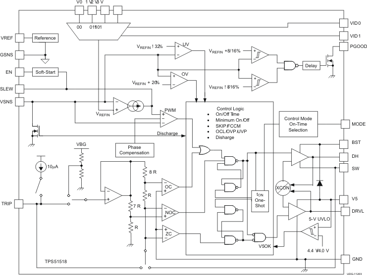
TPS51518Single Phase D-CAP and D-CAP2 Controller with 2-bit Flexible VID Controller | Power Management (PMIC) | 2 | Active | The TPS51518 is a single phase, D-CAP™/ D-CAP2™ synchronous buck controller with 2-bit VID inputs which can select up to four independent externally programmable output voltage levels where full external programmability in the voltage level, step setting and voltage transition slew rate is desired. It is used for GFX applications where multiple voltage levels are desired.
The TPS51518 supports all POS/SPCAP and/or all ceramic MLCC output capacitor options in applications where remote sense is a requirement. Tight DC load regulation is achieved through external programmable integrator capacitor.
The TPS51518 provides full protection suite, including OVP, OCL, 5-V UVLO and thermal shutdown. It supports the conversion voltage up to 28 V, and output voltages adjustable from 0.5 V to 2 V.
The TPS51518 is available in the 3 mm × 3 mm, QFN, 0.4-mm pitch package and is specified from –10°C to 105°C.
The TPS51518 is a single phase, D-CAP™/ D-CAP2™ synchronous buck controller with 2-bit VID inputs which can select up to four independent externally programmable output voltage levels where full external programmability in the voltage level, step setting and voltage transition slew rate is desired. It is used for GFX applications where multiple voltage levels are desired.
The TPS51518 supports all POS/SPCAP and/or all ceramic MLCC output capacitor options in applications where remote sense is a requirement. Tight DC load regulation is achieved through external programmable integrator capacitor.
The TPS51518 provides full protection suite, including OVP, OCL, 5-V UVLO and thermal shutdown. It supports the conversion voltage up to 28 V, and output voltages adjustable from 0.5 V to 2 V.
The TPS51518 is available in the 3 mm × 3 mm, QFN, 0.4-mm pitch package and is specified from –10°C to 105°C. |
| Evaluation Boards | 1 | Obsolete | |