T
Texas Instruments
| Series | Category | # Parts | Status | Description |
|---|---|---|---|---|
| Part | Spec A | Spec B | Spec C | Spec D | Description |
|---|---|---|---|---|---|
| Series | Category | # Parts | Status | Description |
|---|---|---|---|---|
| Part | Spec A | Spec B | Spec C | Spec D | Description |
|---|---|---|---|---|---|
| Series | Category | # Parts | Status | Description |
|---|---|---|---|---|
TPS3128Active-low, open-drain, supply voltage supervisor with watchdog timer & manual reset | Power Management (PMIC) | 4 | Obsolete | The TPS312x family of voltage supervisory circuits provides voltage monitoring down to 1.2V rails and timing supervision, primarily for DSP and processor-based systems. All devices in the family monitor the power rail and assert RESET output when the power rail is under the threshold voltage target (VIT-). The threshold voltage is programmed into the device to minimize external components. Built-in hysteresis prevents false triggering. The RESET output is not valid for supply voltage (VDD) under 0.9V. The TPS312x family includes devices with active high output for use as disable during malfunction and active-low outputs for most systems where high output indicates properly functioning system.
The TPS3123/3124/3128 also include the watchdog timer functionality to monitor timely digital pulses from the processor and issue an alert if the expected pulse does not arrive on time due to potential software freeze or hang. Such integration of supply rail monitoring and the watch dog timer feature is very helpful in always on systems, such as Factory Automation and Communications Infrastructure.
In addition the TPS3123/5/6/8 devices incorporate a manual reset input, MR, to force RESET triggered by an event unrelated to the voltage rail monitoring of the pulses monitored by the watch dog timer. A low level at MR causes RESET to become active. The TPS3124 devices do not have the input MR, but include a high-level output RESET same as the TPS3125 and TPS3126 devices.
All devices in the family are available in a 5-pin SOT23-5 package and are characterized for operation over a temperature range of –40°C to +85°C.
The TPS312x family of voltage supervisory circuits provides voltage monitoring down to 1.2V rails and timing supervision, primarily for DSP and processor-based systems. All devices in the family monitor the power rail and assert RESET output when the power rail is under the threshold voltage target (VIT-). The threshold voltage is programmed into the device to minimize external components. Built-in hysteresis prevents false triggering. The RESET output is not valid for supply voltage (VDD) under 0.9V. The TPS312x family includes devices with active high output for use as disable during malfunction and active-low outputs for most systems where high output indicates properly functioning system.
The TPS3123/3124/3128 also include the watchdog timer functionality to monitor timely digital pulses from the processor and issue an alert if the expected pulse does not arrive on time due to potential software freeze or hang. Such integration of supply rail monitoring and the watch dog timer feature is very helpful in always on systems, such as Factory Automation and Communications Infrastructure.
In addition the TPS3123/5/6/8 devices incorporate a manual reset input, MR, to force RESET triggered by an event unrelated to the voltage rail monitoring of the pulses monitored by the watch dog timer. A low level at MR causes RESET to become active. The TPS3124 devices do not have the input MR, but include a high-level output RESET same as the TPS3125 and TPS3126 devices.
All devices in the family are available in a 5-pin SOT23-5 package and are characterized for operation over a temperature range of –40°C to +85°C. |
TPS3305Dual-processor voltage supervisor with watchdog timer | Integrated Circuits (ICs) | 11 | Active | The TPS3305 family is a series of micropower supply voltage supervisors designed for circuit initialization. Its dual monitor topology is well-suited to use in DSP and processor-based systems, which often require two supply voltages, core and I/O.
RESETis asserted when the voltage at either SENSEn pin falls below its threshold voltage, VIT. When both SENSEn pins are again above their respective threshold voltages,RESETis held low for the factory-programmed delay time (200ms typ).RESETis also asserted if the watchdog input (WDI) is not toggled for more than 1.6s typ.
The TPS3305-xx devices are available in either 8-pin MSOP or SO packages, and are specified for operation over a temperature range of -40°C to +85°C.
The TPS3305 family is a series of micropower supply voltage supervisors designed for circuit initialization. Its dual monitor topology is well-suited to use in DSP and processor-based systems, which often require two supply voltages, core and I/O.
RESETis asserted when the voltage at either SENSEn pin falls below its threshold voltage, VIT. When both SENSEn pins are again above their respective threshold voltages,RESETis held low for the factory-programmed delay time (200ms typ).RESETis also asserted if the watchdog input (WDI) is not toggled for more than 1.6s typ.
The TPS3305-xx devices are available in either 8-pin MSOP or SO packages, and are specified for operation over a temperature range of -40°C to +85°C. |
TPS3306-Q1Dual-processor voltage supervisor with power-fail & watchdog timer | Integrated Circuits (ICs) | 25 | Active | The TPS3306 family is a series of supervisory circuits designed for circuit initialization which require two supply voltages, primarily in DSP and processor-based systems.
The product spectrum of the TPS3306-xx is designed for monitoring two independent supply voltages of 3.3 V/1.5 V, 3.3 V/1.8 V, 3.3 V/2 V, 3.3 V/2.5 V, or 3.3 V/5 V.
The various supervisory circuits are designed to monitor the nominal supply voltage, as shown in the following supply-voltage monitoring table.
During power-on,RESETis asserted when the supply voltage VDDbecomes higher than 1.1 V. Thereafter, the supervisory circuits monitor the SENSEn inputs and keepRESETactive as long as SENSEn remains below the threshold voltage VIT.
An internal timer delays the return of theRESEToutput to the inactive state (high) to ensure proper system reset. The delay time, td(typ)= 100 ms, starts after SENSE1 and SENSE2 inputs have risen above the threshold voltage VIT. When the voltage at SENSE1 or SENSE2 input drops below the threshold voltage VIT, the output becomes active (low) again.
The integrated power-fail (PFI) comparator with separate open-drain (PFO) output can be used for low-battery detection, power-fail warning, or for monitoring a power supply other than the main supply.
The TPS3306-xx devices integrate a watchdog timer that is periodically triggered by a positive or negative transition of WDI. When the supervising system fails to retrigger the watchdog circuit within the time-out interval, tt(out)= 0.50 s,RESETbecomes active for the time period td. This event also reinitializes the watchdog timer. Leaving WDI unconnected disables the watchdog.
The TPS3306-xx devices are available in standard 8-pin SO packages.
The TPS3306-xxQ family is characterized for operation over a temperature range of –40°C to 125°C.
The TPS3306 family is a series of supervisory circuits designed for circuit initialization which require two supply voltages, primarily in DSP and processor-based systems.
The product spectrum of the TPS3306-xx is designed for monitoring two independent supply voltages of 3.3 V/1.5 V, 3.3 V/1.8 V, 3.3 V/2 V, 3.3 V/2.5 V, or 3.3 V/5 V.
The various supervisory circuits are designed to monitor the nominal supply voltage, as shown in the following supply-voltage monitoring table.
During power-on,RESETis asserted when the supply voltage VDDbecomes higher than 1.1 V. Thereafter, the supervisory circuits monitor the SENSEn inputs and keepRESETactive as long as SENSEn remains below the threshold voltage VIT.
An internal timer delays the return of theRESEToutput to the inactive state (high) to ensure proper system reset. The delay time, td(typ)= 100 ms, starts after SENSE1 and SENSE2 inputs have risen above the threshold voltage VIT. When the voltage at SENSE1 or SENSE2 input drops below the threshold voltage VIT, the output becomes active (low) again.
The integrated power-fail (PFI) comparator with separate open-drain (PFO) output can be used for low-battery detection, power-fail warning, or for monitoring a power supply other than the main supply.
The TPS3306-xx devices integrate a watchdog timer that is periodically triggered by a positive or negative transition of WDI. When the supervising system fails to retrigger the watchdog circuit within the time-out interval, tt(out)= 0.50 s,RESETbecomes active for the time period td. This event also reinitializes the watchdog timer. Leaving WDI unconnected disables the watchdog.
The TPS3306-xx devices are available in standard 8-pin SO packages.
The TPS3306-xxQ family is characterized for operation over a temperature range of –40°C to 125°C. |
TPS3307-18-Q1Automotive, triple-rail processor supervisor (3.3-V, 1.8-V, or adjustable) with power-fail | Power Management - Specialized | 23 | Active | The TPS3307 family is a series of micropower supply voltage supervisors designed for circuit initialization primarily in DSP and processor-based systems, which require more than one supply voltage.
The product spectrum of the TPS3307-xx is designed for monitoring three independent supply voltages: 3.3V/1.8V/adj, 3.3V/2.5V/adj or 3.3V/5V/adj. The adjustable SENSE input allows the monitoring of any supply voltage >1.25V.
The various supply voltage supervisors are designed to monitor the nominal supply voltage.
During power-on,RESETis asserted when the supply voltage VDDbecomes higher than 1.1V. Thereafter, the supply voltage supervisor monitors the SENSEninputs and keepsRESETactive as long as SENSEnremain below the threshold voltage VIT+.
An internal timer delays the return of theRESEToutput to the inactive state (high) to ensure proper system reset. The delay time, td (typ)= 200ms, starts after all SENSEninputs have risen above the threshold voltage VIT+. When the voltage at any SENSE input drops below the threshold voltage VIT-, theRESEToutput becomes active (low) again.
The TPS3307-xx family of devices incorporates a manual reset input,MR. A low level atMRcausesRESETto become active. In addition to the active-lowRESEToutput, the TPS3307-xx family includes an active-high RESET output.
The devices are available in either 8-pin MSOP or standard 8-pin SO packages.
The TPS3307-xx devices are characterized for operation over a temperature range of -40°C to +85°C.
The TPS3307 family is a series of micropower supply voltage supervisors designed for circuit initialization primarily in DSP and processor-based systems, which require more than one supply voltage.
The product spectrum of the TPS3307-xx is designed for monitoring three independent supply voltages: 3.3V/1.8V/adj, 3.3V/2.5V/adj or 3.3V/5V/adj. The adjustable SENSE input allows the monitoring of any supply voltage >1.25V.
The various supply voltage supervisors are designed to monitor the nominal supply voltage.
During power-on,RESETis asserted when the supply voltage VDDbecomes higher than 1.1V. Thereafter, the supply voltage supervisor monitors the SENSEninputs and keepsRESETactive as long as SENSEnremain below the threshold voltage VIT+.
An internal timer delays the return of theRESEToutput to the inactive state (high) to ensure proper system reset. The delay time, td (typ)= 200ms, starts after all SENSEninputs have risen above the threshold voltage VIT+. When the voltage at any SENSE input drops below the threshold voltage VIT-, theRESEToutput becomes active (low) again.
The TPS3307-xx family of devices incorporates a manual reset input,MR. A low level atMRcausesRESETto become active. In addition to the active-lowRESEToutput, the TPS3307-xx family includes an active-high RESET output.
The devices are available in either 8-pin MSOP or standard 8-pin SO packages.
The TPS3307-xx devices are characterized for operation over a temperature range of -40°C to +85°C. |
TPS3420Dual-channel push-button controller with configurable delay | Integrated Circuits (ICs) | 2 | Active | The TPS3420, TPS3421, and TPS3422 (TPS342x) are low-current, ultrasmall, push-button reset timers. These devices use a long timing setup delay to provide the intended system reset, and avoid resets from short push-button closures or key presses. This reset configuration also allows for differentiation between software interrupts and hard system resets.
The TPS3420 and TPS3421 monitor two inputs (PB1 and PB2) and output an active-low reset pulse signal (RST) when both inputs are low for the selected time delay. For the TPS3421,RSTremains low for a factory-programmed fixed time. For the TPS3420,RSTremains low until one of the PBx inputs is released. The need for a dedicated reset button is eliminated because two inputs are used to ensure reset. The TPS3422 monitors one input (PB1) and outputs an active-low reset pulse signal (RST) when PB1 is low for the selected time delay.
The TPS342x have an open-drain output that can be wire-ORed with other open-drain devices. The TPS342x operate from 1.6 V to 6.5 V over the –40°C to +125°C temperature range, and provide a precise, space-conscious micropower solution for system resetting needs.
The TPS3420, TPS3421, and TPS3422 (TPS342x) are low-current, ultrasmall, push-button reset timers. These devices use a long timing setup delay to provide the intended system reset, and avoid resets from short push-button closures or key presses. This reset configuration also allows for differentiation between software interrupts and hard system resets.
The TPS3420 and TPS3421 monitor two inputs (PB1 and PB2) and output an active-low reset pulse signal (RST) when both inputs are low for the selected time delay. For the TPS3421,RSTremains low for a factory-programmed fixed time. For the TPS3420,RSTremains low until one of the PBx inputs is released. The need for a dedicated reset button is eliminated because two inputs are used to ensure reset. The TPS3422 monitors one input (PB1) and outputs an active-low reset pulse signal (RST) when PB1 is low for the selected time delay.
The TPS342x have an open-drain output that can be wire-ORed with other open-drain devices. The TPS342x operate from 1.6 V to 6.5 V over the –40°C to +125°C temperature range, and provide a precise, space-conscious micropower solution for system resetting needs. |
TPS3421Dual-channel push-button controller with configurable delay & reset pulse | Development Boards, Kits, Programmers | 5 | Active | The TPS3420, TPS3421, and TPS3422 (TPS342x) are low-current, ultrasmall, push-button reset timers. These devices use a long timing setup delay to provide the intended system reset, and avoid resets from short push-button closures or key presses. This reset configuration also allows for differentiation between software interrupts and hard system resets.
The TPS3420 and TPS3421 monitor two inputs (PB1 and PB2) and output an active-low reset pulse signal (RST) when both inputs are low for the selected time delay. For the TPS3421,RSTremains low for a factory-programmed fixed time. For the TPS3420,RSTremains low until one of the PBx inputs is released. The need for a dedicated reset button is eliminated because two inputs are used to ensure reset. The TPS3422 monitors one input (PB1) and outputs an active-low reset pulse signal (RST) when PB1 is low for the selected time delay.
The TPS342x have an open-drain output that can be wire-ORed with other open-drain devices. The TPS342x operate from 1.6 V to 6.5 V over the –40°C to +125°C temperature range, and provide a precise, space-conscious micropower solution for system resetting needs.
The TPS3420, TPS3421, and TPS3422 (TPS342x) are low-current, ultrasmall, push-button reset timers. These devices use a long timing setup delay to provide the intended system reset, and avoid resets from short push-button closures or key presses. This reset configuration also allows for differentiation between software interrupts and hard system resets.
The TPS3420 and TPS3421 monitor two inputs (PB1 and PB2) and output an active-low reset pulse signal (RST) when both inputs are low for the selected time delay. For the TPS3421,RSTremains low for a factory-programmed fixed time. For the TPS3420,RSTremains low until one of the PBx inputs is released. The need for a dedicated reset button is eliminated because two inputs are used to ensure reset. The TPS3422 monitors one input (PB1) and outputs an active-low reset pulse signal (RST) when PB1 is low for the selected time delay.
The TPS342x have an open-drain output that can be wire-ORed with other open-drain devices. The TPS342x operate from 1.6 V to 6.5 V over the –40°C to +125°C temperature range, and provide a precise, space-conscious micropower solution for system resetting needs. |
TPS3422Single-channel push-button controller with configurable delay & reset pulse | Power Management (PMIC) | 1 | Active | The TPS3420, TPS3421, and TPS3422 (TPS342x) are low-current, ultrasmall, push-button reset timers. These devices use a long timing setup delay to provide the intended system reset, and avoid resets from short push-button closures or key presses. This reset configuration also allows for differentiation between software interrupts and hard system resets.
The TPS3420 and TPS3421 monitor two inputs (PB1 and PB2) and output an active-low reset pulse signal (RST) when both inputs are low for the selected time delay. For the TPS3421,RSTremains low for a factory-programmed fixed time. For the TPS3420,RSTremains low until one of the PBx inputs is released. The need for a dedicated reset button is eliminated because two inputs are used to ensure reset. The TPS3422 monitors one input (PB1) and outputs an active-low reset pulse signal (RST) when PB1 is low for the selected time delay.
The TPS342x have an open-drain output that can be wire-ORed with other open-drain devices. The TPS342x operate from 1.6 V to 6.5 V over the –40°C to +125°C temperature range, and provide a precise, space-conscious micropower solution for system resetting needs.
The TPS3420, TPS3421, and TPS3422 (TPS342x) are low-current, ultrasmall, push-button reset timers. These devices use a long timing setup delay to provide the intended system reset, and avoid resets from short push-button closures or key presses. This reset configuration also allows for differentiation between software interrupts and hard system resets.
The TPS3420 and TPS3421 monitor two inputs (PB1 and PB2) and output an active-low reset pulse signal (RST) when both inputs are low for the selected time delay. For the TPS3421,RSTremains low for a factory-programmed fixed time. For the TPS3420,RSTremains low until one of the PBx inputs is released. The need for a dedicated reset button is eliminated because two inputs are used to ensure reset. The TPS3422 monitors one input (PB1) and outputs an active-low reset pulse signal (RST) when PB1 is low for the selected time delay.
The TPS342x have an open-drain output that can be wire-ORed with other open-drain devices. The TPS342x operate from 1.6 V to 6.5 V over the –40°C to +125°C temperature range, and provide a precise, space-conscious micropower solution for system resetting needs. |
| Clock/Timing | 2 | Active | ||
TPS3431Standard programmable watchdog timer with enable | Evaluation and Demonstration Boards and Kits | 2 | Active | The TPS3431 is a standard programmable watchdog timer with an enable feature for a wide variety of applications. The watchdog timeout features a 15% accuracy, high-precision timing (–40°C to +125°C) and 2.5% typical at 25°C. The watchdog timeout can be programmed either by an external capacitor, or by factory-programmed default delay settings. The watchdog can be disabled via the Enable pin or the SET logic pins to avoid undesired watchdog timeouts during the development process.
The TPS3431 is available in a small 3.00-mm × 3.00-mm, 8-pin VSON package.
The TPS3431 is a standard programmable watchdog timer with an enable feature for a wide variety of applications. The watchdog timeout features a 15% accuracy, high-precision timing (–40°C to +125°C) and 2.5% typical at 25°C. The watchdog timeout can be programmed either by an external capacitor, or by factory-programmed default delay settings. The watchdog can be disabled via the Enable pin or the SET logic pins to avoid undesired watchdog timeouts during the development process.
The TPS3431 is available in a small 3.00-mm × 3.00-mm, 8-pin VSON package. |
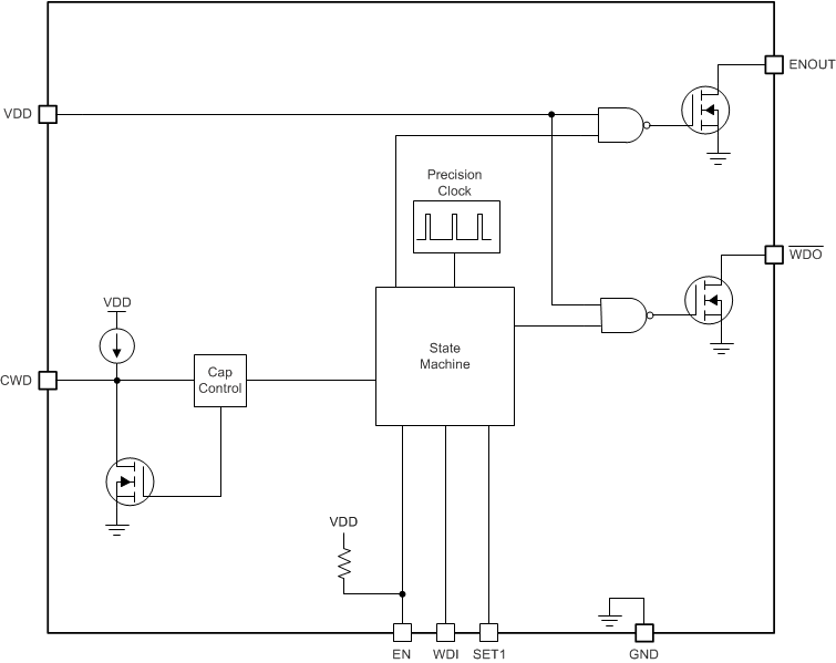
TPS3435Nano-quiescent-current precision timeout watchdog timer | Power Management (PMIC) | 2 | Active | The TPS3435 is an ultra-low power consumption (250nA typical) device offering a programmable timeout watchdog timer.
The TPS3435 offers a high accuracy timeout watchdog timer with a host of features for a wide variety of applications. The timeout watchdog timer can be factory programmed or user programmed using an external capacitor. The timer value can be changed on-the-fly using a combination of logic pins. The watchdog also offers unique features such as enable-disable, start-up delay.
The WDO delay can be set by factory-programmed default delay settings or programmed by an external capacitor. The device also offers a latched output operation where the output is latched until the watchdog fault is cleared.
The TPS3435 provides a performance upgrade alternative toTPS3431device family. The TPS3435 is available in a small 6-pin WSON and 8-pin SOT-23 package.
The TPS3435 is an ultra-low power consumption (250nA typical) device offering a programmable timeout watchdog timer.
The TPS3435 offers a high accuracy timeout watchdog timer with a host of features for a wide variety of applications. The timeout watchdog timer can be factory programmed or user programmed using an external capacitor. The timer value can be changed on-the-fly using a combination of logic pins. The watchdog also offers unique features such as enable-disable, start-up delay.
The WDO delay can be set by factory-programmed default delay settings or programmed by an external capacitor. The device also offers a latched output operation where the output is latched until the watchdog fault is cleared.
The TPS3435 provides a performance upgrade alternative toTPS3431device family. The TPS3435 is available in a small 6-pin WSON and 8-pin SOT-23 package. |
| Part | Category | Description |
|---|---|---|
Texas Instruments | Integrated Circuits (ICs) | BUS DRIVER, BCT/FBT SERIES |
Texas Instruments | Integrated Circuits (ICs) | 12BIT 3.3V~3.6V 210MHZ PARALLEL VQFN-48-EP(7X7) ANALOG TO DIGITAL CONVERTERS (ADC) ROHS |
Texas Instruments | Integrated Circuits (ICs) | TMX320DRE311 179PIN UBGA 200MHZ |
Texas Instruments TPS61040DRVTG4Unknown | Integrated Circuits (ICs) | IC LED DRV RGLTR PWM 350MA 6WSON |
Texas Instruments LP3876ET-2.5Obsolete | Integrated Circuits (ICs) | IC REG LINEAR 2.5V 3A TO220-5 |
Texas Instruments LMS1585ACSX-ADJObsolete | Integrated Circuits (ICs) | IC REG LIN POS ADJ 5A DDPAK |
Texas Instruments INA111APG4Obsolete | Integrated Circuits (ICs) | IC INST AMP 1 CIRCUIT 8DIP |
Texas Instruments | Integrated Circuits (ICs) | AUTOMOTIVE, QUAD 36V 1.2MHZ OPERATIONAL AMPLIFIER |
Texas Instruments OPA340NA/3KG4Unknown | Integrated Circuits (ICs) | IC OPAMP GP 1 CIRCUIT SOT23-5 |
Texas Instruments PT5112AObsolete | Power Supplies - Board Mount | DC DC CONVERTER 8V 8W |