| Power Management (PMIC) | 2 | Active | |
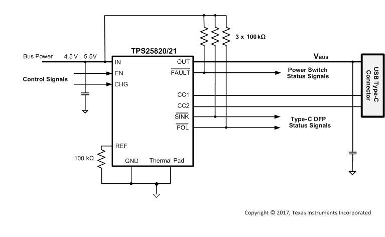
TPS25820USB Type-C® source controller and 1.5A power switch with VCONN | Evaluation Boards | 3 | Active | The TPS25820/21 is a USB Type-C source controller with an integrated 1.5 A-rated USB power switch. The TPS25820/21 monitors the Type-C configuration channel (CC) lines to determine when a USB sink is attached. If a sink is attached, the TPS25820/21 applies power to VBUSand communicates the selectable VBUScurrent sourcing capability to the sink via the pass through CC line. If the sink is attached with an electronically marked cable, the TPS25820 also applies VCONNpower to the cable VCONNpin. The TPS25821 does not apply VCONNpower and is for functions where VCONNis not needed such as USB 2.0 and data-less charging implementations.
The TPS25820/21 draws 1.0 µA (typ) when nothing is attached. TheFAULToutput signals when the switch is in an overcurrent or overtemperature condition. TheSINKoutput signals when a sink is attached and thePOLoutput signals the polarity of the cable super-speed lines.
The TPS25820/21 is a USB Type-C source controller with an integrated 1.5 A-rated USB power switch. The TPS25820/21 monitors the Type-C configuration channel (CC) lines to determine when a USB sink is attached. If a sink is attached, the TPS25820/21 applies power to VBUSand communicates the selectable VBUScurrent sourcing capability to the sink via the pass through CC line. If the sink is attached with an electronically marked cable, the TPS25820 also applies VCONNpower to the cable VCONNpin. The TPS25821 does not apply VCONNpower and is for functions where VCONNis not needed such as USB 2.0 and data-less charging implementations.
The TPS25820/21 draws 1.0 µA (typ) when nothing is attached. TheFAULToutput signals when the switch is in an overcurrent or overtemperature condition. TheSINKoutput signals when a sink is attached and thePOLoutput signals the polarity of the cable super-speed lines. |
TPS25821USB Type-C® source controller and 1.5A power switch | Interface | 1 | Active | The TPS25820/21 is a USB Type-C source controller with an integrated 1.5 A-rated USB power switch. The TPS25820/21 monitors the Type-C configuration channel (CC) lines to determine when a USB sink is attached. If a sink is attached, the TPS25820/21 applies power to VBUSand communicates the selectable VBUScurrent sourcing capability to the sink via the pass through CC line. If the sink is attached with an electronically marked cable, the TPS25820 also applies VCONNpower to the cable VCONNpin. The TPS25821 does not apply VCONNpower and is for functions where VCONNis not needed such as USB 2.0 and data-less charging implementations.
The TPS25820/21 draws 1.0 µA (typ) when nothing is attached. TheFAULToutput signals when the switch is in an overcurrent or overtemperature condition. TheSINKoutput signals when a sink is attached and thePOLoutput signals the polarity of the cable super-speed lines.
The TPS25820/21 is a USB Type-C source controller with an integrated 1.5 A-rated USB power switch. The TPS25820/21 monitors the Type-C configuration channel (CC) lines to determine when a USB sink is attached. If a sink is attached, the TPS25820/21 applies power to VBUSand communicates the selectable VBUScurrent sourcing capability to the sink via the pass through CC line. If the sink is attached with an electronically marked cable, the TPS25820 also applies VCONNpower to the cable VCONNpin. The TPS25821 does not apply VCONNpower and is for functions where VCONNis not needed such as USB 2.0 and data-less charging implementations.
The TPS25820/21 draws 1.0 µA (typ) when nothing is attached. TheFAULToutput signals when the switch is in an overcurrent or overtemperature condition. TheSINKoutput signals when a sink is attached and thePOLoutput signals the polarity of the cable super-speed lines. |
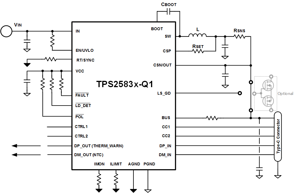
TPS25830A-Q1USB Type-C® and SDP/CDP charge port converter with short to BATT protection and MFi functionality | Evaluation and Demonstration Boards and Kits | 4 | Active | The TPS2583xA-Q1 is a USB Type-C and BC1.2 charging port controller that includes a synchronous DC/DC converter. With cable droop compensation, the VBUSvoltage remains constant regardless of load current, ensuring connected portable devices charge at optimal current and voltage.
The TPS2583xA-Q1 includes high bandwidth analog switches for DP and DM pass-through.
The TPS25830A-Q1 also integrates short-to-battery protection on VBUS, CC1, CC2, DM_IN and DP_IN pins (up to 18-V support). The TPS25832A-Q1 does not support data line (CC and Dx) short to VBAT protection.
The synchronous buck regulator operates with current mode control and is internally compensated to simplify design. A resistor on the RT pin sets the switching frequency between 300 kHz and 2.2 MHz. Operating below 400 kHz results in better system efficiency. Operation above 2.1 MHz avoids the AM radio bands and allows for use of a smaller inductor.
The TPS2583xA-Q1 integrates standard USB Type-C port controller functionality including Configuration Channel (CC) logic for 3-A and 1.5-A current advertisement. Battery Charging (Rev. 1.2) integration provides the required electrical signatures necessary for non-Type-C, legacy USB devices which use USB data line signaling to determine USB port current sourcing capabilities.
A precision current sense amplifier is included for user programmable cable droop compensation and current limit tuning. Cable compensation aids portable devices in charging at optimum current and voltage under heavy loads by changing the buck regulator output voltage linearly with load current to counteract the voltage drop due to wire resistance in automotive cabling. The VBUSvoltage measured at a connected portable device remains approximately constant, regardless of load current, allowing the portable device’s battery charger to work optimally.
The USB specifications require current limiting of USB charging ports, but give system designers reasonable flexibility to choose overcurrent protection levels based on system requirements. The TPS2583xA-Q1 uses a novel two-threshold current limit circuit allowing system designers to either program average current limit protection of the buck regulator, or optionally, current limit using an external NMOS between the CSN/OUT and BUS pins. The NFET implementation enables the TPS2583xA-Q1 buck regulator to supply a 5-V output for other loads during an overcurrent fault condition on the USB port. Also, the current limit methodology TPS2583xA-Q1 use can meet latest MFI requirement.
TPS2583xA-Q1 Integrated protection features include cycle-by-cycle current limit, hiccup short-circuit protection, undervoltage lockout, VBUSovervoltage and overcurrent, CC overvoltage and overcurrent, data line (Dx) short to VBUSand VBAT, and die overtemperature protection.
The TPS25830A-Q1 includes high bandwidth analog switches for DP and DM pass-through, and support data line (Dx and CC) short-to-VBAT protection. The TPS25832A-Q1 does not support data line (Dx and CC) short-to-VBAT protection.
The TPS2583xA-Q1 is a USB Type-C and BC1.2 charging port controller that includes a synchronous DC/DC converter. With cable droop compensation, the VBUSvoltage remains constant regardless of load current, ensuring connected portable devices charge at optimal current and voltage.
The TPS2583xA-Q1 includes high bandwidth analog switches for DP and DM pass-through.
The TPS25830A-Q1 also integrates short-to-battery protection on VBUS, CC1, CC2, DM_IN and DP_IN pins (up to 18-V support). The TPS25832A-Q1 does not support data line (CC and Dx) short to VBAT protection.
The synchronous buck regulator operates with current mode control and is internally compensated to simplify design. A resistor on the RT pin sets the switching frequency between 300 kHz and 2.2 MHz. Operating below 400 kHz results in better system efficiency. Operation above 2.1 MHz avoids the AM radio bands and allows for use of a smaller inductor.
The TPS2583xA-Q1 integrates standard USB Type-C port controller functionality including Configuration Channel (CC) logic for 3-A and 1.5-A current advertisement. Battery Charging (Rev. 1.2) integration provides the required electrical signatures necessary for non-Type-C, legacy USB devices which use USB data line signaling to determine USB port current sourcing capabilities.
A precision current sense amplifier is included for user programmable cable droop compensation and current limit tuning. Cable compensation aids portable devices in charging at optimum current and voltage under heavy loads by changing the buck regulator output voltage linearly with load current to counteract the voltage drop due to wire resistance in automotive cabling. The VBUSvoltage measured at a connected portable device remains approximately constant, regardless of load current, allowing the portable device’s battery charger to work optimally.
The USB specifications require current limiting of USB charging ports, but give system designers reasonable flexibility to choose overcurrent protection levels based on system requirements. The TPS2583xA-Q1 uses a novel two-threshold current limit circuit allowing system designers to either program average current limit protection of the buck regulator, or optionally, current limit using an external NMOS between the CSN/OUT and BUS pins. The NFET implementation enables the TPS2583xA-Q1 buck regulator to supply a 5-V output for other loads during an overcurrent fault condition on the USB port. Also, the current limit methodology TPS2583xA-Q1 use can meet latest MFI requirement.
TPS2583xA-Q1 Integrated protection features include cycle-by-cycle current limit, hiccup short-circuit protection, undervoltage lockout, VBUSovervoltage and overcurrent, CC overvoltage and overcurrent, data line (Dx) short to VBUSand VBAT, and die overtemperature protection.
The TPS25830A-Q1 includes high bandwidth analog switches for DP and DM pass-through, and support data line (Dx and CC) short-to-VBAT protection. The TPS25832A-Q1 does not support data line (Dx and CC) short-to-VBAT protection. |
TPS25831-Q1USB Type-C™ DCP Charge port converter with STB protection, cable comp. and thermal foldback | Evaluation Boards | 3 | Active | The TPS2583x-Q1 is a USB Type-C and BC1.2 charging port controller that includes a synchronous DC/DC converter. With cable droop compensation, the VBUSvoltage remains constant regardless of load current, ensuring connected portable devices are charged at optimal current and voltage.
The TPS2583x-Q1 also integrates short-to-battery protection on VBUS, CC1, CC2, DM_IN and DP_IN pins. These pins can withstand voltage up to 18 V.
The TPS25830-Q1 includes high bandwidth analog switches for DP and DM pass-through, while the TPS25831-Q1 includes a thermistor input pin and thermal warning flag for user programmable thermal overload protection.
The TPS2583x-Q1 is a USB Type-C and BC1.2 charging port controller that includes a synchronous DC/DC converter. With cable droop compensation, the VBUSvoltage remains constant regardless of load current, ensuring connected portable devices are charged at optimal current and voltage.
The TPS2583x-Q1 also integrates short-to-battery protection on VBUS, CC1, CC2, DM_IN and DP_IN pins. These pins can withstand voltage up to 18 V.
The TPS25830-Q1 includes high bandwidth analog switches for DP and DM pass-through, while the TPS25831-Q1 includes a thermistor input pin and thermal warning flag for user programmable thermal overload protection. |
TPS25832A-Q1USB Type-C® and SDP/CDP charge port converter with cable compensation and MFi functionality | Power Management (PMIC) | 4 | Active | The TPS2583xA-Q1 is a USB Type-C and BC1.2 charging port controller that includes a synchronous DC/DC converter. With cable droop compensation, the VBUSvoltage remains constant regardless of load current, ensuring connected portable devices charge at optimal current and voltage.
The TPS2583xA-Q1 includes high bandwidth analog switches for DP and DM pass-through.
The TPS25830A-Q1 also integrates short-to-battery protection on VBUS, CC1, CC2, DM_IN and DP_IN pins (up to 18-V support). The TPS25832A-Q1 does not support data line (CC and Dx) short to VBAT protection.
The synchronous buck regulator operates with current mode control and is internally compensated to simplify design. A resistor on the RT pin sets the switching frequency between 300 kHz and 2.2 MHz. Operating below 400 kHz results in better system efficiency. Operation above 2.1 MHz avoids the AM radio bands and allows for use of a smaller inductor.
The TPS2583xA-Q1 integrates standard USB Type-C port controller functionality including Configuration Channel (CC) logic for 3-A and 1.5-A current advertisement. Battery Charging (Rev. 1.2) integration provides the required electrical signatures necessary for non-Type-C, legacy USB devices which use USB data line signaling to determine USB port current sourcing capabilities.
A precision current sense amplifier is included for user programmable cable droop compensation and current limit tuning. Cable compensation aids portable devices in charging at optimum current and voltage under heavy loads by changing the buck regulator output voltage linearly with load current to counteract the voltage drop due to wire resistance in automotive cabling. The VBUSvoltage measured at a connected portable device remains approximately constant, regardless of load current, allowing the portable device’s battery charger to work optimally.
The USB specifications require current limiting of USB charging ports, but give system designers reasonable flexibility to choose overcurrent protection levels based on system requirements. The TPS2583xA-Q1 uses a novel two-threshold current limit circuit allowing system designers to either program average current limit protection of the buck regulator, or optionally, current limit using an external NMOS between the CSN/OUT and BUS pins. The NFET implementation enables the TPS2583xA-Q1 buck regulator to supply a 5-V output for other loads during an overcurrent fault condition on the USB port. Also, the current limit methodology TPS2583xA-Q1 use can meet latest MFI requirement.
TPS2583xA-Q1 Integrated protection features include cycle-by-cycle current limit, hiccup short-circuit protection, undervoltage lockout, VBUSovervoltage and overcurrent, CC overvoltage and overcurrent, data line (Dx) short to VBUSand VBAT, and die overtemperature protection.
The TPS25830A-Q1 includes high bandwidth analog switches for DP and DM pass-through, and support data line (Dx and CC) short-to-VBAT protection. The TPS25832A-Q1 does not support data line (Dx and CC) short-to-VBAT protection.
The TPS2583xA-Q1 is a USB Type-C and BC1.2 charging port controller that includes a synchronous DC/DC converter. With cable droop compensation, the VBUSvoltage remains constant regardless of load current, ensuring connected portable devices charge at optimal current and voltage.
The TPS2583xA-Q1 includes high bandwidth analog switches for DP and DM pass-through.
The TPS25830A-Q1 also integrates short-to-battery protection on VBUS, CC1, CC2, DM_IN and DP_IN pins (up to 18-V support). The TPS25832A-Q1 does not support data line (CC and Dx) short to VBAT protection.
The synchronous buck regulator operates with current mode control and is internally compensated to simplify design. A resistor on the RT pin sets the switching frequency between 300 kHz and 2.2 MHz. Operating below 400 kHz results in better system efficiency. Operation above 2.1 MHz avoids the AM radio bands and allows for use of a smaller inductor.
The TPS2583xA-Q1 integrates standard USB Type-C port controller functionality including Configuration Channel (CC) logic for 3-A and 1.5-A current advertisement. Battery Charging (Rev. 1.2) integration provides the required electrical signatures necessary for non-Type-C, legacy USB devices which use USB data line signaling to determine USB port current sourcing capabilities.
A precision current sense amplifier is included for user programmable cable droop compensation and current limit tuning. Cable compensation aids portable devices in charging at optimum current and voltage under heavy loads by changing the buck regulator output voltage linearly with load current to counteract the voltage drop due to wire resistance in automotive cabling. The VBUSvoltage measured at a connected portable device remains approximately constant, regardless of load current, allowing the portable device’s battery charger to work optimally.
The USB specifications require current limiting of USB charging ports, but give system designers reasonable flexibility to choose overcurrent protection levels based on system requirements. The TPS2583xA-Q1 uses a novel two-threshold current limit circuit allowing system designers to either program average current limit protection of the buck regulator, or optionally, current limit using an external NMOS between the CSN/OUT and BUS pins. The NFET implementation enables the TPS2583xA-Q1 buck regulator to supply a 5-V output for other loads during an overcurrent fault condition on the USB port. Also, the current limit methodology TPS2583xA-Q1 use can meet latest MFI requirement.
TPS2583xA-Q1 Integrated protection features include cycle-by-cycle current limit, hiccup short-circuit protection, undervoltage lockout, VBUSovervoltage and overcurrent, CC overvoltage and overcurrent, data line (Dx) short to VBUSand VBAT, and die overtemperature protection.
The TPS25830A-Q1 includes high bandwidth analog switches for DP and DM pass-through, and support data line (Dx and CC) short-to-VBAT protection. The TPS25832A-Q1 does not support data line (Dx and CC) short-to-VBAT protection. |
TPS25833-Q1USB Type-C,DCP charge port converter with cable compensation and thermal foldback | Power Management - Specialized | 1 | Active | The TPS2583x-Q1 is a USB Type-C and BC1.2 charging port controller that includes a synchronous DC/DC converter. With cable droop compensation, the VBUSvoltage remains constant regardless of load current, ensuring connected portable devices charge at optimal current and voltage.
The TPS25832-Q1 includes high bandwidth analog switches for DP and DM pass-through, while the TPS25833-Q1 includes a thermistor input pin and thermal warning flag for user programmable thermal overload protection.
The synchronous buck regulator operates with current mode control and is internally compensated to simplify the design. A resistor on the RT pin sets the switching frequency between 300 kHz and 2.2 MHz. Operating below 400 kHz results in better system efficiency. Operation above 2.1 MHz avoids the AM radio bands and allows for use of a smaller inductor.
The TPS2583x-Q1 integrates standard USB Type-C port controller functionality including Configuration Channel (CC) logic for 3-A and 1.5-A current advertisement. Battery Charging (Rev. 1.2) integration provides the required electrical signatures necessary for non-Type-C, legacy USB devices that use USB data line signaling to determine USB port current sourcing capabilities.
A precision current sense amplifier is included for user programmable cable droop compensation and current limit tuning. Cable compensation aids portable devices in charging at optimum current and voltage under heavy loads by changing the buck regulator output voltage linearly with load current to counteract the voltage drop due to wire resistance in automotive cabling. The VBUSvoltage measured at a connected portable device remains approximately constant, regardless of load current, allowing the portable device’s battery charger to work optimally.
The USB specifications require current limiting of USB charging ports, but give system designers reasonable flexibility to choose overcurrent protection levels based on system requirements. The TPS2583x-Q1 uses a novel two-threshold current limit circuit allowing system designers to either program average current limit protection of the buck regulator, or optionally, current limit using an external NMOS between the CSN/OUT and BUS pins. The NFET implementation enables the TPS2583x-Q1 buck regulator to supply a 5-V output for other loads during an overcurrent fault condition on the USB port.
The TPS25832-Q1 includes high bandwidth analog switches for DP and DM pass-through. The TPS25833-Q1 includes a thermistor input pin and thermal warning flag for user programmable thermal overload protection.
Integrated protection features include cycle-by-cycle current limit, hiccup short-circuit protection, undervoltage lockout, VBUSovervoltage and overcurrent, CC overvoltage and overcurrent, data line (Dx) short-to-VBUSand die overtemperature protection.
The TPS2583x-Q1 is a USB Type-C and BC1.2 charging port controller that includes a synchronous DC/DC converter. With cable droop compensation, the VBUSvoltage remains constant regardless of load current, ensuring connected portable devices charge at optimal current and voltage.
The TPS25832-Q1 includes high bandwidth analog switches for DP and DM pass-through, while the TPS25833-Q1 includes a thermistor input pin and thermal warning flag for user programmable thermal overload protection.
The synchronous buck regulator operates with current mode control and is internally compensated to simplify the design. A resistor on the RT pin sets the switching frequency between 300 kHz and 2.2 MHz. Operating below 400 kHz results in better system efficiency. Operation above 2.1 MHz avoids the AM radio bands and allows for use of a smaller inductor.
The TPS2583x-Q1 integrates standard USB Type-C port controller functionality including Configuration Channel (CC) logic for 3-A and 1.5-A current advertisement. Battery Charging (Rev. 1.2) integration provides the required electrical signatures necessary for non-Type-C, legacy USB devices that use USB data line signaling to determine USB port current sourcing capabilities.
A precision current sense amplifier is included for user programmable cable droop compensation and current limit tuning. Cable compensation aids portable devices in charging at optimum current and voltage under heavy loads by changing the buck regulator output voltage linearly with load current to counteract the voltage drop due to wire resistance in automotive cabling. The VBUSvoltage measured at a connected portable device remains approximately constant, regardless of load current, allowing the portable device’s battery charger to work optimally.
The USB specifications require current limiting of USB charging ports, but give system designers reasonable flexibility to choose overcurrent protection levels based on system requirements. The TPS2583x-Q1 uses a novel two-threshold current limit circuit allowing system designers to either program average current limit protection of the buck regulator, or optionally, current limit using an external NMOS between the CSN/OUT and BUS pins. The NFET implementation enables the TPS2583x-Q1 buck regulator to supply a 5-V output for other loads during an overcurrent fault condition on the USB port.
The TPS25832-Q1 includes high bandwidth analog switches for DP and DM pass-through. The TPS25833-Q1 includes a thermistor input pin and thermal warning flag for user programmable thermal overload protection.
Integrated protection features include cycle-by-cycle current limit, hiccup short-circuit protection, undervoltage lockout, VBUSovervoltage and overcurrent, CC overvoltage and overcurrent, data line (Dx) short-to-VBUSand die overtemperature protection. |
TPS25840-Q1USB-A SDP/CDP charge port converter with STB protection and cable compensation | Evaluation and Demonstration Boards and Kits | 2 | Active | The TPS2584x-Q1 is a USB Type-A BC1.2 charging solution that includes a synchronous DC/DC converter. With cable droop compensation, the Vbus voltage remains constant regardless of load current, ensuring connected portable devices charge at optimal current and voltage even under heavy loads.
The TPS2584x-Q1 includes high bandwidth analog switches for DP and DM pass-through.
The TPS25840-Q1 also integrates short-to-battery protection on VBUS, DM_IN and DP_IN pins. These pins can withstand voltage up to 18 V. TPS25842-Q1 does not support data line (Dx) short-to-VBATprotection.
The synchronous buck regulator operates with current mode control and is internally compensated to simplify design. A resistor on the RT pin sets the switching frequency between 300 kHz and 2.2 MHz. Operating below 400 kHz results in better system efficiency. Operation above 2.1 MHz avoids the AM radio bands and allows for use of a smaller inductor.
The TPS2584x-Q1 integrates electrical signatures necessary for legacy devices which use USB data lines to determine charging configuration.
A precision current sense amplifier is included for user programmable cable droop compensation and current limit tuning. Cable compensation aids portable devices in charging at optimum current and voltage under heavy loads by changing the buck regulator output voltage linearly with load current to counteract the voltage drop due to wire resistance in automotive cabling. The VBUS voltage measured at a connected portable device remains approximately constant, regardless of load current, allowing the portable device’s battery charger to work optimally.
The USB specifications require current limiting of USB charging ports, but give system designers reasonable flexibility to choose overcurrent protection levels based on system requirements. The TPS2584x-Q1 uses a novel two-threshold current limit circuit allowing system designers to either program average current limit protection of the buck regulator, or optionally, current limit using an external NMOS between the CSN/OUT and BUS pins. The NFET implementation enables the TPS2584x-Q1 buck regulator to supply a 5-V output for other loads during an overcurrent condition on the USB port.
Protection features include cycle-by-cycle current limit, hiccup short-circuit protection, undervoltage lockout, VBUS overvoltage and overcurrent, data line (Dx) short to VBUS, and die overtemperature protection.
The TPS25840-Q1 includes high bandwidth analog switches for DP and DM pass-through, and support data line (Dx) short to VBAT protection. TPS25842-Q1 don’t support data line (Dx) short to VBAT protection.
The TPS2584x-Q1 is a USB Type-A BC1.2 charging solution that includes a synchronous DC/DC converter. With cable droop compensation, the Vbus voltage remains constant regardless of load current, ensuring connected portable devices charge at optimal current and voltage even under heavy loads.
The TPS2584x-Q1 includes high bandwidth analog switches for DP and DM pass-through.
The TPS25840-Q1 also integrates short-to-battery protection on VBUS, DM_IN and DP_IN pins. These pins can withstand voltage up to 18 V. TPS25842-Q1 does not support data line (Dx) short-to-VBATprotection.
The synchronous buck regulator operates with current mode control and is internally compensated to simplify design. A resistor on the RT pin sets the switching frequency between 300 kHz and 2.2 MHz. Operating below 400 kHz results in better system efficiency. Operation above 2.1 MHz avoids the AM radio bands and allows for use of a smaller inductor.
The TPS2584x-Q1 integrates electrical signatures necessary for legacy devices which use USB data lines to determine charging configuration.
A precision current sense amplifier is included for user programmable cable droop compensation and current limit tuning. Cable compensation aids portable devices in charging at optimum current and voltage under heavy loads by changing the buck regulator output voltage linearly with load current to counteract the voltage drop due to wire resistance in automotive cabling. The VBUS voltage measured at a connected portable device remains approximately constant, regardless of load current, allowing the portable device’s battery charger to work optimally.
The USB specifications require current limiting of USB charging ports, but give system designers reasonable flexibility to choose overcurrent protection levels based on system requirements. The TPS2584x-Q1 uses a novel two-threshold current limit circuit allowing system designers to either program average current limit protection of the buck regulator, or optionally, current limit using an external NMOS between the CSN/OUT and BUS pins. The NFET implementation enables the TPS2584x-Q1 buck regulator to supply a 5-V output for other loads during an overcurrent condition on the USB port.
Protection features include cycle-by-cycle current limit, hiccup short-circuit protection, undervoltage lockout, VBUS overvoltage and overcurrent, data line (Dx) short to VBUS, and die overtemperature protection.
The TPS25840-Q1 includes high bandwidth analog switches for DP and DM pass-through, and support data line (Dx) short to VBAT protection. TPS25842-Q1 don’t support data line (Dx) short to VBAT protection. |
TPS25842-Q1USB Type-A SDP/CDP automotive charge port converter cable compensation | Integrated Circuits (ICs) | 3 | Active | The TPS2584x-Q1 is a USB Type-A BC1.2 charging solution that includes a synchronous DC/DC converter. With cable droop compensation, the Vbus voltage remains constant regardless of load current, ensuring connected portable devices charge at optimal current and voltage even under heavy loads.
The TPS2584x-Q1 includes high bandwidth analog switches for DP and DM pass-through.
The TPS25840-Q1 also integrates short-to-battery protection on VBUS, DM_IN and DP_IN pins. These pins can withstand voltage up to 18 V. TPS25842-Q1 does not support data line (Dx) short-to-VBATprotection.
The synchronous buck regulator operates with current mode control and is internally compensated to simplify design. A resistor on the RT pin sets the switching frequency between 300 kHz and 2.2 MHz. Operating below 400 kHz results in better system efficiency. Operation above 2.1 MHz avoids the AM radio bands and allows for use of a smaller inductor.
The TPS2584x-Q1 integrates electrical signatures necessary for legacy devices which use USB data lines to determine charging configuration.
A precision current sense amplifier is included for user programmable cable droop compensation and current limit tuning. Cable compensation aids portable devices in charging at optimum current and voltage under heavy loads by changing the buck regulator output voltage linearly with load current to counteract the voltage drop due to wire resistance in automotive cabling. The VBUS voltage measured at a connected portable device remains approximately constant, regardless of load current, allowing the portable device’s battery charger to work optimally.
The USB specifications require current limiting of USB charging ports, but give system designers reasonable flexibility to choose overcurrent protection levels based on system requirements. The TPS2584x-Q1 uses a novel two-threshold current limit circuit allowing system designers to either program average current limit protection of the buck regulator, or optionally, current limit using an external NMOS between the CSN/OUT and BUS pins. The NFET implementation enables the TPS2584x-Q1 buck regulator to supply a 5-V output for other loads during an overcurrent condition on the USB port.
Protection features include cycle-by-cycle current limit, hiccup short-circuit protection, undervoltage lockout, VBUS overvoltage and overcurrent, data line (Dx) short to VBUS, and die overtemperature protection.
The TPS25840-Q1 includes high bandwidth analog switches for DP and DM pass-through, and support data line (Dx) short to VBAT protection. TPS25842-Q1 don’t support data line (Dx) short to VBAT protection.
The TPS2584x-Q1 is a USB Type-A BC1.2 charging solution that includes a synchronous DC/DC converter. With cable droop compensation, the Vbus voltage remains constant regardless of load current, ensuring connected portable devices charge at optimal current and voltage even under heavy loads.
The TPS2584x-Q1 includes high bandwidth analog switches for DP and DM pass-through.
The TPS25840-Q1 also integrates short-to-battery protection on VBUS, DM_IN and DP_IN pins. These pins can withstand voltage up to 18 V. TPS25842-Q1 does not support data line (Dx) short-to-VBATprotection.
The synchronous buck regulator operates with current mode control and is internally compensated to simplify design. A resistor on the RT pin sets the switching frequency between 300 kHz and 2.2 MHz. Operating below 400 kHz results in better system efficiency. Operation above 2.1 MHz avoids the AM radio bands and allows for use of a smaller inductor.
The TPS2584x-Q1 integrates electrical signatures necessary for legacy devices which use USB data lines to determine charging configuration.
A precision current sense amplifier is included for user programmable cable droop compensation and current limit tuning. Cable compensation aids portable devices in charging at optimum current and voltage under heavy loads by changing the buck regulator output voltage linearly with load current to counteract the voltage drop due to wire resistance in automotive cabling. The VBUS voltage measured at a connected portable device remains approximately constant, regardless of load current, allowing the portable device’s battery charger to work optimally.
The USB specifications require current limiting of USB charging ports, but give system designers reasonable flexibility to choose overcurrent protection levels based on system requirements. The TPS2584x-Q1 uses a novel two-threshold current limit circuit allowing system designers to either program average current limit protection of the buck regulator, or optionally, current limit using an external NMOS between the CSN/OUT and BUS pins. The NFET implementation enables the TPS2584x-Q1 buck regulator to supply a 5-V output for other loads during an overcurrent condition on the USB port.
Protection features include cycle-by-cycle current limit, hiccup short-circuit protection, undervoltage lockout, VBUS overvoltage and overcurrent, data line (Dx) short to VBUS, and die overtemperature protection.
The TPS25840-Q1 includes high bandwidth analog switches for DP and DM pass-through, and support data line (Dx) short to VBAT protection. TPS25842-Q1 don’t support data line (Dx) short to VBAT protection. |
TPS25846-Q1USB BC1.2 5-V 3.5-A output, 36-V input synchronous step-down converter with client mode support | Integrated Circuits (ICs) | 2 | Active | The TPS25846-Q1 is a USB Type-A BC1.2 charging solution that includes a synchronous DC/DC converter. With cable droop compensation, the Vbus voltage remains constant regardless of load current, ensuring connected portable devices are charged at optimal current and voltage even under heavy loads.
The TPS25846-Q1 includes high bandwidth analog switches for DP and DM pass-through. The device also integrates short to battery protection on VBUS, DM_IN and DP_IN pins. These pins can withstand voltage up to 18 V.
The synchronous buck regulator operates with current mode control and is internally compensated to simplify design. A resistor on the RT pin sets the switching frequency between 300 kHz and 2.2 MHz. Operating below 400 kHz results in better system efficiency. Operation above 2.1 MHz avoids the AM radio bands and allows for use of a smaller inductor.
The TPS25846-Q1 integrates electrical signatures necessary for legacy devices which use USB data lines to determine charging configuration.
A precision current sense amplifier is included for user programmable cable droop compensation and current limit tuning. Cable compensation aids portable devices in charging at optimum current and voltage under heavy loads by changing the buck regulator output voltage linearly with load current to counteract the voltage drop due to wire resistance in automotive cabling. The VBUS voltage measured at a connected portable device remains approximately constant, regardless of load current, allowing the portable device’s battery charger to work optimally.
The USB specifications require current limiting of USB charging ports, but give system designers reasonable flexibility to choose overcurrent protection levels based on system requirements. The TPS25846-Q1 uses a novel two-threshold current limit circuit allowing system designers to either program average current limit protection of the buck regulator, or optionally, current limit using an external NMOS between the CSN/OUT and BUS pins. The NFET implementation enables the TPS25846-Q1 buck regulator to supply a 5-V output for other loads during an overcurrent condition on the USB port.
Protection features include cycle-by-cycle current limit, hiccup short-circuit protection, undervoltage lockout, VBUS overvoltage and overcurrent, data line (Dx) short to VBUS, and die overtemperature protection.
The TPS25846-Q1 includes high bandwidth analog switches for DP and DM pass-through, and support data line (Dx) short-to-VBAT protection.
The TPS25846-Q1 is a USB Type-A BC1.2 charging solution that includes a synchronous DC/DC converter. With cable droop compensation, the Vbus voltage remains constant regardless of load current, ensuring connected portable devices are charged at optimal current and voltage even under heavy loads.
The TPS25846-Q1 includes high bandwidth analog switches for DP and DM pass-through. The device also integrates short to battery protection on VBUS, DM_IN and DP_IN pins. These pins can withstand voltage up to 18 V.
The synchronous buck regulator operates with current mode control and is internally compensated to simplify design. A resistor on the RT pin sets the switching frequency between 300 kHz and 2.2 MHz. Operating below 400 kHz results in better system efficiency. Operation above 2.1 MHz avoids the AM radio bands and allows for use of a smaller inductor.
The TPS25846-Q1 integrates electrical signatures necessary for legacy devices which use USB data lines to determine charging configuration.
A precision current sense amplifier is included for user programmable cable droop compensation and current limit tuning. Cable compensation aids portable devices in charging at optimum current and voltage under heavy loads by changing the buck regulator output voltage linearly with load current to counteract the voltage drop due to wire resistance in automotive cabling. The VBUS voltage measured at a connected portable device remains approximately constant, regardless of load current, allowing the portable device’s battery charger to work optimally.
The USB specifications require current limiting of USB charging ports, but give system designers reasonable flexibility to choose overcurrent protection levels based on system requirements. The TPS25846-Q1 uses a novel two-threshold current limit circuit allowing system designers to either program average current limit protection of the buck regulator, or optionally, current limit using an external NMOS between the CSN/OUT and BUS pins. The NFET implementation enables the TPS25846-Q1 buck regulator to supply a 5-V output for other loads during an overcurrent condition on the USB port.
Protection features include cycle-by-cycle current limit, hiccup short-circuit protection, undervoltage lockout, VBUS overvoltage and overcurrent, data line (Dx) short to VBUS, and die overtemperature protection.
The TPS25846-Q1 includes high bandwidth analog switches for DP and DM pass-through, and support data line (Dx) short-to-VBAT protection. |