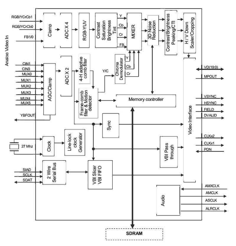
TW99196x10-bit Multi-Standard 3D Comb Filter Video Decoder with SCART and RGB Mixing Support | Encoders, Decoders, Converters | 1 | Obsolete | Techwell's TW9919 is a high quality NTSC/PAL/SECAM video decoder that is designed for multimedia applications. It uses the mixed-signal 2. 5V/3. 3V CMOS technology to provide a low-power integrated solution. The TW9919 analog front-end is equipped with six separate analog channels that enable it to accept various analog video input standard including Composite video, S-video, component video (YCbCr), and SCART RGB. With the analog FB support, it also allows the mixing of composite or S-video input with YCbCr/RGB input. All channels include an analog multiplexer (MUX) for maximum flexibility in software controlled input selection. It is possible to connect up to five composite inputs or two Svideo inputs or two YCbCr inputs or two SCART RGB inputs at one time and allow the software to switch between them. Alternatively, a maximum combination of five of these inputs may be switched under software control. In the PIP mode, a maximum combination of four composite/Svideo input can be mixed with any of two YCbCr/RGB inputs through external FB control. The front-end contains all the necessary circuits to simplify the system design. The built-in six high quality 10-bit analog-to-digital converters (ADCs) convert inputs into digital signals for processing. The TW9919 uses proprietary adaptive 3D comb filter to achieve best NTSC and PAL quality fpr stationary portion. For motion part of the image, it employs 2H(NTSC)/4H(PAL) comb filter for chroma and luma separation to achieve high video quality. The image enhancement includes horizontal and vertical peaking, CTI and BCS control. The advanced synchronization processing can produce stable pictures for non-standard signal such as those produced by VCR trick mode. The high quality scaler uses multi-tap poly-phase decimation filter to accurately scale down the image with minimum phase error. It can be programmed to scale-down the output picture to an arbitrary ratio with cropping. The TW9919 supports flexible pixel interface. It outputs YCbCr (4:2:2) data stream over 10-bit or 20-bit data path. It also supports both free-running clock and line-locked clock output. A 2-wire serial MPU interface is used to simplify system integration. All the functions can be controlled through this interface. |
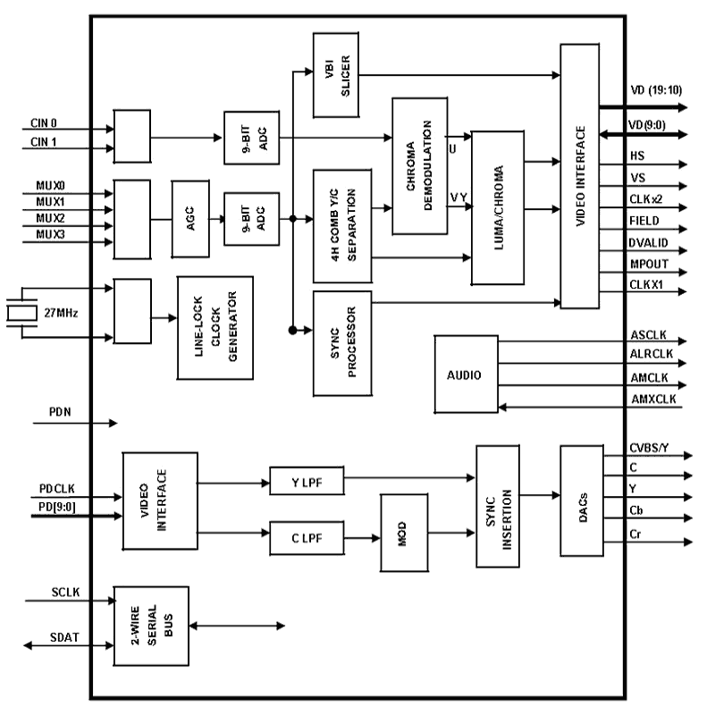
TW9920Multi-Standard Video Decoder and Encoder | Interface | 1 | Obsolete | The TW9920 is a multistandard video decoder and encoder chip that is designed for multimedia applications. This low power, integrated solution has a 4H comb filter based NTSC/PAL/SECAM video decoder that converts analog CVBS or S-Video signals into digital YCbCr output. The integrated analog video encoder converts digital YCbCr inputs into analog CVBS or S-Video output. |
| Integrated Circuits (ICs) | 1 | Obsolete | |
TW99664-Channel Analog Video Decoders and Analog Video Encoder for Automotive Applications | Encoders, Decoders, Converters | 2 | Active | The TW9966 includes four high quality NTSC/PAL/SECAM video decoders that convert analog composite video signal to digital component YCbCr data for automotive applications. Each channel contains a 10-bit ADC and proprietary clamp and gain controllers and utilizes a 4H comb filter for separating luminance and chrominance to reduce cross noise artifacts. The TW9966 adopts the image enhancement techniques, such as IF compensation filter, CTI and programmable peaking. TW9966 also includes one NTSC/PAL video encoder with two 10-bit DACs to support CVBS and YC output. The TW9966 also includes audio CODEC, which has five audio analog-to-digital converters and one digital-to-analog converter. A built-in audio controller can generate digital outputs for recording/mixing and accepts digital input for playback. |
TW99844-Channel Video Decoder and Video Encoder for Automotive Applications | Integrated Circuits (ICs) | 3 | Active | The TW9984 includes four high quality NTSC/PAL/SECAM video decoders that convert analog composite video signal to digital component YCbCr data. Each channel contains a 10-bit ADC with application selectable differential or single-ended analog video input options, proprietary clamp and gain controllers and utilizes 4H comb filter for separating luminance and chrominance to reduce cross noise artifacts. The TW9984 adopts the image enhancement techniques, such as IF compensation filter, CTI and programmable peaking. TW9984 also includes an NTSC/PAL video encoder with a 10-bit DAC to support CVBS output. |
| Interface | 2 | Active | |
| Evaluation and Demonstration Boards and Kits | 5 | Active | |
| Discrete Semiconductor Products | 1 | Obsolete | |
| Single Bipolar Transistors | 2 | Active | The UPA1716G is a N Channel Power MOSFET. |
| Transistors | 1 | Active | The UPA1717G is a N Channel Power MOSFET. |