R
Renesas Electronics Corporation
| Series | Category | # Parts | Status | Description |
|---|---|---|---|---|
| Part | Spec A | Spec B | Spec C | Spec D | Description |
|---|---|---|---|---|---|
| Series | Category | # Parts | Status | Description |
|---|---|---|---|---|
| Part | Spec A | Spec B | Spec C | Spec D | Description |
|---|---|---|---|---|---|
| Part | Category | Description |
|---|---|---|
Renesas Electronics Corporation | Integrated Circuits (ICs) | RV1S9356ACCSP-120V#KC0 |
Renesas Electronics Corporation | Crystals Oscillators Resonators | XTAL OSC VCXO 44.7360MHZ HCMOS |
Renesas Electronics Corporation R7F7015693AFD#KA2Obsolete | Integrated Circuits (ICs) | IC MCU |
Renesas Electronics Corporation NE677M04-AObsolete | Discrete Semiconductor Products | RF TRANS NPN 6V 15GHZ SOT343F |
Renesas Electronics Corporation IDT71V416L10YIObsolete | Integrated Circuits (ICs) | IC SRAM 4MBIT PARALLEL 44SOJ |
Renesas Electronics Corporation IDT71V424YS10PHObsolete | Integrated Circuits (ICs) | IC SRAM 4MBIT PARALLEL 44TSOP II |
Renesas Electronics Corporation | Integrated Circuits (ICs) | IC MCU 32BIT 1.5MB FLASH 64TFBGA |
Renesas Electronics Corporation UPG2214TB-AObsolete | RF and Wireless | IC RF SWITCH SPDT 3GHZ 6-SMINI |
Renesas Electronics Corporation R5F212J1SNSP#U0Obsolete | Integrated Circuits (ICs) | IC MCU 16BIT 4KB FLASH 20LSSOP |
Renesas Electronics Corporation | Integrated Circuits (ICs) | MCU RA6 ARM CM33 200MHZ 512K/256 |
| Series | Category | # Parts | Status | Description |
|---|---|---|---|---|
| Linear | 3 | Active | ||
TW8846LCD Video Processor with Decoder, LVDS, TTL, MIPI, Image Enhancement, and Video Integrity Diagnostic | Development Boards, Kits, Programmers | 4 | Active | The TW8846 and TW8847 are highly integrated LCD video processors that incorporate many of the features required to create a multipurpose LCD display system. These features include a high quality 2D comb NTSC/PAL/SECAM video decoder that supports single-ended or differential composite video inputs, two independent TTL digital input interfaces (up to 24-bit each), two LVDS Open LDI input interfaces, two separate high quality scaler and de-interlacer engines, and a versatile OSD and an EEPROM/SPI interface. The outputs include dual channel LVDS Open LDI or TTL panel interfaces, and a separate MIPI-CSI2 output in the TW8846 and a pseudo BT. 656 output in the TW8847.
The TW8846 and TW8847 can support input resolutions up to 1080p and can drive LCD panels at resolutions up to 1920x1080. The video processing capabilities include 10-bit color processing, arbitrary H/V scaling, panoramic scaling, image mirroring, image adjustment and enhancement, black and white stretch, and automatic contrast adjustment. The TW8846 and TW8847 have improved image diagnostic capabilities to determine if the input video is corrupted. The feature set and versatility of this device makes it an ideal solution for automotive LCD display applications. |
| Video Processing | 4 | Active | ||
| Integrated Circuits (ICs) | 4 | Active | ||
| Integrated Circuits (ICs) | 1 | Obsolete | ||
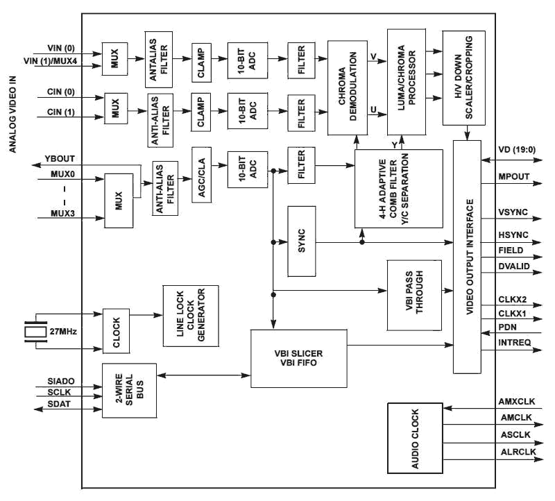
TW99063x10-bit Multi-Standard Comb Filter Video Decoder with YCbCr Component Input | Interface | 1 | Obsolete | Techwell's TW9906 is a high quality NTSC/PAL/SECAM video decoder that is designed for multimedia applications. It uses the mixed-signal 2. 5V/3. 3V CMOS technology to provide a low-power integrated solution. The TW9906 analog front-end is equipped with three separate analog channels that enable it to accept all three possible analog video signal standards: composite, S-video or YCbCr component video. All channels include an analog multiplexer (MUX) for maximum flexibility in software controlled input selection. It is possible to connect up to five composite inputs at one time and allow the software to switch between them. Alternatively several combinations of composite inputs and S-Video component inputs may be switched under software control. (Four input channels of any format can be accommodated with but there is a maximum of 2 S-Video inputs or 2 component inputs. ) The front-end contains all the necessary circuits to simplify the system design. The built-in three high quality 10-bit analog-to-digital converters (ADCs) convert inputs into digital signals for processing. The TW9906 uses proprietary adaptive 4H comb filter for chroma and luma separation to achieve high video quality. The image enhancement includes horizontal and vertical peaking, CTI and BCS control. The advanced synchronization processing can produce stable pictures for non-standard signal such as those produced by VCR trick mode. The high quality scaler uses multi-tap poly-phase decimation filter to accurately scale down the image with minimum phase error. It can be programmed to scale-down the output picture to an arbitrary ratio with cropping. The TW9906 supports flexible pixel interface. It outputs YCbCr (4:2:2) data stream over 10-bit or 20-bit data path. It also supports both free-running clock and line- locked clock output. A 2-wire serial MPU interface is used to simplify system integration. All the functions can be controlled through this interface. |
| Interface | 1 | Obsolete | ||
TW99096x10-bit Multi-Standard Comb Filter Video Decoder with SCART and RGB Mixing Support | Integrated Circuits (ICs) | 1 | Obsolete | Techwell's TW9909 is a high quality NTSC/PAL/SECAM video decoder that is designed for multimedia applications. It uses the mixed-signal 2. 5V/3. 3V CMOS technology to provide a low-power integrated solution. The TW9909 analog front-end is equipped with six separate analog channels that enable it to accept various analog video input standard including Composite video, S-video, component video (YCbCr), and SCART RGB. With the analog FB support, it also allows the mixing of composite or S-video input with YCbCr/RGB input. All channels include an analog multiplexer (MUX) for maximum flexibility in software controlled input selection. It is possible to connect up to five composite inputs or two Svideo inputs or two YCbCr inputs or two SCART RGB inputs at one time and allow the software to switch between them. Alternatively, a maximum combination of five of these inputs may be switched under software control. In the PIP mode, a maximum combination of four composite/Svideo inputs can be mixed with any of two YCbCr/RGB inputs through external FB control. The front-end contains all the necessary circuits to simplify the system design. The built-in six high quality 10-bit analog-to-digital converters (ADCs) convert inputs into digital signals for processing. The TW9909 uses proprietary adaptive 4H comb filter for chroma and luma separation to achieve high video quality. The image enhancement includes The advanced synchronization processing can produce stable pictures for non-standard signal such as those produced by VCR trick mode. The high quality scaler uses multi-tap poly-phase decimation filter to accurately scale down the image with minimum phase error. It can be programmed to scale-down the output picture to an arbitrary ratio with cropping. The TW9909 supports flexible pixel interface. It outputs YCbCr (4:2:2) data stream over 10-bit or 20-bit data path. It also supports both free-running clock and line-locked clock output. A 2-wire serial MPU interface is used to simplify system integration. All the functions can be controlled through this interface. |
| Development Boards, Kits, Programmers | 5 | Active | ||
| Linear | 3 | Active | ||