R
Renesas Electronics Corporation
| Series | Category | # Parts | Status | Description |
|---|---|---|---|---|
| Part | Spec A | Spec B | Spec C | Spec D | Description |
|---|---|---|---|---|---|
| Series | Category | # Parts | Status | Description |
|---|---|---|---|---|
| Part | Spec A | Spec B | Spec C | Spec D | Description |
|---|---|---|---|---|---|
| Part | Category | Description |
|---|---|---|
Renesas Electronics Corporation | Integrated Circuits (ICs) | RV1S9356ACCSP-120V#KC0 |
Renesas Electronics Corporation | Crystals Oscillators Resonators | XTAL OSC VCXO 44.7360MHZ HCMOS |
Renesas Electronics Corporation R7F7015693AFD#KA2Obsolete | Integrated Circuits (ICs) | IC MCU |
Renesas Electronics Corporation NE677M04-AObsolete | Discrete Semiconductor Products | RF TRANS NPN 6V 15GHZ SOT343F |
Renesas Electronics Corporation IDT71V416L10YIObsolete | Integrated Circuits (ICs) | IC SRAM 4MBIT PARALLEL 44SOJ |
Renesas Electronics Corporation IDT71V424YS10PHObsolete | Integrated Circuits (ICs) | IC SRAM 4MBIT PARALLEL 44TSOP II |
Renesas Electronics Corporation | Integrated Circuits (ICs) | IC MCU 32BIT 1.5MB FLASH 64TFBGA |
Renesas Electronics Corporation UPG2214TB-AObsolete | RF and Wireless | IC RF SWITCH SPDT 3GHZ 6-SMINI |
Renesas Electronics Corporation R5F212J1SNSP#U0Obsolete | Integrated Circuits (ICs) | IC MCU 16BIT 4KB FLASH 20LSSOP |
Renesas Electronics Corporation | Integrated Circuits (ICs) | MCU RA6 ARM CM33 200MHZ 512K/256 |
| Series | Category | # Parts | Status | Description |
|---|---|---|---|---|
| Memory | 10 | Obsolete | ||
| Integrated Circuits (ICs) | 21 | Active | ||
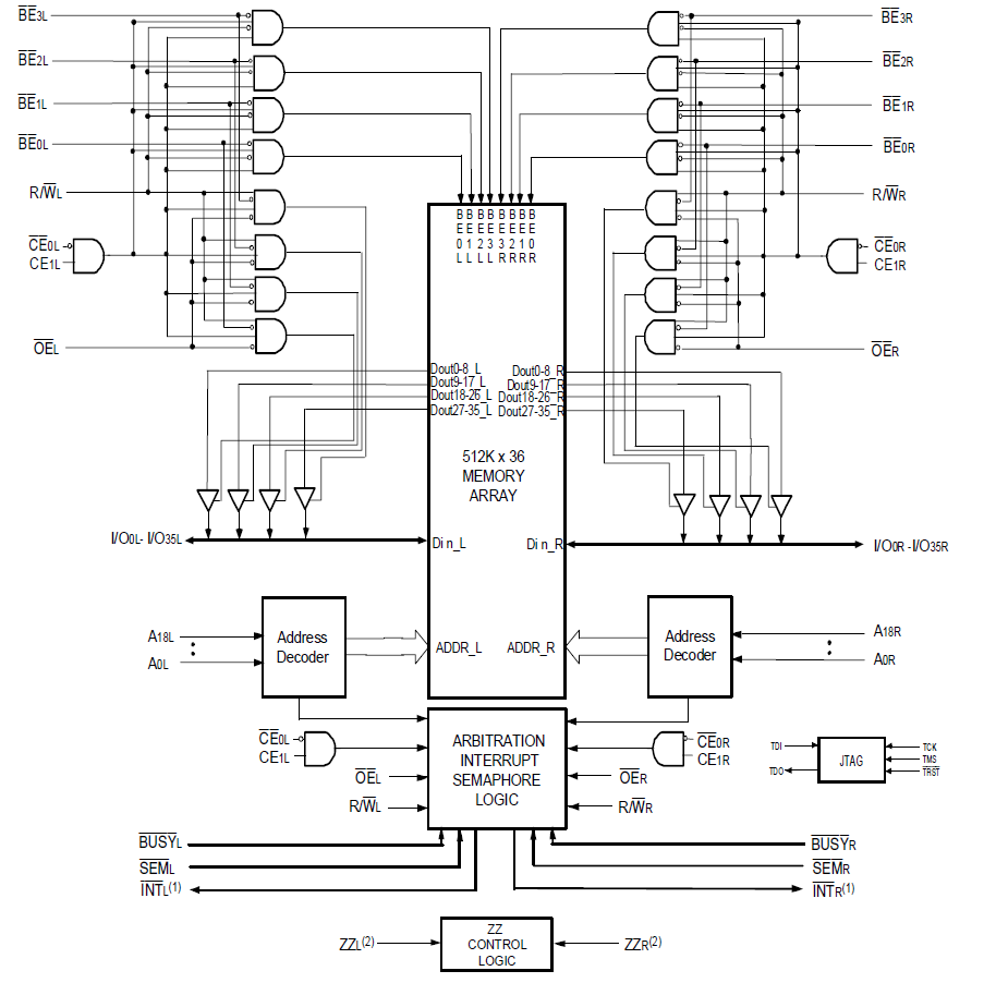
70T651256K x 36 Async, 3.3V/2.5V Dual-Port RAM, Interleaved I/O's | Memory | 28 | Active | The 70T651 is a high-speed 256K x 36 Asynchronous Dual-Port Static RAM designed to be used as a stand-alone Dual-Port RAM or as a combination MASTER/ SLAVE Dual-Port RAM for 72-bit-or-more word system which would result in full-speed, error-free operation without the need for additional discrete logic. An automatic power down feature controlled by the chip enables (either CE0 or CE1) permit the on-chip circuitry of each port to enter a very low standby power mode. |
70T653M512K x 36 Async, 3.3V/2.5V Dual-Port RAM, Interleaved I/Os | Memory | 10 | Active | The 70T653M is a high-speed 256K x 36 asynchronous dual-port static RAM designed to be used as a stand-alone 18874K-bit dual-port RAM. An automatic power-down feature controlled by the Chip Enables (either CE0 or CE1) permits the on-chip circuitry of each port to enter a very low standby power mode. |
| Memory | 17 | Active | ||
| Integrated Circuits (ICs) | 48 | Active | ||
| Memory | 11 | Obsolete | ||
| Memory | 7 | Obsolete | ||
| Integrated Circuits (ICs) | 32 | Active | ||
| Integrated Circuits (ICs) | 7 | Obsolete | ||