R
Renesas Electronics Corporation
| Series | Category | # Parts | Status | Description |
|---|---|---|---|---|
| Part | Spec A | Spec B | Spec C | Spec D | Description |
|---|---|---|---|---|---|
| Series | Category | # Parts | Status | Description |
|---|---|---|---|---|
| Part | Spec A | Spec B | Spec C | Spec D | Description |
|---|---|---|---|---|---|
| Series | Category | # Parts | Status | Description |
|---|---|---|---|---|
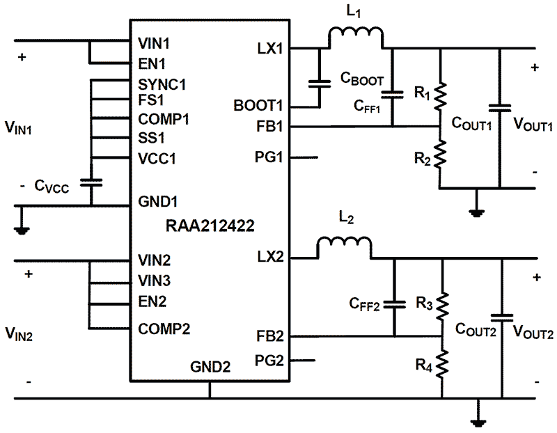
RAA2124213V to 40V Input, 1.2A Synchronous Buck Regulator with Integrated 500mA LDO | Integrated Circuits (ICs) | 3 | Active | The RAA212421 is a dual-output regulator combining a 3V to 40V input, 1.1A synchronous buck converter with a 500mA LDO featuring fast transient response. The combination of two high-performance power supplies in one compact 3mm x 6mm package provide an easy-to-use, high-efficiency compact solution. The wide VIN buck regulator of the RAA212421 integrates both high-side and low-side nMOSFETs and features a PFM mode for improved efficiency at light load. This feature can be disabled if forced PWM mode is desired. It can use internal or external compensation, which minimizes the required external components, reduces BOM count and complexity of design. The part switches at a default frequency of 500kHz; however, it can also be programmed using an external resistor from 300kHz to 2MHz. Other features include programmable soft-start, hiccup mode overcurrent protection, thermal shutdown, and power-good. The LDO also features state-of-the-art internal compensation that allows it to achieve very fast load transient response. The device provides an output accuracy of ±1.8% VOUTaccuracy over all load, line, and temperature variations (TJ = -40°C to +125°C). Other features include soft-start and enable that allow the LDO to be placed into low quiescent current shutdown mode. The part is available in a small Pb-free 3mm x 6mm DFN plastic package with a full-range industrial temperature of -40°C to +125°C. |
| Voltage Regulators - DC DC Switching Regulators | 3 | Active | ||
| Evaluation Boards | 1 | Active | ||
| Power Management (PMIC) | 3 | Active | ||
| Voltage Regulators - Linear, Low Drop Out (LDO) Regulators | 1 | Obsolete | ||
| Power Management (PMIC) | 1 | Active | ||
| Voltage Regulators - Linear, Low Drop Out (LDO) Regulators | 2 | Active | ||
| Programmers, Emulators, and Debuggers | 2 | Active | ||
| Gate Drivers | 1 | Active | ||
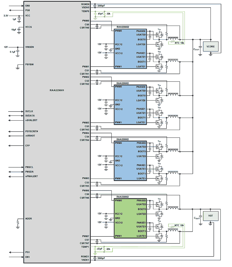
RAA220002Dual Synchronous Rectified Buck MOSFET Driver | Power Management (PMIC) | 1 | Active | The RAA220002 is a dual high frequency MOSFET driver designed to drive upper and lower power N-channel MOSFETs in a synchronous rectified buck converter topology. The RAA220002's upper and lower gates are both driven to an externally applied voltage, which provides the ability to optimize applications involving trade-offs between gate charge and conduction losses. An advanced adaptive shoot-through protection is integrated to prevent both the upper and lower MOSFETs from conducting simultaneously and to minimize dead time. The RAA220002 has a 10kΩ integrated high-side gate-to-source resistor to prevent self turn-on due to high input bus dV/dt. The RAA220002's overvoltage protection feature is operational while VCCis below the POR threshold. The PHASE node is connected to the gate of the low-side MOSFET (LGATE) through a 30kΩ resistor, limiting the output voltage of the converter close to the gate threshold of the low-side MOSFET. This is dependent on the current being shunted, which provides some protection to the load if the upper MOSFET(s) becomes shorted. |
| Part | Category | Description |
|---|---|---|
Renesas Electronics Corporation | Integrated Circuits (ICs) | RV1S9356ACCSP-120V#KC0 |
Renesas Electronics Corporation | Crystals Oscillators Resonators | XTAL OSC VCXO 44.7360MHZ HCMOS |
Renesas Electronics Corporation R7F7015693AFD#KA2Obsolete | Integrated Circuits (ICs) | IC MCU |
Renesas Electronics Corporation NE677M04-AObsolete | Discrete Semiconductor Products | RF TRANS NPN 6V 15GHZ SOT343F |
Renesas Electronics Corporation IDT71V416L10YIObsolete | Integrated Circuits (ICs) | IC SRAM 4MBIT PARALLEL 44SOJ |
Renesas Electronics Corporation IDT71V424YS10PHObsolete | Integrated Circuits (ICs) | IC SRAM 4MBIT PARALLEL 44TSOP II |
Renesas Electronics Corporation | Integrated Circuits (ICs) | IC MCU 32BIT 1.5MB FLASH 64TFBGA |
Renesas Electronics Corporation UPG2214TB-AObsolete | RF and Wireless | IC RF SWITCH SPDT 3GHZ 6-SMINI |
Renesas Electronics Corporation R5F212J1SNSP#U0Obsolete | Integrated Circuits (ICs) | IC MCU 16BIT 4KB FLASH 20LSSOP |
Renesas Electronics Corporation | Integrated Circuits (ICs) | MCU RA6 ARM CM33 200MHZ 512K/256 |