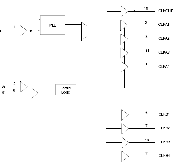
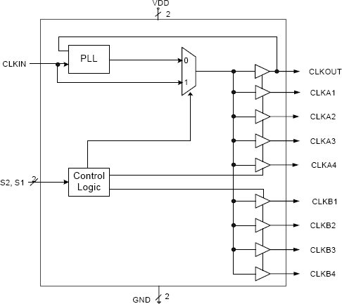
23S09E3.3V Zero Delay Clock Buffer, Spread Spectrum Compatible | Clock Generators, PLLs, Frequency Synthesizers | 8 | Active | The 23S09 is a high-speed phase-locked loop (PLL) clock buffer, designed to address high-speed clock distribution applications. The zero delay is achieved by aligning the phase between the incoming clock and the output clock, operable within the range of 10MHz to 133MHz. The device is a 16-pin version of the 23S05.
The 23S09 accepts one reference input and drives two banks of four low-skew clocks. The -1H version of this device operates up to 133MHz frequency and has higher drive than the -1 device. All parts have on-chip PLLs which lock to an input clock on the REF pin. The PLL feedback is on-chip and is obtained from the CLKOUT pad. In the absence of an input clock, the 23S09 enters power down. In this mode, the device will draw less than 12μA for the commercial temperature range and less than 25μA for the industrial temperature range, and the outputs are tri-stated. This device is characterized for both industrial and commercial operation. |
2510C3.3 Volt Phase-Lock Loop Clock Driver | Clock Generators, PLLs, Frequency Synthesizers | 2 | Obsolete | The 2510C is a high performance, low skew, low jitter clock driver. It uses a phase lock loop (PLL) technology to align, in both phase and frequency, the CLKIN signal with the CLKOUT signal. It is specifically designed for use with synchronous SDRAMs. The 2510C operates at 3.3V VCC and drives up to ten clock loads. |
251PMField Programmable SS VersaClock Synthesizer | Clock Generators, PLLs, Frequency Synthesizers | 2 | Obsolete | The IDT251 is a low cost, single-output, field programmable clock synthesizer. The IDT251 can generate an output frequency from 314 kHz to 200 MHz and may employ Spread Spectrum techniques to reduce system electro-magnetic interference (EMI). Using IDT's VersaClock™ software to configure the PLL and output, the IDT251 contains a One-Time Programmable (OTP) ROM to allow field programmability. Programming features include 4 selectable configuration registers. The device employs Phase-Locked Loop (PLL) techniques to run from a standard fundamental mode, inexpensive crystal, or clock. It can replace multiple crystals and oscillators, saving board space and cost. The device also has a power-down feature that tri-states the clock outputs and turns off the PLLs when the PDTS pin is taken low. The IDT251 is also available in factory programmed custom versions for high-volume applications. |
252PMField Programmable Dual Output SS VersaClock Synthesizer | Clock Generators, PLLs, Frequency Synthesizers | 2 | Obsolete | The 252 is a low cost, dual-output, field programmable clock synthesizer. The 252 can generate two output frequencies from 314 kHz to 200 MHz using up to two independently configurable PLLs. The outputs may employ Spread Spectrum techniques to reduce system electro-magnetic interference (EMI). Using IDT's VersaClock™ software to configure the PLL and output, the 252 contains a One-Time Programmable (OTP) ROM to allow field programmability. Programming features include 2 selectable configuration registers. The device employs Phase-Locked Loop (PLL) techniques to run from a standard fundamental mode, inexpensive crystal, or clock. It can replace multiple crystals and oscillators, saving board space and cost. The device also has a power-down feature that tri-states the clock outputs and turns off the PLLs when the PDTS pin is taken low. The 252 is also available in factory programmed custom versions for high-volume applications. |
270PGTriple PLL Field Programmable VCXO Clock | Clock Generators, PLLs, Frequency Synthesizers | 1 | Obsolete | The 270 field programmable VCXO clock synthesizer generates up to eight high-quality, high-frequency clock outputs including multiple reference clocks from a low-frequency crystal input. It is designed to replace crystals and crystal oscillators in most electronic systems. Using IDT's VersaClockTM software to configure PLLs and outputs, the 270 contains a One-Time Programmable (OTP) ROM for field programmability. Programming features include VCXO, eight selectable configuration registers and up to two sets of four low-skew outputs. Using Phase-Locked Loop (PLL) techniques, the device runs from a standard fundamental mode, inexpensive crystal, or clock. It can replace VCXOs, multiple crystals and oscillators, saving board space and cost. The 270 is also available in factory programmed custom versions for high-volume applications. |
271PGTriple PLL Field Programmable VCXO Clock Synthesizer | Integrated Circuits (ICs) | 2 | Obsolete | The 271 field programmable VCXO clock synthesizer generates up to six high-quality, high-frequency clock outputs including multiple reference clocks from a low-frequency crystal input. It is designed to replace crystals and crystal oscillators in most electronic systems. Using IDT's VersaClockTM software to configure PLLs and outputs, the 271 contains a One-Time Programmable (OTP) ROM for field programmability. Programming features include VCXO, eight selectable configuration registers and up to two sets of three low-skew outputs. Each of the two output groups are powered by a separate VDDO voltage. VDDO may vary from 1.8 V to VDD. Using Phase-Locked Loop (PLL) techniques, the device runs from a standard fundamental mode, inexpensive crystal, or clock. It can replace VCXOs, multiple crystals and oscillators, saving board space and cost. The 271 is also available in factory programmed custom versions for high-volume applications. |
276PGTriple PLL Field Programmable VCXO Clock Synthesizer | Clock/Timing | 1 | Obsolete | The 276 field programmable VCXO clock synthesizer generates up to three high-quality, high-frequency clock outputs including multiple reference clocks from a low-frequency crystal input. It is designed to replace crystals and crystal oscillators in most electronic systems. Using IDT's VersaClockTM software to configure PLLs and outputs, the 276 contains a One-Time Programmable (OTP) ROM for field programmability. Programming features include VCXO and eight selectable configuration registers. Each of the outputs are powered by a single VDDO voltage. VDDO may vary from 1.8 V to VDD. Using Phase-Locked Loop (PLL) techniques, the device runs from a standard fundamental mode, inexpensive crystal, or clock. It can replace VCXOs, multiple crystals and oscillators, saving board space and cost. The 276 is also available in factory programmed custom versions for high-volume applications. |
280PGTriple PLL Field Prog. Spread Spectrum Clock Synthesizer | Clock/Timing | 2 | Obsolete | The 280 field programmable spread spectrum clock synthesizer generates up to four high-quality, high-frequency clock outputs including multiple reference clocks from a low-frequency crystal input. It is designed to replace crystals, crystal oscillators and stand alone spread spectrum devices in most electronic systems. Using IDT's VersaClockTM software to configure PLLs and outputs, the 280 contains a One-Time Programmable (OTP) ROM for field programmability. Programming features include input/output frequencies, spread spectrum amount and eight selectable configuration registers. Using Phase-Locked Loop (PLL) techniques, the device runs from a standard fundamental mode, inexpensive crystal, or clock. It can replace multiple crystals and oscillators, saving board space and cost. The 280 is also available in factory programmed custom versions for high-volume applications. |
281PGTriple PLL Field Prog. Spread Spectrum Clock Synthesizer | Clock/Timing | 3 | Active | The 281 field programmable spread spectrum clock synthesizer generates up to three high-quality, high-frequency clock outputs including multiple reference clocks from a low-frequency crystal input. It is designed to replace crystals, crystal oscillators and stand alone spread spectrum devices in most electronic systems. Using IDT's VersaClockTM software to configure PLLs and outputs, the 281 contains a One-Time Programmable (OTP) ROM for field programmability. Programming features include input/output frequencies, spread spectrum amount and eight selectable configuration registers. Using Phase-Locked Loop (PLL) techniques, the device runs from a standard fundamental mode, inexpensive crystal, or clock. It can replace multiple crystals and oscillators, saving board space and cost. The 281 is also available in factory programmed custom versions for high-volume applications. |
| Single Bipolar Transistors | 2 | Active | A wide variety of products are rolled out, for example, for uses at high temperature (up to 175°C applicable), high power, and low Vce (sat), and others. |