R
Renesas Electronics Corporation
| Series | Category | # Parts | Status | Description |
|---|---|---|---|---|
| Part | Spec A | Spec B | Spec C | Spec D | Description |
|---|---|---|---|---|---|
| Series | Category | # Parts | Status | Description |
|---|---|---|---|---|
| Part | Spec A | Spec B | Spec C | Spec D | Description |
|---|---|---|---|---|---|
| Series | Category | # Parts | Status | Description |
|---|---|---|---|---|
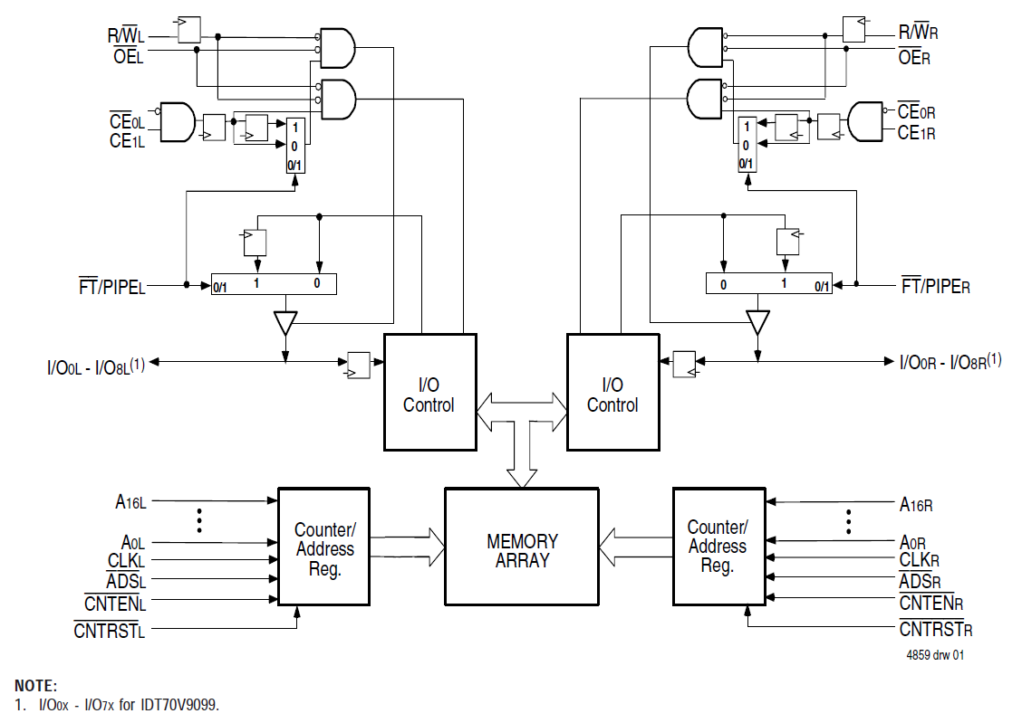
70V9099128K x 8 Sync, 3.3V Dual-Port RAM, Pipelined/Flow-Through | Memory | 1 | Obsolete | The 70V9099 is a high-speed 128K x 8 bit synchronous Dual-Port RAM that has been optimized for applications having unidirectional or bidirectional data flow in bursts. An automatic power down feature, controlled by CE0 and CE1, permits the on-chip circuitry of each port to enter a very low standby power mode. |
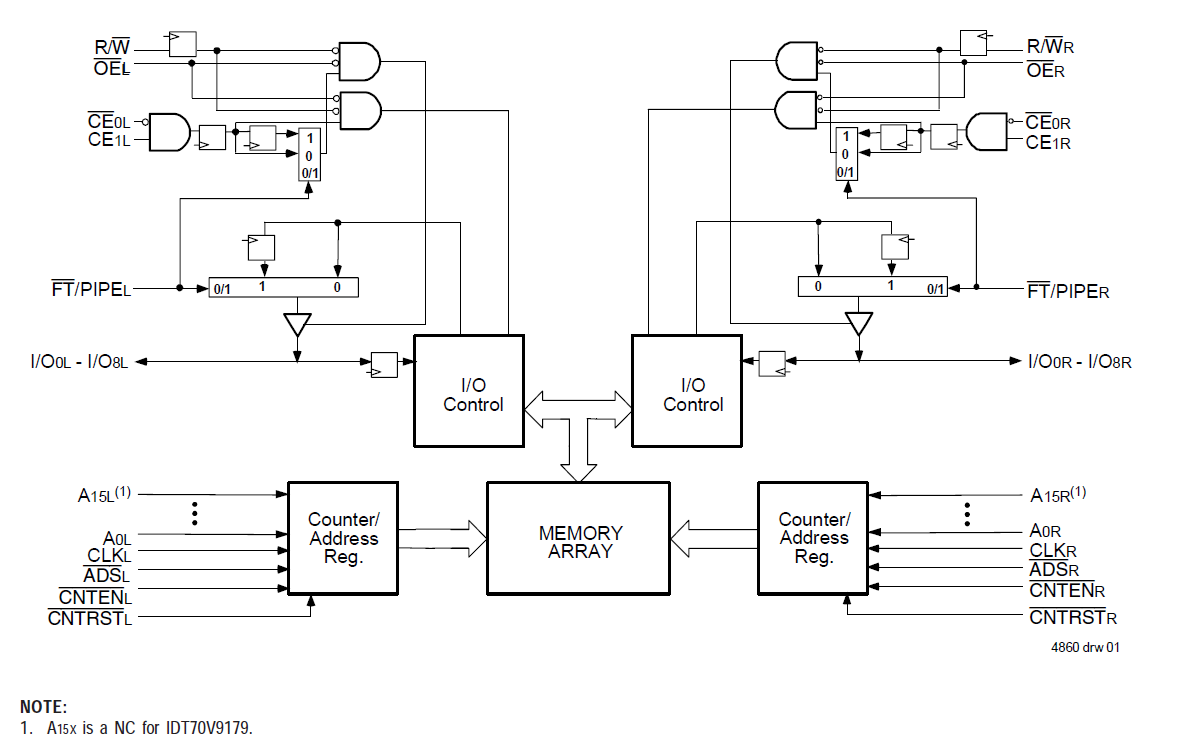
70V917932K x 9 Sync, 3.3V Dual-Port RAM, Pipelined/Flow-Through | Memory | 4 | Obsolete | The 70V9179 is a high-speed 32K x 9 bit synchronous Dual-Port RAM that has been optimized for applications having unidirectional or bidirectional data flow in bursts. An automatic power down feature, controlled by CE0 and CE1, permits the on-chip circuitry of each port to enter a very low standby power mode. |
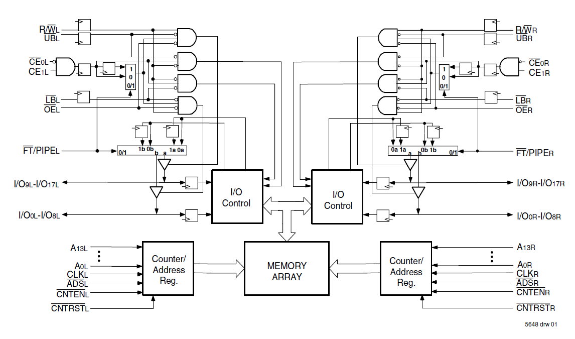
70V9199128K x 9 Sync, 3.3V Dual-Port RAM, Pipelined/Flow-Through | Memory | 2 | Obsolete | The 70V9199 is a high-speed 128K x 9 bit synchronous Dual-Port RAM that has been optimized for applications having unidirectional or bidirectional data flow in bursts. An automatic power down feature, controlled by CE0 and CE1, permits the on-chip circuitry of each port to enter a very low standby power mode. |
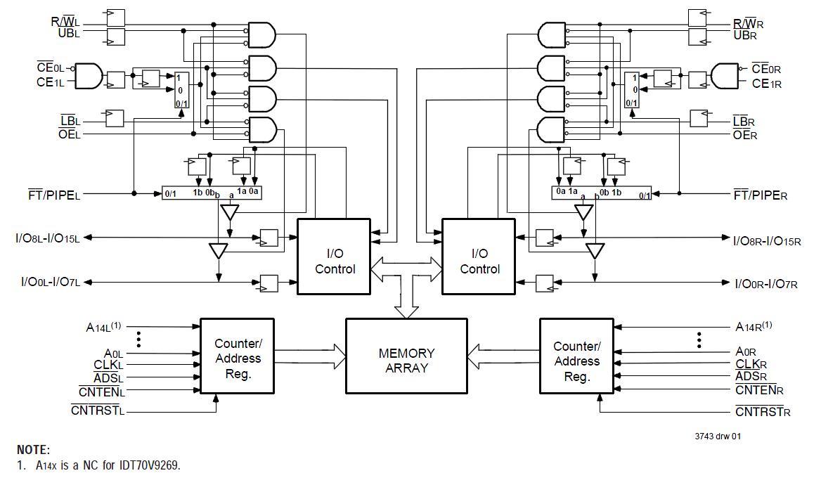
70V926916K x 16 Sync, 3.3V Dual-Port RAM, Pipelined/Flow-Through | Integrated Circuits (ICs) | 14 | Obsolete | The 70V9269 is a high-speed 16K x 16 bit synchronous Dual-Port RAM that has been optimized for applications having unidirectional or bidirectional data flow in bursts. An automatic power down feature, controlled by CE0 and CE1, permits the on-chip circuitry of each port to enter a very low standby power mode. |
70V927932K x 16 Sync, 3.3V Dual-Port RAM, Pipelined/Flow-Through | Integrated Circuits (ICs) | 13 | Active | The 70V9279 is a high-speed 32K x 16 bit synchronous Dual-Port RAM that has been optimized for applications having unidirectional or bidirectional data flow in bursts. An automatic power down feature, controlled by CE0 and CE1, permits the on-chip circuitry of each port to enter a very low standby power mode. |
| Memory | 10 | Obsolete | ||
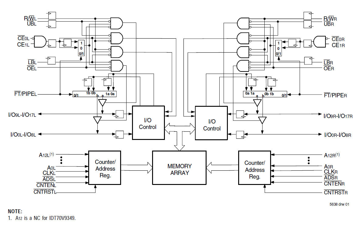
70V93598K x 18 Sync, 3.3V Dual-Port RAM, Pipelined/Flow-Through | Integrated Circuits (ICs) | 2 | Obsolete | The 70V9359 is a high-speed 8K x 18-bit synchronous Dual-Port RAM that has been optimized for applications having unidirectional or bidirectional data flow in bursts. An automatic power down feature, controlled by CE0 and CE1, permits the on-chip circuitry of each port to enter a very low standby power mode. |
70V936916K x 18 Sync, 3.3V Dual-Port RAM, Pipelined/Flow-Through | Integrated Circuits (ICs) | 2 | Obsolete | The 70V9369 is a high-speed 16K x 18-bit synchronous Dual-Port RAM that has been optimized for applications having unidirectional or bidirectional data flow in bursts. An automatic power down feature, controlled by CE0 and CE1, permits the on-chip circuitry of each port to enter a very low standby power mode. |
70V938964K x 18 Synch, 3.3V Dual-Port RAM, Pipelined/Flow-Through | Integrated Circuits (ICs) | 6 | Obsolete | The 70V9389 is a high-speed 64K x 18-bit synchronous Dual-Port RAM that has been optimized for applications having unidirectional or bidirectional data flow in bursts. An automatic power down feature, controlled by CE0 and CE1, permits the on-chip circuitry of each port to enter a very low standby power mode. |
| Memory | 1 | Obsolete | ||
| Part | Category | Description |
|---|---|---|
Renesas Electronics Corporation | Integrated Circuits (ICs) | IC MCU 32BIT 1MB FLASH 48LFQFP |
Renesas Electronics Corporation | Integrated Circuits (ICs) | 16-BIT GENERAL MCU RL78/G23 96K |
Renesas Electronics Corporation | Isolators | OPTOISOLATOR 5KV TRANS 4SMD |
Renesas Electronics Corporation | Integrated Circuits (ICs) | IC REG PQFN |
Renesas Electronics Corporation X1228S14-2.7Obsolete | Integrated Circuits (ICs) | IC RTC CLK/CALENDAR I2C 14SOIC |
Renesas Electronics Corporation | Integrated Circuits (ICs) | 32-BIT MICROCONTROLLER OPTIMIZED FOR DUAL-MOTOR AND PFC CONTROL |
Renesas Electronics Corporation R5F104FJAFP#V0Obsolete | Integrated Circuits (ICs) | LOW POWER, HIGH FUNCTION, GENERAL PURPOSE MICROCONTROLLERS FOR MOTOR CONTROL, INDUSTRIAL AND METERING APPLICATIONS |
Renesas Electronics Corporation MK1493-03BGILFTRObsolete | Integrated Circuits (ICs) | IC CLOCK GENERATOR 48TSSOP |
Renesas Electronics Corporation | Development Boards Kits Programmers | E10A-USB SH4AL-DSP LICENSE TOOL |
Renesas Electronics Corporation | Integrated Circuits (ICs) | 32BIT MCU R32C/100X |