R
Renesas Electronics Corporation
| Series | Category | # Parts | Status | Description |
|---|---|---|---|---|
| Part | Spec A | Spec B | Spec C | Spec D | Description |
|---|---|---|---|---|---|
| Series | Category | # Parts | Status | Description |
|---|---|---|---|---|
| Part | Spec A | Spec B | Spec C | Spec D | Description |
|---|---|---|---|---|---|
| Series | Category | # Parts | Status | Description |
|---|---|---|---|---|
70T631256K x 18, 3.3V/2.5V Dual-Port RAM, Interleaved I/O's | Integrated Circuits (ICs) | 3 | Obsolete | The 70T631 is a high-speed 256K x 18 Asynchronous Dual-Port Static RAM designed to be used as a stand-alone Dual-Port RAM or as a combination MASTER/ SLAVE Dual-Port RAM for 36-bit-or-more word system which would result in full-speed, error-free operation without the need for additional discrete logic. An automatic power down feature controlled by the chip enables (either CE0 or CE1) permit the on-chip circuitry of each port to enter a very low standby power mode. |
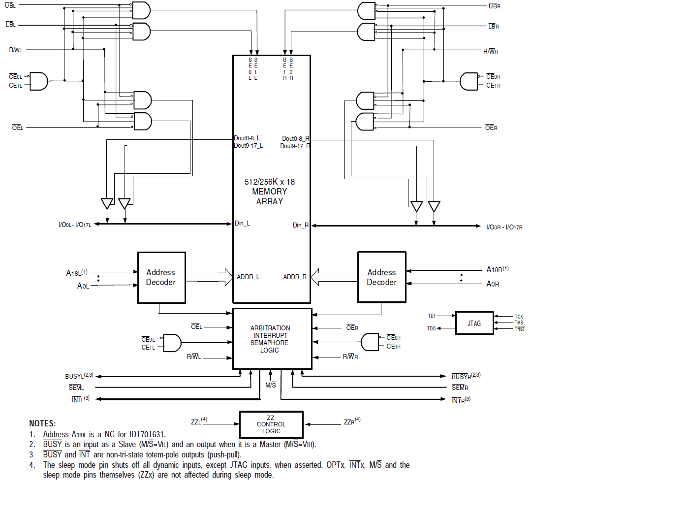
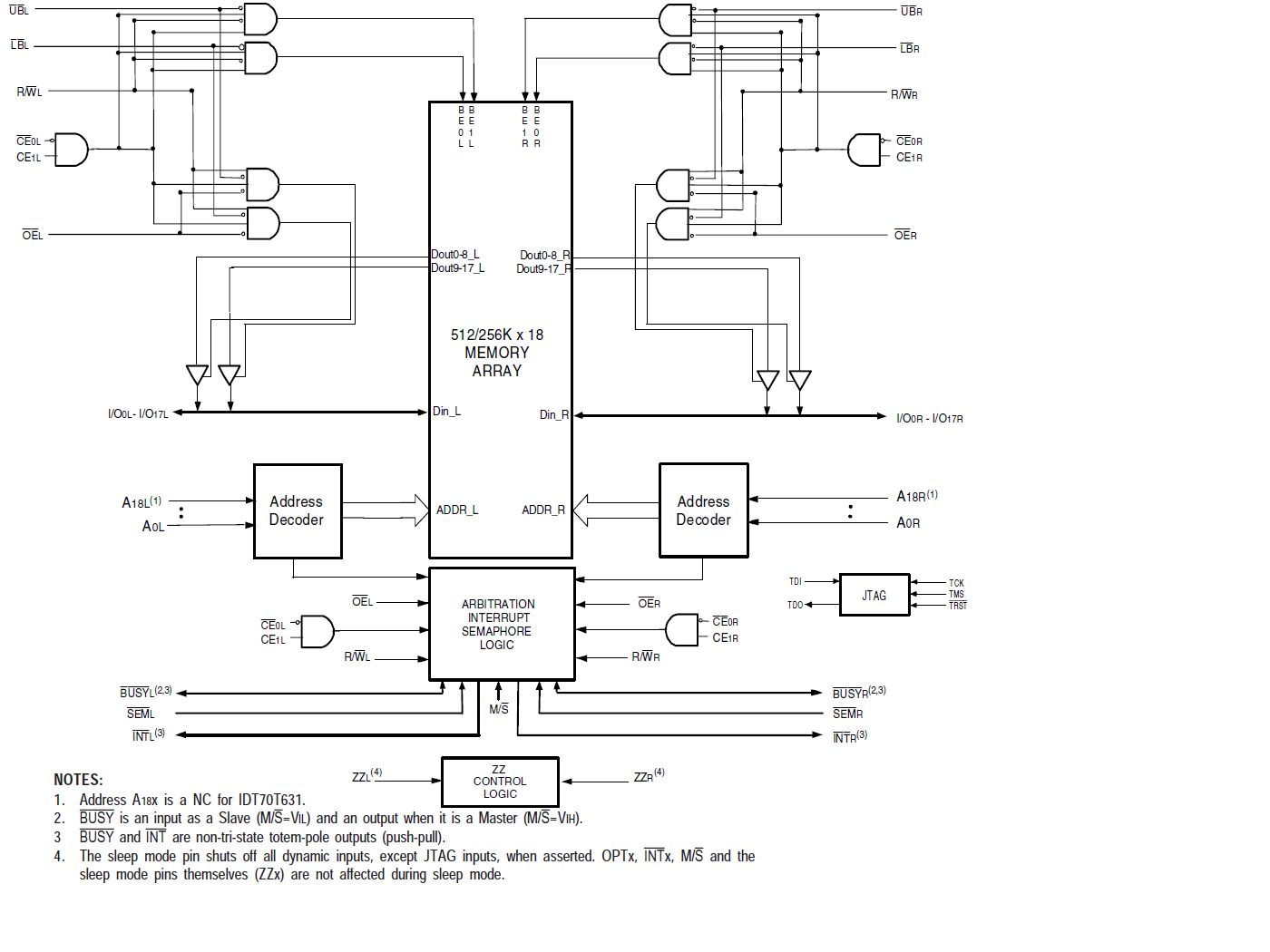
70T633512K x 18, 3.3V/2.5V Dual-Port RAM, Interleaved I/O's | Memory | 12 | Active | The 70T633 is a high-speed 512K x 18 Asynchronous Dual-Port Static RAM designed to be used as a stand-alone Dual-Port RAM or as a combination MASTER/ SLAVE Dual-Port RAM for 36-bit-or-more word system which would result in full-speed, error-free operation without the need for additional discrete logic. An automatic power down feature controlled by the chip enables (either CE0 or CE1) permit the on-chip circuitry of each port to enter a very low standby power mode. |
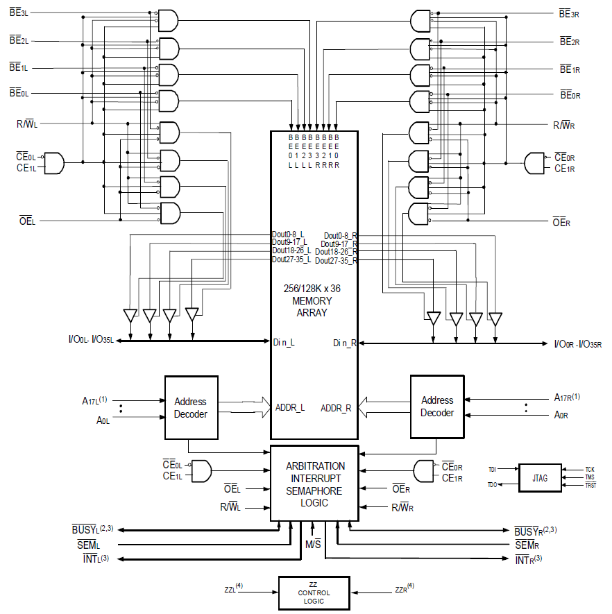
70T651256K x 36 Async, 3.3V/2.5V Dual-Port RAM, Interleaved I/O's | Integrated Circuits (ICs) | 15 | Active | The 70T651 is a high-speed 256K x 36 Asynchronous Dual-Port Static RAM designed to be used as a stand-alone Dual-Port RAM or as a combination MASTER/ SLAVE Dual-Port RAM for 72-bit-or-more word system which would result in full-speed, error-free operation without the need for additional discrete logic. An automatic power down feature controlled by the chip enables (either CE0 or CE1) permit the on-chip circuitry of each port to enter a very low standby power mode. |
70T653M512K x 36 Async, 3.3V/2.5V Dual-Port RAM, Interleaved I/Os | Memory | 5 | Active | The 70T653M is a high-speed 256K x 36 asynchronous dual-port static RAM designed to be used as a stand-alone 18874K-bit dual-port RAM. An automatic power-down feature controlled by the Chip Enables (either CE0 or CE1) permits the on-chip circuitry of each port to enter a very low standby power mode. |
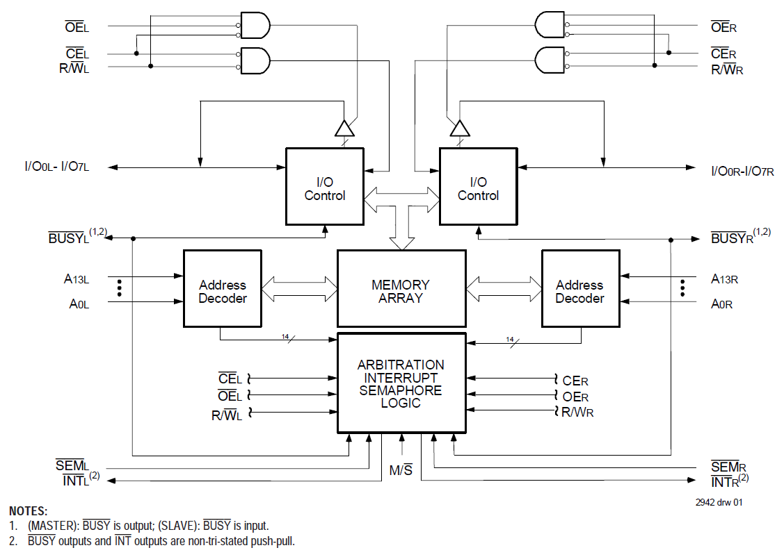
70T659128K x 36 Async, 3.3V/2.5V Dual-Port RAM, Interleaved I/Os | Integrated Circuits (ICs) | 11 | LTB | The 70T659 is a high-speed 128K x 36 asynchronous dual-port static RAM designed to be used as a stand-alone dual-port RAM or as a combination Master/Slave dual-port RAM for 72-bit or more word systems which would result in full-speed, error-free operation without the need for additional discrete logic. An automatic power-down feature controlled by the Chip Enables (either CE0 or CE1) permits the on-chip circuitry of each port to enter a very low standby power mode. |
70V05S8K x 8 3.3v Dual-Port RAM | Memory | 48 | Active | The 70V05 is a high-speed 8K x 8 Dual-Port Static RAM designed to be used as a stand-alone 64K-bit Dual-Port SRAM or as a combination MASTER/SLAVE Dual-Port SRAM for 16-bit-or-more word systems which results in full speed, error-free operation without the need for additional discrete logic. An automatic power down feature controlled by CE permits the on-chip circuitry of each port to enter a very low standby power mode. |
70V06L16K x 8 3.3V Dual-Port RAM | Memory | 38 | Active | The 70V06 is a high-speed 16K x 8 Dual-Port Static RAM designed to be used as a stand-alone 128K-bit Dual-Port SRAM or as a combination MASTER/SLAVE Dual-Port SRAM for 16-bit-or-more word systems which results in full speed, error-free operation without the need for additional discrete logic. An automatic power down feature controlled by CE permits the on-chip circuitry of each port to enter a very low standby power mode. |
70V07L32K x 8 3.3V Dual-Port RAM | Memory | 15 | Active | The 70V07 is a high-speed 32K x 8 dual-port static RAM designed to be used as a stand-alone 256K-bit dual-port SRAM or as a combination Master/Slave dual-port SRAM for 16-bit or more word systems which results in full-speed, error-free operation without the need for additional discrete logic. An automatic power-down feature controlled by Chip Enable (CE) permits the on-chip circuitry of each port to enter a very low standby power mode. |
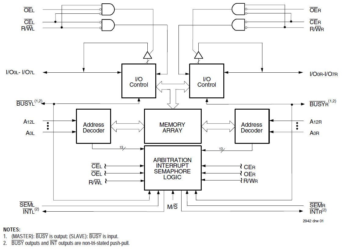
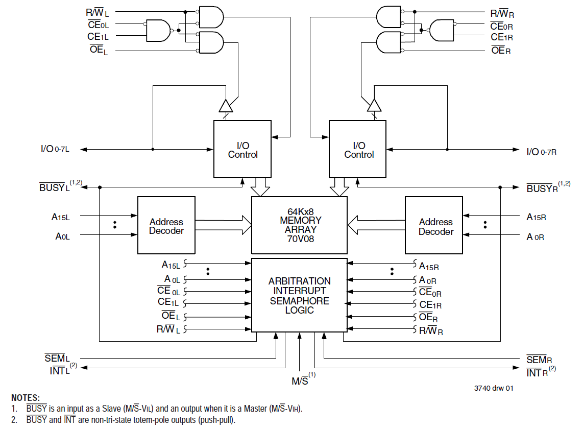
70V08L64K x 8 3.3V Dual-Port RAM | Integrated Circuits (ICs) | 6 | Active | The 70V08 is a high-speed 64K x 8 dual-port static RAM designed to be used as a stand-alone 512K-bit dual-port SRAM or as a combination Master/Slave dual-port SRAM for 16-bit or more word systems which results in full-speed, error-free operation without the need for additional discrete logic. An automatic power-down feature controlled by the Chip Enables (either CE0 or CE1) permits the on-chip circuitry of each port to enter a very low standby power mode. |
| Memory | 7 | Obsolete | ||
| Part | Category | Description |
|---|---|---|
Renesas Electronics Corporation | Integrated Circuits (ICs) | IC MCU 32BIT 1MB FLASH 48LFQFP |
Renesas Electronics Corporation | Integrated Circuits (ICs) | 16-BIT GENERAL MCU RL78/G23 96K |
Renesas Electronics Corporation | Isolators | OPTOISOLATOR 5KV TRANS 4SMD |
Renesas Electronics Corporation | Integrated Circuits (ICs) | IC REG PQFN |
Renesas Electronics Corporation X1228S14-2.7Obsolete | Integrated Circuits (ICs) | IC RTC CLK/CALENDAR I2C 14SOIC |
Renesas Electronics Corporation | Integrated Circuits (ICs) | 32-BIT MICROCONTROLLER OPTIMIZED FOR DUAL-MOTOR AND PFC CONTROL |
Renesas Electronics Corporation R5F104FJAFP#V0Obsolete | Integrated Circuits (ICs) | LOW POWER, HIGH FUNCTION, GENERAL PURPOSE MICROCONTROLLERS FOR MOTOR CONTROL, INDUSTRIAL AND METERING APPLICATIONS |
Renesas Electronics Corporation MK1493-03BGILFTRObsolete | Integrated Circuits (ICs) | IC CLOCK GENERATOR 48TSSOP |
Renesas Electronics Corporation | Development Boards Kits Programmers | E10A-USB SH4AL-DSP LICENSE TOOL |
Renesas Electronics Corporation | Integrated Circuits (ICs) | 32BIT MCU R32C/100X |