QS33X257High-Speed CMOS QuickSwitch 24:12 Mux/Demux | Integrated Circuits (ICs) | 1 | Obsolete | The QS33X257 is a high-speed CMOS TTL-compatible 24:12 multiplexer/demultiplexer. The QS33X257 is functionally compatible to three of the QuickSwitch versions of the 74F257, 74FCT257, and the 74ALS/AS/LS257 quad 2:1 multiplexers. The low ON-resistance of the QS33X257 allows inputs to be connected to outputs without adding propagation delay and without generating additional ground bounce noise. The QS33X257 operates at -40 °C to +85 °C. |
QS34XVH245QuickSwitch Products 3.3V 32-Bit Bus Switch for Hot Swap Applications | Signal Switches, Multiplexers, Decoders | 1 | Obsolete | The QS34XVH245 HotSwitch is a high bandwidth 32-bit bus switch with very low ON-resistance, resulting in under 250ps propagation delay through the switch. The switches can be turned ON under the control of individual LVTTL-compatible Output Enable (OEx) signals for bidirectional data flow with no added delay or ground bounce. The combination of near-zero propagation delay, high OFF impedance, and overvoltage tolerance makes the QS34XVH245 ideal for high-performance communications applications. The QS34XVH245 operates from -40 °C to +85 °C. |
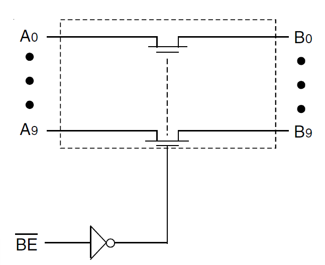
QS3861High-Speed CMOS 10-Bit Bus Switch with Flow-Through Pinout | Logic | 3 | Active | The QS3861 provides a set of 10 high-speed CMOS TTL-compatible bus switches. The low ON-resistance (5Ω) of the QS3861 allows inputs to be connected without adding propagation delay and without generating additional ground bounce noise. The Bus Enable (BE) signal turns the switches on. The QS3861 operates at -40 °C to +85 °C. |
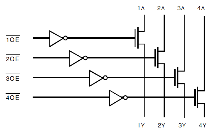
QS3L384QuickSwitch High-Speed Low Power CMOS 10-Bit Bus Switch | Signal Switches, Multiplexers, Decoders | 1 | Obsolete | The QS3L384 provides a set of ten high-speed CMOS TTL-compatible bus switches. The low ON resistance of the QS3L384 allows inputs to be connected to outputs without adding propagation delay and without generating additional ground bounce noise. Two bus enable signals are provided, one for each of the upper and lower five bits of the two 10-bit buses. The QS3L384 operates at -40C to +85C. |
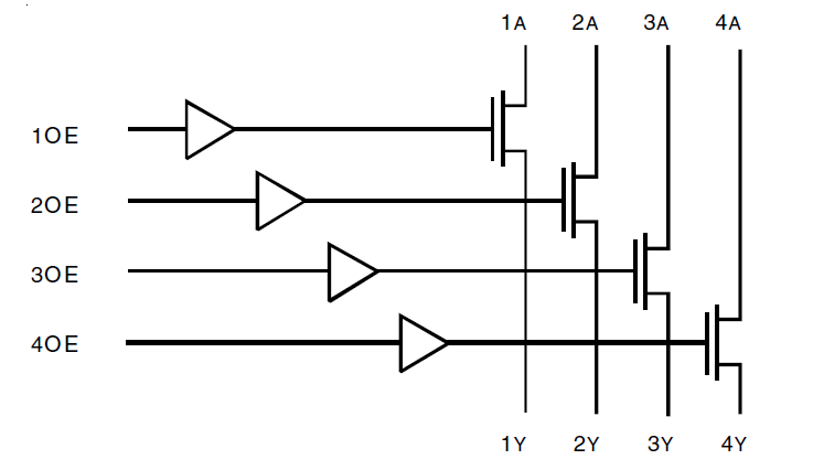
QS3VH125QuickSwitch 3.3V Quad Active Low Switch for Hot Swap Applications | Integrated Circuits (ICs) | 3 | Active | The QS3VH125 is a high-bandwidth, quad bus switch. The QS3VH125 has very low ON-resistance, resulting in under 250ps propagation delay through the switch. The switches can be turned ON under the control of individual LVTTL-compatible active low Output Enable signals for bidirectional data flow with no added delay or ground bounce. The combination of near-zero propagation delay, high OFF impedance, and overvoltage tolerance makes the QS3VH125 ideal for high-performance communications applications. The QS3VH125 operates from -40 °C to +85 °C. |
QS3VH126QuickSwitch Products 3.3V Quad Active High Switch for hot Swap Applications | Logic | 3 | Active | The QS3VH126 is a high bandwidth bus switch. The QS3VH126 has very low ON resistance, resulting in under 250ps propagation delay through the switch. The switches can be turned ON under the control of individual LVTTL-compatible active high Output Enable signals for bidirectional data flow with no added delay or ground bounce. The combination of near-zero propagation delay, high OFF impedance, and over-voltage tolerance makes the QS3VH126 ideal for high performance communications applications. The QS3VH126 is characterized for operation from -40C to +85C. |
QS3VH162112.5V/3.3V 24-Bit High Bandwidth Bus Switch | Integrated Circuits (ICs) | 1 | Active | The QS3VH16211 HotSwitch is a 24-bit high bandwidth bus switch. The QS3VH16211 has very low ON-resistance, resulting in under 250ps propagation delay through the switch. The combination of near-zero propagation delay, high OFF impedance, and overvoltage tolerance makes the QS3VH16211 ideal for high-performance communications applications. It is also suitable for switching wide digital buses. The QS3VH16211 operates from -40 °C to +85 °C. |
QS3VH162122.5V/3.3V 24-Bit Bus Exchange High Bandwidth Bus Switch | Signal Switches, Multiplexers, Decoders | 1 | Obsolete | The QS3VH16212 Bus Exchange HotSwitch with 24-bits is a high bandwidth bus switch with very low ON-resistance, resulting in under 250ps propagation delay through the switch. The device operates as a 24-bit bus switch or a 12-bit bus exchanger. The combination of near-zero propagation delay, high OFF impedance, and overvoltage tolerance makes the QS3VH16212 ideal for high-performance communications applications. The QS3VH16212 is characterized for operation from -40 °C to +85 °C. |
QS3VH162332.5V/3.3V 32:16 Mux/Demux High Bandwidth Bus Switch | Integrated Circuits (ICs) | 1 | Active | The QS3VH16233 HotSwitch is a 32-bit to 16-bit high bandwidth bus switch, which can multiplex or de-multiplex data. The QS3VH16233 has very low ON-resistance, resulting in under 250ps propagation delay through the switch. This device can be used as two 16-bit to 8-bit multiplexers or as one 32-bit to 16-bit multiplexer. The combination of near-zero propagation delay, high OFF impedance, and overvoltage tolerance also makes the QS3VH16233 ideal for high-performance communications applications. The QS3VH16233 operates from -40 °C to +85 °C. |
QS3VH168612.5V/3.3V 20-Bit Flow-Through Pin Out, High Bandwidth Bus Switch | Logic | 1 | Obsolete | The QS3VH16861 HotSwitch with 20-bit flow-through pinout is a high bandwidth bus switch with very low ON-resistance, resulting in under 250ps propagation delay through the switch. The combination of near-zero propagation delay, high OFF impedance, and overvoltage tolerance makes the QS3VH16861 ideal for high-performance communications applications. The QS3VH16861 operates from -40 °C to +85 °C. |