| Embedded MCU, DSP Evaluation Boards | 7 | Active | |
| Specialized | 1 | Obsolete | The QLx111GRx is a settable single-channel receive-side equalizer with extended functionality for advanced protocols operating with line rates up to 11. 1Gb/s such as 10G Ethernet (10GBase-CR). The QLx111GRx compensates for the frequency dependent attenuation of copper twin-axial cables, extending the signal reach up to at least 10m on 28AWG cable. The small form factor, highly-integrated design is ideal for high-density data transmission applications including active copper cable assemblies. The equalizing filter within the QLx111GRx can be set to provide optimal signal fidelity for a given media and length. The compensation level for the filter is set by two external control pins. Operating on a single 1. 2V power supply, the QLx111GRx enables per channel throughputs of 10Gb/s to 11. 1Gb/s while supporting lower data rates including 8. 5, 6. 25, 5, 4. 25, 3. 125, and 2. 5Gb/s. The QLx111GRx uses current mode logic (CML) input/output and is packaged in a 3mmx3mm 16 lead QFN. LOS support is included for module applications. |
| Integrated Circuits (ICs) | 1 | Obsolete | The QLx4270-DP is a settable quad receive-side equalizer with extended functionality for DisplayPort applications. The QLx4270-DP compensates for the frequency dependent attenuation of copper cables, allowing operation on ultra-thin 40AWG cable. The small form factor, highly-integrated quad design is ideal for high-density data transmission applications including active copper cable assemblies. Operating on a single 1. 2V power supply, the QLx4270-DP enables per channel throughputs of up to 2. 7Gb/s. The QLx4270-DP uses current mode logic (CML) inputs/outputs and is packaged in a 4mmx7mm 46 lead QFN. |
| Interface | 1 | Obsolete | The QLx4300-S45 is a settable quad receive-side equalizer with extended functionality for advanced protocols operating with line rates up to 3. 125Gb/s such as InfiniBand (SDR) and 10GBase-CX4. The QLx4300-S45 compensates for the frequency dependent attenuation of copper twin-axial cables, extending the signal reach up to 40m on 24AWG cable. The small form factor, highly-integrated quad design is ideal for high-density data transmission applications including active copper cable assemblies. The four equalizing filters within the QLx4300-S45 can each be set to one of 32 compensation levels, providing optimal signal fidelity for a given media and length. The compensation level for each filter can be set by either (a) three external control pins or (b) a serial bus interface. When the external control pins are used, 18 of the 32 boost levels are available for each channel. If the serial bus is used, all 32 compensation levels are available. Operating on a single 1. 2V power supply, the QLx4300-S45 enables per channel throughputs of up to 3. 125Gb/s while supporting the lower data rates of 2. 5Gb/s and 1. 5Gb/s. The QLx4300-S45 uses current mode logic (CML) inputs/outputs and is packaged in a 4mmx7mm 46 lead QFN. Individual lane impedance select support is included for module applications. |
| Integrated Circuits (ICs) | 4 | Active | The QLX4600-S30 is a settable quad receive-side equalizer with extended functionality for advanced protocols operating with line rates up to 6. 25Gb/s such as DisplayPort v1. 2 (HBR1/2), InfiniBand (SDR and DDR), PCI Express and 10GBase-CX4. The QLX4600-S30 compensates for the frequency dependent attenuation of copper twin-axial cables, extending the signal reach up to 30m on a 24AWG cable. The small form factor, highly-integrated quad design is ideal for high-density data transmission applications including active copper cable assemblies. The four equalizing filters within the QLX4600-S30 can each be set to one of 32 compensation levels, providing optimal signal fidelity for a given media and length. The compensation level for each filter can be set by either (a) three external control pins or (b) a serial bus interface. When the external control pins are used, 18 of the 32 boost levels are available for each channel. If the serial bus is used, all 32 compensation levels are available. Operating on a single 1. 2V power supply, the QLX4600-S30 enables per channel throughputs of up to 6. 25Gb/s while supporting lower data rates including 5, 4. 25, 3. 125 and 2. 5Gb/s. The QLX4600-S30 uses Current Mode Logic (CML) inputs/outputs and is packaged in a 4mmx7mm 46 Ld TQFN. Individual channel power-down support is included for PCI Express applications. |
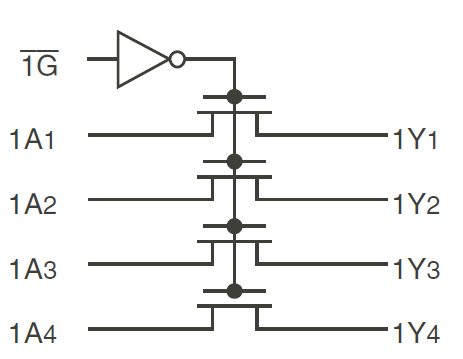
QS3125High-Speed CMOS Quadruple Bus Switch with Individual Active Low Enables | Integrated Circuits (ICs) | 2 | Active | The QS3125 provides a set of four high-speed low-resistance CMOS switches connecting inputs to outputs without propagation delay and without generating additional ground bounce noise. The QS3125 is ideal for signal and control switching since the device adds no noise, ground bounce, propagation delay, or significant power consumption to the system. The QS3125 can also be used for analog switching applications such as video. The device operates at -40 °C to +85 °C. |
QS3126High-Speed CMOS Quadruple Bus Switch with IndiviDual Active High Enables | Signal Switches, Multiplexers, Decoders | 2 | Obsolete | The QS3126 provides a set of four high-speed CMOS switches connecting inputs to outputs. The low ON resistance of the QS3126 allows inputs to be connected to outputs without propagation delay and without generating additional ground bounce noise. The QS3126 is ideal for signal and control switching since the device adds no noise, ground bounce, propagation delay, or significant power consumption to the system. The QS3126 operates at -40C to +85C |
QS32245High-Speed CMOS QuickSwitch 8-Bit Bus Switch | Logic | 4 | Obsolete | The QS32245 provides a set of eight high-speed CMOS TTL-compatible bus switches in a pinout compatible with 74FCT245, 74F245, 74ALS/AS/ LS245 8-bit transceivers. The QS32245 has 25 ohm series resistors to reduce ground bounce noise. The QS32245 operates at -40C to +85C. |
QS32390High-Speed CMOS QuickSwitch 16:8 Multiplexer | Integrated Circuits (ICs) | 1 | Obsolete | The QS32390 provides a 16:8 multiplexer logic switch. The QS32390 has an internal 25 ohm resistor to reduce reflection noise in high-speed applications. The enable inputs connect one of two inputs to the common I/O pin, respectively. The multiplexer function can be used to select and route logic signals for zero delay, isolate bus capacitance, form crossbar switches, etc. The QS32390 operates at -40C to +85C. |
QS3244High-Speed CMOS QuickSwitch 8-Bit Bus Switch | Logic | 4 | Active | The QS3244 provides a set of eight high-speed CMOS TTL-compatible bus switches in a pinout compatible with 74FCT244, 74F244, 74ALS/AS/LS244 8-bit drivers. The low ON-resistance (5Ω) of the QS3244 allows inputs to be connected to outputs without adding propagation delay and without generating additional ground bounce noise. The QS3244 operates at -40 °C to +85 °C. |