R
Renesas Electronics Corporation
| Series | Category | # Parts | Status | Description |
|---|---|---|---|---|
| Part | Spec A | Spec B | Spec C | Spec D | Description |
|---|---|---|---|---|---|
| Series | Category | # Parts | Status | Description |
|---|---|---|---|---|
| Part | Spec A | Spec B | Spec C | Spec D | Description |
|---|---|---|---|---|---|
| Series | Category | # Parts | Status | Description |
|---|---|---|---|---|
ISL8323Low-Voltage, Single Supply, Dual SPST Analog Switches | Integrated Circuits (ICs) | 2 | Obsolete | The Intersil ISL8323-ISL8325 devices are precision, dual analog switches designed to operate from a single +2. 7V to +12V supply. Targeted applications include battery powered equipment that benefit from the devices' low power consumption (5µW), low leakage currents (100pA max), and fast switching speeds. Excellent RONmatching and flatness maintain signal fidelity over the whole input range. The ISL8323/ISL8324/ISL8325 are dual single-pole/singlethrow (SPST) devices. The ISL8323 has two normally open (NO) switches; the ISL8324 has two normally closed (NC) switches; the ISL8325 has one NO and one NC switch and can be used as an SPDT. Table 1 summarizes the performance of this family. For higher performance, pin compatible versions, or SOT-23 packaged devices, see the ISL5120-23 data sheet. |
| Analog Switches, Multiplexers, Demultiplexers | 2 | Obsolete | ||
| Interface | 3 | Obsolete | ||
| Integrated Circuits (ICs) | 1 | Obsolete | ||
| Interface | 3 | Obsolete | ||
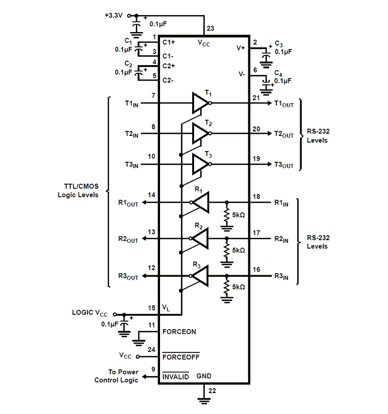
ISL83386E±15kV ESD Protected, +3V to +5.5V, 1 Microamp, 250kbps, RS-232 Transmitters/Receivers with Separate Logic Supply | Interface | 1 | Obsolete | The ISL83386E contains 3. 0V to 5. 5V powered RS-232 transmitters/receivers that meet ElA/TIA-232 and V. 28/V. 24 specifications, even at VCC= 3. 0V. Targeted applications are PDAs, Palmtops, and cell phones in which the low operational power consumption, and even lower standby power consumption is critical. Efficient on-chip charge-pumps, coupled with a manual power-down function reduces the standby supply current to a 1µA trickle. Small footprint packaging and the use of small, low value capacitors ensures board space savings as well. Data rates greater than 250kbps are ensured at worst case load conditions. The ISL83386E features a VL pin that adjusts the logic pin (see "Pin Descriptions" on page 3) output levels and input thresholds to values compatible with the VCC powering the external logic (such as a UART). The single pin powerdown function ( SHDN = 0) disables all the receiver and transmitter outputs, while shutting down the charge pump to minimize supply current drain. |
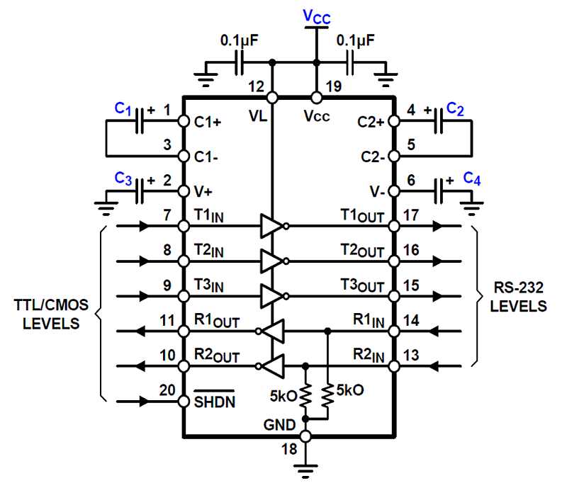
ISL83387E±15kV ESD Protected, +3V to +5.5V, 1µA, 250kbps, RS-232 Transceivers with Enhanced Automatic Powerdown and a Separate Logic Supply | Interface | 2 | Active | The ISL83387E is a 3. 0V to 5. 5V powered RS‑232 transceiver that meets ElA/TIA-232 and V. 28/V. 24 specifications, even at VCC= 3. 0V. Additionally, it provides ±15kV ESD protection (IEC61000-4-2 Air Gap and Human Body Model) on transmitter outputs and receiver inputs (RS‑232 pins). Targeted applications are industrial laptop computers, Palmtops, PDAs, and notebooks where the low operational power consumption and even lower standby power consumption is critical. Efficient on‑chip charge pumps coupled with manual and enhanced automatic powerdown functions reduce the standby supply current to a 1µA trickle. The TSSOP packaging and the use of small, low value capacitors ensure board space savings. Data rates greater than 250kbps are ensured at worst case load conditions. The ISL83387E features a VLpin that adjusts the logic pin output levels and input thresholds to values compatible with the VCCpowering the external logic (for example, a UART). The ISL83387E includes an enhanced automatic power‑down function that powers down the on-chip power‑supply and driver circuits. Automatic powerdown occurs when all receiver and transmitter inputs detect no signal transitions for a period of 30 seconds. The ISL83387E powers back up automatically, when it senses a transition on any transmitter or receiver input. Application Note AN9863 summarizes the features of each device comprising the 3V RS-232 family. |
ISL834833.3V, Half Duplex, 250kbps Slew Rate Limited, RS-485/RS-422 Transceiver | Drivers, Receivers, Transceivers | 3 | Active | These Renesas RS-485/RS-422 devices are BiCMOS 3. 3V powered, single transceivers that meet both the RS-485 and RS-422 standards for balanced communication. Unlike competitive devices, this Renesas family is specified for 10% tolerance supplies (3V to 3. 6V). The ISL83483 and ISL83488 use slew rate limited drivers which reduce EMI, and minimize reflections from improperly terminated transmission lines, or unterminated stubs in multidrop and multipoint applications. Data rates up to 10Mbps are achievable by using the ISL83485, ISL83490, or ISL83491, which feature higher slew rates. Logic inputs (for example, DI and DE) accept signals in excess of 5. 5V, making them compatible with 5V logic families. Receiver (Rx) inputs feature a "fail-safe if open" design, which ensures a logic high output if Rx inputs are floating. All devices present a "single unit load" to the RS-485 bus, which allows up to 32 transceivers on the network. Driver (Tx) outputs are short-circuit protected, even for voltages exceeding the power supply voltage. Additionally, on-chip thermal shutdown circuitry disables the Tx outputs to prevent damage if power dissipation becomes excessive. The ISL83488, ISL83490, and ISL83491 are configured for full duplex (separate Rx input and Tx output pins) applications. The ISL83488 and ISL83490 are offered in space saving 8 Ld packages for applications not requiring Rx and Tx output disable functions (for example, point-to-point and RS-422). Half duplex configurations (ISL83483, ISL83485) multiplex the Rx inputs and Tx outputs to provide transceivers with Rx and Tx disable functions in 8 Ld packages. |
ISL834853.3V, Half Duplex, 10Mbps, RS-485/RS-422 Transceiver | Drivers, Receivers, Transceivers | 3 | Active | These Renesas RS-485/RS-422 devices are BiCMOS 3. 3V powered, single transceivers that meet both the RS-485 and RS-422 standards for balanced communication. Unlike competitive devices, this Renesas family is specified for 10% tolerance supplies (3V to 3. 6V). The ISL83483 and ISL83488 use slew rate limited drivers which reduce EMI, and minimize reflections from improperly terminated transmission lines, or unterminated stubs in multidrop and multipoint applications. Data rates up to 10Mbps are achievable by using the ISL83485, ISL83490, or ISL83491, which feature higher slew rates. Logic inputs (for example, DI and DE) accept signals in excess of 5. 5V, making them compatible with 5V logic families. Receiver (Rx) inputs feature a "fail-safe if open" design, which ensures a logic high output if Rx inputs are floating. All devices present a "single unit load" to the RS-485 bus, which allows up to 32 transceivers on the network. Driver (Tx) outputs are short-circuit protected, even for voltages exceeding the power supply voltage. Additionally, on-chip thermal shutdown circuitry disables the Tx outputs to prevent damage if power dissipation becomes excessive. The ISL83488, ISL83490, and ISL83491 are configured for full duplex (separate Rx input and Tx output pins) applications. The ISL83488 and ISL83490 are offered in space saving 8 Ld packages for applications not requiring Rx and Tx output disable functions (for example, point-to-point and RS-422). Half duplex configurations (ISL83483, ISL83485) multiplex the Rx inputs and Tx outputs to provide transceivers with Rx and Tx disable functions in 8 Ld packages. |
ISL834883.3V, Full Duplex, 250kbps Slew Rate Limited, RS-485/RS-422 Transceiver | Integrated Circuits (ICs) | 5 | Active | These Renesas RS-485/RS-422 devices are BiCMOS 3. 3V powered, single transceivers that meet both the RS-485 and RS-422 standards for balanced communication. Unlike competitive devices, this Renesas family is specified for 10% tolerance supplies (3V to 3. 6V). The ISL83483 and ISL83488 use slew rate limited drivers which reduce EMI, and minimize reflections from improperly terminated transmission lines, or unterminated stubs in multidrop and multipoint applications. Data rates up to 10Mbps are achievable by using the ISL83485, ISL83490, or ISL83491, which feature higher slew rates. Logic inputs (for example, DI and DE) accept signals in excess of 5. 5V, making them compatible with 5V logic families. Receiver (Rx) inputs feature a "fail-safe if open" design, which ensures a logic high output if Rx inputs are floating. All devices present a "single unit load" to the RS-485 bus, which allows up to 32 transceivers on the network. Driver (Tx) outputs are short-circuit protected, even for voltages exceeding the power supply voltage. Additionally, on-chip thermal shutdown circuitry disables the Tx outputs to prevent damage if power dissipation becomes excessive. The ISL83488, ISL83490, and ISL83491 are configured for full duplex (separate Rx input and Tx output pins) applications. The ISL83488 and ISL83490 are offered in space saving 8 Ld packages for applications not requiring Rx and Tx output disable functions (for example, point-to-point and RS-422). Half duplex configurations (ISL83483, ISL83485) multiplex the Rx inputs and Tx outputs to provide transceivers with Rx and Tx disable functions in 8 Ld packages. |
| Part | Category | Description |
|---|---|---|
Renesas Electronics Corporation | Integrated Circuits (ICs) | IC MCU 32BIT 1MB FLASH 48LFQFP |
Renesas Electronics Corporation | Integrated Circuits (ICs) | 16-BIT GENERAL MCU RL78/G23 96K |
Renesas Electronics Corporation | Isolators | OPTOISOLATOR 5KV TRANS 4SMD |
Renesas Electronics Corporation | Integrated Circuits (ICs) | IC REG PQFN |
Renesas Electronics Corporation X1228S14-2.7Obsolete | Integrated Circuits (ICs) | IC RTC CLK/CALENDAR I2C 14SOIC |
Renesas Electronics Corporation | Integrated Circuits (ICs) | 32-BIT MICROCONTROLLER OPTIMIZED FOR DUAL-MOTOR AND PFC CONTROL |
Renesas Electronics Corporation R5F104FJAFP#V0Obsolete | Integrated Circuits (ICs) | LOW POWER, HIGH FUNCTION, GENERAL PURPOSE MICROCONTROLLERS FOR MOTOR CONTROL, INDUSTRIAL AND METERING APPLICATIONS |
Renesas Electronics Corporation MK1493-03BGILFTRObsolete | Integrated Circuits (ICs) | IC CLOCK GENERATOR 48TSSOP |
Renesas Electronics Corporation | Development Boards Kits Programmers | E10A-USB SH4AL-DSP LICENSE TOOL |
Renesas Electronics Corporation | Integrated Circuits (ICs) | 32BIT MCU R32C/100X |