R
Renesas Electronics Corporation
| Series | Category | # Parts | Status | Description |
|---|---|---|---|---|
| Part | Spec A | Spec B | Spec C | Spec D | Description |
|---|---|---|---|---|---|
| Series | Category | # Parts | Status | Description |
|---|---|---|---|---|
| Part | Spec A | Spec B | Spec C | Spec D | Description |
|---|---|---|---|---|---|
| Part | Category | Description |
|---|---|---|
Renesas Electronics Corporation | Integrated Circuits (ICs) | IC MCU 32BIT 1MB FLASH 48LFQFP |
Renesas Electronics Corporation | Integrated Circuits (ICs) | 16-BIT GENERAL MCU RL78/G23 96K |
Renesas Electronics Corporation | Isolators | OPTOISOLATOR 5KV TRANS 4SMD |
Renesas Electronics Corporation | Integrated Circuits (ICs) | IC REG PQFN |
Renesas Electronics Corporation X1228S14-2.7Obsolete | Integrated Circuits (ICs) | IC RTC CLK/CALENDAR I2C 14SOIC |
Renesas Electronics Corporation | Integrated Circuits (ICs) | 32-BIT MICROCONTROLLER OPTIMIZED FOR DUAL-MOTOR AND PFC CONTROL |
Renesas Electronics Corporation R5F104FJAFP#V0Obsolete | Integrated Circuits (ICs) | LOW POWER, HIGH FUNCTION, GENERAL PURPOSE MICROCONTROLLERS FOR MOTOR CONTROL, INDUSTRIAL AND METERING APPLICATIONS |
Renesas Electronics Corporation MK1493-03BGILFTRObsolete | Integrated Circuits (ICs) | IC CLOCK GENERATOR 48TSSOP |
Renesas Electronics Corporation | Development Boards Kits Programmers | E10A-USB SH4AL-DSP LICENSE TOOL |
Renesas Electronics Corporation | Integrated Circuits (ICs) | 32BIT MCU R32C/100X |
| Series | Category | # Parts | Status | Description |
|---|---|---|---|---|
EL4342500MHz Triple, Multiplexing Amplifier | Integrated Circuits (ICs) | 1 | Obsolete | The EL4340, EL4342 are fixed unity gain mux amps featuring high slew rates and excellent bandwidth for video switching. These devices feature a high impedance output state (HIZ) that enables the outputs of multiple devices to be wired together. A power-down mode (ENABLE) is included to turn off un-needed circuitry in power sensitive applications. The ENABLE pin, when pulled high, sets the EL4340, EL4342 into standby power mode - consuming just 18mW. An added feature in the EL4340 is a latch enable function (LE) that allows independent logic control using a common logic bus. |
EL4501Video Front End | Video Amps and Modules | 3 | Obsolete | The EL4501 is a highly-integrated Video Front End (VFE) incorporating all of the key signal conditioning functions for analog video signals. It provides a flexible front-end interface for analog or analog/digital video sub-systems. The VFE contains a high bandwidth DC-restore, an advanced sync separator and a data slicer with an adjustable threshold, configurable output and power-down mode. The VFE performs restoration of the DC level (blanking level) of a video signal and the recovery of all signal timing necessary for synchronization and control. Additionally, data embedded in the active video or VBI regions of the video signal may be extracted using the flexible data slicer incorporated into the VFE. The advanced sync separator exhibits excellent noise immunity by incorporating a digital brick wall filter and signal qualification algorithm. The DC-restored video amplifier is unity gain stable with an unloaded -3dB bandwidth of 100MHz. The input common mode voltage range extends from the negative rail to within 1. 5V of the positive rail. When driving a 75Ω double terminated coaxial cable, the amplifier can drive to within 150mV of either rail. With 200V/µs slew rate, the amplifier is well suited for composite and component video applications. The VFE operates from a single 5V supply from -40°C to +85°C and is available in a reduced footprint 24 Ld QSOP package. |
EL4511Super Sync Separator | Integrated Circuits (ICs) | 1 | Obsolete | The EL4511 sync separator IC is designed for operation in the next generation of DTV, HDTV, and projector applications, as well as broadcast equipment and other applications where video signals need to be processed. The EL4511 accepts sync on green, separate sync, and H/V sync inputs, automatically selecting the relevant format. It is also capable of detecting and decoding tri-level syncs used with the latest HD systems. Unlike standard sync separators, the EL4511 can automatically detect the line rate and locks to it, without the use of an external RSETresistor. The EL4511 is available in a 24-pin QSOP package and operates over the full 0°C to 70°C temperature range. |
EL4543Triple Differential Twisted-Pair Driver with Common-Mode Sync Encoding | Integrated Circuits (ICs) | 4 | Active | The EL4543 is a high bandwidth triple differential amplifier with integrated encoding of video sync signals. The inputs are suitable for handling High-Speed video or other communications signals in either single-ended or differential form, and the common-mode input range extends all the way to the negative rail enabling ground-referenced signaling in single supply applications. The high bandwidth enables differential signaling onto standard twisted-pair or coax with very low harmonic distortion, while internal feedback ensures balanced gain and phase at the outputs reducing radiated EMI and harmonics. Embedded logic encodes standard video horizontal and vertical sync signals onto the common mode of the twisted pair(s), transmitting this additional information without the requirement for additional buffers or transmission lines. The EL4543 enables significant system cost savings when compared with discrete line driver alternatives. The EL4543 is available in both a 24 Ld QSOP package and a 20 Ld QFN package and is specified for operation over the -40°C to +85°C temperature range. |
| Integrated Circuits (ICs) | 4 | Obsolete | ||
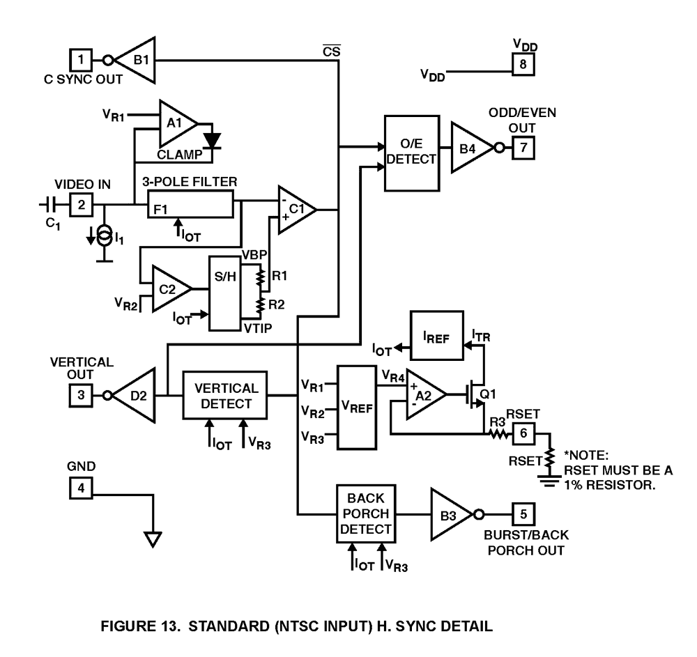
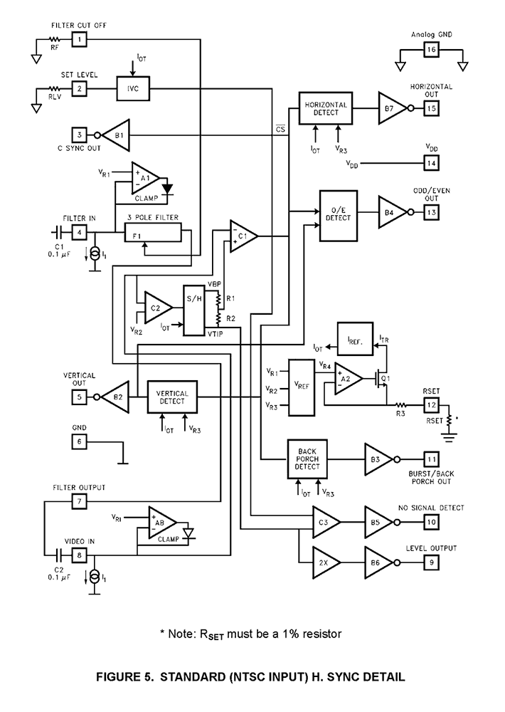
EL4583ASync Separator, 50% Slice, S-H, Filter, HOUT | Linear | 2 | Obsolete | The EL4583 extracts timing from video sync in NTSC, PAL, and SECAM systems, and non standard formats, or from computer graphics operating at higher scan rates. Timing adjustment is via an external resistor. Input without valid vertical interval (no serration pulses) produces a default vertical output. Outputs are: composite sync, vertical sync, filter, burst/back porch, horizontal, no signal detect, level, and odd/even output (in interlaced scan formats only). The EL4583 sync slice level is set to the mid-point between sync tip and the blanking level. This 50% point is determined by two internal sample and hold circuits that track sync tip and back porch levels. It provides hum and noise rejection and compensates for input levels of 0. 5V to 2. 0VP-P. A built in filter attenuates the chroma signal to prevent color burst from disturbing the 50% sync slice. Cut off frequency is set by a resistor to ground from the Filter Cut Off pin. Additionally, the filter can be by-passed and video signal fed directly to the Video Input. The level output pin provides a signal with twice the sync amplitude which may be used to control an external AGC function. A TTL/CMOS compatible No Signal Detect Output flags a loss or reduction in input signal level. A resistor sets the Set Detect Level. The EL4583 is manufactured using Elantec's high performance analog CMOS process. |
| Clock Generators, PLLs, Frequency Synthesizers | 1 | Obsolete | ||
| Clock/Timing | 3 | Obsolete | ||
| Integrated Circuits (ICs) | 1 | Obsolete | ||
| Integrated Circuits (ICs) | 1 | Obsolete | ||