AD768716-Bit, 1.5 LSB INL, 250 kSPS PulSAR™Differential ADC in MSOP/QFN | Analog to Digital Converters (ADC) | 5 | Active | The AD76871 is a 16-bit, charge redistribution, successive approximation, analog-to-digital converter (ADC) that operates from a single power supply, VDD, between 2.3 V to 5.5 V. It contains a low power, high speed, 16-bit sampling ADC with no missing codes, an internal conversion clock, and a versatile serial interface port. The device also contains a low noise, wide bandwidth, short aperture delay track-and-hold circuit. On the CNV rising edge, the AD7687 the samples the voltage difference between IN+ and IN− pins, which can range from −VREFto +VREF. The reference voltage, VREF, is applied externally and can be set up to the supply voltage.The power consumption of the device scales linearly with throughput.The SPI-compatible serial interface also features the ability to daisy-chain several ADCs on a single 3-wire bus and provides an optional BUSY indicator by means of the SDI pin. It is compatible with 1.8 V, 2.5 V, 3 V, or 5 V logic using the separate supply VIO.The AD7687 comes in a 10-lead MSOP or a 10-lead LFCSP with operation specified from −40°C to +85°C.APPLICATIONSBattery-powered equipmentData acquisitionsInstrumentationMedical instrumentsProcess controls |
AD7688500kSPS 16- BIT Differential PulSAR® A/D Converter inµSOIC/QFN | Integrated Circuits (ICs) | 1 | Obsolete | The AD7688 is a 16-bit, 500 kSPS, charge redistribution successive-approximation Analog-to-Digital Converter which operates from a single 5V power supply, VDD. It contains a very low power high-speed 16-bit sampling ADC with no missing codes, an internal conversion clock and a versatile serial interface port. The part also contains a low noise, wide bandwidth, very short aperture delay track/hold circuit. On the CNV rising edge, it samples the voltage difference between IN+ and IN- pins. The voltages on these pins usually swing in opposite phase between 0 V to REF. The reference voltage REF is applied externally and can be set up to the supply voltage.Its power scales linearly with throughput.The SPI compatible serial interface also features the ability, using the SDI input, to "Daisy chain" several ADCs on a single 3 wire bus and provides an optional Busy indicator. It is compatible with 1.8 V, 2.5 V, 3 V or 5 V logic using the separate supply VIO.The AD7688 is housed in a 10-lead µSOIC or 10-lead QFN (Chip Scale package) with operationAPPLICATIONSBattery Powered EquipmentMedical instrumentsMobile communicationsPersonal digital assistantsData AcquisitionInstrumentationMedical InstrumentsProcess Control |
AD768916-Bit, 8-Channel, 250 kSPS PulSAR ADC | Integrated Circuits (ICs) | 3 | Active | TheAD7682/AD7689 are 4-channel/8-channel, 16-bit, charge redistribution successive approximation register (SAR) analog-to-digital converters (ADCs) that operate from a single power supply, VDD.The AD7682/AD7689 contain all components for use in a multichannel, low power data acquisition system, including a true 16-bit SAR ADC with no missing codes; a 4-channel (AD7682) or 8-channel (AD7689) low crosstalk multiplexer that is useful for configuring the inputs as single-ended (with or without ground sense), differential, or bipolar; an internal low drift reference (selectable 2.5 V or 4.096 V) and buffer; a temperature sensor; a selectable one-pole filter; and a sequencer that is useful when channels are continuously scanned in order.The AD7682/AD7689 use a simple serial port interface (SPI) for writing to the configuration register and receiving conversion results. The SPI interface uses a separate supply, VIO, which is set to the host logic level. Power dissipation scales with throughput.The AD7682/AD7689 are housed in a tiny 20-lead lead frame chip scale package (LFCSP) and 20-lead wafer level chip scale package (WLCSP) with operation specified from −40°C to +85°C. The AD7689 includes an extended temperature range model with specifications guaranteed to a maximum temperature (TMAX) of +125°C.APPLICATIONSMultichannel system monitoringBattery-powered equipmentMedical instruments: ECG/EKGMobile communications: GPSPower line monitoringData acquisitionSeismic data acquisition systemsInstrumentationProcess control |
AD768SAerospace 16-Bit, 30 MSPS Digital to Analog Converter | Data Acquisition | 1 | Active | The AD768S is a 16-bit, high speed digital-to-analog converter (DAC) that offers exceptional ac and dc performance. The AD768S is manufactured on ADI's Advanced Bipolar CMOS (ABCMOS) process, combining the speed of bipolar transistors, the accuracy of laser-trimmable thin film resistors, and the efficiency of CMOS logic. A segmented current source architecture is combined with proprietary switching technique to reduce glitch energy and maximize dynamic accuracy. Edge triggered input latches and a temperature compensated bandgap reference have been integrated to provide a complete monolithic DAC solution.The AD768S is a current-output DAC with a nominal full-scale output current of 20mA and a 1k(ohm) output impedance. Differential current outputs are provided to support single-ended or differential applications. The current outputs may be tied directly to an output, or fed to the summing junction of a high speed amplifier to provide a buffered voltage output. Also, the differential outputs may be interfaced to a transformer or differential amplifier.The on-chip reference and control amplifier are configured for maximum accuracy and flexibility. The AD76S8 can be driven by the on-chip reference or by a variety of external reference voltages based on the selection of an external resistor. An external capacitor allows the user to optimally trade off reference bandwidth and noise performance.The AD768S operates on ±5V supplies, typically consuming 465 mW of power. |
| Data Acquisition | 1 | Obsolete | |
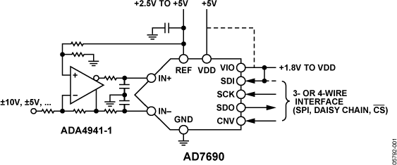
AD769118-Bit, 1.5 LSB INL, 250kSPS PulSAR®Differential ADC in MSOP/QFN | Integrated Circuits (ICs) | 3 | Active | The AD7691 is an 18-bit, charge redistribution, successive approximation, analog-to-digital converter (ADC) that operates from a single power supply, VDD, between 2.3 V and 5 V. It contains a low power, high speed, 18-bit sampling ADC with no missing codes, an internal conversion clock, and a versatile serial interface port. On the CNV rising edge, it samples the voltage difference between the IN+ and IN− pins. The voltages on these pins usually swing in opposite phase between 0 V and REF. The reference voltage, REF, is applied externally and can be set up to the supply voltage.The part’s power scales linearly with throughput.The SPI-compatible serial interface also features the ability, using the SDI input, to daisy-chain several ADCs on a single 3-wire bus and provides an optional busy indicator. It is compatible with 1.8 V, 2.5 V, 3 V, or 5 V logic, using the separate VIO supply.The AD7691 is housed in a 10-lead MSOP or a 10-lead QFN (LFCSP) with operation specified from −40°C to +85°C.ApplicationsBattery-powered equipmentData acquisitionsSeismic data acquisition systemsInstrumentationMedical instruments |
AD769316-Bit, ±0.5 LSB, 500 kSPS PulSAR®Differential A/D Converter in MSOP/QFN | Development Boards, Kits, Programmers | 4 | Active | The AD7693 is a 16-bit, successive approximation analog-to-digital converter (ADC) that operates from a single power supply, VDD. It contains a low power, high speed, 16-bit sampling ADC with no missing codes, an internal conversion clock, and a versatile serial interface port. The reference voltage, VREF, is applied externally and can be set up to the supply voltage, VDD. On the CNV rising edge, it samples the voltage difference between the IN+ and IN− pins. The voltages on these pins swing in opposite phase between 0 V and VREFabout VREF/2.Its power scales linearly with throughput.Using the SDI input, the SPI-compatible serial interface also features the ability to daisy-chain several ADCs on a single 3-wire bus and provides an optional busy indicator. It is compatible with 1.8 V, 2.5 V, 3 V, or 5 V logic, using the separate VIO supply.The AD7693 is housed in a 10-lead MSOP with operation specified from −40°C to +85°C.APPLICATIONSBattery-powered equipmentData acquisitionsSeismic data acquisition systemsDVMsInstrumentationMedical instruments |
AD7694250 kSPS 16-BIT PulSAR®A/D Converter in µSOIC | Analog to Digital Converters (ADC) | 3 | Active | The AD7694 is a 16-bit, 250 kSPS, charge redistribution successive-approximation Analog-to-Digital Converter which operates from a single power supply, VDDbetween 2.7 V to 5.25 V. It contains a very low power high-speed 16-bit sampling ADC with no missing codes (B grade), an internal conversion clock and a SPI compatible serial interface port. The part also contains a low noise, wide bandwidth, very short aperture delay track/hold circuit. On the CNV rising edge, it samples an analog input IN+ between 0 V to REF with respect to a ground sense IN-. The reference voltage REF is applied externally and can be set up to the supply voltage.Its power scales linearly with throughput.The AD7694 is housed in a 8-lead µSOIC with operation specified from –40°C to +85°C.APPLICATIONSBattery Powered Equipments:Medical instrumentsMobile communicationsPersonal digital assistantsData AcquisitionInstrumentationProcess Control |
AD769916-Bit, 8-Channel, 500 kSPS PulSAR ADC | Analog to Digital Converters (ADCs) Evaluation Boards | 1 | Active | The AD7699 is an 8-channel, 16-bit, charge redistribution successive approximation register (SAR) analog-to-digital converter (ADC) that operates from a single power supply, VDD.The AD7699 contains all components for use in a multichannel, low power data acquisition system, including a true 16-bit SAR ADC with no missing codes; an 8-channel low crosstalk multiplexer useful for configuring the inputs as single-ended (with or without ground sense), differential, or bipolar; an internal 4.096 V low drift reference and buffer; a temperature sensor; a selectable one-pole filter; and a sequencer that is useful when channels are continuously scanned in order.The AD7699 uses a simple serial port interface (SPI) for writing to the configuration register and receiving conversion results. The SPI interface uses a separate supply, VIO, which is set to the host logic level. Power dissipation scales with throughput.The AD7699 is housed in a tiny 20-lead LFCSP and a 20-ball WLCSP with operation specified from −40°C to +85°C.APPLICATIONSBattery-powered equipmentMedical instruments: ECG/EKGMobile communications: GPSPersonal digital assistantsPower line monitoringData acquisitionSeismic data acquisition systemsInstrumentationProcess control |
| Integrated Circuits (ICs) | 7 | Active | |