| Integrated Circuits (ICs) | 3 | Active | |
| Evaluation Boards | 4 | Active | |
AD765316-Bit 1 MSPS PulSAR®Unipolar ADC with Ref | Data Acquisition | 1 | Obsolete | The AD7653 is a 16-bit, 1 MSPS, charge redistribution SAR, analog-to-digital converter that operates from a single 5 V power supply. The part contains a high-speed, 16-bit sampling ADC, an internal conversion clock, internal reference, error correction circuits, and both serial and parallel system inter-face ports.It features a very high sampling rate mode (Warp) and, for asynchronous conversion rate applications, a fast mode (Normal) and, for low power applications, a reduced power mode (Impulse) where the power is scaled with the throughput.It is fabricated using Analog Devices' high-performance, 0.6 micron CMOS process, with correspondingly low cost and is available in a 48-lead LQFP and a tiny 48-lead LFCSP with operation specified from -40°C to +85°C.APPLICATIONSData acquisitionInstrumentationDigital signal processingSpectrum analysisMedical instrumentsBattery-powered systemsProcess control |
AD7654Dual, 2-Channel, Simultaneous Sampling, PulSAR®, 500 kSPS, 16-Bit ADC | Analog to Digital Converters (ADC) | 2 | Active | The AD7654 is a low cost, simultaneous sampling, dual-channel, 16-bit, charge redistribution SAR, analog-to-digital converter that operates from a single 5 V power supply. It contains two low noise, wide bandwidth, track-and-hold amplifiers that allow simultaneous sampling, a high speed 16-bit sampling ADC, an internal conversion clock, error correction circuits, and both serial and parallel system interface ports. Each track-and-hold has a multiplexer in front to provide a 4-channel input ADC. The A0 multiplexer control input allows the choice of simultaneously sampling input pairs INA1/INB1 (A0 = low) or INA2/INB2 (A0 = high). The device features a very high sampling rate mode (normal) and, for low power applications, a reduced power mode (impulse) where the power is scaled with the throughput. Operation is specified from −40°C to +85°C.APPLICATIONSAC motor control3-phase power control4-channel data acquisitionUninterrupted power suppliesCommunicationsPRODUCT HIGHLIGHTSSimultaneous Sampling.The AD7654 features two sample-and-hold circuits that allow simultaneous sampling. It provides inputs for four channels.Fast Throughput.The AD7654 is a 500 kSPS, charge redistribution, 16-bit SAR ADC with internal error correction circuitry.Superior INL and No Missing Codes.The AD7654 has a maximum integral nonlinearity of 3.5 LSB with no missing 16-bit codes.Single-Supply Operation.The AD7654 operates from a single 5 V supply. In impulse mode, its power dissipation decreases with throughput.Serial or Parallel Interface.Versatile parallel or 2-wire serial interface arrangement is compatible with both 3 V and 5 V logic. |
AD7655Low Cost, 4-Channel, 16-Bit, 500 kSPS PulSAR ADC | Analog to Digital Converters (ADC) | 4 | Active | The AD7655 is a low cost, simultaneous sampling, dual-channel, 16-bit, charge redistribution SAR, analog-to-digital converter that operates from a single 5 V power supply. It contains two low noise, wide bandwidth, track-and-hold amplifiers that allow simultaneous sampling, a high speed 16-bit sampling ADC, an internal conversion clock, error correction circuits, and both serial and parallel system interface ports. Each track-and-hold has a multiplexer in front to provide a 4-channel input ADC. The A0 multiplexer control input allows the choice of simultaneously sampling input pairs INA1/INB1 (A0 = low) or INA2/INB2 (A0 = high). The part features a very high sampling rate mode (normal) and, for low power applications, a reduced power mode (impulse) where the power is scaled with the throughput. Operation is specified from −40°C to +85°C.PRODUCT HIGHLIGHTSMultichannel ADC.The AD7655 features 4-channel inputs with two sample-and-hold circuits that allow simultaneous sampling.Fast Throughput.The AD7655 is a 500 kSPS, charge redistribution, 16-bit SAR ADC with internal error correction circuitry.Single-Supply Operation.The AD7655 operates from a single 5 V supply. In impulse mode, its power dissipation decreases with throughput.Serial or Parallel Interface.Versatile parallel or 2-wire serial interface arrangements are compatible with both 3 V and 5 V logic.APPLICATIONSAC motor control3-phase power control4-channel data acquisitionUninterrupted power suppliesCommunications |
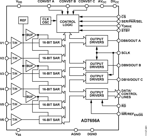
AD7656A-1250 kSPS, 6-Channel, Simultaneous Sampling, Bipolar 16-Bit ADC | Evaluation Boards | 8 | Active | The AD7656-1 /AD7657-1/AD7658-1are reduced decoupling pin- and software-compatible versions ofAD7656/AD7657/AD7658. The AD7656-1 / AD7657-1 / AD7658-1 devices contain six 16-/ 14-/12-bit, fast, low power successive approximation ADCs in a package designed on the iCMOS®process (industrial CMOS). iCMOS is a process combining high voltage silicon with submicron CMOS and complementary bipolar technologies. It enables the development of a wide range of high performance analog ICs capable of 33 V operation in a footprint that no previous generation of high voltage parts could achieve. Unlike analog ICs using conventional CMOS processes, iCMOS components can accept bipolar input signals while providing increased performance, which dramatically reduces power consumption and package size.The AD7656-1 / AD7657-1 / AD7658-1 feature throughput rates of up to 250 kSPS. The parts contain low noise, wide bandwidth track-and-hold amplifiers that can handle input frequencies up to 4.5 MHz.The conversion process and data acquisition are controlled using the CONVST signals and an internal oscillator. Three CONVST pins (CONVST A, CONVST B, and CONVST C) allow independent, simultaneous sampling of the three ADC pairs. The AD7656-1 / AD7657-1 / AD7658-1 have a high speed parallel and serial interface, allowing the devices to interface with microprocessors or DSPs. When the serial interface is selected, each part has a daisy-chain feature that allows multiple ADCs to connect to a single serial interface. The AD7656-1 / AD7657-1 / AD7658-1 can accommodate true bipolar input signals in the ±4 × VREFand ±2 × VREFranges. Each AD7656-1 / AD7657-1 / AD7658-1 also contains an on-chip 2.5 V reference.Please visit next generation productAD7606. Recommended for new designs is theAD7656A-1pin for pin compatible device with improved PSS robustness.PRODUCT HIGHLIGHTSSix 16-/14-/12-bit, 250 kSPS ADCs on board.Six true bipolar, high impedance analog inputs.High speed parallel and serial interfaces.Reduced decoupling requirements and reduced bill of materials cost compared with the AD7656 / AD7657 / AD7658 devices.APPLICATIONSPower line monitoring and measuring systemsInstrumentation and control systemsMultiaxis positioning systems |
AD7657250 kSPS, 6-Channel, Simultaneous Sampling, Bipolar, 14-Bit A/D Converter | Development Boards, Kits, Programmers | 4 | Active | TheAD7656/ AD7657 /AD7658contain six 16-/14-/12-bit, fast, low power, successive approximation ADCs all in the one package that is designed on theiCMOS™process (industrial CMOS).iCMOS is a process combining high voltage silicon with submicron CMOS and complementary bipolar technologies. It enables the development of a wide range of high performance analog ICs, capable of 33 V operation in a footprint that no previous generation of high voltage parts could achieve. Unlike analog ICs using conventional CMOS processes,iCMOS components can accept bipolar input signals while providing increased performance, which dramatically reduces power consumption and package size.The AD7656 / AD7657 / AD7658 feature throughput rates up to 250 kSPS. The parts contain low noise, wide bandwidth, track-and-hold amplifiers that can handle input frequencies up to 12 MHz.The conversion process and data acquisition are controlled using CONVST signals and an internal oscillator. Three CONVST pins allow independent, simultaneous sampling of the three ADC pairs. The AD7656 / AD7657 / AD7658 all have a high speed parallel and serial interface, allowing the devices to interface with microprocessors or DSPs. In serial interface mode, the parts have a daisy-chain feature that allows multiple ADCs to connect to a single serial interface. The AD7656 / AD7657 / AD7658 can accommodate true bipolar input signals in the ±4 × VREFrange and ±2 × VREFrange. The AD7656 / AD7657 / AD7658 also contain an on-chip 2.5 V reference.For reduced decoupling requirements visit theAD7657-1product pagePRODUCT HIGHLIGHTSSix 16-/14-/12-bit, 250 kSPS ADCs on board.Six true bipolar, high impedance analog inputs.Parallel and high speed serial interfaces.APPLICATIONSPower line monitoring systemsInstrumentation and control systemsMulti-axis positioning systems |
AD7658-1250 kSPS, 6-Channel, Simultaneous Sampling, Bipolar 12-Bit ADC | Analog to Digital Converters (ADCs) | 5 | Active | TheAD7656-1/AD7657-1/ AD7658-1 are reduced decoupling pin- and software-compatible versions ofAD7656/AD7657/AD7658. The AD7656-1 / AD7657-1 / AD7658-1 devices contain six 16-/14-/12-bit, fast, low power successive approximation ADCs in a package designed on theiCMOS®process (industrial CMOS).iCMOS is a process combining high voltage silicon with submicron CMOS and complementary bipolar technologies. It enables the development of a wide range of high performance analog ICs capable of 33 V operation in a footprint that no previous generation of high voltage parts could achieve. Unlike analog ICs using conventional CMOS processes,iCMOS components can accept bipolar input signals while providing increased performance, which dramatically reduces power consumption and package size.The AD7656-1 / AD7657-1 / AD7658-1 feature throughput rates of up to 250 kSPS. The parts contain low noise, wide bandwidth track-and-hold amplifiers that can handle input frequencies up to 4.5 MHz.The conversion process and data acquisition are controlled using the CONVST signals and an internal oscillator. Three CONVST pins (CONVST A, CONVST B, and CONVST C) allow independent, simultaneous sampling of the three ADC pairs. The AD7656-1 / AD7657-1 / AD7658-1 have a high speed parallel and serial interface, allowing the devices to interface with microprocessors or DSPs. When the serial interface is selected, each part has a daisy-chain feature that allows multiple ADCs to connect to a single serial interface. The AD7656-1 / AD7657-1 / AD7658-1 can accommodate true bipolar input signals in the ±4 × VREFand ±2 × VREFranges. Each AD7656-1 / AD7657-1 / AD7658-1 also contains an on-chip 2.5 V reference.PRODUCT HIGHLIGHTSSix 16-/14-/12-bit, 250 kSPS ADCs on board.Six true bipolar, high impedance analog inputs.High speed parallel and serial interfaces.Reduced decoupling requirements and reduced bill of materials cost compared with the AD7656 / AD7657 / AD7658 devices.APPLICATIONSPower line monitoring and measuring systemsInstrumentation and control systemsMultiaxis positioning systems |
| Data Acquisition | 2 | Active | |
AD766116-Bit, 100 kSPS PulSAR®Unipolar ADC with Ref | Data Acquisition | 4 | Active | The AD7661 is a 16-bit, 100 kSPS, charge redistribution SAR analog-to-digital converter that operates from a single 5 V power supply. The part contains a high speed 16-bit sampling ADC, an internal conversion clock, internal reference, error correction circuits, and both serial and parallel system interface ports. The AD7661 is hardware factory-calibrated and comprehensively tested to ensure ac parameters such as signal-to-noise ratio (SNR) and total harmonic distortion (THD), in addition to the more traditional dc parameters of gain, offset, and linearity.The AD7661 is available in a 48-lead LQFP and a tiny 48-lead LFCSP with operation specified from –40°C to +85°C.PRODUCT HIGHLIGHTSFast Throughput.The AD7661 is a 100 kSPS, charge redistribution, 16-bit SAR ADC with internal error correction circuitry.Superior INL.The AD7661 has a maximum integral nonlinearity of 2.5 LSB with no missing 16-bit codes.Internal Reference.The AD7661 has an internal reference with a typical temperature drift of 3 ppm/°C.Single-Supply Operation.The AD7661 operates from a single 5 V supply. Its power dissipation decreases with throughput.Serial or Parallel Interface.Versatile parallel or 2-wire serial interface arrangement is compatible with both 3 V and 5 V logic.APPLICATIONSData acquisitionMedical instrumentsDigital signal processingSpectrum analysisInstrumentationBattery-powered systemsProcess control |