A
Analog Devices
| Series | Category | # Parts | Status | Description |
|---|---|---|---|---|
| Part | Spec A | Spec B | Spec C | Spec D | Description |
|---|---|---|---|---|---|
| Series | Category | # Parts | Status | Description |
|---|---|---|---|---|
| Part | Spec A | Spec B | Spec C | Spec D | Description |
|---|---|---|---|---|---|
| Part | Category | Description |
|---|---|---|
Analog Devices ADM6713RAKSZ-REELObsolete | Integrated Circuits (ICs) | IC SUPERVISOR 1 CHANNEL SC70-4 |
Analog Devices | RF and Wireless | RF AMP SINGLE GENERAL PURPOSE RF AMPLIFIER 20GHZ 3.6V 22-PIN DIE TRAY |
Analog Devices | Integrated Circuits (ICs) | LOW NOISE, SWITCHED CAPACITOR REGULATED VOLTAGE INVERTERS |
Analog Devices | Integrated Circuits (ICs) | QUAD 16-BIT/12-BIT ±10V VOUTSOFTSPAN DACS WITH 10PPM/°C MAX REFERENCE |
Analog Devices | Integrated Circuits (ICs) | SERIAL 14-BIT, 3.5MSPS SAMPLING ADC WITH BIPOLAR INPUTS |
Analog Devices | Integrated Circuits (ICs) | ISOSPI ISOLATED COMMUNICATIONS INTERFACE |
Analog Devices | Integrated Circuits (ICs) | 4.5A, 500KHZ STEP-DOWN SWITCHING REGULATOR |
Analog Devices | Integrated Circuits (ICs) | 300 MA, LOW QUIESCENT CURRENT, ADJUSTABLE OUTPUT, CMOS LINEAR REGULATOR |
Analog Devices AD767KNObsolete | Integrated Circuits (ICs) | IC DAC 12BIT V-OUT 24DIP |
Analog Devices | Integrated Circuits (ICs) | QUAD 12-/10-/8-BIT RAIL-TO-RAIL DACS WITH 10PPM/°C REFERENCE |
| Series | Category | # Parts | Status | Description |
|---|---|---|---|---|
| Integrated Circuits (ICs) | 2 | Obsolete | ||
| Audio Amplifier Evaluation Boards | 2 | Active | ||
| Audio | 2 | Active | ||
| Amplifiers | 1 | Active | ||
| Integrated Circuits (ICs) | 2 | Obsolete | ||
| Integrated Circuits (ICs) | 2 | Obsolete | ||
SSM352530 W, Filterless, Class-D, Output Sensing Audio Amplifier | Audio | 2 | Active | The SSM3525 is a fully integrated, high efficiency, mono Class D audio amplifier with digital input and digitized output of output voltage, output current, and PVDDsupply. The application circuit requires few external components and can operate from 4.5 V to 17 V (PVDD) and 1.8 V (IOVDD) supplies. It is capable of delivering 8.3 W of continuous output power into an 8 Ω load (or 15.3 W into 4 Ω) with <1% THD + N from a 12 V supply, or 30.2 W into an 4 Ω load from a 17 V power supply, all with <1% THD + N.The SSM3525 features a high efficiency, low noise modulation scheme that requires no external inductor/capacitor (LC) output filters. This scheme continues to provide high efficiency even at low output power. It operates with 92% efficiency at 9W into an 8 Ω load, 12V or 89% efficiency at 20 W into 4 Ω from a 17 V supply, (should now match the table)and it has an signal-to-noise ratio (SNR) of 107 dB A weighted.Spread spectrum pulse density modulation provides lower electromagnetic interference (EMI) radiated emissions compared with other Class-D architectures, particularly above 100 MHz.The digital input eliminates the need of an external digital-to-analog converter (DAC). The SSM3525 has a micropower shutdown mode with a typical shut¬down current of 90 nA at 12 V PVDDsupply. Individual sense blocks can be powered down to save power when sense is not needed.The device also includes pop and click suppression circuitry that minimizes voltage glitches at the output during turn on and turn off.Current sensing is accomplished using an integrated analog-to-digital converter (ADC) and internal sense resistor. The digitized voltage and current information can be returned in various serial audio formats, including I2S, time division multiplexing (TDM) and pulse density modulation (PDM).The SSM3525 includes an integrated regulator to generate the required 5 V analog supply. Alternatively, if an external 5 V rail from a dc-to-dc converter is available, it can improve system efficiency.The SSM3525 is designed to operate with an I2C control interface and specified over the temperature range −40°C to +85°C. It has built-in thermal shutdown and output short-circuit protection. It is available in a halide free, 23-ball, 2.26 mm × 2.38 mm wafer-level chip scale package (WLCSP).ApplicationsMobile computingPortable electronics |
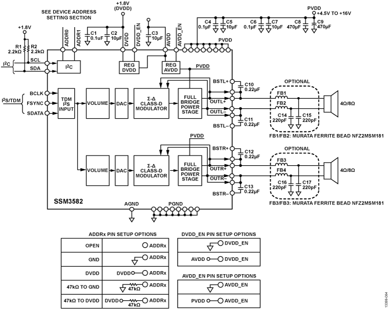
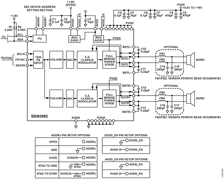
SSM35822×, 31.76 W, Digital Input, Filterless Stereo Class-D Audio Amplifier | Amplifiers | 1 | Active | The SSM3582 is a fully integrated, high efficiency, digital input stereo Class-D audio amplifier. It can operate from a single supply, and requires only a few external components, significantly reducing the circuit bill of materials.A proprietary, spread spectrum Σ-Δ modulation scheme enables direct connection to the speaker, and ensures state-of-the-art analog performance while lowering radiated emissions compared to other Class-D architectures. An optional ultralow electromagnetic interference (EMI) mode significantly reduces radiated emissions above 100 MHz, enabling longer speaker cable lengths. Audio is transmitted digitally to the amplifier, minimizing the possibility of signal corruption in digital environments. The amplifier provides outstanding analog performance, with an over 106 dB signal-to-noise ratio and a vanishingly low 0.004% THD + N.The SSM3582 operates from a single 4.5 V to 16 V supply, and is capable of delivering 2 × 15 W rms continuously into 8 Ω and 4 Ω loads at <1% total harmonic distortion (THD). The efficient modulation scheme maintains excellent power efficiency over a wide range of impedances: 93% into an 8 Ω load and 90% into a 4 Ω load. Optimization of the output pulse maintains performance at impedances as low as 3 Ω/5 μH, enabling its use with extended bandwidth tweeters.The pulse code modulation (PCM) audio serial port supports most common protocols, such as I2S, left justified, and time division multiplexing (TDM), and can address up to 16 devices on a single interface, for up to 32 audio playback channels.IC operation is controlled through a dedicated I2C interface. The two ADDRx pins (2×, 5-level) define up to 16 individual addresses in I2C and standalone modes, and automatically set the default TDM slots attribution.A micropower shutdown mode is triggered by removing the digital audio interface clock, with a typical current of <1 μA. A software power-down mode is also available.An automatic power-down feature shuts down the amplifier and the digital-to-analog converter (DAC) when no signal is present at the input, minimizing power consumption during digital silence. The device restarts when nonzero data is present at the input. Mute and unmute transitions are pop/click free.The SSM3582 is specified over the commercial temperature range of −40°C to +85°C. The device has built-in thermal shutdown and output short-circuit protection, as well as an early thermal warning with programmable gain limiting to maintain operation.The SSM3582 is available in a 40-lead, 6 mm × 6 mm lead frame chip scale package (LFCSP), with a thermal pad to improve heat dissipation.ApplicationsMobile computingAll in one computersPortable electronicsWireless speakersTelevisions |
| Integrated Circuits (ICs) | 1 | Active | ||
SSM6322High Fidelity, Low Power, Integrated Stereo Audio Amplifier | Linear | 1 | Active | The SSM6322 is an integrated, dual-channel audio amplifier solution that interfaces directly with audio DAC/CODEC, maximizing the fidelity of high fidelity audio signal chains. The highly efficient design of the SSM6322 delivers outstanding audio performance while minimizing power dissipation for maximum battery life in portable applications.The SSM6322 features −121 dB THD + N at 1 kHz, along with very low output noise from 20 Hz to 20 kHz. The low power operation, high peak output current, and high PSRR make the SSM6322 an ideal candidate for applications that require high fidelity audio, high dynamic range, precision, and low power. This highly integrated drive solution also reduces development time while reducing board space and minimizing external components.The SSM6322 is available in a 24-lead LFCSP package. The SSM6322 operates over the industrial temperature of −40°C to +85°C.ApplicationsHigh fidelity headphone driverMobile phonesBluetooth speakers & headphonesGaming Notebooks and TabletsA/V receiversProfessional audio equipmentAudio test equipmentAutomobile infotainment system |