A
Analog Devices
| Series | Category | # Parts | Status | Description |
|---|---|---|---|---|
| Part | Spec A | Spec B | Spec C | Spec D | Description |
|---|---|---|---|---|---|
| Series | Category | # Parts | Status | Description |
|---|---|---|---|---|
| Part | Spec A | Spec B | Spec C | Spec D | Description |
|---|---|---|---|---|---|
| Series | Category | # Parts | Status | Description |
|---|---|---|---|---|
| Arrays | 2 | Active | ||
| Bipolar Transistor Arrays | 2 | Active | ||
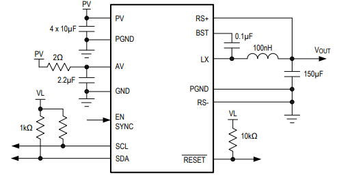
MAX20411Automotive High-Efficiency Single 16A/22A/ 30A/40A Step-Down Converter Family | Integrated Circuits (ICs) | 8 | Active | The MAX20411 is a family of high-efficiency, synchronous step-down converters that operate with a 3.0V to 5.5V input voltage range and supply a 0.5V to 1.275V output voltage range. The wide input/output voltage range and the ability to provide up to 40A peak output current make this device family ideal for on-board point-of-load and post-regulation applications. The MAX20411 achieves as low as ±0.75% output error over load, line, and temperature ranges.The MAX20411 features a 2.1MHz fixed-frequency PWM mode for better noise immunity and load-transient response. The 2.1MHz frequency operation allows for the use of all ceramic capacitors and minimizes external components. The spread-spectrum frequency modulation option minimizes radiated electromagnetic emissions. Integrated low RDS(ON)switches improve efficiency at heavy loads and make layout simpler than discrete solutions.This device features the MAXQ®power architecture, which provides precision transient performance and phase margin. This allows obtaining the maximum power, performance, and precision while minimizing system cost for any specific application.The MAX20411 is offered with a factory-preset output voltage. (See the Ordering Information table for options.) The I2C interface supports dynamic voltage adjustment with programmable slew rates. Other features include programmable soft-start, and overtemperature protections.ApplicationsAutomotive ADAS SystemsSoC Core Power |
MAX20499Automotive Single 8A/12A Step-Down Converter Family | Voltage Regulators - DC DC Switching Regulators | 4 | Active | The MAX20499 is a family of high-efficiency, synchronous step-down converters that operate with a 3.0V to 5.5V input voltage range and supply a 0.5V to 1.275V output voltage range. The wide input/output voltage range and the ability to provide up to 12A peak output current make this device family ideal for on-board point-of-load and post-regulation applications. The MAX20499 achieves ±1.5% output error over load, line, and temperature ranges.The MAX20499 features a 2.2MHz fixed-frequency PWM mode for better noise immunity and load-transient response. The 2.2MHz frequency operation allows for the use of all ceramic capacitors and minimizes external components. The spread-spectrum frequency modulation option minimizes radiated electromagnetic emissions. Integrated low RDS(ON)switches improve efficiency at heavy loads and make layout simpler than discrete solutions.The MAX20499 is offered with factory-preset output voltage. See theOrdering Informationtable for options. The I2C interface supports dynamic voltage adjustment with programmable slew rates. Other features include programmable soft-start, along with overcurrent and overtemperature protections.APPLICATIONSAutomotive Entertainment SystemsSoC Core Power |
MAX22217Quad Smart Serial-Controlled Solenoid and Motor Driver with Advanced Diagnostic | Integrated Circuits (ICs) | 2 | Active | The MAX22216/MAX22217 integrate four programmable 36V half-bridges. It is primarily intended to drive inductive loads such as on-off solenoid valves, DC motors, proportional valves, bi-stable valves, relays, etc. The MAX22216 is capable of up to 3.2AFSper half-bridge, whereas the MAX22217 is capable of up to 1AFSper half-bridge. The MAX22216/MAX22217 operate from -40°C to +125°C ambient temperature.The MAX22216/MAX22217 half-bridges support two different use cases. In the first case, configuration settings can be entered through a serial peripheral interface (SPI) and can be changed at any time. Alternatively, settings can be stored in one-time programmable (OTP) registers, which are loaded at power-up. This enables stand-alone operations. Registers are user-programmable. The OTP writing procedure must be executed in a factory under well-controlled temperature and voltage conditions.High-side/low-side single-ended drive operations and bridge-tied load (BTL) configurations are supported. Channel parallelization is also supported. Voltage control, current control, and mixed schemes are supported.In voltage drive regulation mode (VDR mode), the half-bridge output voltage is controlled. Supply variations are internally compensated.In current drive regulation mode (CDR mode), the half-bridge output current is controlled. The current is internally sensed and fed back to the controller for accurate closed-loop regulation. Proportional and integral gains can be configured to optimize steady-state errors and dynamic performance.The MAX22216/MAX22217 integrate functions aimed to optimize solenoid and DC motor drive control. These include a two-level sequencer for power saving, drive signal ramp control (RAMP) for noise reduction, a dither function (DITH) to counteract the effects of static friction and hysteresis, a fast demagnetization feature (DC_H2L) to shorten on-off cycles, and a DC-Motor current limiter for limiting inrush and stall currents.Advanced diagnostic functions are available to improve system reliability and enable predictive maintenance. These include the detection of plunger movement (DPM), inductance measurement, travel time measurement, open-load detection (OL), and real-time current monitoring through a serial Interface.The MAX22216/MAX22217 feature a full set of protection circuits, including overcurrent protection (OCP), overtemperature protection (OVT), and undervoltage lockout (UVM). A fault indicator pin is asserted whenever faults are detected.The MAX22216/MAX22217 are offered in TQFN32 5mm x 5mm packages.APPLICATIONSSolenoid On-Off Valves and RelaysDC MotorsProportional ValvesBi-Stable Latching Solenoid ValvesSwitching Driver with Real-Time Current MeasurementDigital Output InterfaceElectromechanical Motor Brake |
MAX31732Four-Channel Remote Temperature Sensor | Sensors, Transducers | 2 | Active | The MAX31732 is a multi-channel temperature sensor that monitors its own temperature and the temperatures of up to four external diode-connected transistors. A resistance cancellation feature compensates for up to 300Ω of series resistance between the external thermal diode and the MAX31732, while beta compensation corrects for temperature-measurement errors due to low-beta sensing transistors. The sensor also allows ideality factors between 0.9844 and 1.311.The MAX31732 offers two open-drain, active-low alarm outputs,ALARM1andALARM2. When the measured temperature of a channel crosses the respective primary overtemperature/undertemperature threshold levels,ALARM1asserts low, and a status bit is set in the corresponding thermal status registers. When the measured temperature of a channel crosses the secondary overtemperature/undertemperature threshold levels,ALARM2asserts low and a status bit is set in the corresponding thermal status registers. The highest temperature register allows the controller to obtain the temperature of the hottest channel.A 512-bit nonvolatile memory (NVM) allows the MAX31732 to program the configuration registers during power-up without software/firmware intervention. The NVM also captures the fault temperature for each remote and local channel for further analysis at a later time.The 2-wire serial interface accepts SMBus protocols (write byte, read byte, send byte, and receive byte) for reading the temperature data and programming the temperature thresholds. Any one of the eight available target addresses can be selected using the address selection input (ADD), which can be connected to ground or connected to a grounded resistor.The is specified over the -40°C to +125°C operating temperature range and with a 3.0V to 3.6V input supply range. MAX31732 is available in a 24-pin, 4mm x 4mm TQFN package.APPLICATIONSTemperature Measurement of On-Chip CPU, ASIC, SOC, or FPGA diodes or remote discrete diodesIndustrial-Thermal Management |
MAX34461APMBus 16-Channel Voltage Monitor and Sequencer | Integrated Circuits (ICs) | 1 | Active | The MAX34461A is a system monitor that is capable of managing up to 16 power supplies. The power-supply manager monitors the power-supply output voltages and constantly checks for user-programmable overvoltage and undervoltage thresholds. If a fault is detected, the device automatically shuts down the system in an orderly fashion. The device can sequence the supplies in any order at both power-up and power-down. With the addition of external current DACs, the device has the ability to close-loop margin the power-supply output voltages up or down to a user-programmable level. The device contains an internal temperature sensor and can support up to four external remote temperature sensors. Once configured, the device can operate autonomously without any host intervention.ApplicationsNetwork Switches/RoutersBase StationsServersSmart Grid Network SystemsDifferences from MAX34460Adds 4 Channels of Monitoring, Sequencing, and MarginingRemoves Dual-Loop Sequencing, Watchdog, and Alarm Output Functionality |
MAX77972AccuCharge + ModelGauge 1-Cell Fuel Gauge and 3A Charger with Integrated USB Type-C Detection | Integrated Circuits (ICs) | 1 | Active | The MAX77972 is an autonomous integrated FET charger with integrated fuel gauge, Universal Serial Bus (USB) Type-C and BC1.2 detection. The MAX77972 supports 4.5V to 13.7V inputs and up to 3.15A of charging current. Charge current and voltage are I2C and pin-configurable using resistors. The IC supports USB On-The-Go (OTG) reverse boost and includes a Smart Power Selector™ (SPS), which is best for using limited adapter and battery power.The fuel gauge uses the ModelGauge™ m5 algorithm, which provides industry-leading accuracy by combining the short-term accuracy and linearity of a coulomb counter with the long-term stability of a voltage-based fuel gauge. ModelGauge m5 automatically compensates for cell aging, temperature, and discharge rate and provides accurate state-of-charge (SOC) over a wide range of operating conditions.Charging is coordinated with the fuel gauge to provide 9-temperature-region JEITA charge control as well as step-charging. Other protection features include junction thermal regulation, over/under voltage protection, and short circuit protection.The USB Type-C Configuration Channel (CC) detection pins on the MAX77972 enable automatic USB Type-C power source detection and input current limit configuration. To support a variety of legacy USB types as well as proprietary adapters, the IC also integrates BC1.2 detection using the D+ and D- pins. The IC runs the CC pin and BC1.2 detection automatically as soon as a USB plug is inserted without any software control.The IC is available in a lead-free 3.208mm x 3.258mm 36-bump 0.5mm pitch Wafer-level packaging (WLP) package. |
MAX9295DGMSL2 Dual CSI-2 Serializer with GMSL1 Compatibility | Integrated Circuits (ICs) | 1 | Active | The MAX9295D converts single- or dual-port MIPI CSI-2 data streams to GMSL2™ or GMSL1™ while sending and receiving control-channel data, enabling full-duplex single-wire transmission of forward video and bidirectional control data over cables in excess of 15m in length. In GMSL2 mode, the device operates at a fixed rate of 3Gbps or 6Gbps in the forward direction and 187.5Mbps in the reverse direction. In GMSL1 mode, the MAX9295D can be paired with first-generation 3.12Gbps or 1.5Gbps GMSL1 deserializers or operate up to 4.5Gbps with GMSL2 deserializers configured for GMSL1 mode. Operation is specified over the automotive temperature range of -40°C to +105°C and the device is AEC-Q100 Grade 2 qualified. Cable can be coaxial or shielded twisted pair (STP).Table 1. Typical Maximum Cable Length vs. Attenuation3.2mm Ø 50Ω Coax, Foam Dielectric2.7mm Ø 50Ω Coax, Solid Dielectric100Ω Shielded-Twisted Pair, AWG26Attenuation at 3GHz (Typ, Room Temp)0.9dB/m1.6dB/m1.8dB/mAttenuation at 3GHz (Max, Aged, +105°C)1.1dB/m2.0dB/m2.2dB/mGMSL Fwd/Rev Data RateTypical Maximum Cable Length at +105°C3Gbps/187.5Mbps20m10m11m6Gbps/187.5Mbps15m9m8mAPPLICATIONSCo-located sensorsStereo cameraSide mirrorRadarLidar |
MAX96717CSI-2 to GMSL2 Serializer | Serializers, Deserializers | 1 | Active | The MAX96717 GMSL™serializer receives video on an MIPI CSI-2 interface and outputs it on a GMSL2 serial link transceiver. Simultaneously, it sends and receives bidirectional control channel data across the same GMSL2 link. GMSL2 data can be transported over Coaxial or Shielded-Twisted Pair (STP) cables. It operates at a fixed rate of 3Gbps or 6Gbps in the forward direction, and 187.5Mbps in the reverse direction. The device is programmed through a local I2C/UART interface or across the link from a matching deserializer. The MAX96717 includes two I2C/UART pass-through channels, flexible GPIO, SPI tunnel, a built-in ADC, temperature sensor, and an extensive set of diagnostics for functional safety. Operation is specified over the automotive temperature range of -40°C to +105°C and the device is AEC-Q100 Grade 2 qualified.Data can be transmitted over low-cost 50Ω Coax or 100Ω STP cables that meet the GMSL2 channel specification. Table 1 in the data sheet provides guidance to typical maximum lengths of commonly used automotive cables. Contact the factory for the GMSL2 channel specification.ApplicationsAdvanced Driver Assistance Systems (ADAS)8Mp 40fps Forward-Vision Camera (FVC) SystemsSurround View Systems (SVS)Driver Monitor Systems (DMS)Rear-View Camera (RVC)Systems with Multiple Synchronized Cameras |
| Part | Category | Description |
|---|---|---|
![]() Analog Devices ADM6713RAKSZ-REELObsolete | Integrated Circuits (ICs) | IC SUPERVISOR 1 CHANNEL SC70-4 |
Analog Devices | RF and Wireless | RF AMP SINGLE GENERAL PURPOSE RF AMPLIFIER 20GHZ 3.6V 22-PIN DIE TRAY |
![]() Analog Devices | Integrated Circuits (ICs) | LOW NOISE, SWITCHED CAPACITOR REGULATED VOLTAGE INVERTERS |
![]() Analog Devices | Integrated Circuits (ICs) | QUAD 16-BIT/12-BIT ±10V VOUTSOFTSPAN DACS WITH 10PPM/°C MAX REFERENCE |
![]() Analog Devices | Integrated Circuits (ICs) | SERIAL 14-BIT, 3.5MSPS SAMPLING ADC WITH BIPOLAR INPUTS |
![]() Analog Devices | Integrated Circuits (ICs) | ISOSPI ISOLATED COMMUNICATIONS INTERFACE |
![]() Analog Devices | Integrated Circuits (ICs) | 4.5A, 500KHZ STEP-DOWN SWITCHING REGULATOR |
![]() Analog Devices | Integrated Circuits (ICs) | 300 MA, LOW QUIESCENT CURRENT, ADJUSTABLE OUTPUT, CMOS LINEAR REGULATOR |
![]() Analog Devices AD767KNObsolete | Integrated Circuits (ICs) | IC DAC 12BIT V-OUT 24DIP |
![]() Analog Devices | Integrated Circuits (ICs) | QUAD 12-/10-/8-BIT RAIL-TO-RAIL DACS WITH 10PPM/°C REFERENCE |