A
Analog Devices
| Series | Category | # Parts | Status | Description |
|---|---|---|---|---|
| Part | Spec A | Spec B | Spec C | Spec D | Description |
|---|---|---|---|---|---|
| Series | Category | # Parts | Status | Description |
|---|---|---|---|---|
| Part | Spec A | Spec B | Spec C | Spec D | Description |
|---|---|---|---|---|---|
| Part | Category | Description |
|---|---|---|
Analog Devices ADM6713RAKSZ-REELObsolete | Integrated Circuits (ICs) | IC SUPERVISOR 1 CHANNEL SC70-4 |
Analog Devices | RF and Wireless | RF AMP SINGLE GENERAL PURPOSE RF AMPLIFIER 20GHZ 3.6V 22-PIN DIE TRAY |
Analog Devices | Integrated Circuits (ICs) | LOW NOISE, SWITCHED CAPACITOR REGULATED VOLTAGE INVERTERS |
Analog Devices | Integrated Circuits (ICs) | QUAD 16-BIT/12-BIT ±10V VOUTSOFTSPAN DACS WITH 10PPM/°C MAX REFERENCE |
Analog Devices | Integrated Circuits (ICs) | SERIAL 14-BIT, 3.5MSPS SAMPLING ADC WITH BIPOLAR INPUTS |
Analog Devices | Integrated Circuits (ICs) | ISOSPI ISOLATED COMMUNICATIONS INTERFACE |
Analog Devices | Integrated Circuits (ICs) | 4.5A, 500KHZ STEP-DOWN SWITCHING REGULATOR |
Analog Devices | Integrated Circuits (ICs) | 300 MA, LOW QUIESCENT CURRENT, ADJUSTABLE OUTPUT, CMOS LINEAR REGULATOR |
Analog Devices AD767KNObsolete | Integrated Circuits (ICs) | IC DAC 12BIT V-OUT 24DIP |
Analog Devices | Integrated Circuits (ICs) | QUAD 12-/10-/8-BIT RAIL-TO-RAIL DACS WITH 10PPM/°C REFERENCE |
| Series | Category | # Parts | Status | Description |
|---|---|---|---|---|
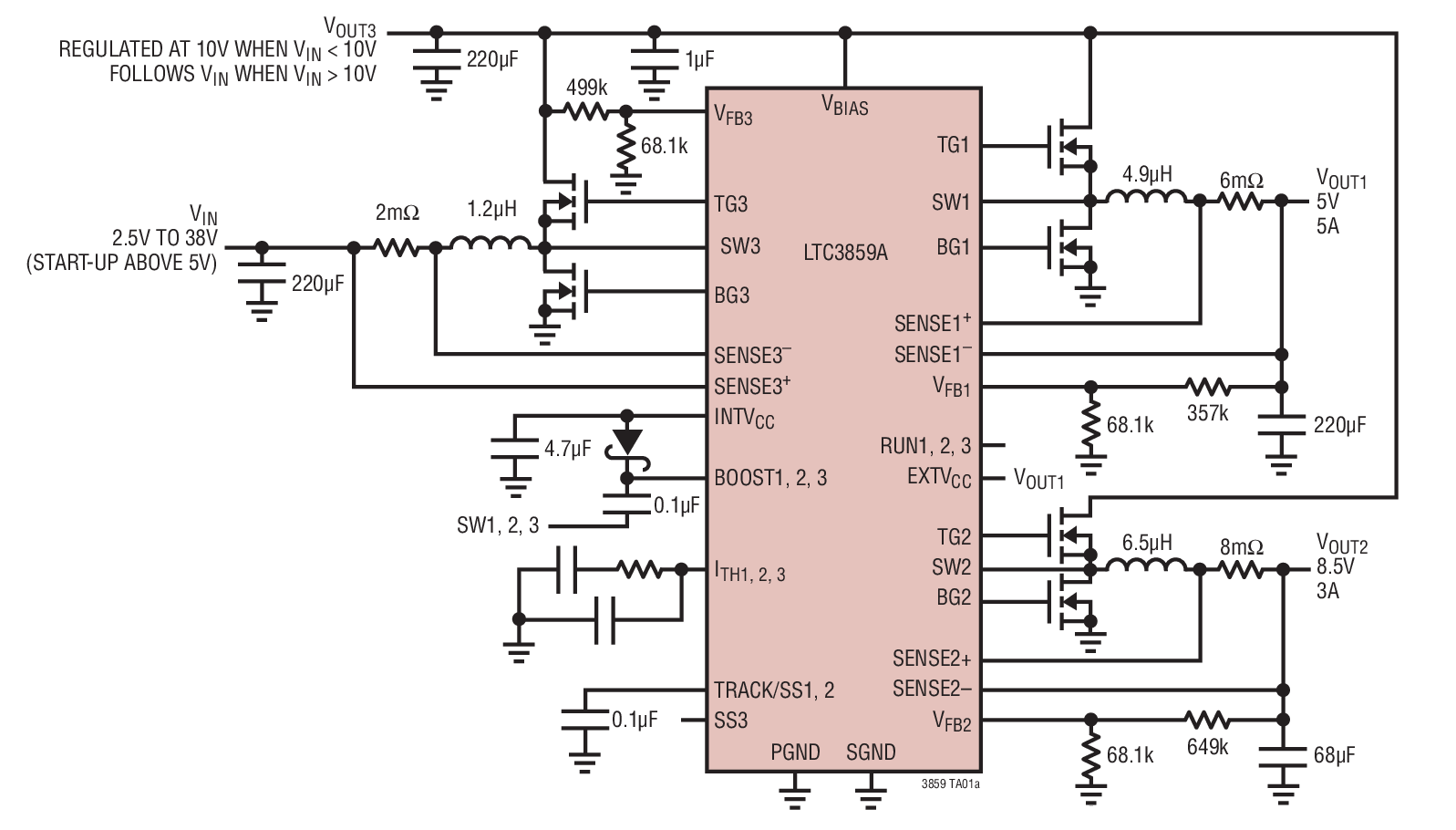
LTC3859ALLow IQ, Triple Output, Buck/Buck/Boost Synchronous Controller with Improved Burst Mode Operation | Power Management (PMIC) | 21 | Active | The LTC3859A is a high performance triple output (buck/buck/boost) synchronous DC/DC switching regulator controller that drives all N-channel power MOSFET stages. Constant frequency current mode architecture allows a phase-lockable switching frequency of up to 850kHz. The LTC3859A operates from a wide 4.5V to 38V input supply range. When biased from the output of the boost converter or another auxiliary supply, the LTC3859A can operate from an input supply as low as 2.5V after start-up.The 55μA no-load quiescent current extends operating runtime in battery powered systems. OPTI-LOOP compensation allows the transient response to be optimized over a wide range of output capacitance and ESR values. The LTC3859A features a precision 0.8V reference for the bucks, 1.2V reference for the boost and a power good output indicator. The PLLIN/MODE pin selects among Burst Mode operation, pulse-skipping mode, or continuous inductor current mode at light loads.Compared to the LTC3859, the LTC3859A's boost controller has improved performance in Burst Mode operation when the input voltage is higher than the regulated output voltage.Quiescent Current (Burst Mode)NotesLTC3859AL28μA-One channel on, Buck38μA-All three channels onInternal clamp on the INTVCC pinLTC3859A55μA-One channel on, Buck80μA-All three channels onInternal clamp on the INTVCC pin. For new designs, we recommend LTC3859ALLTC385955μA-One channel on, Buck80μA-All three channels onFor new designs, we recommend LTC3859ALApplicationsAutomotive Always-On and Start-Stop SystemsBattery Operated Digital DevicesDistributed DC Power SystemsMultioutput Buck-Boost Applications |
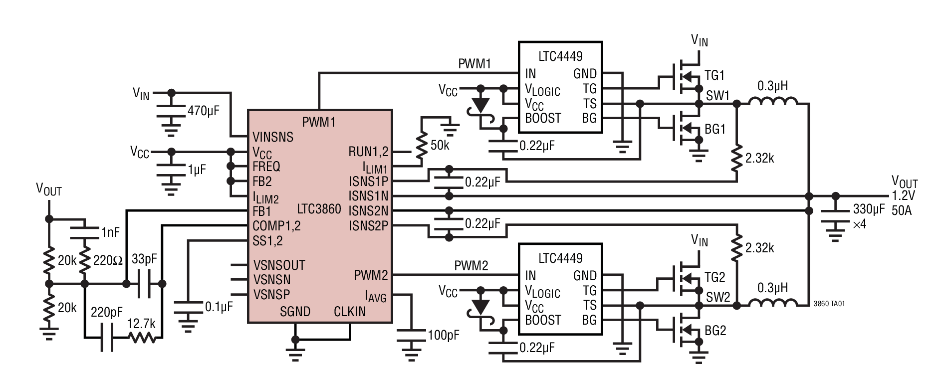
LTC3860Dual, Multiphase Step-Down Voltage Mode DC/DC Controller with Current Sharing | Power Management (PMIC) | 3 | Active | The LTC3860 is a dual, PolyPhase®synchronous stepdown switching regulator controller for high current distributed power systems, digital signal processors, and other telecom and industrial DC/DC power supplies. It uses a constant frequency voltage mode architecture combined with very low offset, high bandwidth error amplifiers and a remote output sense differential amplifier for excellent transient response and output regulation.The controller incorporates lossless inductor DCR current sensing to maintain current balance between phases and to provide overcurrent protection. The chip operates from a VCCsupply between 3V and 5.5V and is designed for stepdown conversion from VINbetween 3V and 24V to output voltages between 0.6V and VCC– 0.5V.The TRACK/SS pins provide programmable soft-start or tracking functions. Inductor current reversal is disabled during soft-start to safely power prebiased loads. The constant operating frequency can be synchronized to an external clock or linearly programmed from 250kHz to 1.25MHz. Up to six LTC3860 controllers can operate in parallel for 1-, 2-, 3-, 4-, 6- or 12-phase operation.The LTC3860 is available in a 32-pin 5mm × 5mm QFN package.ApplicationsHigh Current Distributed Power SystemsDigital Signal Processor and ASIC SuppliesTelecom SystemsIndustrial Power Supplies |
LTC3861-1Dual, Multiphase Step-Down Voltage Mode DC/DC Controller with Accurate Current Sharing | Voltage Regulators - DC DC Switching Controllers | 3 | Active | The LTC3861-1 is a dual PolyPhase®synchronous stepdown switching regulator controller for high current distributed power systems, digital signal processors, and other telecom and industrial DC/DC power supplies. It uses a constant-frequency voltage mode architecture combined with very low offset, high bandwidth error amplifiers and a remote output sense differential amplifier for excellent transient response and output regulation.The controller incorporates lossless inductor DCR current sensing to maintain current balance between phases and to provide overcurrent protection. The chip operates from a VCCsupply between 3V and 5.5V and is designed for stepdown conversion from VINbetween 3V and 24V to output voltages between 0.6V and VCC– 0.5V.Inductor current reversal is disabled during soft-start to safely power prebiased loads. The constant operating frequency can be synchronized to an external clock or linearly programmed from 250kHz to 2.25MHz. Up to six LTC3861-1 controllers can operate in parallel for 1-, 2-, 3-, 4-, 6- or 12-phase operation.The LTC3861-1 is pin-to-pin compatible with the LTC3860. It is available in a 32-pin 5mm × 5mm QFN package. The LTC3861is a 36-pin QFN version of the LTC3861-1, which has dual differential output voltage sense amplifiers.# Diff AmpsConfig PinPackageLTC38612Yes5 x 6 QFN-36LTC3861-11No5 x 5 QFN-32ApplicationsHigh Current Distributed Power SystemsDSP, FPGA and ASIC SuppliesDatacom and Telecom SystemsIndustrial Power Supplies |
LTC3862-1Multi-Phase Current Mode Step-Up DC/DC Controller | Voltage Regulators - DC DC Switching Controllers | 33 | Active | The LTC3862-1 is a two phase constant frequency, current mode boost and SEPIC controller that drives N-channel power MOSFETs. Two phase operation reduces system filtering capacitance and inductance requirements.The operating frequency can be set with an external resistor over a 75kHz to 500kHz range and can be synchronized to an external clock using the internal PLL. Multi-phase operation is possible using the SYNC input, the CLKOUT output and the PHASEMODE control pin allowing 2-, 3-, 4-, 6- or 12-phase operation.Other features include an internal 10V LDO with undervoltage lockout protection for the gate drivers, a precision RUN pin threshold with programmable hysteresis, soft-start and programmable leading edge blanking and maximum duty cycle.Part NumberVINRangeINTVCCUV+UV–LTC38624V to 36V5V3.3V2.9VLTC3862-18.5V to 36V10V7.5V7.0VLTC3862-25.5V to 36V10V4.4V3.9VApplicationsAutomotive, Telecom and Industrial Power Supplies |
LTC386360V Low IQInverting DC/DC Controller | Voltage Regulators - DC DC Switching Controllers | 7 | Active | The LTC3863 is a robust, inverting DC/DC PMOS controller optimized for automotive and industrial applications. It drives a P-channel power MOSFET to generate a negative output and requires just a single inductor to complete the circuit. Output voltages from –0.4V to –150V are typically achievable with higher voltages possible, only limited by external components.The LTC3863 offers excellent light load efficiency, drawing only 70μA quiescent current in a user programmable Burst Mode operation. Its peak current mode, constant frequency PWM architecture provides for good control of switching frequency and output current limit. The switching frequency can be programmed from 50kHz to 850kHz with an external resistor and can be synchronized to an external clock from 75kHz to 750kHz.The LTC3863 offers programmable soft-start or output tracking. Safety features include overvoltage, overcurrent and short-circuit protection including frequency foldback.The LTC3863 is available in thermally enhanced 12-lead MSOP and 3mm × 4mm DFN packages.ApplicationsIndustrial and Automotive Power SuppliesTelecom Power SuppliesDistributed Power Systems |
LTC386460V Low IQStep-Down DC/DC Controller with 100% Duty Cycle Capability | Power Management (PMIC) | 8 | Active | The LTC3864 is a robust, high voltage step-down DC/DC controller optimized for automotive and industrial applications. It drives a P-channel power MOSFET switch allowing 100% duty cycle operation. The wide input and output voltage ranges cover a multitude of applications. This device has been verified with the failure mode and effects analysis (FMEA) procedure for operation during failure conditions.The LTC3864 offers excellent light load efficiency, drawing only 40μA quiescent current in a user programmable Burst Mode operation. Its peak current mode, constant frequency PWM architecture provides for good control of switching frequency and output current limit. The switching frequency can be programmed from 50kHz to 850kHz with an external resistor and can be synchronized to an external clock from 75kHz to 750kHz.The LTC3864 offers programmable soft-start or output tracking. Safety features include overvoltage protection, overcurrent and short-circuit protection including frequency foldback and a power good output signal.The LTC3864 is available in thermally enhanced 12-Pin MSOP and 3mm × 4mm DFN packages.APPLICATIONSIndustrial and Automotive Power SuppliesTelecom Power SuppliesDistributed Power Systems |
LTC3865LTC3865-1Dual, 2-Phase Synchronous DC/DC Controller with Pin Selectable Outputs | PMIC | 5 | Active | The LTC3865/LTC3865-1 are high performance dual synchronous step-down DC/DC switching regulator controllers that drive all N-channel synchronous power MOSFET stages. A constant frequency current mode architecture allows a phase-lockable frequency of up to 770kHz. Power loss and noise are minimized by operating the two controller output stages out of phase.OPTI-LOOP®compensation allows the transient response to be optimized over a wide range of output capacitance and ESR values. Independent track/soft-start pins for each controller ramp the output voltage during start-up. Current foldback limits MOSFET heat dissipation during short-circuit conditions. The MODE/PLLIN pin selects among Burst Mode®operation, pulse-skipping mode, and continuous inductor current mode. The output voltages can be precisely programmed by pin strapping or external resistors.The LTC3865/LTC3865-1 are available in low profile (5mm × 5mm) 32-pin QFN and 38-Lead thermally enhanced TSSOP packages.ApplicationsDC Power Distribution Systems |
LTC3866Current Mode Synchronous Controller for Sub Milliohm DCR Sensing | Power Management (PMIC) | 3 | Active | The LTC3866 is a single phase current mode synchronous step-down switching regulator controller that drives all N-channel power MOSFET switches. It employs a unique architecture which enhances the signal-to-noise ratio of the current sense signal, allowing the use of a very low DC resistance power inductor to maximize the efficiency in high current applications. This feature also reduces the switching jitter commonly found in low DCR applications. The LTC3866 also includes a high speed remote sense differential amplifier, a programmable current sense limit that can be selected to 10mV, 15mV, 20mV, 25mV or 30mV, and DCR temperature compensation to limit the maximum output current precisely over temperature.The LTC3866 also features a precise 0.6V reference with a guaranteed limit of ±0.5% that provides an accurate output voltage from 0.6V to 3.5V. A 4.5V to 38V input voltage range allows it to support a wide variety of bus voltages and various types of batteries.The LTC3866 is offered in a low profile 24-lead 4mm × 4mm QFN and 24-lead exposed pad FE packages.ApplicationsComputer SystemsTelecom SystemsIndustrial and Medical InstrumentsDC Power Distribution Systems |
LTC3867Synchronous Step-Down DC/DC Controller with Differential Remote Sense and Nonlinear Control | Power Management (PMIC) | 3 | Active | The LTC3867 is a current mode synchronous step-down switching regulator controller that drives all N-channel power MOSFET stages. Output voltage transient excursions are minimized by use of a nonlinear control architecture to eliminate clock latency issues.The maximum current sense voltage is programmable from 30mV to 75mV, allowing the use of either a discrete sense resistor or the inductor DCR as the sensing element. Programmable DCR temperature compensation allows constant current limit regardless of inductor temperature. Programmable inductor temperature-based thermal shutdown protects the power components from thermal stress. Soft recovery from output shorts or overcurrent minimizes output overshoot.The LTC3867 features a precision 0.6V reference and can regulate output voltages up to 14V from a wide 4V to 38V input supply range. The LTC3867 includes a high speed differential remote sense amplifier. Burst Mode®operation, continuous and pulse-skipping modes are supported. The LTC3867 is available in a 24-lead (4mm × 4mm) QFN package.ApplicationsAutomotive SystemsTelecom SystemsIndustrial EquipmentDistributed DC Power Systems |
LTC3868-1Low IQ, Dual 2-Phase Synchronous Step-Down Controller | Voltage Regulators - DC DC Switching Controllers | 5 | Active | The LTC3868-1 is a high performance dual step-down switching regulator controller that drives all N-channel synchronous power MOSFET stages. A constant frequency current mode architecture allows a phase-lockable frequency of up to 850kHz. Power loss and noise due to the input capacitor ESR are minimized by operating the two controller outputs out of phase.The 170μA no-load quiescent current extends operating life in battery powered systems. OPTI-LOOP compensation allows the transient response to be optimized over a wide range of output capacitance and ESR values. The LTC3868-1 features a precision 0.8V reference and a power good output indicator. A wide 4V to 24V input supply range encompasses a wide range of intermediate bus voltages and battery chemistries.Independent soft-start pins for each controller ramp the output voltages during start-up. Current foldback limits MOSFET heat dissipation during short-circuit conditions. The output short-circuit latchoff feature further protects the circuit in short-circuit conditions.For a leadless 32-pin QFN package with the additional features of adjustable current limit, clock out, phase modulation and two PGOOD outputs, see the LTC3868 data sheet.LTC3868LTC3868-1FeaturesAdjustable Current Limit, Clock Out Pin, Phase Modulation, Two PGOODFixed Current Limit, One PGOODPackageQFN-32SSOP-28ApplicationsNotebook and Palmtop ComputersPortable InstrumentsBattery Operated Digital DevicesDistributed DC Power Systems |