A
Analog Devices
| Series | Category | # Parts | Status | Description |
|---|---|---|---|---|
| Part | Spec A | Spec B | Spec C | Spec D | Description |
|---|---|---|---|---|---|
| Series | Category | # Parts | Status | Description |
|---|---|---|---|---|
| Part | Spec A | Spec B | Spec C | Spec D | Description |
|---|---|---|---|---|---|
| Part | Category | Description |
|---|---|---|
Analog Devices ADM6713RAKSZ-REELObsolete | Integrated Circuits (ICs) | IC SUPERVISOR 1 CHANNEL SC70-4 |
Analog Devices | RF and Wireless | RF AMP SINGLE GENERAL PURPOSE RF AMPLIFIER 20GHZ 3.6V 22-PIN DIE TRAY |
Analog Devices | Integrated Circuits (ICs) | LOW NOISE, SWITCHED CAPACITOR REGULATED VOLTAGE INVERTERS |
Analog Devices | Integrated Circuits (ICs) | QUAD 16-BIT/12-BIT ±10V VOUTSOFTSPAN DACS WITH 10PPM/°C MAX REFERENCE |
Analog Devices | Integrated Circuits (ICs) | SERIAL 14-BIT, 3.5MSPS SAMPLING ADC WITH BIPOLAR INPUTS |
Analog Devices | Integrated Circuits (ICs) | ISOSPI ISOLATED COMMUNICATIONS INTERFACE |
Analog Devices | Integrated Circuits (ICs) | 4.5A, 500KHZ STEP-DOWN SWITCHING REGULATOR |
Analog Devices | Integrated Circuits (ICs) | 300 MA, LOW QUIESCENT CURRENT, ADJUSTABLE OUTPUT, CMOS LINEAR REGULATOR |
Analog Devices AD767KNObsolete | Integrated Circuits (ICs) | IC DAC 12BIT V-OUT 24DIP |
Analog Devices | Integrated Circuits (ICs) | QUAD 12-/10-/8-BIT RAIL-TO-RAIL DACS WITH 10PPM/°C REFERENCE |
| Series | Category | # Parts | Status | Description |
|---|---|---|---|---|
| PMIC | 5 | Active | ||
LTC3776Dual 2-Phase, No RSENSE™,Synchronous Controller for DDR/QDR Memory Termination | Power Management (PMIC) | 3 | Active | The LTC3776 is a 2-phase dual output synchronous stepdown switching regulator controller for DDR/QDR memory termination applications. The second controller regulates its output voltage to 1/2 VREFwhile providing symmetrical source and sink output current capability.The No RSENSEconstant frequency current mode architecture eliminates the need for sense resistors and improves efficiency. Power loss and noise due to the ESR of the input capacitance are minimized by operating the two controllers out of phase.The switching frequency can be programmed up to 750kHz, allowing the use of small surface mount inductors and capacitors. For noise sensitive applications, the LTC3776 switching frequency can be externally synchronized from 250kHz to 850kHz, or can be enabled for spread spectrum operation. Forced continuous operation reduces noise and RF interference. Soft-start for VOUT1is provided internally and can be extended using an external capacitor.The LTC3776 is available in the tiny thermally enhanced (4mm × 4mm) QFN package or 24-lead SSOP narrow package.Protected by U.S. Patents including 5481178, 5929620, 6144194, 6580258, 6304066, 6611131, 6498466, patent pending on Spread Spectrum.ApplicationsDDR, DDR II and QDR MemorySSTL, HSTL Termination SuppliesServers, RAID SystemsDistributed DC Power Systems |
LTC3777150V VINand VOUTSynchronous 4-Switch Buck-Boost Controller + Switching Bias Supply | Integrated Circuits (ICs) | 1 | Active | The LTC3777 is a high performance buck-boost switching regulator controller that operates from input voltages above, below or equal to the output voltage. The constant frequency current mode architecture allows a phase-lockable frequency of up to 600kHz, while an input/output constant current loop provides support for battery charging. The 150V integrated switching bias supply is a high efficiency step-down regulator that draws only 12μA typical DC supply current with a regulated output voltage at no load.With a wide 4.5V to 150V input and output range and seamless transfers between operating regions, the LTC3777 is ideal for industrial, telecom and battery powered systems.The LTC3777 features a power good output indicator and a MODE pin to select between pulse-skipping mode or forced continuous mode of operation. The PLLIN pin allows the IC to be synchronized to an external clock. The SS pin ramps the output voltage during start-up. Current foldback limits MOSFET heat dissipation during short circuit conditions.ApplicationsIndustrial, Transportation, Medical, Military, Avionics |
LTC3778Wide Operating Range, No RSENSE™Step-Down Controller | Integrated Circuits (ICs) | 1 | Active | The LTC3778 is a synchronous step-down switching regulator controller for computer memory, automobile and other DC/DC power supplies. The controller uses a valley current control architecture to deliver very low duty cycles without requiring a sense resistor. Operating frequency is selected by an external resistor and is compensated for variations in VINand VOUT.Discontinuous mode operation provides high efficiency operation at light loads. A forced continuous control pin reduces noise and RF interference, and can assist secondary winding regulation when the main output is lightly loaded. SENSE+and SENSE–pins provide true Kelvin sensing across the optional sense resistor or the sychronous MOSFET.Fault protection is provided by internal foldback current limiting, an output overvoltage comparator, optional short-circuit shutdown timer and input undervoltage lockout. Soft-start capability for supply sequencing is accomplished using an external timing capacitor. The regulator current limit level is user programmable. Wide supply range allows operation from 4V to 36V at the input and from 0.6V up to (0.9)VINat the output.ApplicationsNotebook and Palmtop Computers, PDAsBattery ChargersDistributed Power SystemsDDR Memory Power SupplyAutomobile DC Power Supply |
LTC3779150V VINand VOUTSynchronous 4-Switch Buck-Boost Controller | Voltage Regulators - DC DC Switching Controllers | 3 | Active | The LTC3779 is a high performance buck-boost switching regulator controller that operates from input voltages above, below or equal to the output voltage. The constant frequency current mode architecture allows a phaselockable frequency of up to 600kHz, while an input/output constant current loop provides support for battery charging.With a wide 4.5V to 150V input and output range and seamless transfers between operating regions, the LTC3779 is ideal for automotive, telecom and batterypowered systems.The LTC3779 features a precision 1.2V reference and power good output indicator. The MODE pin can select between pulse-skipping mode or forced continuous mode of operation. Pulse-skipping mode offers high efficiency at light load while forced continuous mode operates at a constant frequency for noise sensitive applications. The PLLIN pin allows the IC to be synchronized to an external clock. The SS pin ramps the output voltage during start-up. Current foldback limits MOSFET heat dissipation during short-circuit conditions.ApplicationsIndustrial, Automotive, Medical, Military, Avionics |
| Power Management (PMIC) | 8 | Active | ||
LTC3783PWM LED Driver and Boost, Flyback and SEPIC Controller | Power Management (PMIC) | 5 | Active | The LTC3783 is a current mode LED driver and boost, flyback and SEPIC controller that drives both an N-channel power MOSFET and an N-channel load PWM switch. When using an external load switch, the PWMIN input not only drives PWMOUT, but also enables controller GATE switching and error amplifier operation, allowing the controller to store load current information while PWMIN is low. This feature (patent pending) provides extremely fast, true PWM load switching with no transient overvoltage or undervoltage issues; LED dimming ratios of 3000:1 can be achieved digitally, avoiding the color shift normally associated with LED current dimming. The FBP pin allows analog dimming of load current, further increasing the effective dimming ratio by 100:1 over PWM alone.In applications where output load current must be returned to VIN, optional constant current/constant voltage regulation controls either output (or input) current or output voltage and provides a limit for the other. ILIMprovides a 10:1 analog dimming ratio.For low- to medium-power applications, No RSENSEmode can utilize the power MOSFET’s on-resistance to eliminate the current-sense resistor, thereby maximizing efficiency.The IC’s operating frequency can be set with an external resistor over a 20kHz to 1MHz range and can be synchronized to an external clock using the SYNC pin.The LTC3783 is available in the 16-lead DFN and TSSOP packages.ApplicationsHigh Voltage LED ArraysTelecom Power Supplies42V Automotive Systems24V Industrial ControlsIP Phone Power Supplies |
LTC378460V PolyPhase Synchronous Boost Controller with PassThru | Voltage Regulators - DC DC Switching Controllers | 5 | Active | The LTC3784 is a high performance PolyPhase®single output synchronous boost converter controller that drives two N-channel power MOSFET stages out-of-phase. Multiphase operation reduces input and output capacitor requirements and allows the use of smaller inductors than the single-phase equivalent. Synchronous rectification increases efficiency, reduces power losses and eases thermal requirements, simplifying high power boost applications.A 4.5V to 60V input supply range encompasses a wide range of system architectures and battery chemistries. When biased from the output of the boost converter or another auxiliary supply, the LTC3784 can operate from an input supply as low as 2.3V after start-up. The operating frequency can be set within a 50kHz to 900kHz range or synchronized to an external clock using the internal PLL. PolyPhase operation allows the LTC3784 to be configured for 2-, 3-, 4-, 6- and 12-phase operation.The SS pin ramps the output voltage during start-up. The PLLIN/MODE pin selects Burst Mode®operation, pulse-skipping mode or forced continuous mode at light loads.APPLICATIONSIndustrialAutomotiveMedicalMilitary |
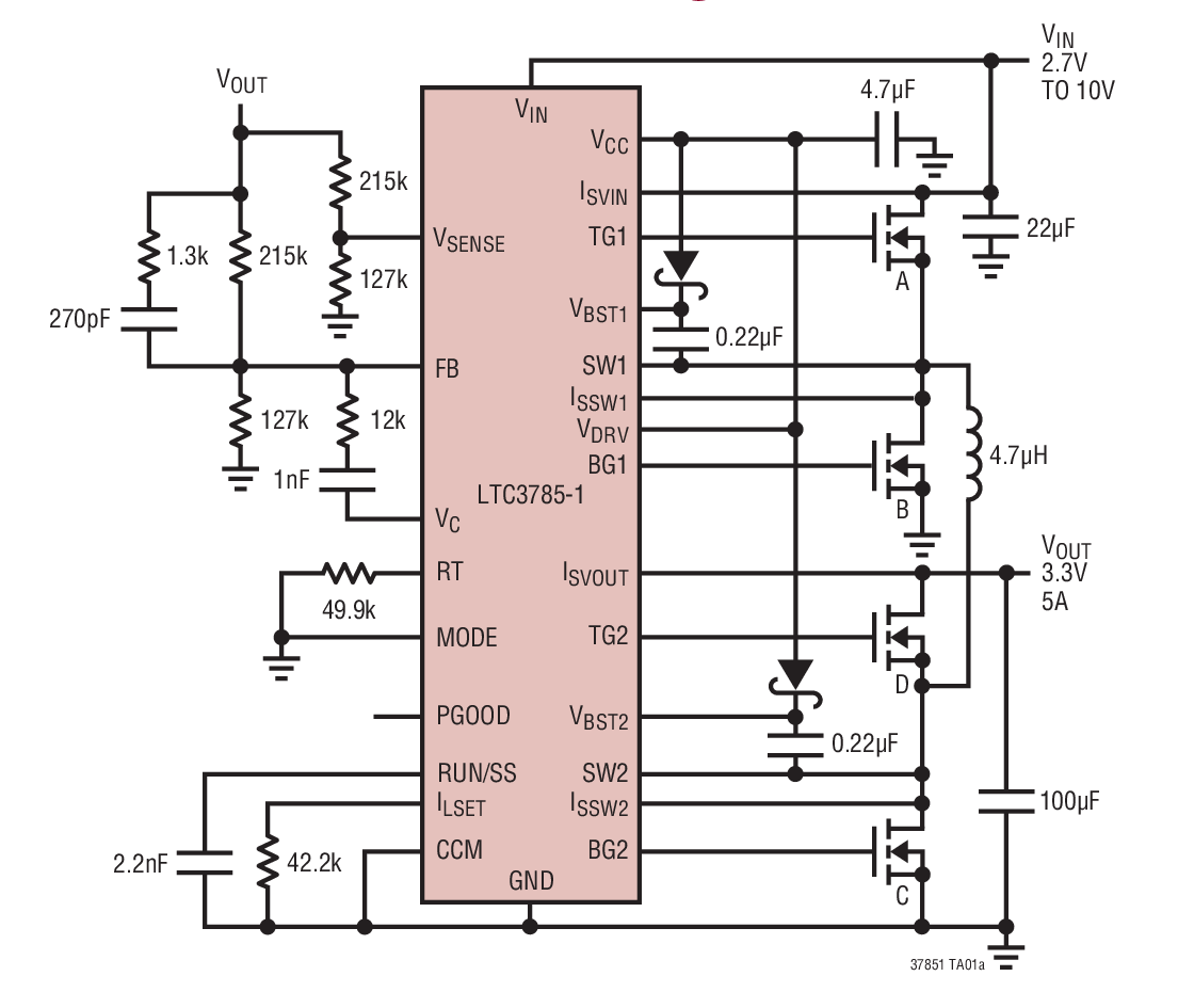
LTC3785-110V, High Efficiency, Buck-Boost Controller with Power Good | DC DC Switching Controllers | 5 | Active | The LTC3785-1 is a high power synchronous buck-boost controller that drives all N-channel power MOSFETs from input voltages above, below and equal to the output voltage. With an input range of 2.7V to 10V, the LTC3785-1 is well suited for a wide variety of single or dual cell Li-Ion or multi-cell alkaline/NiMH applications.The operating frequency can be programmed from 100kHz to 1MHz. The soft-start time and current limit are also programmable. The soft-start capacitor doubles as the fault timer which can program the IC to latch off or recycle after a determined off time. Burst Mode operation is user controlled and can be enabled by driving the MODE pin high. The LTC3785-1 includes a Power Good output that indicates when the output voltage is within 7.5% of its designed setpoint.Protection features include foldback current limit, short-circuit and overvoltage protection.Power GoodLTC3785NoLTC3785-1YesApplicationsPalmtop ComputersHandheld InstrumentsWireless ModemsCellular Telephones |
LTC3786Low IQSynchronous Boost Controller | Power Management (PMIC) | 3 | Active | The LTC3786 is a high performance synchronous boost converter controller that drives all N-channel power MOSFETs. Synchronous rectification increases efficiency, reduces power losses and eases thermal requirements, allowing the LTC3786 to be used in high power boost applications.A 4.5V to 38V input supply range encompasses a wide range of system architectures and battery chemistries. When biased from the output of the boost converter or another auxiliary supply, the LTC3786 can operate from an input supply as low as 2.5V after start-up. The 55μA no-load quiescent current extends operating run time in battery-powered systems.The operating frequency can be set for a 50kHz to 900kHz range or synchronized to an external clock using the internal PLL. The LTC3786 also features a precision 1.2V reference and a power good output indicator. The SS pin ramps the output voltage during start-up. The PLLIN/MODE pin selects among Burst Mode®operation, pulse-skipping mode or continuous inductor current mode at light loads.APPLICATIONSIndustrial and Automotive Power SuppliesAutomotive Start-Stop SystemsMedical DevicesHigh Voltage Battery-Powered Systems |