A
Analog Devices
| Series | Category | # Parts | Status | Description |
|---|---|---|---|---|
| Part | Spec A | Spec B | Spec C | Spec D | Description |
|---|---|---|---|---|---|
| Series | Category | # Parts | Status | Description |
|---|---|---|---|---|
| Part | Spec A | Spec B | Spec C | Spec D | Description |
|---|---|---|---|---|---|
| Part | Category | Description |
|---|---|---|
Analog Devices ADM6713RAKSZ-REELObsolete | Integrated Circuits (ICs) | IC SUPERVISOR 1 CHANNEL SC70-4 |
Analog Devices | RF and Wireless | RF AMP SINGLE GENERAL PURPOSE RF AMPLIFIER 20GHZ 3.6V 22-PIN DIE TRAY |
Analog Devices | Integrated Circuits (ICs) | LOW NOISE, SWITCHED CAPACITOR REGULATED VOLTAGE INVERTERS |
Analog Devices | Integrated Circuits (ICs) | QUAD 16-BIT/12-BIT ±10V VOUTSOFTSPAN DACS WITH 10PPM/°C MAX REFERENCE |
Analog Devices | Integrated Circuits (ICs) | SERIAL 14-BIT, 3.5MSPS SAMPLING ADC WITH BIPOLAR INPUTS |
Analog Devices | Integrated Circuits (ICs) | ISOSPI ISOLATED COMMUNICATIONS INTERFACE |
Analog Devices | Integrated Circuits (ICs) | 4.5A, 500KHZ STEP-DOWN SWITCHING REGULATOR |
Analog Devices | Integrated Circuits (ICs) | 300 MA, LOW QUIESCENT CURRENT, ADJUSTABLE OUTPUT, CMOS LINEAR REGULATOR |
Analog Devices AD767KNObsolete | Integrated Circuits (ICs) | IC DAC 12BIT V-OUT 24DIP |
Analog Devices | Integrated Circuits (ICs) | QUAD 12-/10-/8-BIT RAIL-TO-RAIL DACS WITH 10PPM/°C REFERENCE |
| Series | Category | # Parts | Status | Description |
|---|---|---|---|---|
LTC3726Secondary-Side Synchronous Forward Controller | PMIC | 3 | Active | The LTC3726 is a secondary-side controller for synchronous forward converters. When used in conjunction with the LTC3705/LTC3725 gate driver and primary-side controllers, the part creates a complete isolated power supply that combines the simplicity of OPTI-LOOP®compensation with the speed of secondary-side control.The LTC3726 has been designed to simplify the design of highly efficient, secondary-side forward converters. Working in concert with the LTC3705 or LTC 3725, the LTC3726 forms a robust, self-starting converter that eliminates the need for the separate bias regulator that is commonly used in secondary-side control applications. In addition, a proprietary scheme is used to multiplex gate drive signals and DC bias power across the isolation barrier through a single, tiny pulse transformer.The LTC3726 is available in a 16-lead SSOP package.ApplicationsIsolated 48V Telecommunication SystemsInternet Servers and RoutersDistributed Power Step-Down ConvertersAutomotive and Heavy Equipment |
LTC3727LX-1High Efficiency, 2-Phase Synchronous Step-Down Switching Regulators | Voltage Regulators - DC DC Switching Controllers | 9 | Active | The LTC3727/LTC3727-1 are high performance dual step-down switching regulator controllers that drive all N-channel synchronous power MOSFET stages. A constant frequency current mode architecture allows phase-lockable frequency of up to 550kHz. Power loss and noise due to the ESR of the input capacitors are minimized by operating the two controller output stages out of phase.OPTI-LOOP compensation allows the transient response to be optimized over a wide range of output capacitance and ESR values. There is a precision 0.8V reference and a power good output indicator. A wide 4V to 30V (36V maximum) input supply range encompasses all battery chemistries.A RUN/SS pin for each controller provides soft-start, and on the LTC3727GN, optional timed, short-circuit shutdown. Current foldback limits MOSFET heat dissipation during short-circuit conditions when overcurrent latchoff is disabled. Output overvoltage protection circuitry latches on the bottom MOSFET until VOUTreturns to normal. The FCB mode pin can select among Burst Mode, constant frequency mode and continuous inductor current mode or regulate a secondary winding.Vin RangeVref Accuracy Over TempLatch-OffMin On-TimeLTC37274V - 36V±1%No180nsLTC3727-14V - 36V±1%Yes180nsLTC3727A-14V - 36V±1%No120nsLTC3727LX-14V - 32V±1.5%No120nsApplicationsTelecom SystemsAutomotive SystemsBattery-Operated Digital Devices |
LTC3728L/LXDual, 550kHz, 2-Phase Synchronous Regulators | Power Management (PMIC) | 19 | Active | The LTC3728L/LTC3728LX are dual high performance step-down switching regulator controllers that drive all N-channel synchronous power MOSFET stages. A constant-frequency, current mode architecture allows phase lockable frequency of up to 550kHz. Power loss and noise due to the ESR of the input capacitors are minimized by operating the two controller output stages out of phase.OPTI-LOOP compensation allows the transient response to be optimized over a wide range of output capacitance and ESR values. The precision 0.8V reference and power good output indicator are compatible with future microprocessor generations, and a wide 4.5V to 28V (30V maximum) input supply range encompasses all battery chemistries.A RUN/SS pin for each controller provides both soft-start and optional timed, short-circuit shutdown. Current foldback limits MOSFET dissipation during short-circuit conditions when overcurrent latchoff is disabled. Output overvoltage protection circuitry latches on the bottom MOSFET until VOUTreturns to normal. The FCB mode pin can select among Burst Mode, constant-frequency mode and continuous inductor current mode or regulate a secondary winding. The LTC3728L/LTC3728LX include a power good output pin that indicates when both outputs are within 7.5% of their designed set point.VinRangeVrefAccyCurrent Limit Latch Off3.3V LDO AvailableLTC37283.5V to 36V+/-1%YesLTC3728L4.5V to 28V+/-1%YesYesLTC3728LX4.5V to 28V+/- 1.5%YesYesLTC3728L-14.5V to 28V+/- 1.5%Foldback onlyYesApplicationsNotebook and Palmtop ComputersTelecom SystemsPortable InstrumentsBattery-Operated Digital DevicesDC Power Distribution Systems |
LTC3729L-6550kHz, PolyPhase, High Efficiency, Synchronous Step-Down Switching Regulator | PMIC | 3 | Active | The LTC3729L-6 is a PolyPhase™synchronous stepdown current mode switching regulator controller with a 0.6V reference that drives N-channel external power MOSFET stages in a phase-lockable fixed frequency architecture. The PolyPhase controller drives its two output stages out of phase at frequencies up to 550kHz to minimize the RMS ripple currents in both input and output capacitors. The output clock signal allows expansion for up to 12 evenly phased controllers for systems requiring 15A to 200A of output current. This PolyPhase technique effectively multiplies the fundamental frequency by the number of channels used, improving transient response while operating each channel at an optimum frequency for efficiency. Thermal design is also simplified.An internal differential amplifier provides true remote sensing of the regulated supply’s positive and negative output terminals as required for high current applications.A RUN/SS pin provides both soft-start and optional timed, short-circuit shutdown. Current foldback limits MOSFET dissipation during short-circuit conditions when the overcurrent latchoff is disabled. OPTI-LOOP compensation allows the transient response to be optimized over a wide range of output capacitance and ESR values. The LTC3729L-6 includes a power good output pin that indicates when the output voltage is inside the ±10% tolerance window.Vin MaxVrefLTC372936V0.8LTC3729L-630V0.6ApplicationsDesktop ComputersInternet ServersLarge Memory ArraysDC Power Distribution Systems |
LTC37303-Phase, 5-Bit Intel Mobile VID, 600kHz, Synchronous Buck Controller | Voltage Regulators - Special Purpose | 2 | Active | The LTC3730 is a PolyPhase®synchronous step-down switching regulator controller that drives all N-channel external power MOSFET stages in a phase-lockable fixed frequency architecture. The 3-phase controller drives its output stages with 120° phase separation at frequencies of up to 600kHz per phase to minimize the RMS losses in both the input and output filter capacitors. The 3-phase technique effectively triples the fundamental frequency, improving transient response while operating each controller at an optimal frequency for efficiency and ease of thermal design. Light load efficiency is optimized by using a choice of output Stage Shedding or Burst Mode technology.An internal operational amplifier provides mode selectable output voltage programming in conjunction with the internal VID voltage control DAC.Soft-start and a defeatable, timed short-circuit shutdown protect the MOSFETs and the load. Current foldback provides protection for the external MOSFETs under short-circuit or overload conditions.ApplicationsTablet ComputersHigh Performance Notebook ComputersHigh Output Current DC/DC Power Supplies |
LTC3731H3-Phase, 600kHz, Synchronous Buck Switching Regulator Controller | Voltage Regulators - DC DC Switching Controllers | 6 | Active | The LTC3731 is a PolyPhase®synchronous step-down switching regulator controller that drives all N-channel external power MOSFET stages in a phase-lockable fixed frequency architecture. The 3-phase controller drives its output stages with 120° phase separation at frequencies of up to 600kHz per phase to minimize the RMS current losses in both the input and output filter capacitors. The 3-phase technique effectively triples the fundamental frequency, improving transient response while operating each controller at an optimal frequency for efficiency and ease of thermal design. Light load efficiency is optimized by using a choice of output Stage Shedding or Burst Mode operation.A differential amplifier provides true remote sensing of both the high and low side of the output voltage at the point of load. The precision reference supports output voltages from 0.6V to 6V.Soft-start and a defeatable, timed short-circuit shutdown protect the MOSFETs and the load. Current foldback provides protection for the external MOSFETs under short-circuit or overload conditions.ApplicationsDesktop Computers and ServersHigh Performance Notebook ComputersHigh Output Current DC/DC Power Supplies |
LTC37323-Phase, 5-Bit VID, 600kHz, Synchronous Buck Switching Regulator Controller | PMIC | 3 | Active | The LTC3732 is a PolyPhase®synchronous step-down switching regulator controller that drives all N-channel external power MOSFET stages in a phase-lockable fixed frequency architecture. The 3-phase controller drives its output stages with 120° phase separation at frequencies of up to 600kHz per phase to minimize the RMS current losses in both the input and output filter capacitors. The 3-phase technique effectively triples the fundamental frequency, improving transient response while operating each controller at an optimal frequency for high efficiency and ease of thermal design. Light load efficiency is optimized by using a choice of output Stage Shedding or Burst Mode technology.A differential amplifier provides true remote sensing of both the high and low side of the output voltage at load points.Soft-start and a defeatable, timed short-circuit shutdown protect the MOSFETs and the load. A foldback current circuit also provides protection for the external MOSFETs under short-circuit or overload conditions.ApplicationsDesktop ComputersHigh Performance Notebook ComputersHigh Output Current DC/DC Power Supplies |
LTC37333-Phase, Buck Controllers for AMD CPUs | Special Purpose Regulators | 5 | Active | The LTC3733 family are PolyPhase®synchronous stepdown switching regulator controllers that drive all N-channel external power MOSFET stages in a phase-lockable, fixed frequency architecture. The 3-phase controller drives its output stages with 120° phase separation at frequencies of up to 530kHz per phase to minimize the RMS current dissipated by the ESR of both the input and output filter capacitors. The 3-phase technique effectively triples the fundamental frequency, improving transient response while operating each phase at an optimal frequency for efficiency and ease of thermal design. Light load efficiency is optimized by using a choice of output stage shedding or Burst Mode technology.A differential amplifier provides true remote sensing of both the high and low sides of the output voltage at load points.Soft-start and a defeatable, timed short-circuit shutdown protect the MOSFETs and the load. A foldback current circuit also provides protection for the external MOSFETs under short-circuit or overload conditions. An all-"1" VID detector turns off the regulator after 1µs timeout.ApplicationsHigh Performance Notebook ComputersServers, Desktop Computers and Workstations |
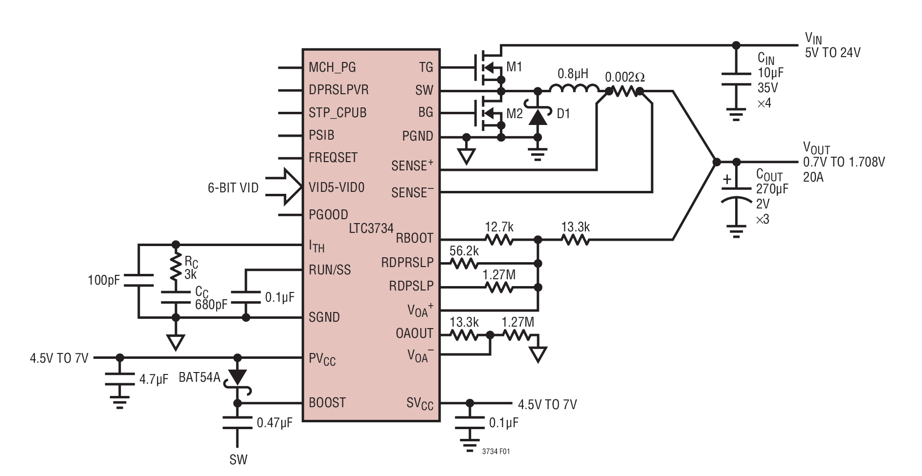
LTC3734Single-Phase, High Efficiency DC/DC Controller for Intel Mobile CPUs | Integrated Circuits (ICs) | 1 | Active | The LTC3734 is a single-phase synchronous step-down switching regulator controller that drives all N-channel power MOSFETs in a constant frequency architecture. The output voltage is programmable by six VID bits during normal operation and by external resistors during initial boot-up and deeper sleep state. The LTC3734 drives its output stage at frequencies up to 550kHz. Powerful onchip gate drivers eliminate the need for external gate driver ICs, thus simplifying the design.An Intel compatible PSIB input is provided to select between two modes of operation. Fully enhanced synchronous mode achieves a very small output ripple and very fast transient response while power saving mode realizes very high efficiency. OPTI-LOOP®compensation allows the transient response to be optimized for a wide range of output capacitance and ESR values.The LTC3734 is available in a small 5mm × 5mm QFN package. For 2-phase applications refer to the LTC3735.ApplicationsMobile and Desktop ComputersInternet Servers |
LTC37352-Phase, High Efficiency DC/DC Controller for Intel Mobile CPUs | Special Purpose Regulators | 2 | Active | The LTC3735 is a 2-phase synchronous step-down switching regulator controller that drives all N-channel power MOSFETs in a constant frequency architecture. The output voltage is programmable by six VID bits during normal operation and by external resistors during initial boot-up and deeper sleep state. The LTC3735 drives its two output stages out-of-phase at frequencies up to 550kHz to minimize the RMS ripple currents in both input and output capacitors. This antiphase technique also doubles the apparent switching frequency, improving the transient response while operating each phase at an optimum frequency for efficiency. Thermal design is further simplified by cycle-by-cycle current sharing between the two phases.An Intel compatible PSIB input is provided to select between two modes of operation. Fully enhanced synchronous mode achieves a very small output ripple and very fast transient response while power saving mode realizes very high efficiency. OPTI-LOOP®compensation allows the transient response to be optimized for a wide range of output capacitance and ESR values.ApplicationsMobile and Desktop ComputersInternet Servers |