A
Analog Devices
| Series | Category | # Parts | Status | Description |
|---|---|---|---|---|
| Part | Spec A | Spec B | Spec C | Spec D | Description |
|---|---|---|---|---|---|
| Series | Category | # Parts | Status | Description |
|---|---|---|---|---|
| Part | Spec A | Spec B | Spec C | Spec D | Description |
|---|---|---|---|---|---|
| Part | Category | Description |
|---|---|---|
Analog Devices ADM6713RAKSZ-REELObsolete | Integrated Circuits (ICs) | IC SUPERVISOR 1 CHANNEL SC70-4 |
Analog Devices | RF and Wireless | RF AMP SINGLE GENERAL PURPOSE RF AMPLIFIER 20GHZ 3.6V 22-PIN DIE TRAY |
Analog Devices | Integrated Circuits (ICs) | LOW NOISE, SWITCHED CAPACITOR REGULATED VOLTAGE INVERTERS |
Analog Devices | Integrated Circuits (ICs) | QUAD 16-BIT/12-BIT ±10V VOUTSOFTSPAN DACS WITH 10PPM/°C MAX REFERENCE |
Analog Devices | Integrated Circuits (ICs) | SERIAL 14-BIT, 3.5MSPS SAMPLING ADC WITH BIPOLAR INPUTS |
Analog Devices | Integrated Circuits (ICs) | ISOSPI ISOLATED COMMUNICATIONS INTERFACE |
Analog Devices | Integrated Circuits (ICs) | 4.5A, 500KHZ STEP-DOWN SWITCHING REGULATOR |
Analog Devices | Integrated Circuits (ICs) | 300 MA, LOW QUIESCENT CURRENT, ADJUSTABLE OUTPUT, CMOS LINEAR REGULATOR |
Analog Devices AD767KNObsolete | Integrated Circuits (ICs) | IC DAC 12BIT V-OUT 24DIP |
Analog Devices | Integrated Circuits (ICs) | QUAD 12-/10-/8-BIT RAIL-TO-RAIL DACS WITH 10PPM/°C REFERENCE |
| Series | Category | # Parts | Status | Description |
|---|---|---|---|---|
LTC362620V, 2.5A Synchronous Monolithic Step-Down Regulator with Current and Temperature Monitoring | PMIC | 2 | Active | The LTC3626 is a high efficiency, monolithic synchronous buck regulator using a phase-lockable controlled on-time, current mode architecture capable of supplying up to 2.5A of output current. The operating supply voltage range is 3.6V to 20V, making it suitable for a wide range of power supply applications.The operating frequency is programmable from 500kHz to 3MHz with an external resistor allowing the use of small surface mount inductors. For applications sensitive to switching noise, the LTC3626 can be externally synchronized over the same frequency range. An internal phase-locked loop aligns the on-time of the top power MOSFET to the internal or external clock. This unique controlled on-time architecture is ideal for high step-down ratio applications that demand high switching frequencies and fast transient response. An internal phase lock loop servos the on-time of the internal one-shot timer to match the frequency of the internal clock or an applied external clock.The LTC3626 offers two operational modes: Burst Mode and forced continuous mode to allow the user to optimize output voltage ripple, noise and light load efficiency for a given application.ApplicationsDistributed Power SystemsBattery-Powered InstrumentsPoint-of-Load Power Supply |
LTC3630AHigh Efficiency, 76V 500mA Synchronous Step-Down Converter | Power Management (PMIC) | 15 | Active | The LTC3630A is a high efficiency step-down DC/DC converter with internal high side and synchronous power switches that draws only 12μA typical DC supply current while maintaining a regulated output voltage at no load.The LTC3630A can supply up to 500mA load current and features a programmable peak current limit that provides a simple method for optimizing efficiency and for reducing output ripple and component size. The LTC3630A’s combination of Burst Mode®operation, integrated power switches, low quiescent current, and programmable peak current limit provides high efficiency over a broad range of load currents.With its wide input range of 4V to 76V, the LTC3630A is a robust converter suited for regulating a wide variety of power sources. A feedback comparator output enables multiple LTC3630As to be paralleled in higher current applications.The LTC3630A is available in the thermally-enhanced 3mm × 5mm DFN and the MSE16 packages.Vin RangeLTC36304.5V to 65VLTC3630A4.5V to 76VAPPLICATIONSIndustrial Control SuppliesMedical DevicesPortable InstrumentsAutomotiveAvionics |
LTC3631High Efficiency, High Voltage 100mA Synchronous Step-Down Converter | PMIC | 9 | Active | The LTC3631 is a high voltage, high efficiency step-down DC/DC converter with internal high side and synchronous power switches that draws only 12μA typical DC supply current at no load while maintaining output voltage regulation.The LTC3631 can supply up to 100mA load current and features a programmable peak current limit that provides a simple method for optimizing efficiency in lower current applications. The LTC3631’s combination of Burst Mode®operation, integrated power switches, low quiescent current, and programmable peak current limit provides high efficiency over a broad range of load currents.With its wide 4.5V to 45V input range and internal overvoltage monitor capable of protecting the part from 60V surges, the LTC3631 is a robust converter suited for regulating a wide variety of power sources. Additionally, the LTC3631 includes a precise run threshold and a soft-start feature to guarantee that power system start-up is well-controlled in any environment.The LTC3631 is available in the thermally enhanced 3mm × 3mm DFN and MS8E packages.Applications4mA to 20mA Current LoopsIndustrial Control SuppliesDistributed Power SystemsPortable InstrumentsBattery-Operated DevicesAutomotive Power Systems |
LTC3632High Efficiency, High Voltage 20mA Synchronous Step-Down Converter | PMIC | 6 | Active | The LTC3632 is a high efficiency, high voltage step-down DC/DC converter with internal high side and synchronous power switches that draws only 12μA typical DC supply current at no load while maintaining output voltage regulation.The LTC3632 can supply up to 20mA load current and features a programmable peak current limit that provides simple method for optimizing efficiency in lower current applications. The LTC3632’s combination of Burst Mode®operation, integrated power switches, low quiescent current, and programmable peak current limit provides high efficiency over a broad range of load currents.With its wide 4.5V to 50V input range and internal overvoltage monitor capable of protecting the part through 60V surges, the LTC3632 is a robust converter suited for regulating a wide variety of power sources. Additionally, the LTC3632 includes a precise run threshold and soft‑start feature to guarantee that the power system start-up is well-controlled in any environment.The LTC3632 is available in the thermally enhanced 3mm × 3mm DFN and MS8E packages.Applications4mA to 20mA Current LoopsIndustrial Control SuppliesDistributed Power SystemsPortable InstrumentsBattery-Operated DevicesAutomotive Power Systems |
LTC3633A-2LTC3633A-3Dual Channel 3A, 20V Monolithic Synchronous Step-Down Regulator | Power Management (PMIC) | 18 | Active | The LTC3633A-2 is a high efficiency, dual-channel monolithic synchronous buck regulator using a controlled on-time, current mode architecture, with phase lockable switching frequency. The two channels can run 180° out of phase to relax the requirements for input and output capacitance. The operating supply voltage range is from 3.6V to 20V, making it suitable for lithium-ion battery stacks as well as point of load power supply applications from a 12V or 5V supply.The operating frequency is programmable from 500kHz to 4MHz with an external resistor and may be synchronized to an external clock signal. The high frequency capability allows the use of small surface mount inductors and capacitors. The unique constant frequency/controlled on-time architecture is ideal for high step-down ratio applications that operate at high frequency while demanding fast transient response. An internal phase locked loop servos the on-time of the internal one-shot timer to match the frequency of the internal clock or an applied external clock.The LTC3633A-2 can select between forced continuous mode and high efficiency Burst Mode operation. The LTC3633A-2 and LTC3633A-3 differ in their output voltage sense range (refer to Table 1 in the Operation section of the datasheet for a description of the entire LTC3633A product family).Part NumberOutput Voltage Sense RangeSVin InputV2P5 OutputLTC3633 Pin CompatibleLTC3633A0.6V TO 6VNoYesYesLTC3633A-11.5V TO 12VNoYesYesLTC3633A-20.6V TO 6VYesNoNoLTC3633A-31.5V TO 12VYesNoNoApplicationsDistributed Power SystemsBattery Powered InstrumentsPoint of Load Power Supplies |
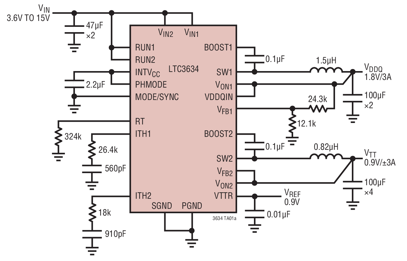
LTC363415V Dual 3A Monolithic Step-Down Regulator for DDR Power | PMIC | 7 | Active | The LTC3634 is a high efficiency, dual-channel monolithic synchronous step-down regulator which provides power supply and bus termination rails for DDR1, DDR2, and DDR3 SDRAM controllers. The operating input voltage range is 3.6V to 15V, making it suitable for point-of-load power supply applications from a 5V or 12V input, as well as various battery powered systems.The VTTregulated output voltage is equal to VDDQIN • 0.5. An on-chip buffer capable of driving a 10mA load provides a low noise reference output (VTTR) also equal to VDDQIN • 0.5.The operating frequency is programmable and synchronizable from 500kHz to 4MHz with an external resistor. The two channels can operate 180° out-of-phase, which relaxes the requirements for input and output capacitance. The unique controlled on-time architecture is ideal for powering DDR applications from a 12V supply at high switching frequencies, allowing the use of smaller external components.The LTC3634 is offered in both 28-pin 4mm × 5mm QFN and 28-pin exposed pad TSSOP packages.ApplicationsDDR Memory Power Supplies |
LTC3636LTC3636-1Dual Channel 6A, 20V Monolithic Synchronous Step-Down Regulator | Power Management (PMIC) | 5 | Active | The LTC3636/LTC3636-1 is a high efficiency, dual-channel monolithic synchronous buck regulator using a controlled on-time current mode architecture, with phase lockable switching frequency. The operating supply voltage range is from 3.1V to 20V, making it suitable for lithium-ion battery stacks as well as point of load power supply applications from a 12V or 5V input.The operating frequency is programmable from 500kHz to 4MHz with an external resistor and may be synchronized to an external clock signal. The high frequency capability allows the use of small surface mount inductors and capacitors. The unique constant frequency/controlled on-time architecture is ideal for high step-down ratio applications that operate at high frequency while demanding fast transient response.The LTC3636/LTC3636-1 can select between forced continuous mode and high efficiency Burst Mode operation. The LTC3636 and LTC3636-1 differ in their output voltage sense range.APPLICATIONSDistributed Power SystemsBattery-Powered InstrumentsPoint-of-Load Power Supplies |
LTC363776V, 1A Step-Down Regulator | PMIC | 9 | Active | The LTC3637 is a high efficiency step-down DC/DC regulator with an internal high side power switch that draws only 12μA DC supply current while maintaining a regulated output voltage at no load.The LTC3637 can supply up to 1A load current and features a programmable peak current limit that provides a simple method for optimizing efficiency and for reducing output ripple and component size. The LTC3637’s combination of Burst Mode®operation, integrated power switch, low quiescent current, and programmable peak current limit provides high efficiency over a broad range of load currents.With its wide input range of 4V to 76V, and programmable overvoltage lockout, the LTC3637 is a robust regulator suited for regulating from a wide variety of power sources. Additionally, the LTC3637 includes a precise run threshold and soft-start feature to guarantee that the power system start-up is well-controlled in any environment.The LTC3637 is available in the thermally-enhanced 3mm × 5mm DFN and the MSE16 packages.APPLICATIONSIndustrial Control SuppliesMedical DevicesDistributed Power SystemsPortable InstrumentsBattery-Operated DevicesAutomotiveAvionics |
LTC3638High Efficiency, 140V 250mA Step-Down Regulator | Power Management (PMIC) | 4 | Active | The LTC3638 is a high efficiency step-down DC/DC regulator with internal power switch that draws only 12μA typical DC supply current while maintaining a regulated output voltage at no load.The LTC3638 can supply up to 250mA load current and features a programmable peak current limit that provides a simple method for optimizing efficiency and for reducing output ripple and component size. The LTC3638’s combination of Burst Mode®operation, integrated power switch, low quiescent current, and programmable peak current limit provides high efficiency over a broad range of load currents.With its wide input range of 4V to 140V and programmable overvoltage lockout, the LTC3638 is a robust regulator suited for regulating from a wide variety of power sources. Additionally, the LTC3638 includes a precise run threshold and soft-start feature to guarantee that the power system start-up is well-controlled in any environment. A feedback comparator output enables multiple LTC3638s to be connected in parallel for higher current applications.The LTC3638 is available in a thermally enhanced high voltage-capable 16-lead MSE package with four missing pins.ApplicationsIndustrial Control SuppliesMedical DevicesDistributed Power SystemsPortable InstrumentsBattery-Operated DevicesAvionicsAutomotive |
LTC3639High Efficiency, 150V 100mA Synchronous Step-Down Regulator | Power Management (PMIC) | 5 | Active | The LTC3639 is a high efficiency step-down DC/DC regulator with internal high side and synchronous power switches that draws only 12μA typical DC supply current while maintaining a regulated output voltage at no load.The LTC3639 can supply up to 100mA load current and features a programmable peak current limit that provides a simple method for optimizing efficiency and for reducing output ripple and component size. The LTC3639’s combination of Burst Mode®operation, integrated power switches, low quiescent current, and programmable peak current limit provides high efficiency over a broad range of load currents.With its wide input range of 4V to 150V and programmable overvoltage lockout, the LTC3639 is a robust regulator suited for regulating from a wide variety of power sources. Additionally, the LTC3639 includes a precise run threshold and soft-start feature to guarantee that the power system start-up is well-controlled in any environment.The LTC3639 is available in a thermally enhanced high voltage-capable 16-lead MSE package with four missing pins.APPLICATIONSIndustrial Control SuppliesMedical DevicesDistributed Power SystemsPortable InstrumentsBattery-Operated DevicesAutomotiveAvionics |