A
Analog Devices
| Series | Category | # Parts | Status | Description |
|---|---|---|---|---|
| Part | Spec A | Spec B | Spec C | Spec D | Description |
|---|---|---|---|---|---|
| Series | Category | # Parts | Status | Description |
|---|---|---|---|---|
| Part | Spec A | Spec B | Spec C | Spec D | Description |
|---|---|---|---|---|---|
| Series | Category | # Parts | Status | Description |
|---|---|---|---|---|
LTC29778-Channel PMBus Power System Manager Featuring Accurate Output Voltage Measurement | PMIC | 4 | Active | The LTC2977 is an 8-channel Power System Manager used to sequence, trim (servo), margin, supervise, manage faults, provide telemetry and create fault logs. PMBus commands support power supply sequencing, precision point-of-load voltage adjustment and margining. DACs use a proprietary soft-connect algorithm to minimize supply disturbances. Supervisory functions include overvoltage and undervoltage threshold limits for eight power supply output channels and one power supply input channel, as well as over and under temperature limits. Programmable fault responses can disable the power supplies with optional retry after a fault is detected. Faults that disable a power supply can automatically trigger black box EEPROM storage of fault status and associated telemetry. An internal 16-bit ADC monitors eight output voltages, one input voltage, and die temperature. In addition, odd numbered channels can be configured to measure the voltage across a current sense resistor. A programmable watchdog timer monitors microprocessor activity for a stalled condition and resets the microprocessor if necessary. A single wire bus synchronizes power supplies across multiple LTC Power System Management (PSM) devices. Configuration EEPROM with ECC supports autonomous operation without additional software.ApplicationsComputers and Network ServersIndustrial Test and MeasurementHigh Reliability SystemsMedical ImagingVideo |
| PMIC | 6 | Obsolete | ||
LTC2983Multi-Sensor High Accuracy Digital Temperature Measurement System | Interface | 1 | Active | The LTC2983 measures a wide variety of temperature sensors and digitally outputs the result, in °C or °F, with 0.1°C accuracy and 0.001°C resolution. The LTC2983 can measure the temperature of virtually all standard (type B, E, J, K, N, S, R, T) or custom thermocouples, automatically compensate for cold junction temperatures and linearize the results. The device can also measure temperature with standard 2-, 3- or 4-wire RTDs, thermistors and diodes. It has 20 reconfigurable analog inputs enabling many sensor connections and configuration options. The LTC2983 includes excitation current sources and fault detection circuitry appropriate for each type of temperature sensor.The LTC2983 allows direct interfacing to ground referenced sensors without the need for level shifters, negative supply voltages, or external amplifiers. All signals are buffered and simultaneously digitized with three high accuracy, 24-bit ΔΣ ADCs, driven by an internal 10ppm/°C (maximum) reference.ApplicationsDirect Thermocouple MeasurementsDirect RTD MeasurementsDirect Thermistor MeasurementsCustom Sensor Applications |
LTC2984Multi-Sensor High Accuracy Digital Temperature Measurement System with EEPROM | Power Management (PMIC) | 3 | Active | The LTC2984 measures a wide variety of temperature sensors and digitally outputs the result, in °C or °F, with 0.1°C accuracy and 0.001°C resolution. The LTC2984 can measure the temperature of virtually all standard (type B, E, J, K, N, S, R, T) or custom thermocouples, automatically compensate for cold junction temperatures and linearize the results. The device can also measure temperature with standard 2-, 3-, or 4-wire RTDs, thermistors, and diodes. It has 20 reconfigurable analog inputs enabling many sensor connections and configuration options. The LTC2984 includes excitation current sources and fault detection circuitry appropriate for each type of temperature sensor as well as an EEPROM for storing custom coefficients and channel configuration data.The LTC2984 allows direct interfacing to ground referenced sensors without the need for level shifters, negative supply voltages, or external amplifiers. All signals are buffered and simultaneously digitized with three high accuracy, 24-bit ΔΣ ADC's, driven by an internal 10ppm/°C (maximum) reference.ApplicationsDirect Thermocouple MeasurementsDirect RTD MeasurementsDirect Thermistor MeasurementsCustom Sensor Applications |
| PMIC | 6 | Active | ||
LTC2990Quad I2C Voltage, Current and Temperature Monitor | Power Management (PMIC) | 3 | Active | The LTC®2990 is used to monitor system temperatures, voltages and currents. Through the I2C serial interface, the device can be configured to measure many combinations of internal temperature, remote temperature, remote voltage, remote current and internal VCC. The internal 10ppm/°C reference minimizes the number of supporting components and area required. Selectable address and configurable functionality give the LTC2990 flexibility to be incorporated in various systems needing temperature, voltage or current data. The LTC2990 fits well in systems needing sub-millivolt voltage resolution, 1% current measurement and 1°C temperature accuracyor any combination of the three.ApplicationsTemperature MeasurementSupply Voltage MonitoringCurrent MeasurementRemote Data AcquisitionEnvironmental Monitoring |
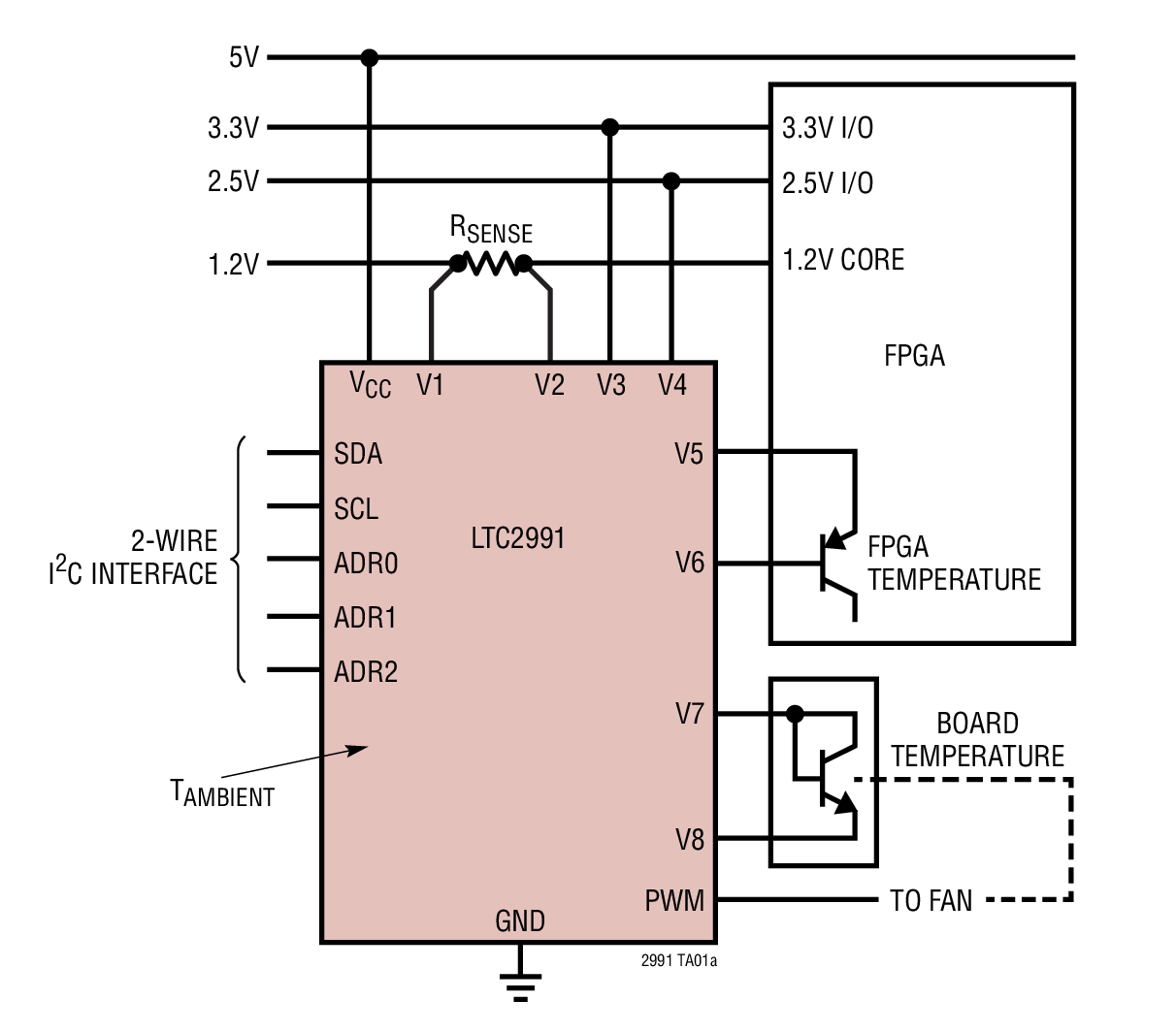
LTC2991Octal I2C Voltage, Current, and Temperature Monitor | Power Management (PMIC) | 1 | Active | The LTC2991 is used to monitor system temperatures, voltages and currents. Through the I2C serial interface, the eight monitors can individually measure supply voltages and can be paired for differential measurements of current sense resistors or temperature sensing transistors. Additional measurements include internal temperature and internal VCC. The internal 10ppm reference minimizes the number of supporting components and area required. Selectable address and configurable functionality give the LTC2991 flexibility to be incorporated in various systems needing temperature, voltage or current data. The LTC2991 fits well in systems needing submillivolt voltage resolution, 1% current measurement and 1°C temperature accuracy or any combination of the three.ApplicationsTemperature MeasurementSupply Voltage MonitoringCurrent MeasurementRemote Data AcquisitionEnvironmental Monitoring |
LTC2992Dual Wide Range Power Monitor | PMIC | 14 | Active | The LTC2992 is a rail-to-rail system monitor that measures current, voltage, and power of two supplies. It features an operating range of 2.7V to 100V and includes a shunt regulator for supplies above 100V. The voltage measurement range of 0V to 100V is independent of the input supply. Two ADCs simultaneously measure each supply’s current. A third ADC monitors the input voltages and four auxiliary external voltages. Each supply’s current and power is added for total system consumption. Minimum and maximum values are stored and an overrange alert with programmable thresholds minimizes the need for software polling. Data is reported via a standard I2C interface. Shutdown mode reduces current consumption to 25μA typically.The LTC2992 I2C interface includes separate data input and output pins for use with standard or opto-isolated I2C connections. The LTC2992-1 has an inverted data output for use with inverting opto-isolator configurations.ApplicationsTelecom InfrastructureIndustrial EquipmentAutomotiveComputer Systems and Servers |
LTC2995Temperature Sensor and Dual Voltage Monitor with Alert Outputs | Thermal Management | 2 | Active | The LTC2995 is a high accuracy temperature sensor and dual supply monitor. It converts the temperature of an external diode sensor and/or its own die temperature to an analog output voltage while rejecting errors due to noise and series resistance. Two supply voltages and the measured temperature are compared against upper and lower limits set with resistive dividers. If a threshold is exceeded, the device communicates an alert by pulling low the correspondent open drain logic output.The LTC2995 gives ±1°C accurate temperature results using commonly available NPN or PNP transistors or temperature diodes built into modern digital devices. Voltages are monitored with 1.5% accuracy. A 1.8V reference output simplifies threshold programming and can be used as an ADC reference input.The LTC2995 provides an accurate, low power solution for temperature and voltage monitoring in a compact 3mm × 3mm QFN package.ApplicationsNetwork ServersCore, I/O Voltage MonitorsDesktop and Notebook ComputersEnvironmental Monitoring |
LTC2996Temperature Sensor with Alert Outputs | Thermostats - Solid State | 6 | Active | The LTC2996 is a high accuracy temperature sensor with adjustable overtemperature and undertemperature thresholds and open drain alert outputs. It converts the temperature of an external diode sensor or its own die temperature to an analog output voltage while rejecting errors due to noise and series resistance. The measured temperature is compared against upper and lower limits set with resistive dividers. If a threshold is exceeded, the device communicates an alert by pulling low the correspondent open drain logic output.The LTC2996 gives ±1°C accurate temperature results using commonly available NPN or PNP transistors or temperature diodes built into modern digital devices. A 1.8V reference output simplifies threshold programming and can be used as an ADC reference input.The LTC2996 provides an accurate, low power solution for temperature monitoring in a compact 3mm × 3mm DFN package.ApplicationsTemperature Monitoring and MeasurementSystem Thermal ControlNetwork ServersDesktop and Notebook ComputersEnvironmental Monitoring |
| Part | Category | Description |
|---|---|---|
Analog Devices ADM6713RAKSZ-REELObsolete | Integrated Circuits (ICs) | IC SUPERVISOR 1 CHANNEL SC70-4 |
Analog Devices | RF and Wireless | RF AMP SINGLE GENERAL PURPOSE RF AMPLIFIER 20GHZ 3.6V 22-PIN DIE TRAY |
Analog Devices | Integrated Circuits (ICs) | LOW NOISE, SWITCHED CAPACITOR REGULATED VOLTAGE INVERTERS |
Analog Devices | Integrated Circuits (ICs) | QUAD 16-BIT/12-BIT ±10V VOUTSOFTSPAN DACS WITH 10PPM/°C MAX REFERENCE |
Analog Devices | Integrated Circuits (ICs) | SERIAL 14-BIT, 3.5MSPS SAMPLING ADC WITH BIPOLAR INPUTS |
Analog Devices | Integrated Circuits (ICs) | ISOSPI ISOLATED COMMUNICATIONS INTERFACE |
Analog Devices | Integrated Circuits (ICs) | 4.5A, 500KHZ STEP-DOWN SWITCHING REGULATOR |
Analog Devices | Integrated Circuits (ICs) | 300 MA, LOW QUIESCENT CURRENT, ADJUSTABLE OUTPUT, CMOS LINEAR REGULATOR |
Analog Devices AD767KNObsolete | Integrated Circuits (ICs) | IC DAC 12BIT V-OUT 24DIP |
Analog Devices | Integrated Circuits (ICs) | QUAD 12-/10-/8-BIT RAIL-TO-RAIL DACS WITH 10PPM/°C REFERENCE |