A
Analog Devices
| Series | Category | # Parts | Status | Description |
|---|---|---|---|---|
| Part | Spec A | Spec B | Spec C | Spec D | Description |
|---|---|---|---|---|---|
| Series | Category | # Parts | Status | Description |
|---|---|---|---|---|
| Part | Spec A | Spec B | Spec C | Spec D | Description |
|---|---|---|---|---|---|
| Part | Category | Description |
|---|---|---|
Analog Devices ADM6713RAKSZ-REELObsolete | Integrated Circuits (ICs) | IC SUPERVISOR 1 CHANNEL SC70-4 |
Analog Devices | RF and Wireless | RF AMP SINGLE GENERAL PURPOSE RF AMPLIFIER 20GHZ 3.6V 22-PIN DIE TRAY |
Analog Devices | Integrated Circuits (ICs) | LOW NOISE, SWITCHED CAPACITOR REGULATED VOLTAGE INVERTERS |
Analog Devices | Integrated Circuits (ICs) | QUAD 16-BIT/12-BIT ±10V VOUTSOFTSPAN DACS WITH 10PPM/°C MAX REFERENCE |
Analog Devices | Integrated Circuits (ICs) | SERIAL 14-BIT, 3.5MSPS SAMPLING ADC WITH BIPOLAR INPUTS |
Analog Devices | Integrated Circuits (ICs) | ISOSPI ISOLATED COMMUNICATIONS INTERFACE |
Analog Devices | Integrated Circuits (ICs) | 4.5A, 500KHZ STEP-DOWN SWITCHING REGULATOR |
Analog Devices | Integrated Circuits (ICs) | 300 MA, LOW QUIESCENT CURRENT, ADJUSTABLE OUTPUT, CMOS LINEAR REGULATOR |
Analog Devices AD767KNObsolete | Integrated Circuits (ICs) | IC DAC 12BIT V-OUT 24DIP |
Analog Devices | Integrated Circuits (ICs) | QUAD 12-/10-/8-BIT RAIL-TO-RAIL DACS WITH 10PPM/°C REFERENCE |
| Series | Category | # Parts | Status | Description |
|---|---|---|---|---|
LTC2949Current, Voltage, and Charge Monitor for High Voltage Battery Packs | Power Management (PMIC) | 1 | Active | The LTC2949 is a high precision current, voltage, temperature, charge and energy meter for electrical and hybrid vehicles and other isolated current sense applications. It infers charge and energy flowing in and out of the battery pack by monitoring simultaneously the voltage drop over up to two sense resistors and the battery pack voltage.Low offset ΔΣ ADCs ensure accurate measurement of voltage and current with insignificant power loss. Continuous integration of current and power ensures lossless tracking of charge and energy delivered or received by the battery pack.The built-in serial interface can be configured to support isolated isoSPI communication to the host or as SPI interface.The LTC2949 features 12 internally buffered high impedance inputs (V1 to V12) for measuring voltages from external sensors or resistor dividers allowing to measure temperatures, HV-Link voltages, chassis isolation and supervise contactor states. LTC2949 has up to five programmable digital outputs which can be set to ground, supply or toggling at 400kHz.Programmable threshold and tracking registers reduce digital traffic to the host.ApplicationsElectric and Hybrid VehiclesIsolated Current SensingBackup Battery SystemsHigh Power Portable Equipment |
LTC2950Push Button On/Off Controller | Power Management (PMIC) | 7 | Active | The LTC2950 is a micropower, wide input voltage range, pushbutton ON/OFF controller. The part contains a pushbutton input with independently programmable ON and OFF debounce times that control the toggling of an open drain enable output. The part also contains a simple microprocessor interface to allow for proper system housekeeping prior to power down. Under system fault conditions, an internalKILLtimer ensures proper power down.The LTC2950 operates over a wide 2.7V to 26.4V input voltage range to accommodate a wide variety of input power supplies. Very low quiescent current (6μA typical) makes the LTC2950 ideally suited for battery powered applications. Two versions of the part are available to accommodate either positive or negative enable polarities. The parts are available in either 8-lead 3mm × 2mm DFN or ThinSOT packages.ApplicationsPortable Instrumentation MetersBlade ServersPortable Customer Service PDADesktop and Notebook Computers |
LTC2951-1LTC2951-2Push Button On/Off Controller | PMIC | 7 | Active | The LTC2951 is a micropower, wide input voltage range pushbutton ON/OFF controller. The part contains a pushbutton input which controls the toggling of an open-drain enable output. The pushbutton turn OFF debounce time is externally programmable, while the turn ON debounce time is fixed at 128ms. A simple microprocessor interface allows for proper system housekeeping prior to powerdown. Under system fault conditions, an adjustableKILLtimeout delay ensures proper power-down.The LTC2951 operates over a 2.7V to 26.4V input voltage range to accommodate a variety of input power supplies. Very low quiescent current (6μA typical) makes the LTC2951 ideally suited for battery powered applications. Two versions of the part are available to accommodate either positive or negative enable polarities. The parts are available in 8-pin 3mm × 2mm DFN and ThinSOT packages.ApplicationsPortable Instrumentation MetersBlade ServersPortable Customer Service PDADesktop and Notebook Computers |
LTC2952Pushbutton PowerPath Controller with Supervisor | Power Management (PMIC) | 5 | Active | The LTC2952 is a power management device that features three main functions: pushbutton on/off control of system power, ideal diode PowerPath™controllers and system monitoring. The LTC2952’s pushbutton input, which provides on/off control of system power, has independently adjustable ON and OFF debounce times. A simple microprocessor interface involving an interrupt signal allows for proper system housekeeping prior to power-down.The ideal diode PowerPath controllers provide automatic low loss switchover between two DC sources by regulating two external P-channel MOSFETs to have a small 20mV forward drop.High reliability systems may utilize the LTC2952’s monitoring features to ensure system integrity. These features include: power-fail, voltage monitoring and μP watchdog.The LTC2952 operates over a wide operating voltage range to accommodate a large variety of input power supplies. The part’s combination of low 20mV external MOSFET regulation and very low standby current matches battery powered and power conscious application requirements.ApplicationsDesktop and Notebook ComputersPortable InstrumentationsCell Phones, PDA and Handheld ComputersServers and Computer PeripheralsBattery Backup Systems |
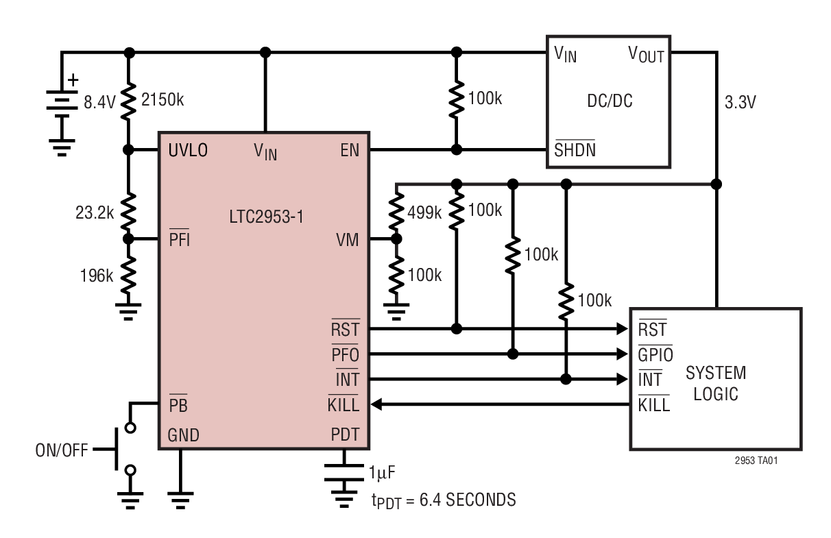
LTC2953Push Button On/Off Controller with Voltage Monitoring | PMIC | 4 | Active | The LTC2953 is a push button On/Off controller that manages system power via a push button interface. An enable output toggles system power while an interrupt output provides debounced push button status. The interrupt output can be used in menu driven applications to request a system power down.The LTC2953 also features input and output power supply monitors. An uncommitted power fail comparator provides real time input monitor information, while a de-glitched under voltage lockout comparator gracefully initiates a system power down. The under voltage lockout comparator prevents the system from powering from a low power supply.The adjustable supply monitor input is compared against an accurate internal 0.5V reference. The reset output remains low until the supply monitor input has been in compliance for 200ms.The LTC2953 operates over a wide 2.7V to 27V input voltage range and draws only 14µA of current. Two versions of the part accommodate either positive or negative enable polarities.ApplicationsPush Button Power Path ControlBattery Power SupervisorPortable Instrumentation, PDABlade ServersDesktop and Notebook Computers |
LTC2954Push Button On/Off Controller with µP Interrupt | PMIC | 7 | Active | The LTC2954 is a pushbutton on/off controller that manages system power via a pushbutton interface. An enable output toggles system power while an interrupt output provides debounced pushbutton status. The interrupt output can be used in menu driven applications to request a system power-down. A power kill input allows a microprocessor or system to reset the enable output, effectively powering down the system. Independently adjustable on and off timers allow dependable pushbutton control of the enable output and resistance to accidental toggling of system power.The LTC2954 operates over a wide 2.7V to 26.4V input voltage range to accommodate a wide variety of input power supplies. Very low quiescent current (6μA typical) makes the LTC2954 ideally suited for battery powered applications. Two versions of the part are available to accommodate either positive or negative enable polarities.ApplicationsPushbutton PowerPath™ControlPortable Instrumentation MetersBlade ServersPortable Customer Service PDADesktop and Notebook Computers |
LTC2955Pushbutton On/Off Controller with Automatic Turn-On | PMIC | 7 | Active | The LTC2955 is a micropower, pushbutton on/off controller that manages system power by generating a clean enable output from the supply monitor input and the debounced pushbutton input. It features an interrupt output that notifies the system of a pushbutton or low supply event. When the system is ready, it may use the power kill input to shut off power. If the pushbutton remains pressed for more than the configurable turn-off duration, the system power is forced off.The supply input covers a wide range from 1.5V to 36V. The robust pushbutton input handles wide voltage swings of ±36V and ESD strikes to ±25kV (human body model) without latchup or damage. A low 1.2μA supply current maximizes battery run time. Separate versions are available for positive or negative enable polarities.ApplicationsDesktop and Notebook ComputersGPS DevicesPortable InstrumentsAutomotive Electronics |
LTC2956Wake-Up Timer with Pushbutton Control | PMIC | 6 | Active | The LTC2956 is a micropower, wide input voltage range, configurable wake-up timer with pushbutton control. It periodically wakes up and turns on a connected system to perform tasks like monitoring temperature or capturing images. After completing the task, the LTC2956 turns the system off to conserve power.The wake-up timer period can be adjusted from 250ms to 39 days using configuration resistors. The system awake time can be controlled by the input pulse at theSLEEPpin or adjusted by the capacitor at the ONMAX pin. The LTC2956 operates over a wide supply input range from 1.5V to 36V. The low 800nA quiescent current suits battery powered applications.The pushbutton input allows the user to shutdown, turn on or reset the wake-up timer. With the timer in shutdown, the quiescent current drops to 300nA. The LTC2956 also provides three status outputs to indicate mode transitions and pushbutton events. Two versions are available for applications requiring either positive or negative enable polarities.ApplicationsHeartbeat TimersPeriodic Wake-Up ControlPortable and Battery-Powered EquipmentIntervalometersData Acquisition |
LTC2959Ultra-Low Power Battery Gas Gauge | Power Management (PMIC) | 2 | Active | The LTC2959 is an ultra-low power battery gas gauge that accurately measures charge, voltage, current and temperature. Its wide input voltage range and its low operating current make the LTC2959 suitable for many applications, including duty-cycled systems that operate over long lifetime.A precision coulomb counter integrates current through an external sense resistor connected at any point in the battery current path. A 16-bit ADC can be configured to measure voltage, current, temperature and/or an auxiliary input in single-shot, duty-cycled (1S/52s) or continuous mode (2.5kS/s). The measurements are stored in internal registers accessible via the onboard I2C/SMBus interface.The LTC2959 features programmable high and low thresholds and min/max tracking registers. If a threshold is exceeded, the device sets a flag in the internal status register and communicates an alert using the SMBus alert protocol when configured as such.APPLICATIONSRemote SensorsEnergy Harvesting SystemsLow-Power Handheld ProductsPower Tools |
LTC296036V Nano-Current Two-Input Voltage Monitor | PMIC | 26 | Active | The LTC2960 is a nano-current, high voltage two-input voltage monitor, ideally suited for multicell battery applications. External resistive dividers configure custom comparator thresholds. The supervisory circuit monitors the ADJ input and pulls theRSToutput low when the input drops below threshold. A reset timeout period delays the return of theRSToutput to a high state when the input rises above the threshold. The spare comparator allows voltage conditions to be detected with either a non-inverting input, IN+(LTC2960-1/LTC2960-3) or an inverting input, IN–(LTC2960-2/LTC2960-4). A manual reset (MR) input is provided for external activation of the reset output.Other options provided on the LTC2960-1/LTC2960-2 include a reset timeout period select pin, RT, to select between 15ms or 200ms reset timeout periods. The LTC2960-3/LTC2960-4 have a fixed 200ms reset timeout period. TheRSTand OUT outputs are available with active pull-up circuits to an output logic supply pin (LTC2960-3/LTC2960-4) or 36V open-drain outputs (LTC2960-1/LTC2960-2).ApplicationsPortable EquipmentBattery Powered EquipmentSecurity SystemsAutomotive Systems |