A
Analog Devices
| Series | Category | # Parts | Status | Description |
|---|---|---|---|---|
| Part | Spec A | Spec B | Spec C | Spec D | Description |
|---|---|---|---|---|---|
| Series | Category | # Parts | Status | Description |
|---|---|---|---|---|
| Part | Spec A | Spec B | Spec C | Spec D | Description |
|---|---|---|---|---|---|
| Series | Category | # Parts | Status | Description |
|---|---|---|---|---|
LTC2158-14Dual 14-Bit 310Msps ADC | Integrated Circuits (ICs) | 2 | Active | The LTC2158-14 is a 2-channel simultaneous sampling 310Msps 14-bit A/D converter designed for digitizing high frequency, wide dynamic range signals. It is perfect for demanding communications applications with AC performance that includes 68.8dB SNR and 88dB spurious free dynamic range (SFDR). The 1.25GHz input bandwidth allows the ADC to undersample high frequencies with good performance. The latency is only five clock cycles.DC specs include ±1.2LSB INL (typ), ±0.35LSB DNL (typ) and no missing codes over temperature. The transition noise is 2.11LSBRMS.The digital outputs are double data rate (DDR) LVDS.The ENC+and ENC–inputs can be driven differentially with a sine wave, PECL, LVDS, TTL, or CMOS inputs. An optional clockBitsLTC2158-1212LTC2158-1414ApplicationsCommunicationsCellular BasestationsSoftware Defined RadiosMedical ImagingHigh Definition VideoTesting and Measurement Instruments |
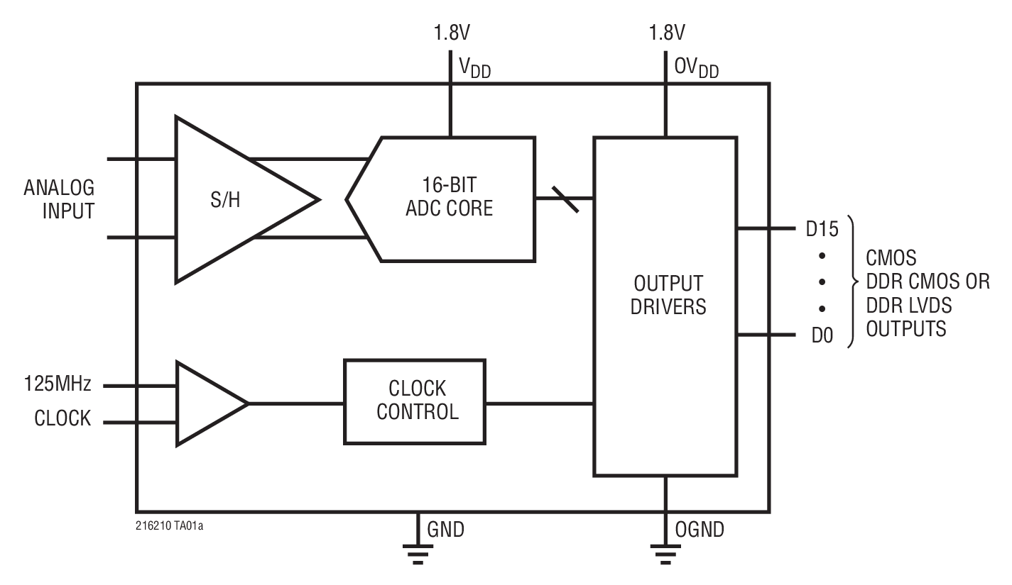
LTC216016-Bit, 25Msps Low Power ADCs | Data Acquisition | 2 | Active | The LTC2162/LTC2161/LTC2160 are sampling 16-bit A/D converters designed for digitizing high frequency, wide dynamic range signals. They are perfect for demanding communications applications with AC performance that includes 77dB SNR and 90dB spurious free dynamic range (SFDR). Ultralow jitter of 0.07psRMSallows undersampling of IF frequencies with excellent noise performance.DC specs include ±2LSB INL (typ), ±0.5LSB DNL (typ) and no missing codes over temperature. The transition noise is 3.3LSBRMS.The digital outputs can be either full rate CMOS, double data rate CMOS, or double data rate LVDS. A separate output power supply allows the CMOS output swing to range from 1.2V to 1.8V.The ENC+and ENC–inputs may be driven differentially or single-ended with a sine wave, PECL, LVDS, TTL, or CMOS inputs. An optional clock duty cycle stabilizer allows high performance at full speed for a wide range of clock duty cycles.ApplicationsCommunicationsCellular Base StationsSoftware Defined RadiosPortable Medical ImagingMultichannel Data AcquisitionNondestructive Testing |
LTC216116-Bit, 40Msps Low Power ADCs | Data Acquisition | 2 | Active | The LTC2162/LTC2161/LTC2160 are sampling 16-bit A/D converters designed for digitizing high frequency, wide dynamic range signals. They are perfect for demanding communications applications with AC performance that includes 77dB SNR and 90dB spurious free dynamic range (SFDR). Ultralow jitter of 0.07psRMSallows undersampling of IF frequencies with excellent noise performance.DC specs include ±2LSB INL (typ), ±0.5LSB DNL (typ) and no missing codes over temperature. The transition noise is 3.3LSBRMS.The digital outputs can be either full rate CMOS, double data rate CMOS, or double data rate LVDS. A separate output power supply allows the CMOS output swing to range from 1.2V to 1.8V.The ENC+and ENC–inputs may be driven differentially or single-ended with a sine wave, PECL, LVDS, TTL, or CMOS inputs. An optional clock duty cycle stabilizer allows high performance at full speed for a wide range of clock duty cycles.ApplicationsCommunicationsCellular Base StationsSoftware Defined RadiosPortable Medical ImagingMultichannel Data AcquisitionNondestructive Testing |
LTC216216-Bit, 65Msps Low Power ADCs | Data Acquisition | 2 | Active | The LTC2162/LTC2161/LTC2160 are sampling 16-bit A/D converters designed for digitizing high frequency, wide dynamic range signals. They are perfect for demanding communications applications with AC performance that includes 77dB SNR and 90dB spurious free dynamic range (SFDR). Ultralow jitter of 0.07psRMSallows undersampling of IF frequencies with excellent noise performance.DC specs include ±2LSB INL (typ), ±0.5LSB DNL (typ) and no missing codes over temperature. The transition noise is 3.3LSBRMS.The digital outputs can be either full rate CMOS, double data rate CMOS, or double data rate LVDS. A separate output power supply allows the CMOS output swing to range from 1.2V to 1.8V.The ENC+and ENC–inputs may be driven differentially or single-ended with a sine wave, PECL, LVDS, TTL, or CMOS inputs. An optional clock duty cycle stabilizer allows high performance at full speed for a wide range of clock duty cycles.ApplicationsCommunicationsCellular Base StationsSoftware Defined RadiosPortable Medical ImagingMultichannel Data AcquisitionNondestructive Testing |
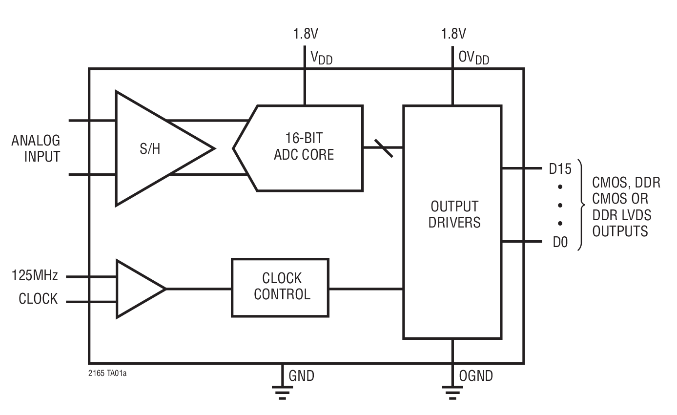
LTC216316-Bit, 80Msps Low Power ADCs | Analog to Digital Converters (ADC) | 2 | Active | The LTC2165/LTC2164/LTC2163 are sampling 16-bit A/D converters designed for digitizing high frequency, wide dynamic range signals. They are perfect for demanding communications applications with AC performance that includes 76.8dB SNR and 90dB spurious free dynamic range (SFDR). Ultralow jitter of 0.07psRMSallows undersampling of IF frequencies with excellent noise performance.DC specs include ±2LSB INL (typ), ±0.5LSB DNL (typ) and no missing codes over temperature. The transition noise is 3.4LSBRMS.The digital outputs can be either full rate CMOS, double data rate CMOS, or double data rate LVDS. A separate output power supply allows the CMOS output swing to range from 1.2V to 1.8V.The ENC+and ENC–inputs may be driven differentially or single-ended with a sine wave, PECL, LVDS, TTL, or CMOS inputs. An optional clock duty cycle stabilizer allows high performance at full speed for a wide range of clock duty cycles.ApplicationsCommunicationsCellular Base StationsSoftware Defined RadiosPortable Medical ImagingMultichannel Data AcquisitionNondestructive Testing |
LTC216416-Bit, 105Msps Low Power ADCs | Integrated Circuits (ICs) | 1 | Active | The LTC2165/LTC2164/LTC2163 are sampling 16-bit A/D converters designed for digitizing high frequency, wide dynamic range signals. They are perfect for demanding communications applications with AC performance that includes 76.8dB SNR and 90dB spurious free dynamic range (SFDR). Ultralow jitter of 0.07psRMSallows undersampling of IF frequencies with excellent noise performance.DC specs include ±2LSB INL (typ), ±0.5LSB DNL (typ) and no missing codes over temperature. The transition noise is 3.4LSBRMS.The digital outputs can be either full rate CMOS, double data rate CMOS, or double data rate LVDS. A separate output power supply allows the CMOS output swing to range from 1.2V to 1.8V.The ENC+and ENC–inputs may be driven differentially or single-ended with a sine wave, PECL, LVDS, TTL, or CMOS inputs. An optional clock duty cycle stabilizer allows high performance at full speed for a wide range of clock duty cycles.ApplicationsCommunicationsCellular Base StationsSoftware Defined RadiosPortable Medical ImagingMultichannel Data AcquisitionNondestructive Testing |
LTC216516-Bit, 125Msps Low Power ADCs | Data Acquisition | 3 | Active | The LTC2165/LTC2164/LTC2163 are sampling 16-bit A/D converters designed for digitizing high frequency, wide dynamic range signals. They are perfect for demanding communications applications with AC performance that includes 76.8dB SNR and 90dB spurious free dynamic range (SFDR). Ultralow jitter of 0.07psRMS allows undersampling of IF frequencies with excellent noise performance.DC specs include ±2LSB INL (typ), ±0.5LSB DNL (typ) and no missing codes over temperature. The transition noise is 3.4LSBRMS.The digital outputs can be either full rate CMOS, double data rate CMOS, or double data rate LVDS. A separate output power supply allows the CMOS output swing to range from 1.2V to 1.8V.The ENC+and ENC–inputs may be driven differentially or single-ended with a sine wave, PECL, LVDS, TTL, or CMOS inputs. An optional clock duty cycle stabilizer allows high performance at full speed for a wide range of clock duty cycles.ApplicationsCommunicationsCellular Base StationsSoftware Defined RadiosPortable Medical ImagingMultichannel Data AcquisitionNondestructive Testing |
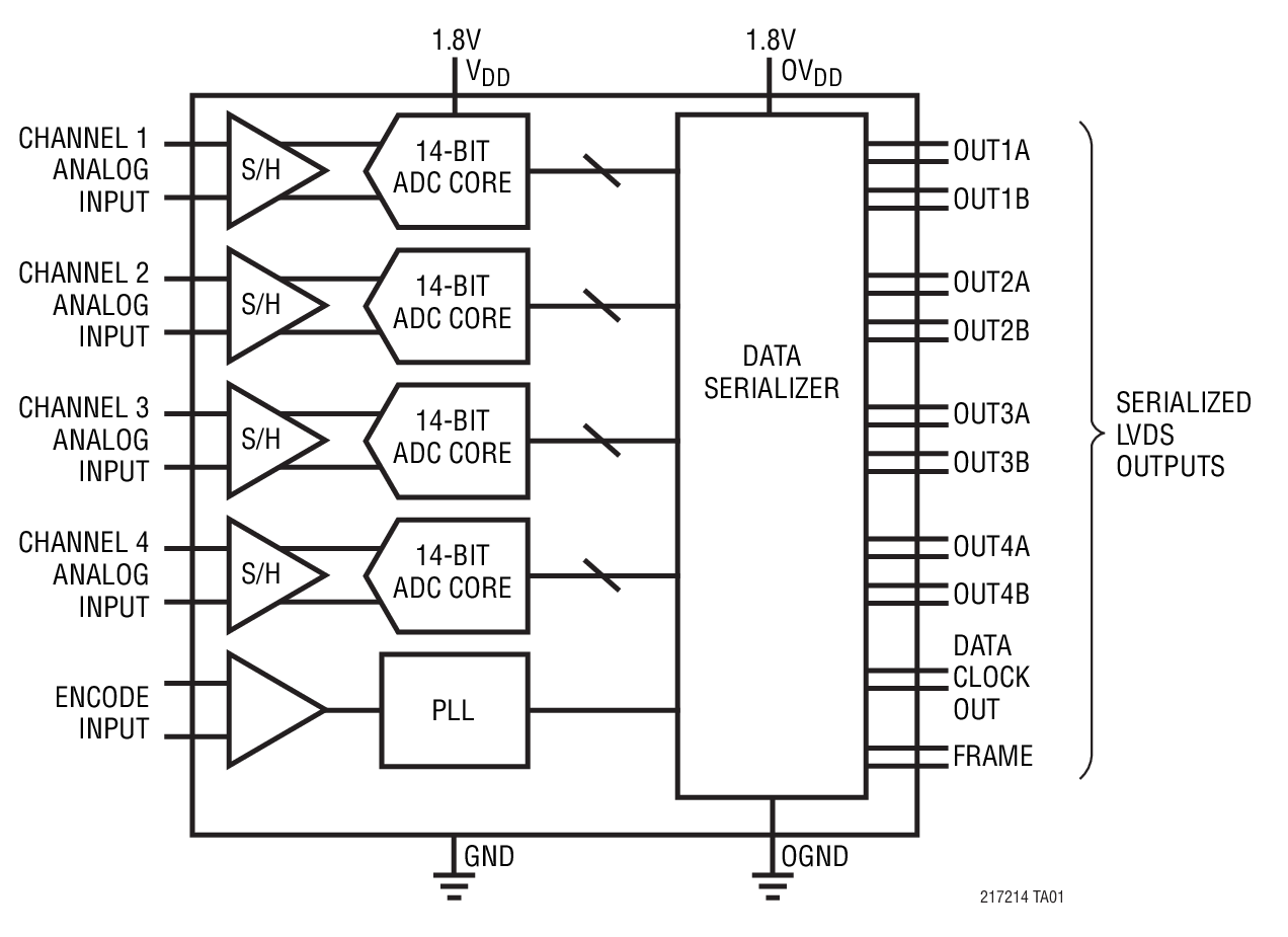
LTC2170-1212-Bit, 25Msps Low Power Quad ADCs | Data Acquisition | 1 | Active | The LTC2172-12/LTC2171-12/LTC2170-12 are 4-channel, simultaneous sampling 12-bit A/D converters designed for digitizing high frequency, wide dynamic range signals. They are perfect for demanding communications applications with AC performance that includes 71dB SNR and 90dB spurious free dynamic range (SFDR). An ultralow jitter of 0.15psRMSallows undersampling of IF frequencies with excellent noise performance.DC specifications include ±0.3LSB INL (typ), ±0.1LSB DNL (typ) and no missing codes over temperature. The transition noise is a low 0.3LSBRMS.The digital outputs are serial LVDS to minimize the number of data lines. Each channel outputs two bits at a time (2-lane mode) or one bit at a time (1-lane mode). The LVDS drivers have optional internal termination and adjustable output levels to ensure clean signal integrity.The ENC+and ENC–inputs may be driven differentially or single-ended with a sine wave, PECL, LVDS, TTL or CMOS inputs. An internal clock duty cycle stabilizer allows high performance at full speed for a wide range of clock duty cycles.BitsLTC2170-1212LTC2170-1414ApplicationsCommunicationsCellular Base StationsSoftware Defined RadiosPortable Medical ImagingMultichannel Data AcquisitionNondestructive Testing |
LTC2170-1414-Bit, 25Msps Low Power Quad ADCs | Data Acquisition | 2 | Active | The LTC2172-14/LTC2171-14/LTC2170-14 are 4-channel, simultaneous sampling 14-bit A/D converters designed for digitizing high frequency, wide dynamic range signals. They are perfect for demanding communications applications with AC performance that includes 73.7dB SNR and 90dB spurious free dynamic range (SFDR). An ultralow jitter of 0.15psRMSallows undersampling of IF frequencies with excellent noise performance.DC specifications include ±1LSB INL (typ), ±0.3LSB DNL (typ) and no missing codes over temperature. The transition noise is a low 1.2LSBRMS.The digital outputs are serial LVDS to minimize the number of data lines. Each channel outputs two bits at a time (2-lane mode) or one bit at a time (1-lane mode). The LVDS drivers have optional internal termination and adjustable output levels to ensure clean signal integrity.The ENC+and ENC–inputs may be driven differentially or single-ended with a sine wave, PECL, LVDS, TTL or CMOS inputs. An internal clock duty cycle stabilizer allows high performance at full speed for a wide range of clock duty cycles.BitsLTC2170-1212LTC2170-1414ApplicationsCommunicationsCellular Base StationsSoftware Defined RadiosPortable Medical ImagingMultichannel Data AcquisitionNondestructive Testing |
LTC2171-1212-Bit, 40Msps Low Power Quad ADCs | Data Acquisition | 5 | Active | The LTC2172-12/LTC2171-12/LTC2170-12 are 4-channel, simultaneous sampling 12-bit A/D converters designed for digitizing high frequency, wide dynamic range signals. They are perfect for demanding communications applications with AC performance that includes 71dB SNR and 90dB spurious free dynamic range (SFDR). An ultralow jitter of 0.15psRMSallows undersampling of IF frequencies with excellent noise performance.DC specifications include ±0.3LSB INL (typ), ±0.1LSB DNL (typ) and no missing codes over temperature. The transition noise is a low 0.3LSBRMS.The digital outputs are serial LVDS to minimize the number of data lines. Each channel outputs two bits at a time (2-lane mode) or one bit at a time (1-lane mode). The LVDS drivers have optional internal termination and adjustable output levels to ensure clean signal integrity.The ENC+and ENC–inputs may be driven differentially or single-ended with a sine wave, PECL, LVDS, TTL or CMOS inputs. An internal clock duty cycle stabilizer allows high performance at full speed for a wide range of clock duty cycles.BitsLTC2171-1212LTC2171-1414ApplicationsCommunicationsCellular Base StationsSoftware Defined RadiosPortable Medical ImagingMultichannel Data AcquisitionNondestructive Testing |
| Part | Category | Description |
|---|---|---|
Analog Devices ADM6713RAKSZ-REELObsolete | Integrated Circuits (ICs) | IC SUPERVISOR 1 CHANNEL SC70-4 |
Analog Devices | RF and Wireless | RF AMP SINGLE GENERAL PURPOSE RF AMPLIFIER 20GHZ 3.6V 22-PIN DIE TRAY |
Analog Devices | Integrated Circuits (ICs) | LOW NOISE, SWITCHED CAPACITOR REGULATED VOLTAGE INVERTERS |
Analog Devices | Integrated Circuits (ICs) | QUAD 16-BIT/12-BIT ±10V VOUTSOFTSPAN DACS WITH 10PPM/°C MAX REFERENCE |
Analog Devices | Integrated Circuits (ICs) | SERIAL 14-BIT, 3.5MSPS SAMPLING ADC WITH BIPOLAR INPUTS |
Analog Devices | Integrated Circuits (ICs) | ISOSPI ISOLATED COMMUNICATIONS INTERFACE |
Analog Devices | Integrated Circuits (ICs) | 4.5A, 500KHZ STEP-DOWN SWITCHING REGULATOR |
Analog Devices | Integrated Circuits (ICs) | 300 MA, LOW QUIESCENT CURRENT, ADJUSTABLE OUTPUT, CMOS LINEAR REGULATOR |
Analog Devices AD767KNObsolete | Integrated Circuits (ICs) | IC DAC 12BIT V-OUT 24DIP |
Analog Devices | Integrated Circuits (ICs) | QUAD 12-/10-/8-BIT RAIL-TO-RAIL DACS WITH 10PPM/°C REFERENCE |