A
Analog Devices
| Series | Category | # Parts | Status | Description |
|---|---|---|---|---|
| Part | Spec A | Spec B | Spec C | Spec D | Description |
|---|---|---|---|---|---|
| Series | Category | # Parts | Status | Description |
|---|---|---|---|---|
| Part | Spec A | Spec B | Spec C | Spec D | Description |
|---|---|---|---|---|---|
| Part | Category | Description |
|---|---|---|
Analog Devices ADM6713RAKSZ-REELObsolete | Integrated Circuits (ICs) | IC SUPERVISOR 1 CHANNEL SC70-4 |
Analog Devices | RF and Wireless | RF AMP SINGLE GENERAL PURPOSE RF AMPLIFIER 20GHZ 3.6V 22-PIN DIE TRAY |
Analog Devices | Integrated Circuits (ICs) | LOW NOISE, SWITCHED CAPACITOR REGULATED VOLTAGE INVERTERS |
Analog Devices | Integrated Circuits (ICs) | QUAD 16-BIT/12-BIT ±10V VOUTSOFTSPAN DACS WITH 10PPM/°C MAX REFERENCE |
Analog Devices | Integrated Circuits (ICs) | SERIAL 14-BIT, 3.5MSPS SAMPLING ADC WITH BIPOLAR INPUTS |
Analog Devices | Integrated Circuits (ICs) | ISOSPI ISOLATED COMMUNICATIONS INTERFACE |
Analog Devices | Integrated Circuits (ICs) | 4.5A, 500KHZ STEP-DOWN SWITCHING REGULATOR |
Analog Devices | Integrated Circuits (ICs) | 300 MA, LOW QUIESCENT CURRENT, ADJUSTABLE OUTPUT, CMOS LINEAR REGULATOR |
Analog Devices AD767KNObsolete | Integrated Circuits (ICs) | IC DAC 12BIT V-OUT 24DIP |
Analog Devices | Integrated Circuits (ICs) | QUAD 12-/10-/8-BIT RAIL-TO-RAIL DACS WITH 10PPM/°C REFERENCE |
| Series | Category | # Parts | Status | Description |
|---|---|---|---|---|
LTC17535-Bit Programmable Synchronous Switching Regulator Controller for Pentium®III Processor | Special Purpose Regulators | 1 | Active | The LTC1753 is a high power, high efficiency switching regulator controller optimized for 5V input to a digitally programmable 1.3V-3.5V output. The internal 5-bit DAC programs the output voltage from 1.3V to 2.05V in 50mV increments and from 2.1V to 3.5V in 100mV increments. The precision internal reference and an internal feedback system provide an output accuracy of ±1.5% at room temperature and typically ±2% over temperature, load current and line voltage shifts. The LTC1753 uses a synchronous switching architecture with two external N-channel output devices, providing high efficiency and eliminating the need for a high power, high cost P-channel device. Additionally, it senses the output current across the on-resistance of the upper N-channel FET, providing an adjustable current limit without an external low value sense resistor.The LTC1753 free-runs at 300kHz and can be synchronized to a faster external clock if desired. It provides a phase lead compensation scheme and under harsh loading conditions, the PWM duty cycle can be momentarily forced to 0% or 100% to reduce the output voltage recovery time.ApplicationsPower Supply for Pentium®III, AMD-K6®-2, SPARC, ALPHA and PA-RISC MicroprocessorsHigh Power 5V to 1.3V-3.5V Regulators |
LTC1754Micropower, Regulated 3.3V/5V Charge Pump with Shutdown in SOT-23 | Voltage Regulators - DC DC Switching Regulators | 1 | Active | The LTC1754 is a micropower charge pump DC/DC converter that produces a regulated output. The input voltage range is 2V to 4.4V for 3.3V output and 2.7V to 5.5V for 5V output. Extremely low operating current and a low external parts count (one flying capacitor and two small bypass capacitors at VINand VOUT) make the LTC1754 ideally suited for small, battery-powered applications. The total component area of the application circuit shown below is only 0.052 inch².The LTC1754 operates as a Burst Mode™switched capacitor voltage doubler to produce a regulated output. It has thermal shutdown capability and can survive a continuous short circuit from VOUTto GND.The LTC1754 is available in a 6-pin SOT-23 package.ApplicationsSIM Interface Supplies for GSM Cellular TelephonesWhite LED Power SuppliesLi-Ion Battery Backup SuppliesHandheld ComputersSmart Card ReadersPCMCIA Local 5V Supplies |
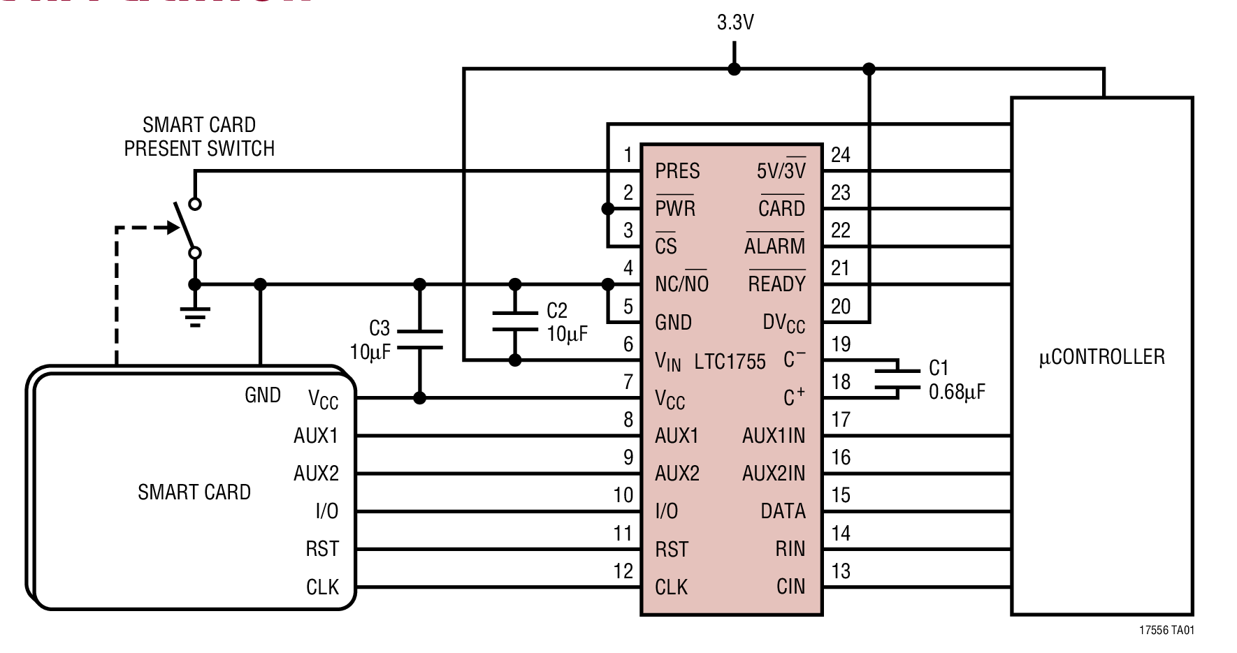
LTC1755Smart Card Interface | Interface | 1 | Active | The LTC1755/LTC1756 universal Smart Card interfaces are fully compliant with ISO 7816-3 and EMV specifications. The parts provide the smallest and simplest interface circuits between a host microcontroller and general purpose Smart Cards.An internal charge pump DC/DC converter delivers regulated 3V or 5V to the Smart Card, while on-chip level shifters allow connection to a low voltage controller. All Smart Card contacts are rated for 10kV ESD, eliminating the need for external ESD protection devices.Input voltage may range from 2.7V to 6.0V, allowing direct connection to a battery. Internal soft-start mitigates start-up problems that may result when the input power is provided by another regulator. Multiple devices may be paralleled and connected to a single controller for multicard applications.Battery life is maximized by 60µA operating current and 1µA shutdown current. The narrow SSOP packages minimize PCB area for compact portable systems.ApplicationsHandheld Payment TerminalsPay TelephonesKey Chain ReadersSmart Card Readers |
LTC1759Smart Battery Charger | PMIC | 1 | Active | The LTC1759 Smart Battery Charger is a single chip charging solution that dramatically simplifies construction of an SBS compliant system. The LTC1759 implements a Level 2 charger function whereby the charger can be programmed by the battery or by the host. A thermistor on the battery being charged is monitored for temperature, connectivity and battery type information. The SMBus interface remains alive when the AC power adapter is removed and responds to all SMBus activity directed to it, including thermistor status (via the ChargerStatus command). The charger also provides an interrupt to the host whenever a status change is detected (e.g., battery removal, AC adapter connection).Charging current and voltage are restricted to chemistry specific limits for improved system safety and reliability. Limits are programmable by two external resistors. Additionally, the maximum average current from the AC adapter is programmable to avoid overloading the adapter when simultaneously supplying load current and charging current. When supplying system load current, charging current is automatically reduced to prevent adapter overload.ApplicationsPortable ComputersPortable InstrumentsDocking Stations |
LTC1760Dual Smart Battery System Manager | Power Management (PMIC) | 4 | Active | The LTC1760 Smart Battery System Manager is a highly-integrated SMBus Level 3 battery charger and selector intended for products using dual smart batteries. Three SMBus interfaces allow the LTC1760 to servo to the internal voltage and currents measured by the batteries while allowing an SMBus Host device to monitor either battery’s status. Charging accuracy is determined by the battery’s internal voltage and current measurements, typically better than ±0.2%.A proprietary PowerPath architecture supports simultaneous charging or discharging of both batteries. Typical battery run times are extended by up to 10%, while charging times are reduced by up to 50%. The LTC1760 automatically switches between power sources in less than 10μs to prevent power interruption upon battery or wall adapter removal.The LTC1760 implements all elements of a version 1.1 "Smart Battery System Manager" except for the generation of composite battery information. An internal multiplexer cleanly switches the SMBus Host to either of the two attached Smart Batteries without generating partial messages to batteries or SMBus Host. Thermistors on both batteries are automatically monitored for temperature and disconnection information (SafetySignal).ApplicationsPortable Computers and InstrumentsStandalone Dual Smart Battery ChargersBattery Backup Systems |
LTC177110µA Quiescent Current High Efficiency Step-Down DC/DC Controller | Power Management (PMIC) | 2 | Active | The LTC1771 is a high efficiency current mode step-down DC/DC controller that draws as little as 10µA DC supply current to regulate the output at no load while maintaining high efficiency for loads up to several amps.The LTC1771 drives an external P-channel power MOSFET using a current mode, constant off-time architecture. An external sense resistor is used to program the operating current level. Current mode control provides short-circuit protection, excellent transient response and controlled start-up behavior. Burst Mode operation enables the LTC1771 to maintain high efficiency down to extremely low currents. Shutdown mode further reduces the supply current to a mere 2µA. For low noise applications, Burst Mode operation can be easily disabled with the MODE pin.Wide input supply range of 2.8V to 18V (20V maximum) and 100% duty cycle operation for low dropout make the LTC1771 ideal for a wide variety of battery-powered applications where maximizing battery life is important.The LTC1771’s availability in both 8-lead MSOP and SO packages provides for a minimum area solution.ApplicationsCellular Telephones and Wireless Modems1- to 4-Cell Lithium-Ion-Powered ApplicationsPortable InstrumentsBattery-Powered EquipmentBattery ChargersScanners |
LTC1772BConstant Frequency Current Mode Step-Down DC/DC Controller in SOT-23 | Voltage Regulators - DC DC Switching Controllers | 4 | Active | The LTC1772B is a constant frequency current mode step-down DC/DC controller providing excellent AC and DC load and line regulation. The device incorporates an accurate undervoltage lockout feature that shuts down the LTC1772B when the input voltage falls below 2.0V.The LTC1772B provides a ±2.5% output voltage accuracy and consumes only 270µA of quiescent current. In shutdown, the device draws a mere 8µA.To further maximize the life of a battery source, the external P-channel MOSFET is turned on continuously in dropout (100% duty cycle). High constant operating frequency of 550kHz allows the use of a small external inductor.The LTC1772B is available in a small footprint 6-lead SOT-23.For a Burst Mode operation enabled version of the LTC1772B, please refer to the LTC1772 data sheet.Burst ModeLTC1772YesLTC1772BNoApplicationsOne or Two Lithium-Ion-Powered ApplicationsCellular TelephonesWireless DevicesPortable ComputersDistributed 3.3V, 2.5V or 1.8V Power Systems |
LTC1773Synchronous Step-Down DC/DC Controller | Power Management (PMIC) | 2 | Active | The LTC1773 is a current mode synchronous buck regulator controller that drives external complementary power MOSFETs using a fixed frequency architecture. The operating supply range is from 2.65V to 8.5V, making it suitable for 1- or 2-cell lithium-ion battery powered applications. Burst Mode®operation provides high efficiency at low load currents. 100% duty cycle provides low dropout operation which extends operating time in battery-operated systems.The operating frequency is internally set at 550kHz, allowing the use of small surface mount inductors. For switching-noise sensitive applications, it can be synchronized up to 750kHz. Peak current limit is user programmable with an external high side sense resistor. A SYNC/FCB control pin guarantees regulation of secondary windings regardless of load on the main output by forcing continuous operation. Burst Mode operation is inhibited during synchronization or when the SYNC/FCB pin is pulled low to reduce noise and RF interference. Soft-start is provided by an external capacitor.Synchronous rectification increases efficiency and eliminates the need for a Schottky diode, saving components and board space. The LTC1773 comes in a 10-lead MSOP package.ApplicationsCellular TelephonesRF PA SupplyPortable InstrumentsWireless MODEMSDistributed Power SystemsNotebook and Palm Top Computers, PDAsSingle and Dual Cell Lithium-Ion Powered Devices |
LTC1775High Power No RSENSE™Current Mode Synchronous Step-Down Switching Regulator | PMIC | 2 | Active | The LTC1775 is a synchronous step-down switching regulator controller that drives external N-channel power MOSFETs using few external components. Current mode control with MOSFET VDSsensing eliminates the need for a sense resistor and improves efficiency. Largely similar to the LTC1625, the LTC1775 has twice the maximum sense voltage for high current applications. The frequency of a nominal 150kHz internal oscillator can be synchronized to an external clock over a 1.5:1 frequency range.Burst Mode™operation at low load currents reduces switching losses and low dropout operation extends operating time in battery-powered systems. A forced continuous mode control pin can assist secondary winding regulation by disabling Burst Mode operation when the main output is lightly loaded.Fault protection is provided by foldback current limiting and an output overvoltage comparator. An external capacitor attached to the RUN/SS pin provides soft start capability for supply sequencing. A wide supply range allows operation from 4V (4.3V for LTC1775I) to 36V at the input and 1.19V to VINat the output.ApplicationsNotebook ComputersAutomotive ElectronicsBattery ChargersDistributed Power Systems |
LTC1778LTC1778-1Wide Operating Range, No RSENSE Step-Down Controller | Power Management (PMIC) | 4 | Active | The LTC1778 is a synchronous stepdown switching regulator controller optimized for CPU power. The controller uses a valley current control architecture to deliver very low duty cycles with excellent transient response without requiring a sense resistor. Operating frequency is selected by an external resistor and is compensated for variations in VIN.Discontinuous mode operation provides high efficiency operation at light loads. A forced continuous control pin reduces noise and RF interference, and can assist secondary winding regulation by disabling discontinuous operation when the main output is lightly loaded.Fault protection is provided by internal foldback current limiting, an output overvoltage comparator and optional short-circuit shutdown timer. Soft-start capability for supply sequencing is accomplished using an external timing capacitor. The regulator current limit level is user programmable. Wide supply range allows operation from 4V to 36V at the input and from 0.8V up to (0.9)VINat the output.ApplicationsNotebook and Palmtop Computers, PDAsDistributed Power Systems |