LTC1536Precision Triple Supply Monitor for PCI Applications | Power Management (PMIC) | 3 | Active | The LTC1536 is designed for PCI local bus applications with multiple supply voltages that require low power, small size, high speed and high accuracy supply monitoring.For 3.3V and 5V supplies that are >500mV below spec or for the condition when the 5V supply falls below the 3.3V supply, the LTC1536 has a very fast response time capable of meeting the PCI tFAILtiming specification. Tight 0.75% threshold accuracy and glitch immunity ensure reliable reset operation without false triggering.TheRSToutput is guaranteed to be in the correct state for VCC5or VCC3down to 1V. The 100µA typical supply current makes the LTC1536 ideal for power-conscious systems.A manual pushbutton reset input provides the ability to generate a very narrow "soft" reset pulse (100µs typ) or a 200ms reset pulse equivalent to a power-on reset. BothSRSTandRSToutputs are open-drain and can be OR-tied with other reset sources.ApplicationsPCI-Based SystemsDesktop ComputersNotebook ComputersIntelligent InstrumentsPortable Battery-Powered EquipmentNetwork Servers |
LTC1538-AUXDual High Efficiency, Low Noise, Synchronous Step-Down Switching Regulators | Integrated Circuits (ICs) | 2 | Active | The LTC1538-AUX/LTC1539 are dual, synchronous step-down switching regulator controllers which drive external N-channel power MOSFETs in a phase-lockable fixed frequency architecture. The Adaptive PowerTMoutput stage selectively drives two N-channel MOSFETs at frequencies up to 400kHz while reducing switching losses to maintain high efficiencies at low output currents.An auxiliary 0.5A linear regulator using an external PNP pass device provides a low noise, low dropout voltage source. A secondary winding feedback control pin (SFB1) guarantees regulation regardless of load on the main output by forcing continuous operation.A 5V/20mA regulator, internal 1.19V reference and an uncommitted comparator remain active when both controllers are shut down. A power-on reset timer (POR) is included which generates a signal delayed by 65536/fCLK(typ 300ms) after the controller’s output is within 5% of the regulated first voltage. Internal resistive dividers provide pin selectable output voltages with remote sense capability on one of the two outputs.The operating current levels are user-programmable via external current sense resistors. Wide input supply range allows operation from 3.5V to 30V (36V maximum).ApplicationsNotebook and Palmtop Computers, PDAsPortable InstrumentsBattery-Operated DevicesDC Power Distribution Systems |
LTC1539Dual High Efficiency, Low Noise, Synchronous Step-Down Switching Regulators | Voltage Regulators - DC DC Switching Controllers | 1 | Active | The LTC1538-AUX/LTC1539 are dual,synchronous step- down switching regulator controllers which drive external N-channel power MOSFETs in a phase-lockable fixed frequency architecture. The Adaptive PowerTMoutput stage selectively drives two N-channel MOSFETs at frequencies up to 400kHz while reducing switching losses to maintain high efficiencies at low output currents.An auxiliary 0.5A linear regulator using an external PNP pass device provides a low noise, low dropout voltage source. A secondary winding feedback control pin (SFB1) guarantees regulation regardless of load on the main output by forcing continuous operation.A 5V/20mA regulator, internal 1.19V reference and an uncommitted comparator remain active when both controllers are shut down. A power-on reset timer (POR) is included which generates a signal delayed by 65536/fCLK(typ 300ms) after the controller’s output is within 5% of the regulated first voltage. Internal resistive dividers provide pin selectable output voltages with remote sense capability on one of the two outputs.The operating current levels are user-programmable via external current sense resistors. Wide input supply range allows operation from 3.5V to 30V (36V maximum).ApplicationsNotebook and Palmtop Computers, PDAsPortable InstrumentsBattery-Operated DevicesDC Power Distribution Systems |
LTC1540Nanopower Comparator with Reference | Linear | 2 | Active | The LTC1540 is an ultralow power, single comparator with built-in reference. The comparator’s features include less than 0.6µA supply current over the commercial temperature range, a 1.182V ±2% reference, programmable hysteresis and TTL/CMOS outputs that sink and source current. The reference output can drive a bypass capacitor of up to 0.01µF without oscillation.The comparator operates from a single 2V to 11V supply or a dual ±1V to ±5.5V supply. Comparator hysteresis is easily programmed by using two resistors and the HYST pin. Each comparator’s input operates from the negative supply to within 1.3V of the positive supply. The comparator output stage can continuously source up to 40mA. By eliminating the cross-conducting current that normally occur when the comparator changes logic states, power supply glitches are eliminated.The LTC1540 is available in the 8-pin MSOP and SO packages. For space limited applications, the LTC1540 is available in a 3mm × 3mm low profile (0.8mm) dual fine-pitch leadless package (DFN).ApplicationsBattery-Powered System MonitoringThreshold DetectorsWindow ComparatorsOscillator Circuits |
LTC1541Micropower Op Amp, Comparator and Reference | Linear | 2 | Active | The LTC1541/LTC1542 combine a micropower amplifier, comparator and bandgap reference (LTC1541) in an 8-pin package. The part operates from a single 2.5V to 12.6V or dual ±1.25V to ±6.3V supply with a typical supply current of 5µA. Both the op amp and comparator feature a common mode input voltage range that extends from the negative supply to within 1.3V of the positive supply. The op amp output stage swings from rail-to-rail. The comparator's inverting input is internally connected to the reference output (LTC1541).The reference output voltage is 1.2V ±1% over the extended temperature range. The output can drive a bypass capacitor of up to 0.01µF without any oscillations. It can also source up to 2mA and sink up to 20µA.The op amp is internally compensated to be unity-gain stable with typical GBW at 12kHz and slew rate of 8V/ms. The comparator has ±2.25mV of internal hysteresis to ensure clean output switching, even with slow moving input signals.The LTC1541/LTC1542 are available in MSOP and SO-8 packages. For space-limited applications, the LTC1541/LTC1542 are available in a 3mm × 3mm low profile (0.8mm) dual fine-pitch leadless package (DFN).ApplicationsBattery- or Solar-Powered SystemsAutomotive Keyless EntryLow Frequency, Local Area Alarms/DetectorsInfrared Receivers for Remote ControlsSmoke Detectors and Safety SensorsGSM Portable Phones |
LTC1542Micropower Op Amp, Comparator and Reference | Integrated Circuits (ICs) | 2 | Active | The LTC1541/LTC1542 combine a micropower amplifier, comparator and bandgap reference (LTC1541) in an 8-pin package. The part operates from a single 2.5V to 12.6V or dual ±1.25V to ±6.3V supply with a typical supply current of 5µA. Both the op amp and comparator feature a common mode input voltage range that extends from the negative supply to within 1.3V of the positive supply. The op amp output stage swings from rail-to-rail. The comparator's inverting input is internally connected to the reference output (LTC1541).The reference output voltage is 1.2V ±1% over the extended temperature range. The output can drive a bypass capacitor of up to 0.01µF without any oscillations. It can also source up to 2mA and sink up to 20µA.The op amp is internally compensated to be unity-gain stable with typical GBW at 12kHz and slew rate of 8V/ms. The comparator has ±2.25mV of internal hysteresis to ensure clean output switching, even with slow moving input signals.The LTC1541/LTC1542 are available in MSOP and SO-8 packages. For space-limited applications, the LTC1541/LTC1542 are available in a 3mm × 3mm low profile (0.8mm) dual fine-pitch leadless package (DFN).ApplicationsBattery- or Solar-Powered SystemsAutomotive Keyless EntryLow Frequency, Local Area Alarms/DetectorsInfrared Receivers for Remote ControlsSmoke Detectors and Safety SensorsGSM Portable Phones |
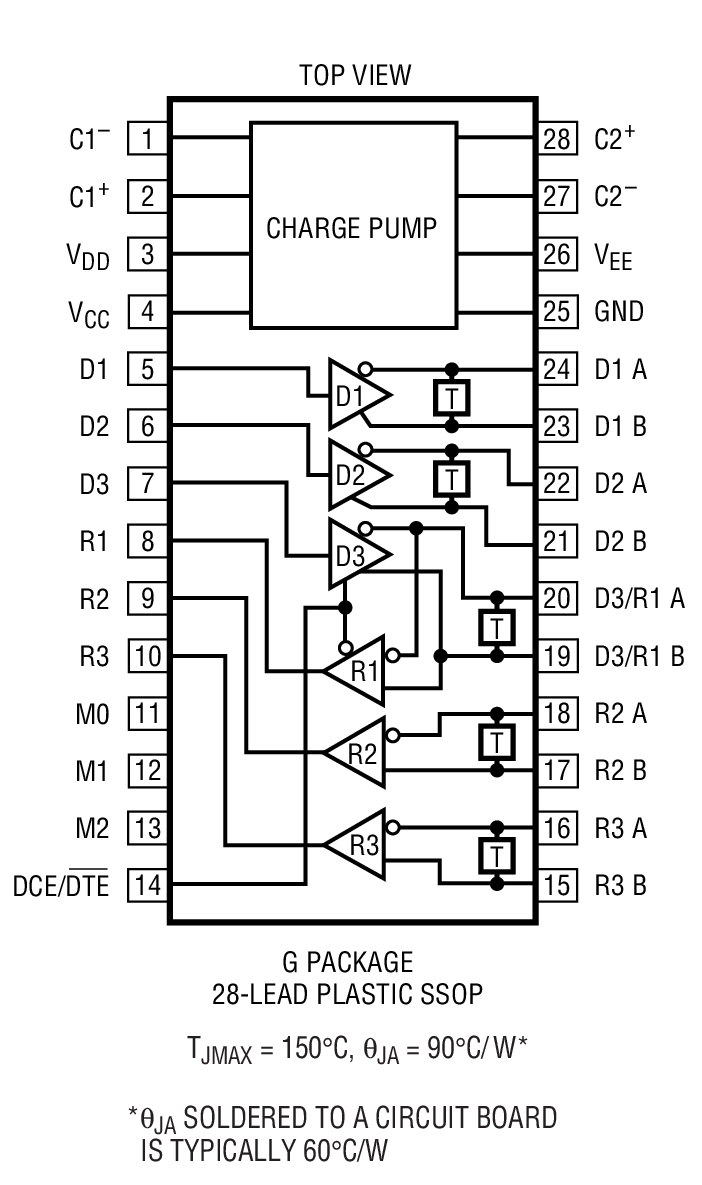
LTC1543Software-Selectable Multiprotocol Transceiver | Interface | 1 | Active | The LTC1543 is a 3-driver/3-receiver multiprotocol transceiver that operates from a single 5V supply. The LTC1543 and LTC1544 form the core of a complete software-selectable DTE or DCE interface port that supports the RS232, RS449, EIA530, EIA530-A, V.35, V.36 or X.21 protocols. Cable termination may be implemented using the LTC1344A software-selectable cable termination chip or by using existing discrete designs.The LTC1543 runs from a single 5V supply using an internal charge pump that requires only five space-saving surface mounted capacitors. The part is available in a 28-lead SSOP surface mount package.ApplicationsData NetworkingCSU and DSUData Routers |
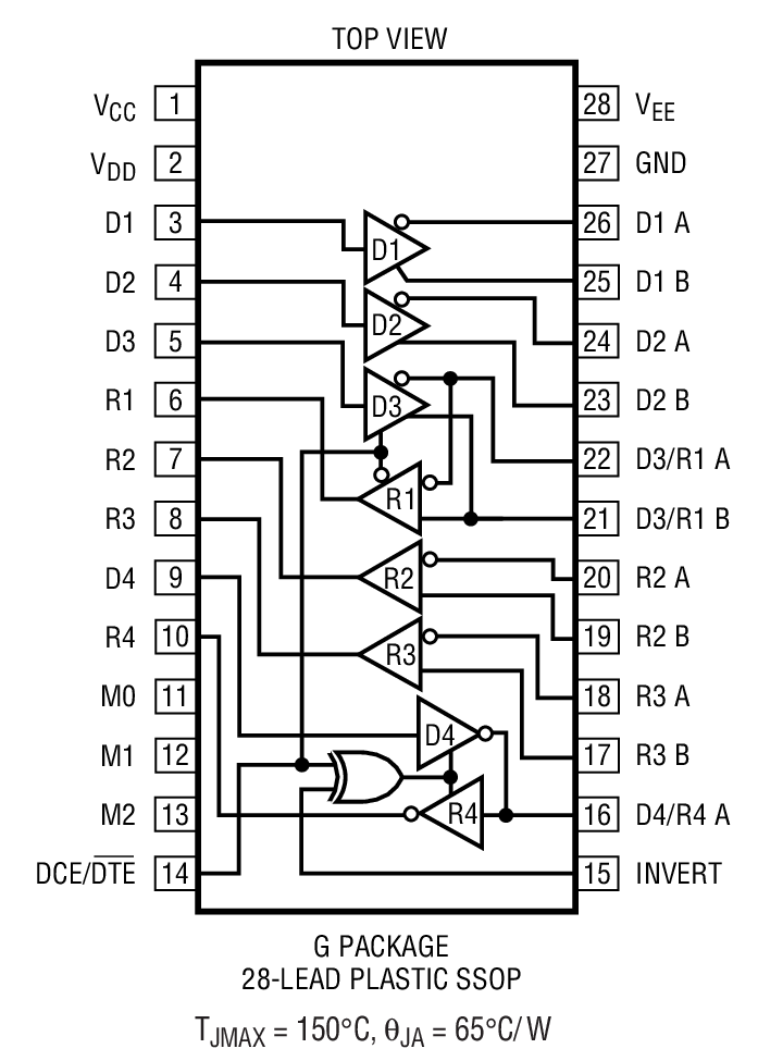
LTC1544Software-Selectable Multiprotocol Transceiver | Drivers, Receivers, Transceivers | 4 | Active | The LTC1544 is a 4-driver/4-receiver multiprotocol transceiver. The LTC1544 and LTC1543 form the core of a complete software-selectable DTE or DCE interface port that supports the RS232, RS449, EIA530, EIA530-A, V.35, V.36 or X.21 protocols. Cable termination for the LTC1543 may be implemented using the LTC1344A software-selectable cable termination chip or by using existing discrete designs. The LTC1546 includes software-selectable cable termination on-chip.The LTC1544 runs from a 5V supply and the charge pump on the LTC1543 or LTC1546. The part is available in a 28-lead SSOP surface mount package.ApplicationsData NetworkingCSU and DSUData Routers |
LTC1545Software-Selectable Multiprotocol Transceiver | Drivers, Receivers, Transceivers | 2 | Active | The LTC1545 is a 5-driver/5-receiver multiprotocol transceiver. The LTC1545 and LTC1543 form the core of a complete software-selectable DTE or DCE interface port that supports the RS232, RS449, EIA530, EIA530-A, V.35, V.36 or X.21 protocols. Cable termination may be implemented using the LTC1344A software-selectable cable termination chip or by using existing discrete designs.The LTC1545 runs from a 5V supply and the charge pump on the LTC1543. The part is available in a 36-lead SSOP surface mount package.ApplicationsData NetworkingCSU and DSUData Routers |
LTC1546Software-Selectable Multiprotocol Transceiver with Termination | Drivers, Receivers, Transceivers | 1 | Active | The LTC1546 is a 3-driver/3-receiver multiprotocol transceiver with on-chip cable termination. When combined with the LTC1544, this chip set forms a complete software-selectable DTE or DCE interface port that supports the RS232, RS449, EIA530, EIA530-A, V.35, V.36 and X.21 protocols. All necessary cable termination is provided inside the LTC1546. In most applications, the LTC1546 replaces both an LTC1543 and an LTC1344A without any changes to the PC board.The LTC1546 runs from a single 5V supply using an internal charge pump that requires only five space-saving surface mounted capacitors. The LTC1546 is available in a 28-lead SSOP surface mount package.ApplicationsData NetworkingCSU and DSUData Routers |