A
Analog Devices
| Series | Category | # Parts | Status | Description |
|---|---|---|---|---|
| Part | Spec A | Spec B | Spec C | Spec D | Description |
|---|---|---|---|---|---|
| Series | Category | # Parts | Status | Description |
|---|---|---|---|---|
| Part | Spec A | Spec B | Spec C | Spec D | Description |
|---|---|---|---|---|---|
| Part | Category | Description |
|---|---|---|
Analog Devices ADM6713RAKSZ-REELObsolete | Integrated Circuits (ICs) | IC SUPERVISOR 1 CHANNEL SC70-4 |
Analog Devices | RF and Wireless | RF AMP SINGLE GENERAL PURPOSE RF AMPLIFIER 20GHZ 3.6V 22-PIN DIE TRAY |
Analog Devices | Integrated Circuits (ICs) | LOW NOISE, SWITCHED CAPACITOR REGULATED VOLTAGE INVERTERS |
Analog Devices | Integrated Circuits (ICs) | QUAD 16-BIT/12-BIT ±10V VOUTSOFTSPAN DACS WITH 10PPM/°C MAX REFERENCE |
Analog Devices | Integrated Circuits (ICs) | SERIAL 14-BIT, 3.5MSPS SAMPLING ADC WITH BIPOLAR INPUTS |
Analog Devices | Integrated Circuits (ICs) | ISOSPI ISOLATED COMMUNICATIONS INTERFACE |
Analog Devices | Integrated Circuits (ICs) | 4.5A, 500KHZ STEP-DOWN SWITCHING REGULATOR |
Analog Devices | Integrated Circuits (ICs) | 300 MA, LOW QUIESCENT CURRENT, ADJUSTABLE OUTPUT, CMOS LINEAR REGULATOR |
Analog Devices AD767KNObsolete | Integrated Circuits (ICs) | IC DAC 12BIT V-OUT 24DIP |
Analog Devices | Integrated Circuits (ICs) | QUAD 12-/10-/8-BIT RAIL-TO-RAIL DACS WITH 10PPM/°C REFERENCE |
| Series | Category | # Parts | Status | Description |
|---|---|---|---|---|
LT3462Inverting 1.2MHz/2.7MHz DC/DC Converters with Integrated Schottky | PMIC | 1 | Active | The LT3462/LT3462A are general purpose fixed frequency current mode inverting DC/DC converters. Both devices feature an integrated Schottky and a low VCESATswitch allowing a small converter footprint and lower parts cost. The LT3462 switches at 1.2MHz while the LT3462A switches at 2.7MHz. These high speeds enable the use of tiny, low cost and low height capacitors and inductors.The LT3462/LT3462A operate in a dual inductor inverting topology that filters both the input and output currents.Very low output voltage ripple approaching 1mVP-Pcan be achieved when ceramic capacitors are used. Fixed frequency switching ensures a clean output free from low frequency noise typically present with charge pump solutions.The 40V switch allows a VINto VOUTdifferential ofup to 38V for dual inductor topologies.Both devices provide a low impedance 1.265V reference output to supply the feedback resistor network. A ground referenced, high impedance FB input allows high feedback resistor values without compromising output accuracy.ApplicationsCCD BiasLCD BiasGaAs FET BiasGeneral Purpose Negative Voltage Supply |
LT3463Dual Micropower DC/DC Converters with Schottky Diodes | PMIC | 1 | Active | The LT3463/LT3463A are dual micropower DC/DC converters with internal Schottky diodes in a 10-lead 3mm × 3mm DFN package. Negative and positive LT3463 converters have a 250mA current limit. The LT3463A positive converter also has a 250mA limit, while the negative converter has a 400mA limit. Both devices have an input voltage range of 2.4V to 15V, making them ideal for a wide variety of applications. Each converter features a quiescent current of only 20µA, which drops to under 1µA in shutdown. A current limited, fixed off-time control scheme conserves operating current, resulting in high efficiency over a broad range of load current. The 42V switch enables high voltage outputs up to ±40V to be easily generated without the use of costly transformers. The low 300ns offtime permits the use of tiny, low profile inductors and capacitors to minimize footprint and cost in space-conscious portable applications.ApplicationsCCD BiasLCD BiasHandheld ComputersDigital Cameras |
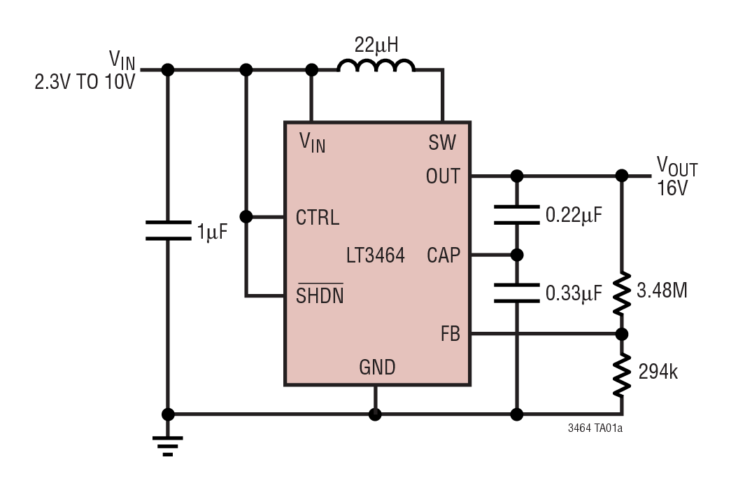
LT3464Micropower Boost Converter with Integrated Schottky and Output Disconnect in ThinSOT™ | Voltage Regulators - DC DC Switching Regulators | 2 | Active | The LT3464 is a micropower step-up DC/DC converter with integrated Schottky diode and output disconnect packaged in an 8-lead low profile (1mm) SOT-23. The small package size, high level of integration, and the use of tiny SMT components yield a solution size of less than 40mm². The LT3464 has a typical current limit of 115mA as well as fast switching speed to allow the use of a chip inductor and small ceramic capacitors. The internal PNP disconnects the output load from the input during shutdown, and also provides output short-circuit protection. An auxiliary reference input allows the user to override the internal 1.25V feedback reference with any lower value, allowing full control of the output voltage during operation. This device features a low 25µA quiescent current, which is further reduced to less than 0.5µA in shutdown. A current limited fixed off-time control scheme conserves operating current, resulting in high efficiency over a broad range of operating current. The rugged 36V switch and output disconnect circuitry allow outputs up to 34V to be easily generated in a simple boost topology.ApplicationsOEL Panel BiasLCD BiasHandheld ComputersBattery BackupDigital CamerasCellular Phones |
LT34651.2MHz White LED Step-Up Converters with Built-In Schottky in ThinSOT | LED Drivers | 2 | Active | The LT3465/LT3465A are step-up DC/DC converters designed to drive up to six LEDs in series from a Li-Ion cell. Series connection of the LEDs provides identical LED currents and eliminates the need for ballast resistors. These devices integrate the Schottky diode required externally on competing devices. Additional features include output voltage limiting when LEDs are disconnected, onepin shutdown and dimming control. The LT3465 has internal soft-start.The LT3465 switches at 1.2MHz, allowing the use of tiny external components. The faster LT3465A switches at 2.4MHz. Constant frequency switching results in low input noise and a small output capacitor. Just 0.22µF is required for 3-, 4- or 5-LED applications.The LT3465 and LT3465A are available in low profile (1mm) 6-lead SOT-23 (ThinSOT™) packages.ApplicationsCellular PhonesPDAs, Handheld ComputersDigital CamerasMP3 PlayersGPS Receivers |
| LED Drivers | 3 | Active | ||
LT3467A1.1A Step-Up DC/DC Converter with Integrated Soft-Start | Power Management (PMIC) | 6 | Active | The LT3467/LT3467Aswitching regulators combine a 42V, 1.1A switch with a soft-start function. Pin compatible with the LT1930, its low VCESATbipolar switch enables the device to deliver high current outputs in a small footprint. The LT3467 switches at 1.3MHz, allowing the use of tiny, low cost and low height inductors and capacitors. The LT3467A switches at 2.1MHz, allowing the use of even smaller components. High inrush current at start-up is eliminated using the programmable soft-start function. A single external capacitor sets the current ramp rate. A constant frequency current mode PWM architecture results in low, predictable output noise that is easy to filter.The high voltage switch on the LT3467/LT3467A is rated at 42V, making the devices ideal for boost converters up to 40V as well as SEPIC and flyback designs. The LT3467 can generate 5V at up to 540mA from a 3.3V supply or 5V at 450mA from four alkaline cells in a SEPIC design. The LT3467A can generate 5V at up to 430mA from a 3.3V supply or 15V at 135mA from a 3.3V supply. The LT3467/LT3467A are available in a low profile (1mm) 6-lead SOT-23 package and tiny 3mm × 2mm DFN package.Switching FrequencyLT34671.3MHzLT3467A2.1MHzAPPLICATIONSDigital CamerasWhite LED Power SuppliesCellular PhonesMedical Diagnostic EquipmentLocal 5V or 12V SuppliesTFT-LCD Bias SuppliesxDSL Power Supplies |
LT3468Photoflash Capacitor Chargers in ThinSOT™ | Power Management (PMIC) | 1 | Active | The LT3468/LT3468-1/LT3468-2 are highly integrated ICs designed to charge photoflash capacitors in digital and film cameras. A patented control technique* allows for the use of extremely small transformers. Each device contains an on-chip high voltage NPN power switch. Output voltage detection* is completely contained within the device, eliminating the need for any discrete zener diodes or resistors. The output voltage can be adjusted by simply changing the turns ratio of the transformer. The LT3468 has a primary current limit of 1.4A, the LT3468-2 has a 1A limit, and the LT3468-1 has a 0.7A limit. These different current limit levels result in well controlled input currents of 500mA for the LT3468, 375mA for the LT3468-2 and 225mA for the LT3468-1. Aside from the differing current limit, the three devices are otherwise equivalent.The CHARGE pin gives full control of the part to the user. Driving CHARGE low puts the part in shutdown. TheDONEpin indicates when the part has completed charging. The LT3468 series of parts are available in tiny low profile (1mm) SOT-23 packages.ApplicationsDigital / Film Camera FlashPDA / Cell Phone FlashEmergency Strobe |
LT3470AMicropower Buck Regulator with Integrated Boost and Catch Diodes | PMIC | 6 | Active | The LT3470A is a micropower step-down DC/DC converter that integrates a 440mA power switch, catch diode and boost diode into low profile 2mm × 3mm DFN package. The LT3470A combines Burst Mode and continuous operation to allow the use of tiny inductor and capacitors while providing a low ripple output to loads of up to 250mA.With its wide input range of 4V to 40V, the LT3470A can regulate a wide variety of power sources, from 2-cell Li-Ion batteries to unregulated wall transformers and lead-acid batteries. Quiescent current in regulation is just 35µA in a typical application while a zero current shutdown mode disconnects the load from the input source, simplifying power management in battery-powered systems. Fast current limiting and hysteretic control protects the LT3470A and external components against shorted outputs, even at 40V input. The LT3470A has higher output current and improved start-up and dropout performance compared to the LT3470.Vin Min StartupSwitch CurrentLT34705.5V300mALT3470A4V400mAApplicationsAutomotive Battery RegulationPower for Portable ProductsDistributed Supply RegulationIndustrial SuppliesWall Transformer Regulation |
LT3471Dual 1.3A, 1.2MHz Boost/Inverter in 3mm × 3mm DFN | Power Management (PMIC) | 1 | Active | The LT3471 dual switching regulator combines two 42V, 1.3A switches with error amplifiers that can sense to ground providing boost and inverting capability. The low VCESATbipolar switches enable the device to deliver high current outputs in a small footprint. The LT3471 switches at 1.2MHz, allowing the use of tiny, low cost and low profile inductors and capacitors. High inrush current at start-up is eliminated using the programmable soft-start function, where an external RC sets the current ramp rate. A constant frequency current mode PWM architecture results in low, predictable output noise that is easy to filter.The LT3471 switches are rated at 42V, making the device ideal for boost converters up to ±40V as well as SEPIC and flyback designs. Each channel can generate 5V at up to 630mA from a 3.3V supply, or 5V at 510mA from four alkaline cells in a SEPIC design. The device can be configured as two boosts, a boost and inverter or two inverters.The LT3471 is available in a low profile (0.75mm) 10-lead 3mm × 3mm DFN package.ApplicationsOrganic LED Power SupplyDigital CamerasWhite LED Power SupplyCellular PhonesMedical Diagnostic EquipmentLocal ±5V or ±12V SupplyTFT-LCD Bias SupplyxDSL Power Supply |
LT3472Boost and Inverting DC/DC Converter for CCD Bias | PMIC | 2 | Active | The LT3472 dual channel switching regulator generates positive and negative outputs for biasing CCD imagers. The device delivers up to –8V at 50mA and 15V at 20mA from a lithium-ion cell, providing bias for many popular CCD imagers. Switching at 1.1MHz, the LT3472 uses tiny, low profile capacitors and inductors and generates low noise outputs that are easy to filter. Schottky diodes are internal and the output voltages are set with one resistor per channel, reducing external component count. The entire solution is less than 1mm profile and occupies just 50mm2.Internal sequencing circuitry disables the negative channel until the positive channel has reached 88% of its final value, ensuring that the sum of the two outputs is always positive. Separate soft-start capacitors for each output allow the ramp of each output to be independently controlled.The LT3472 is available in a low profile (0.75mm) 10-pin 3mm × 3mm DFN package.ApplicationsCCD BiasTFT LCD BiasOLED Bias± Rail Generation for Op Amps |