A
Analog Devices
| Series | Category | # Parts | Status | Description |
|---|---|---|---|---|
| Part | Spec A | Spec B | Spec C | Spec D | Description |
|---|---|---|---|---|---|
| Series | Category | # Parts | Status | Description |
|---|---|---|---|---|
| Part | Spec A | Spec B | Spec C | Spec D | Description |
|---|---|---|---|---|---|
| Part | Category | Description |
|---|---|---|
Analog Devices ADM6713RAKSZ-REELObsolete | Integrated Circuits (ICs) | IC SUPERVISOR 1 CHANNEL SC70-4 |
Analog Devices | RF and Wireless | RF AMP SINGLE GENERAL PURPOSE RF AMPLIFIER 20GHZ 3.6V 22-PIN DIE TRAY |
Analog Devices | Integrated Circuits (ICs) | LOW NOISE, SWITCHED CAPACITOR REGULATED VOLTAGE INVERTERS |
Analog Devices | Integrated Circuits (ICs) | QUAD 16-BIT/12-BIT ±10V VOUTSOFTSPAN DACS WITH 10PPM/°C MAX REFERENCE |
Analog Devices | Integrated Circuits (ICs) | SERIAL 14-BIT, 3.5MSPS SAMPLING ADC WITH BIPOLAR INPUTS |
Analog Devices | Integrated Circuits (ICs) | ISOSPI ISOLATED COMMUNICATIONS INTERFACE |
Analog Devices | Integrated Circuits (ICs) | 4.5A, 500KHZ STEP-DOWN SWITCHING REGULATOR |
Analog Devices | Integrated Circuits (ICs) | 300 MA, LOW QUIESCENT CURRENT, ADJUSTABLE OUTPUT, CMOS LINEAR REGULATOR |
Analog Devices AD767KNObsolete | Integrated Circuits (ICs) | IC DAC 12BIT V-OUT 24DIP |
Analog Devices | Integrated Circuits (ICs) | QUAD 12-/10-/8-BIT RAIL-TO-RAIL DACS WITH 10PPM/°C REFERENCE |
| Series | Category | # Parts | Status | Description |
|---|---|---|---|---|
HMC427Transfer Switch SMT, DC - 8 GHz | Development Boards, Kits, Programmers | 2 | Obsolete | The HMC427LP3(E) is a low loss broadband positive control transfer switch in leadless surface mount package. Covering DC to 8 GHz, this switch offers high isolation and low insertion loss. The switch operates using a positive control voltage of 0/+5V and requires a fixed bias of +5V @ < 20 μA.* Blocking capacitors are required at ports RF1, 2, 3, & 4. Their value will determine the lowest transmission frequency.ApplicationsTest InstrumentationFiber Optics & Broadband TelecomBasestation InfrastructureMicrowave Radio & VSATMilitary Radios, Radar, & ECM |
| Development Boards, Kits, Programmers | 1 | Active | ||
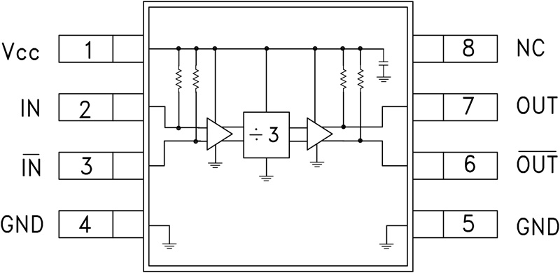
HMC432InGaP HBT Divide-by-2 SMT, DC - 8 GHz | RF and Wireless | 3 | Active | The HMC432(E) is a low noise Divide-by-2 Static Divider utilizing InGaP GaAs HBT technology in ultra small surface mount SOT26 plastic package. This device operates from DC (with a square wave input) to 8 GHz input frequency with a single +3V DC supply. Single-ended inputs and outputs reduce component count and cost. The low additive SSB phase noise of -148 dBc/Hz at 100 kHz offset helps the user maintain good system noise performance.APPLICATIONSUNII, Point-to-Point & VSAT Radios802.11a & HiperLAN WLANFiber OpticCellular/3G Infrastructure |
HMC433InGaP HBT Divide-by-4 SMT, DC - 8 GHz | RF Misc ICs and Modules | 1 | Active | The HMC433(E) is a low noise Divide-by-4 Static Divider utilizing InGaP GaAs HBT technology in an ultra small surface mount SOT26 plastic package. This device operates from DC (with a square wave input) to 8 GHz input frequency with a single +3V DC supply. Single-ended inputs and outputs reduce component count and cost. The low additive SSB phase noise of -150 dBc/Hz at 100 kHz offset helps the user maintain good system noise performance.APPLICATIONSUNII, Point-to-Point & VSAT Radios802.11a & HiperLAN WLANFiber OpticCellular/3G Infrastructure |
HMC4340.2 GHz to 8 GHz, GaAs, HBT MMIC, Divide by 8 Prescaler | RF Misc ICs and Modules | 1 | Active | The HMC434 is a low noise, static, divide by 8 prescaler monolithic microwave integrated circuit (MMIC) utilizing indium gallium phosphide/gallium arsenide (InGaP/GaAs) heterojunction bipolar transistor (HBT) technology in an ultrasmall surface-mount 6-lead SOT-23 package.The HMC434 operates from near dc (square wave) or 200 MHz (sine wave) to 8 GHz input frequency with a single 3 V dc supply.The HMC434 features single-ended inputs and outputs for reduced component count and cost. The low additive single sideband (SSB) phase noise of −150 dBc/Hz at 100 kHz offset helps the user maintain optimal system noise performance.ApplicationsDC to C band PLL prescalersVery small aperture terminal (VSAT) radiosUnlicensed national information infrastructure (UNII) and point to point radiosIEEE 802.11a and high performance radio local area network (HiperLAN) WLANFiber opticsCellular/3G infrastructure |
HMC435ASPDT Non-Reflective Switch, DC - 4 GHz | RF Switches | 3 | Active | The HMC435AMS8G(E) is a non-reflective DC to 4 GHz GaAs MESFET SPDT switch in a low cost 8 lead MSOP8G surface mount package with exposed ground paddle. The switch is ideal for cellular/3G and WiMAX/4G applications yielding up to 60 dB isolation, low 0.8 dB insertion loss and +50 dBm input IP3. Power handling is excellent up through the 3.8 GHz WiMAX band with the switch offering a P1dB compression of +30 dBm. On-chip circuitry allows positive voltage control of 0/+5 Volts at very low DC currents.APPLICATIONSBasestations & RepeatersCellular/3G and WiMAX/4GInfrastructure and Access PointsCATV/CMTSTest Instrumentation |
| RF Evaluation and Development Kits, Boards | 1 | Active | ||
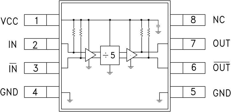
HMC438SMT GaAs HBT MMICDivide-by-5, DC - 7 GHz | Evaluation Boards | 2 | Active | The HMC438MS8G & HMC438MS8GE are low noise Divide-by-5 Static Dividers utilizing InGaP GaAs HBT technology in low cost 8 lead surface mount plastic packages. This device operates from DC (with a square wave input) to 7 GHz input frequency from a single +5V DC supply. The low additive SSB phase noise of -153 dBc/Hz at 100 kHz offset helps the user maintain good system noise performance.ApplicationsUNII, Point-to-Point & VSAT Radios802.11a & HiperLAN WLANFiber OpticCellular / 3G Infrastructure |
| RF and Wireless | 3 | Active | ||
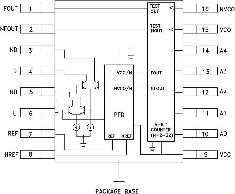
HMC440SMT 2.8 GHz Integer-N Synthesizer (N = 2 - 32) | RF Evaluation and Development Kits, Boards | 1 | Active | The HMC440QS16G(E) is an integer-n synthesizer that incorporates a 10 to 1300 MHz digital Phase-Frequency Detector with 10 to 2800 MHz 5-Bit frequency counter (continuous division from 2 to 32) in miniature 16 lead QSOP plastic packages. It is intended for use in low phase noise offset-synthesizer app-lications.The HMC440QS16G(E) combines high frequency operation along with ultra low phase noise floor making possible synthesizers with wide loop bandwidth and low N resulting in fast settling and very low phase noise. When used in conjunction with a differential loop amplifier, the HMC440QS16G(E) generates an output voltage that can be used to phase lock a VCO to a reference oscillator.ApplicationsSatellite Communication SystemsPoint-to-Point RadiosMilitary ApplicationsSonet Clock GenerationTest Equipment |