A
Analog Devices
| Series | Category | # Parts | Status | Description |
|---|---|---|---|---|
| Part | Spec A | Spec B | Spec C | Spec D | Description |
|---|---|---|---|---|---|
| Series | Category | # Parts | Status | Description |
|---|---|---|---|---|
| Part | Spec A | Spec B | Spec C | Spec D | Description |
|---|---|---|---|---|---|
| Part | Category | Description |
|---|---|---|
Analog Devices ADM6713RAKSZ-REELObsolete | Integrated Circuits (ICs) | IC SUPERVISOR 1 CHANNEL SC70-4 |
Analog Devices | RF and Wireless | RF AMP SINGLE GENERAL PURPOSE RF AMPLIFIER 20GHZ 3.6V 22-PIN DIE TRAY |
Analog Devices | Integrated Circuits (ICs) | LOW NOISE, SWITCHED CAPACITOR REGULATED VOLTAGE INVERTERS |
Analog Devices | Integrated Circuits (ICs) | QUAD 16-BIT/12-BIT ±10V VOUTSOFTSPAN DACS WITH 10PPM/°C MAX REFERENCE |
Analog Devices | Integrated Circuits (ICs) | SERIAL 14-BIT, 3.5MSPS SAMPLING ADC WITH BIPOLAR INPUTS |
Analog Devices | Integrated Circuits (ICs) | ISOSPI ISOLATED COMMUNICATIONS INTERFACE |
Analog Devices | Integrated Circuits (ICs) | 4.5A, 500KHZ STEP-DOWN SWITCHING REGULATOR |
Analog Devices | Integrated Circuits (ICs) | 300 MA, LOW QUIESCENT CURRENT, ADJUSTABLE OUTPUT, CMOS LINEAR REGULATOR |
Analog Devices AD767KNObsolete | Integrated Circuits (ICs) | IC DAC 12BIT V-OUT 24DIP |
Analog Devices | Integrated Circuits (ICs) | QUAD 12-/10-/8-BIT RAIL-TO-RAIL DACS WITH 10PPM/°C REFERENCE |
| Series | Category | # Parts | Status | Description |
|---|---|---|---|---|
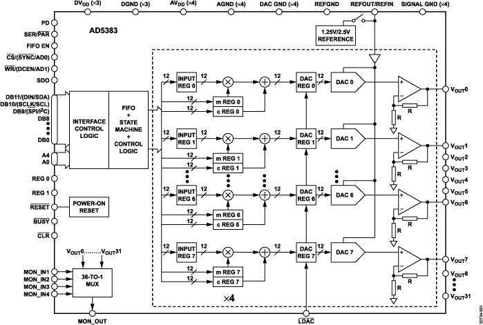
AD538232-Channel 14-Bit 3 V/5 V Single-Supply Voltage-Output DAC | Digital to Analog Converters (DAC) | 2 | Active | The AD5382 is a 32-channel, 14-Bit DAC and is available in a 14 mm × 14 mm 100-lead LQFP package. It operates from a single 3 V or 5 V supply. Programmable gain (m) and offset (c) are provided per channel to facilitate system calibration. Each DAC channel is double-buffered which allows all DAC outputs to be updated simultaneously via anLDACpin. Each channel has an on-chip output amplifier which allows rail-to-rail operation. The AD5382 includes an internal 1.25 V/2.5 V low-drift reference. The AD5382 contains a parallel interface with aWRpulse width of 20 ns, a 30 MHz SPI interface and a 400 kHz I2C-compatible interface.This device is pin-to-pin compatible with theAD5380(40-ch 14-bit DAC), theAD5381(40-ch 12-bit DAC) and theAD5383(32-ch 12-bit DAC).APPLICATIONSVariable optical attenuators (VOAs)Level setting (ATE)Optical micro-electro-mechanical systems (MEMS)Control systemsInstrumentation |
AD538332-Channel 12-Bit 3 V/5 V Single-Supply Voltage-Output DAC | Data Acquisition | 3 | Active | The AD5383 is a complete, single-supply, 32-channel, 12-bitdenseDAC®available in a 100-lead LQFP package. All 32 channels have an on-chip output amplifier with rail-to-rail operation. The AD5383 includes a programmable internal 1.25 V/2.5 V, 10 ppm/°C reference; an on-chip channel monitor function that multiplexes the analog outputs to a common MON_OUT pin for external monitoring; and an output amplifier boost mode that allows optimization of the amplifier slew rate. The AD5383 features:Double-buffered parallel interface with a 20 nsWRpulse width.SPI-/QSPI-/MICROWIRE-/DSP-compatible serial interface with interface speeds in excess of 30 MHzI2C-compatible interface that supports a 400 kHz data transfer rate.An input register followed by a DAC register provides double buffering, allowing the DAC outputs to be updated independently or simultaneously using theLDACinput.Each channel has a programmable gain and offset adjust register that allows the user to fully calibrate any DAC channel. With boost off, power consumption is typically 0.25 mA/channel.APPLICATIONSVariable optical attenuators (VOA)Level setting (ATE)Optical microelectro-mechanical systems (MEMS)Control systemsInstrumentation |
| Integrated Circuits (ICs) | 3 | Obsolete | ||
AD539Wideband Dual-Channel Linear Multiplier/Divider | Linear | 4 | Active | The AD539 is a low distortion analog multiplier having two identical signal channels (Y1 and Y2), with a common X input providing linear control of gain. Excellent ac characteristics up to video frequencies and a −3 dB bandwidth of over 60 MHz are provided. Although intended primarily for applications where speed is important, the circuit exhibits good static accuracy in computational applications. Scaling is accurately determined by a band-gap voltage reference and all critical parameters are laser-trimmed during manufacture.The full bandwidth can be realized over most of the gain range using the AD539 with simple resistive loads of up to 100 Ω. Output voltage is restricted to a few hundred millivolts under these conditions.The two channels provide flexibility. In single-channel applications, they can be used in parallel to double the output current, in series to achieve a square-law gain function with a control range of over 100 dB, or differentially to reduce distortion. Alternatively, they can be used independently, as in audio stereo applications, with low crosstalk between channels. Voltage-controlled filters and oscillators using the state-variable approach are easily designed, taking advantage of the dual channels and common control. The AD539 can also be configured as a divider with signal bandwidths up to 15 MHz.Power consumption is only 135 mW using the recommended ±5 V supplies. The AD539 is available in three versions: the J and K grades are specified for 0 to 70°C operation and S grade is guaranteed over the extended range of −55°C to +125°C. The J and K grades are available in either a hermetic ceramic SBDIP (D-16) or a low cost PDIP (N-16), whereas the S grade is available in ceramic SBDIP (D-16) or LCC (E-20-1). The S grade is available in MIL-STD-883 and Standard Military Drawing (DESC) Number 5962-8980901EA versions.APPLICATIONSPrecise high bandwidth AGC and VCA systemsVoltage-controlled filtersVideo signal processingHigh speed analog divisionAutomatic signal-levelingSquare-law gain/loss control |
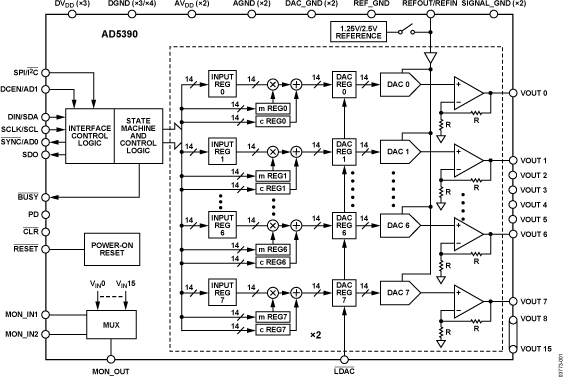
AD539016-Channel 3 V/5 V Serial Input Single-Supply 14-Bit Voltage-Output | Digital to Analog Converters (DAC) | 6 | Active | The AD5390 /AD5391are complete single-supply, 16-channel, 14-bit and 12-bit DACs, respectively. TheAD5392is a complete single-supply, 8-channel, 14-bit DAC. The devices are available in either a 64-lead LFCSP or a 52-lead LQFP. All channels have an on-chip output amplifier with rail-to-rail operation. All devices include an internal 1.25/2.5 V, 10 ppm/°C reference, an on-chip channel monitor function that multiplexes the analog outputs to a common MON_OUT pin for external monitoring, and an output amplifier boost mode that optimizes the output amplifier slew rate.The AD5390 / AD5391 / AD5392 contain a 3-wire serial interface with interface speeds in excess of 30 MHz that are compatible with SPI®, QSPI™, MICROWIRE™, and DSP interface standards and an I2C-compatible interface supporting a 400 kHz data transfer rate.An input register followed by a DAC register provides double-buffering, allowing DAC outputs to be updated independently or simultaneously using the LDAC input. Each channel has a programmable gain and offset adjust register, letting the user fully calibrate any DAC channel.Power consumption is typically 0.25 mA per channel.ApplicationsInstrumentation and industrial controlPower amplifier controlLevel setting (ATE)Control systemsMicroelectromechanical systems (MEMS)Variable optical attenuators (VOAs)Optical transceivers (MSA 300, XFP) |
AD539116-Channel 3V/5V Serial Input Single-Supply 12-Bit Voltage-Output | Data Acquisition | 6 | Active | The AD5390 / AD5391 are complete single-supply, 16-channel, 14-bit and 12-bit DACs, respectively. The AD5392 is a complete single-supply, 8-channel, 14-bit DAC. The devices are available in either a 64-lead LFCSP or a 52-lead LQFP. All channels have an on-chip output amplifier with rail-to-rail operation. All devices include an internal 1.25/2.5 V, 10 ppm/°C reference, an on-chip channel monitor function that multiplexes the analog outputs to a common MON_OUT pin for external monitoring, and an output amplifier boost mode that optimizes the output amplifier slew rate.TheAD5390/AD5391/AD5392contain a 3-wire serial interface with interface speeds in excess of 30 MHz that are compatible with SPI®, QSPI™, MICROWIRE™, and DSP interface standards and an I2C-compatible interface supporting a 400 kHz data transfer rate.An input register followed by a DAC register provides double-buffering, allowing DAC outputs to be updated independently or simultaneously using the LDAC input. Each channel has a programmable gain and offset adjust register, letting the user fully calibrate any DAC channel.Power consumption is typically 0.25 mA per channel.APPLICATIONSInstrumentation and industrial controlPower amplifier controlLevel setting (ATE)Control systemsMicroelectromechanical systems (MEMS)Variable optical attenuators (VOAs)Optical transceivers (MSA 300, XFP) |
| Digital to Analog Converters (DAC) | 4 | Active | ||
AD5398A120 mA, Current Sinking, 10-Bit, I2C D/A Converter | Data Acquisition | 4 | Active | The AD5398 is a single 10-bit DAC with 120 mA output current sink capability. It features an internal reference and operates from a single 2.7 V to 5.5 V supply. The DAC is controlled via a 2-wire (I2C-compatible) serial interface that operates at clock rates up to 400 kHz.The AD5398 incorporates a power-on reset circuit, which ensures that the DAC output powers up to 0 V and remains there until a valid write takes place. It has a power-down feature that reduces the current consumption of the device to 1 µA maximum. The AD5398 is designed for autofocus, image stabilization, and optical zoom applications in camera phones, digital still cameras, and camcorders.The AD5398 also has many industrial applications, such as controlling temperature, light, and movement, over the range −40°C to +85°C without derating.The I2C address range for the AD5398 is 0x18 to 0x1F inclusive.Consumer ApplicationsLens autofocusImage stabilizationOptical zoomShuttersIris/exposureNeutral density (ND) filtersLens coversCamera phonesDigital still camerasCamera modulesDigital video cameras/camcordersCamera-enabled devicesSecurity camerasWeb/PC camerasIndustrial ApplicationsHeater controlFan controlCooler (Peltier) controlSolenoid controlValve controlLinear actuator controlLight controlCurrent loop control |
AD5405Dual 12-Bit, High Bandwidth, Multiplying DAC with 4 Quadrant Resistors and Parallel Interface | Digital to Analog Converters (DAC) | 2 | Active | The AD5405 is a CMOS, 12-bit, dual-channel, current output digital-to-analog converter (DAC). This device operates from a 2.5 V to 5.5 V power supply, making it suited to battery-powered and other applications.Because of manufacturing with a CMOS submicron process, the device offers excellent 4-quadrant multiplication characteristics, with large signal multiplying bandwidths of up to 10 MHz.The applied external reference input voltage (VREF) determines the full-scale output current. An integrated feedback resistor (RFB) provides temperature tracking and full-scale voltage output when combined with an external I to V precision amplifier. This device also contains the 4-quadrant resistors necessary for bipolar operation and other configuration modes.This DAC uses data readback, allowing the user to read the contents of the DAC register via the DB pins. On power-up, the internal register and latches fill with 0s, and the DAC outputs are at zero scale.The AD5405 has a 6 mm × 6 mm, 40-lead LFCSP package.APPLICATIONSPortable battery-powered applicationsWaveform generatorsAnalog processingInstrumentation applicationsProgrammable amplifiers and attenuatorsDigitally controlled calibrationProgrammable filters and oscillatorsComposite videoUltrasoundGain, offset, and voltage trimming |
AD5410Single-Channel, 12-/16-Bit, Serial Input, 4 mA to 20 mA, Current Source DAC, HART Connectivity | Data Acquisition | 2 | Active | The AD5410/AD5420are low cost, precision, fully integrated 12-/16-bit converters offering a programmable current source output designed to meet the requirements of industrial process control applications. The output current range is programmable at 4 mA to 20 mA, 0 mA to 20 mA, or an overrange function of 0 mA to 24 mA. The output is open-circuit protected. The device operates with a power supply (AVDD) range from 10.8 V to 60 V. Output loop compliance is 0 V to AVDD− 2.5 V.The flexible serial interface is SPI, MICROWIRE™, QSPI™, and DSP compatible and can be operated in 3-wire mode to minimize the digital isolation required in isolated applications.The device also includes a power-on reset function, ensuring that the device powers up in a known state, and an asynchronous CLEAR pin that sets the output to the low end of the selected current range.The total unadjusted error is typically ±0.01% FSR.ApplicationsProcess controlActuator controlPLCHART network connectivity |