A
Analog Devices
| Series | Category | # Parts | Status | Description |
|---|---|---|---|---|
| Part | Spec A | Spec B | Spec C | Spec D | Description |
|---|---|---|---|---|---|
| Series | Category | # Parts | Status | Description |
|---|---|---|---|---|
| Part | Spec A | Spec B | Spec C | Spec D | Description |
|---|---|---|---|---|---|
| Part | Category | Description |
|---|---|---|
Analog Devices ADM6713RAKSZ-REELObsolete | Integrated Circuits (ICs) | IC SUPERVISOR 1 CHANNEL SC70-4 |
Analog Devices | RF and Wireless | RF AMP SINGLE GENERAL PURPOSE RF AMPLIFIER 20GHZ 3.6V 22-PIN DIE TRAY |
Analog Devices | Integrated Circuits (ICs) | LOW NOISE, SWITCHED CAPACITOR REGULATED VOLTAGE INVERTERS |
Analog Devices | Integrated Circuits (ICs) | QUAD 16-BIT/12-BIT ±10V VOUTSOFTSPAN DACS WITH 10PPM/°C MAX REFERENCE |
Analog Devices | Integrated Circuits (ICs) | SERIAL 14-BIT, 3.5MSPS SAMPLING ADC WITH BIPOLAR INPUTS |
Analog Devices | Integrated Circuits (ICs) | ISOSPI ISOLATED COMMUNICATIONS INTERFACE |
Analog Devices | Integrated Circuits (ICs) | 4.5A, 500KHZ STEP-DOWN SWITCHING REGULATOR |
Analog Devices | Integrated Circuits (ICs) | 300 MA, LOW QUIESCENT CURRENT, ADJUSTABLE OUTPUT, CMOS LINEAR REGULATOR |
Analog Devices AD767KNObsolete | Integrated Circuits (ICs) | IC DAC 12BIT V-OUT 24DIP |
Analog Devices | Integrated Circuits (ICs) | QUAD 12-/10-/8-BIT RAIL-TO-RAIL DACS WITH 10PPM/°C REFERENCE |
| Series | Category | # Parts | Status | Description |
|---|---|---|---|---|
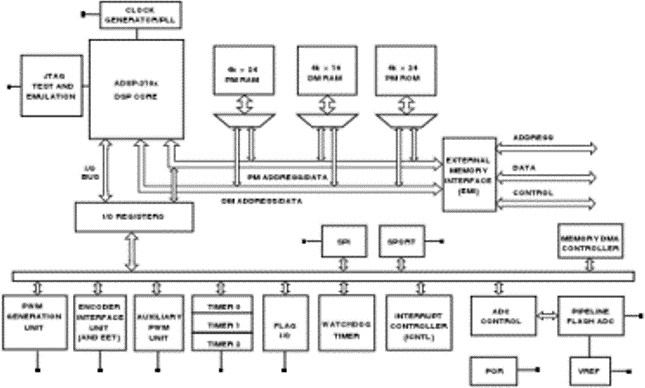
ADSP-2187N16-Bit, 80MIPS, 1.8V, 2 Serial Ports, Host Port, 160KB RAM | Integrated Circuits (ICs) | 1 | Active | The ADSP-218xN series consists of six single chip microcomputers optimized for digital signal processing applications. All series members are pin-compatible and are differentiated solely by the amount of on-chip SRAM. This feature combined with ADSP-21xx code compatibility provide a great deal of flexibility in the design decision. Specifically, the series members are -ADSP-2184N (4K PM/4K DM)ADSP-2186N (8K PM/8K DM)ADSP-2185N (16K PM/16K DM)ADSP-2187N (32K PM/32K DM)ADSP-2189N (32K PM/48K DM)ADSP-2188N (48K PM/56K DM)The ADSP-218xN series offers the highest performance (80Mhz/MIPS) and lowest power consumption (0.55mW/MIP @ 1.8V) within the ADSP-218x portfolio. All series members are offered in a 100-lead LQFP and 144-Ball MBGA packages. |
| Integrated Circuits (ICs) | 1 | Obsolete | ||
ADSP-2189N16-bit, 75 MIPS, 2.5v, 2 serial ports, host port, 192 KB RAM | DSP (Digital Signal Processors) | 5 | Active | The ADSP-218xN series consists of six single chip microcomputers optimized for digital signal processing applications. All series members are pin-compatible and are differentiated solely by the amount of on-chip SRAM. This feature combined with ADSP-21xx code compatibility provide a great deal of flexibility in the design decision. The ADSP-218xN series offers products from 2 MBits of SRAM to $3.50. Specifically, the series members are -ADSP-2184N (4K PM/4K DM)ADSP-2186N (8K PM/8K DM)ADSP-2185N (16K PM/16K DM)ADSP-2187N (32K PM/32K DM)ADSP-2189N (32K PM/48K DM)ADSP-2188N (48K PM/56K DM)The ADSP-218xN series offers the highest performance (80Mhz/MIPS) and lowest power consumption (0.55mW/MIP @ 1.8V) within the ADSP-218x portfolio. All series members are offered in a 100-lead LQFP and 144-Ball MBGA packages. |
| Integrated Circuits (ICs) | 3 | Obsolete | ||
| Embedded | 1 | Obsolete | ||
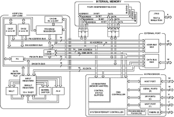
ADSP-21990High-Performance Mixed-Signal DSP, 160 MHz, 4K Words Program Memory RAM | DSP (Digital Signal Processors) | 2 | Obsolete | The ADSP-21990 is the first high-performance mixed signal DSP product from ADI. The ADSP-21990 integrates a 160 MHz, 16-bit, ADSP-219x DSP core and an 8-channel, 14-bit, 20 MSPS ADC (with dual sample-and-hold amplifiers for simultaneous sampling). Additional mixed-signal integration includes a precision on-chip voltage reference, and a power-on-reset (POR) circuit. Various control peripherals are provided for single-chip solutions for embedded control and signal processing applications. |
ADSP-21992High-Performance Mixed Signal DSP, 160 MHz, 32K Program, 16K Data Memory RAM | DSP (Digital Signal Processors) | 1 | Active | The ADSP-21992 further extends the capabilities of the ADSP-2199x mixed-signal DSP family, by offering 32K words of program memory and 16K words of data memory RAM. In addition, the ADSP-21992 provides an on-chip CAN communications port that provides full CAN 2.0B support, with 16 configurable mailboxes and individual acceptance filters. The integration of the CAN interface enables single chip solutions that implement the embedded control and signal processing as well as the field bus communications interface. |
| Integrated Circuits (ICs) | 3 | Obsolete | ||
ADSP-BF512Low Power Blackfin with Consumer Devices Connectivity | DSP (Digital Signal Processors) | 1 | Active | The ADSP-BF512 is the low cost entry point into the Blackfin Processor family. It offers an optimal balance between performance, peripheral integration, and price and is well suited for the most cost-sensitive applications including portable test equipment, embedded modems, biometrics, and consumer audio. The high performance 16/32-bit Blackfin embedded processor core, the flexible cache architecture, the enhanced DMA subsystem, and the dynamic power management (DPM) functionality allow system designers a flexible platform to address a wide range of applications.IP protection has become a necessary part of today’s embedded computing applications. The ADSP-BF512 provides a security scheme which balances flexibility and upgradeability with performance through the inclusion of a firmware-based solution including OTP (One Time Programmable) memory to enable users to implement private keys for secure access to program code. |
ADSP-BF514Low Power Blackfin with Consumer Devices Connectivity | Embedded | 3 | Active | TheADSP-BF512/ ADSP-BF514 /ADSP-BF516/ADSP-BF518processors are members of the Blackfin®family of products, incorporating the Analog Devices/Intel Micro Signal Architecture (MSA). Blackfin processors combine a dual-MAC state-of-the-art signal processing engine, the advantages of a clean, orthogonal RISC-like microprocessor instruction set, and single-instruction, multiple-data (SIMD) multimedia capabilities into a single instruction-set architecture.The processors are completely code compatible with other Blackfin processors.MEMORY116K bytes of on-chip memoryExternal memory controller with glueless support for SDRAM and asynchronous 8-bit and 16-bit memoriesFlexible booting options from OTP memory, external SPI/parallel memories, or from SPI/UART host devicesCode security with Lockbox secure technologyOne-time-programmable (OTP) memoryMemory management unit providing memory protectionSee datasheet for additional features |