A
Analog Devices
| Series | Category | # Parts | Status | Description |
|---|---|---|---|---|
| Part | Spec A | Spec B | Spec C | Spec D | Description |
|---|---|---|---|---|---|
| Series | Category | # Parts | Status | Description |
|---|---|---|---|---|
| Part | Spec A | Spec B | Spec C | Spec D | Description |
|---|---|---|---|---|---|
| Series | Category | # Parts | Status | Description |
|---|---|---|---|---|
| Integrated Circuits (ICs) | 1 | Active | ||
| Thermal Management | 2 | Active | ||
| Power Management (PMIC) | 2 | Active | ||
| Integrated Circuits (ICs) | 1 | Active | ||
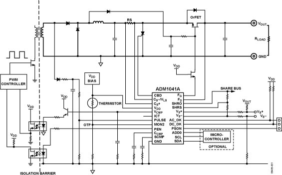
ADM1041ASecondary-Side Controller with Current Share and Housekeeping | DC/DC & AC/DC (Off-Line) SMPS Evaluation Boards | 8 | Active | The ADM1041A is a secondary-side and management IC specifically designed to minimize external component counts and to eliminate the need for manual calibration or adjustment on the secondary-side controller. The principle application of this IC is to provide voltage control, current share, and housekeeping functions for single output in N+1 server power supplies.The ADM1041A is manufactured with a 5 V CMOS process and combines digital and analog circuitry. An internal EEPROM provides added flexibility for trimming timing and voltage and selecting various functions. Programming is done via an SMBus serial port that also allows communication capability with a microprocessor or microcontroller.The usual configuration using this IC is on a one-per-output voltage rail. Output from the IC can be wire-OR’ed together or bused in parallel and read by a microprocessor. A key feature on this IC is support for an OrFET circuit when higher efficiency or power density is required.ApplicationsNetwork ServersWeb ServersPower Supply Control |
| Voltage Regulators - DC DC Switching Controllers | 5 | Active | ||
| PMIC | 18 | Active | ||
| Development Boards, Kits, Programmers | 5 | Active | ||
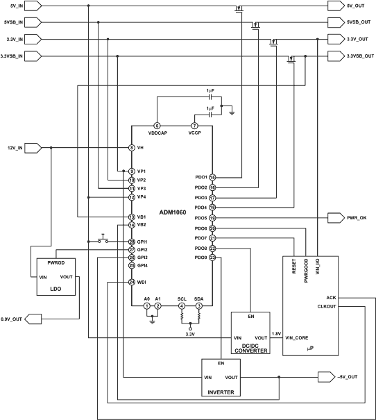
ADM1063Multisupply Supervisor/Sequencer with ADC and Temperature Monitoring | Evaluation Boards | 2 | Active | The ADM1063 is a configurable supervisory/sequencing device that offers a single-chip solution for supply monitoring and sequencing in multiple supply systems. In addition to these functions, the ADM1063 integrates a 12-bit ADC that can be used to accurately read back up to 12 separate voltages.The device also provides up to 10 programmable inputs for monitoring under, over, or out-of-window faults on up to 10 supplies. In addition, 10 programmable outputs can be used as logic enables. Six of these programmable outputs can provide up to a 12 V output for driving the gate of an n-FET that can be placed in the path of a supply.ApplicationsCentral office systemsServers/routersMultivoltage system line cardsDSP/FPGA supply sequencingIn-circuit testing of margined supplies |
| Supervisors | 2 | Active | ||
| Part | Category | Description |
|---|---|---|
Analog Devices ADM6713RAKSZ-REELObsolete | Integrated Circuits (ICs) | IC SUPERVISOR 1 CHANNEL SC70-4 |
Analog Devices | RF and Wireless | RF AMP SINGLE GENERAL PURPOSE RF AMPLIFIER 20GHZ 3.6V 22-PIN DIE TRAY |
Analog Devices | Integrated Circuits (ICs) | LOW NOISE, SWITCHED CAPACITOR REGULATED VOLTAGE INVERTERS |
Analog Devices | Integrated Circuits (ICs) | QUAD 16-BIT/12-BIT ±10V VOUTSOFTSPAN DACS WITH 10PPM/°C MAX REFERENCE |
Analog Devices | Integrated Circuits (ICs) | SERIAL 14-BIT, 3.5MSPS SAMPLING ADC WITH BIPOLAR INPUTS |
Analog Devices | Integrated Circuits (ICs) | ISOSPI ISOLATED COMMUNICATIONS INTERFACE |
Analog Devices | Integrated Circuits (ICs) | 4.5A, 500KHZ STEP-DOWN SWITCHING REGULATOR |
Analog Devices | Integrated Circuits (ICs) | 300 MA, LOW QUIESCENT CURRENT, ADJUSTABLE OUTPUT, CMOS LINEAR REGULATOR |
Analog Devices AD767KNObsolete | Integrated Circuits (ICs) | IC DAC 12BIT V-OUT 24DIP |
Analog Devices | Integrated Circuits (ICs) | QUAD 12-/10-/8-BIT RAIL-TO-RAIL DACS WITH 10PPM/°C REFERENCE |