A
Analog Devices Inc./Maxim Integrated
| Series | Category | # Parts | Status | Description |
|---|---|---|---|---|
| Part | Spec A | Spec B | Spec C | Spec D | Description |
|---|---|---|---|---|---|
| Series | Category | # Parts | Status | Description |
|---|---|---|---|---|
| Part | Spec A | Spec B | Spec C | Spec D | Description |
|---|---|---|---|---|---|
| Part | Category | Description |
|---|---|---|
Analog Devices Inc./Maxim Integrated LTC1879EGN#TRUnknown | Integrated Circuits (ICs) | IC REG BUCK ADJ 1.2A 16SSOP |
Analog Devices Inc./Maxim Integrated LTC2208CUP#TRUnknown | Integrated Circuits (ICs) | IC ADC 16BIT 130MSPS 64-QFN |
Analog Devices Inc./Maxim Integrated ADP2108ACBZ-1.1-R7Obsolete | Integrated Circuits (ICs) | IC REG BUCK 1.1V 600MA 5WLCSP |
Analog Devices Inc./Maxim Integrated EV1HMC832ALP6GObsolete | Development Boards Kits Programmers | EVAL BOARD FOR HMC832ALP6GE |
Analog Devices Inc./Maxim Integrated LTC488ISWUnknown | Integrated Circuits (ICs) | IC LINE RCVR RS485 QUAD 16-SOIC |
Analog Devices Inc./Maxim Integrated LTC6946IUFD-2Obsolete | Integrated Circuits (ICs) | IC CLK/FREQ SYNTH 28QFN |
Analog Devices Inc./Maxim Integrated MAX5556ESA+TObsolete | Integrated Circuits (ICs) | IC DAC/AUDIO 16BIT 50K 8SOIC |
Analog Devices Inc./Maxim Integrated EVAL-FLTR-LD-1RZUnknown | Unclassified | EVAL BRD FOR AD800 SERIES |
Analog Devices Inc./Maxim Integrated | Development Boards Kits Programmers | BOARD EVAL FOR AD9963 |
Analog Devices Inc./Maxim Integrated LTC1296CCSW#TRUnknown | Integrated Circuits (ICs) | IC DATA ACQ SYS 12BIT 5V 20SOIC |
| Series | Category | # Parts | Status | Description |
|---|---|---|---|---|
| Power Management - Specialized | 4 | Active | ||
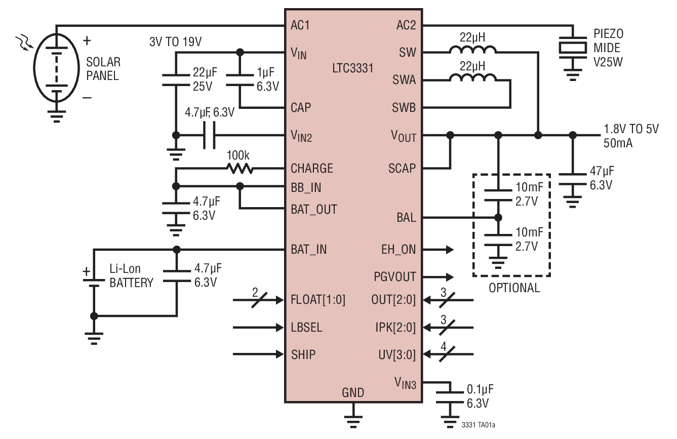
LTC3335Nanopower Buck-Boost DC/DC with Integrated Coulomb Counter | PMIC | 4 | Active | The LTC3335 is a high efficiency, low quiescent current (680nA) buck-boost DC/DC converter with an integrated precision coulomb counter which monitors accumulated battery discharge in long life battery powered applications. The buck-boost can operate down to 1.8V on its input and provides eight pin-selectable output voltages with up to 50mA of output current.The coulomb counter stores the accumulated battery discharge in an internal register accessible via an I2C interface. The LTC3335 features a programmable discharge alarm threshold. When the threshold is reached, an interrupt is generated at theIRQpin.To accommodate a wide range of battery types and sizes, the peak input current can be selected from as low as 5mA to as high as 250mA and the full-scale coulomb counter has a programmable range of 32,768:1.The LTC3335 is available in a 3mm × 4mm QFN-20 package.ApplicationsLong Lifetime Primary Cell Battery ApplicationsWireless SensorsRemote MonitorsDust Networks®SmartMesh®Applications |
LTC333615V/250mA Nanopower Buck DC/DC with Programmable Peak Input Current | Voltage Regulators - DC DC Switching Regulators | 4 | Active | The LTC3336 is a compact high efficiency nanopower hysteretic buck DC/DC which can deliver up to 250mA of output current from a 2.5V to 15V input. Input quiescent current is typically 65nA with the output in regulation at no load for output voltages less than 2.4V; this number is reduced further for higher output voltages at which internal circuits can be boot-strapped from the output.Performance specifications are ideal for primary (i.e., non-rechargeable) battery powered applications: low IQplus the ability to set the peak current to a level matched to the battery’s maximum capacity point.The peak input currents of 10mA, 30mA, 100mA, and 300mA are pin selectable as well as the output voltages of 1.2V, 1.5V, 1.6V, 1.8V, 2.0V, 2.4V, 2.5V, 2.8V, 3.0V, 3.2V, 3.3V, 3.6V, 3.7V, 4.1V, 4.2V, and 5.0V.The LTC3336 is offered in a compact 12-lead 2mm × 2mm LQFN or an ultra compact 12-ball 1.18mm × 1.62mm WLCSP package.APPLICATIONSLow Power Primary Battery Powered Systems (e.g., 1× to 3× Li-Ion Primary, 3× to 8× AAA)Remote Industrial Sensors (e.g., Meters, Alarms)Asset TrackersElectronic Door LocksKeep-Alive Supplies/Battery BackupSmartMesh®Applications |
| Integrated Circuits (ICs) | 3 | Active | ||
| PMIC | 6 | Active | ||
| Power Management - Specialized | 4 | Active | ||
LTC335520V 1A Buck DC/DC with Integrated SCAP Charger and Backup Regulator | Voltage Regulators - DC DC Switching Regulators | 3 | Active | The LTC3355 is a complete input power interrupt ride-through DC/DC system. The part charges a supercapacitor while delivering load current to VOUT, and uses energy from the supercapacitor to provide continuous VOUTbackup power when VINpower is lost. The LTC3355 contains a nonsynchronous constant frequency current mode monolithic 1A buck switching regulator to provide a 2.7V to 5V regulated output voltage from an input supply of up to 20V.A 1A programmable CC/CV linear charger charges the supercapacitor from VOUT. When the VINsupply drops below the PFI threshold, the devices’s constant frequency nonsynchronous current mode 5A boost switching regulator delivers power from the supercapacitor to VOUT. A thermal regulation loop maximizes charge current while limiting the die temperature to 110°C. The IC has boost, charger and VINprogrammable current limits. The LTC3355 is available in a 20-lead 4mm × 4mm QFN surface mount package.ApplicationsRide-Through "Dying Gasp" SuppliesPower Meters/Industrial Alarms/Solid State Drives |
| PMIC | 9 | Active | ||
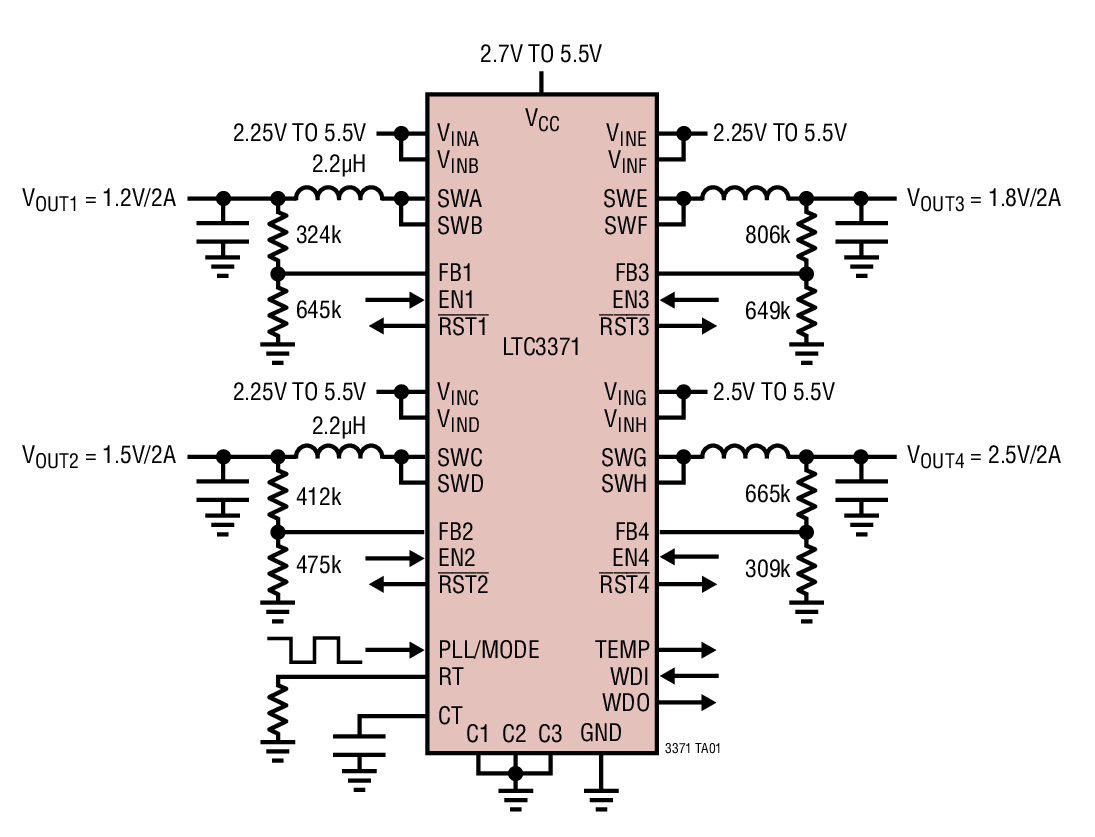
LTC33714-Channel 8A Configurable Buck DC/DCs with Watchdog and Power-On Reset | PMIC | 13 | Active | The LTC3371 is a highly flexible multi-output power supply IC. The device includes four synchronous buck converters, configured to share eight 1A power stages, each of which is powered from independent 2.25V to 5.5V inputs.The DC/DCs are assigned to one of eight possible power configurations via pin programmable C1-C3 pins. The common buck switching frequency may be programmed with an external resistor, synchronized to an external oscillator, or set to a default internal 2MHz clock. The operating mode for all DC/DCs may be programmed for Burst Mode or forced continuous mode operation.The CT pin programs the timing parameters of four independentRSTpins as well as the watchdog timer.To reduce input noise, the buck converters are phased in 90° steps. Precision enable pin thresholds facilitate reliable power sequencing. The LTC3371 is available in low profile 38-lead 5mm × 7mm QFN and TSSOP packages.ApplicationsGeneral Purpose Multichannel Power Supplies: Automotive, Industrial, Distributed Power Systems |
| PMIC | 6 | Active | ||