A
Analog Devices Inc./Maxim Integrated
| Series | Category | # Parts | Status | Description |
|---|---|---|---|---|
| Part | Spec A | Spec B | Spec C | Spec D | Description |
|---|---|---|---|---|---|
| Series | Category | # Parts | Status | Description |
|---|---|---|---|---|
| Part | Spec A | Spec B | Spec C | Spec D | Description |
|---|---|---|---|---|---|
| Part | Category | Description |
|---|---|---|
Analog Devices Inc./Maxim Integrated LTC1879EGN#TRUnknown | Integrated Circuits (ICs) | IC REG BUCK ADJ 1.2A 16SSOP |
Analog Devices Inc./Maxim Integrated LTC2208CUP#TRUnknown | Integrated Circuits (ICs) | IC ADC 16BIT 130MSPS 64-QFN |
Analog Devices Inc./Maxim Integrated ADP2108ACBZ-1.1-R7Obsolete | Integrated Circuits (ICs) | IC REG BUCK 1.1V 600MA 5WLCSP |
Analog Devices Inc./Maxim Integrated EV1HMC832ALP6GObsolete | Development Boards Kits Programmers | EVAL BOARD FOR HMC832ALP6GE |
Analog Devices Inc./Maxim Integrated LTC488ISWUnknown | Integrated Circuits (ICs) | IC LINE RCVR RS485 QUAD 16-SOIC |
Analog Devices Inc./Maxim Integrated LTC6946IUFD-2Obsolete | Integrated Circuits (ICs) | IC CLK/FREQ SYNTH 28QFN |
Analog Devices Inc./Maxim Integrated MAX5556ESA+TObsolete | Integrated Circuits (ICs) | IC DAC/AUDIO 16BIT 50K 8SOIC |
Analog Devices Inc./Maxim Integrated EVAL-FLTR-LD-1RZUnknown | Unclassified | EVAL BRD FOR AD800 SERIES |
Analog Devices Inc./Maxim Integrated | Development Boards Kits Programmers | BOARD EVAL FOR AD9963 |
Analog Devices Inc./Maxim Integrated LTC1296CCSW#TRUnknown | Integrated Circuits (ICs) | IC DATA ACQ SYS 12BIT 5V 20SOIC |
| Series | Category | # Parts | Status | Description |
|---|---|---|---|---|
| Analog to Digital Converters (ADC) | 4 | Active | ||
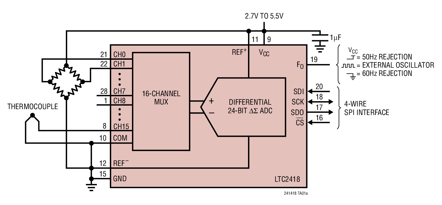
LTC24148-/16-Channel 24-Bit No Latency ∆Σ™ADCs | Data Acquisition | 4 | Active | The LTC2414/LTC2418 are 8-/16-channel (4-/8-differential) micropower 24-bit ∆Σ analog-to-digital converters. They operate from 2.7V to 5.5V and include an integrated oscillator, 2ppm INL and 0.2ppm RMS noise. They use delta-sigma technology and provide single cycle settling time for multiplexed applications. Through a single pin, the LTC2414/LTC2418 can be configured for better than 110dB differential mode rejection at 50Hz or 60Hz ±2%, or they can be driven by an external oscillator for a user-defined rejection frequency. The internal oscillator requires no external frequency setting components.The LTC2414/LTC2418 accept any external differential reference voltage from 0.1V to VCCfor flexible ratiometric and remote sensing measurement applications. They can be configured to take 4/8 differential channels or 8/16 single-ended channels. The full-scale bipolar input range is from -5VREFto 0.5VREF. The reference common mode voltage, VREFCM, and the input common mode voltage, VINCM, may be independently set within GND to VCC. The DC common mode input rejection is better than 140dB.The LTC2414/LTC2418 communicate through a flexible 4-wire digital interface that is compatible with SPI and MICROWIRE™protocols.ApplicationsDirect Sensor DigitizerWeight ScalesDirect Temperature MeasurementGas AnalyzersStrain Gauge TransducersInstrumentationData AcquisitionIndustrial Process Control |
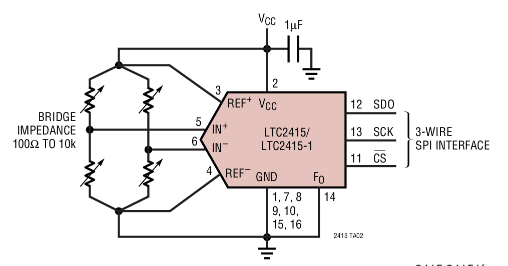
LTC241524-Bit No Latency Delta Sigma ADC with Differential Input and Differential Reference | Integrated Circuits (ICs) | 8 | Active | The LTC2415/LTC2415-1 are micropower 24-bit differential ∆Σ analog to digital converters with integrated oscillator, 2ppm INL, 0.23ppm RMS noise and a 2.7V to 5.5V supply range. They use delta-sigma technology and provide single cycle settling time for multiplexed applications. Through a single pin, the LTC2415 can be configured for better than 110dB input differential mode rejection at 50Hz or 60Hz ±2%, or it can be driven by an external oscillator for a user defined rejection frequency. The LTC2415-1 can be configured for better than 87dB input differential mode rejection over the range of 49Hz to 61.2Hz (50Hz and 60Hz ±2% simultaneously). The internal oscillator requires no external frequency setting components.The converters accept any external differential reference voltage from 0.1V to VCCfor flexible ratiometric and remote sensing measurement configurations. The full-scale differential input range is from –0.5VREFto 0.5VREF. The reference common mode voltage, VREFCM, and the input common mode voltage, VINCM, may be independently set anywhere within the GND to VCCrange of the LTC2415/LTC2415-1. The DC common mode input rejection is better than 140dB.The LTC2415/LTC2415-1 communicate through a flexible 3-wire digital interface which is compatible with SPI and MICROWIRE™protocols.ApplicationsDirect Sensor DigitizerWeight ScalesDirect Temperature MeasurementGas AnalyzersStrain Gage TransducersInstrumentationData AcquisitionIndustrial Process Control6-Digit DVMs |
LTC24188-/16-Channel 24-Bit No Latency ∆Σ™ADCs | Data Acquisition | 4 | Active | The LTC2414/LTC2418 are 8-/16-channel (4-/8-differential) micropower 24-bit ∆Σ analog-to-digital converters. They operate from 2.7V to 5.5V and include an integrated oscillator, 2ppm INL and 0.2ppm RMS noise. They use delta-sigma technology and provide single cycle settling time for multiplexed applications. Through a single pin, the LTC2414/LTC2418 can be configured for better than 110dB differential mode rejection at 50Hz or 60Hz ±2%, or they can be driven by an external oscillator for a user-defined rejection frequency. The internal oscillator requires no external frequency setting components.The LTC2414/LTC2418 accept any external differential reference voltage from 0.1V to VCCfor flexible ratiometric and remote sensing measurement applications. They can be configured to take 4/8 differential channels or 8/16 single-ended channels. The full-scale bipolar input range is from -5VREFto 0.5VREF. The reference common mode voltage, VREFCM, and the input common mode voltage, VINCM, may be independently set within GND to VCC. The DC common mode input rejection is better than 140dB.The LTC2414/LTC2418 communicate through a flexible 4-wire digital interface that is compatible with SPI and MICROWIRE protocols.ApplicationsDirect Sensor DigitizerWeight ScalesDirect Temperature MeasurementGas AnalyzersStrain Gauge TransducersInstrumentationData AcquisitionIndustrial Process Control |
LTC242020-Bit µPower No Latency ∆Σ™ADC in SO-8 | Evaluation Boards | 5 | Active | The LTC2420 is a micropower 20-bit A/D converter with an integrated oscillator, 8ppm INL and 1.2ppm RMS noise that operates from 2.7V to 5.5V. It uses delta-sigma technology and provides a digital filter that settles in a single cycle for multiplexed applications. Through a single pin, the LTC2420 can be configured for better than 110dB rejection at 50Hz or 60Hz ±2%, or it can be driven by an external oscillator for a user-defined rejection frequency in the range 1Hz to 800Hz. The internal oscillator requires no external frequency setting components.The converter accepts any external reference voltage from 0.1V to VCC. With its extended input conversion range of –12.5% VREFto 112.5% VREF, the LTC2420 smoothly resolves the offset and overrange problems of preceding sensors or signal conditioning circuits.The LTC2420 communicates through a flexible 3-wire digital interface which is compatible with SPI and MICROWIRE™protocols.ApplicationsWeight ScalesDirect Temperature MeasurementGas AnalyzersStrain-Gage TransducersInstrumentationData AcquisitionIndustrial Process Control4-Digit DVMs |
| Integrated Circuits (ICs) | 4 | Active | ||
| Data Acquisition | 4 | Active | ||
LTC24244-/8-Channel 20-Bit µPower No Latency ∆Σ™ADCs | Integrated Circuits (ICs) | 4 | Active | The LTC2424/LTC2428 are 4-/8-channel 2.7V to 5.5V micropower 20-bit A/D converters with an integrated oscillator, 8ppm INL and 1.2ppm RMS noise. They use delta-sigma technology and provide single cycle digital filter settling time (no latency delay) for multiplexed applications. The first conversion after the channel is changed is always valid. Through a single pin the LTC2424/LTC2428 can be configured for better than 110dB rejection at 50Hz or 60Hz ±2%, or can be driven by an external oscillator for a user defined rejection frequency in the range 1Hz to 800Hz. The internal oscillator requires no external frequency setting components.The converters accept any external reference voltage from 0.1V to VCC. With their extended input conversion range of –12.5% VREFto 112.5% VREF(VREF= FSSET– ZSSET) the LTC2424/LTC2428 smoothly resolve the offset and overrange problems of preceding sensors or signal conditioning circuits.The LTC2424/LTC2428 communicate through a flexible 4-wire digital interface which is compatible with SPI and MICROPOWER protocols.ApplicationsWeight ScalesDirect Temperature MeasurementGas AnalyzersStrain-Gage TransducersInstrumentationData AcquisitionIndustrial Process Control4-Digit DVMs |
| Data Acquisition | 4 | Active | ||
| Analog to Digital Converters (ADC) | 4 | Active | ||