A
Analog Devices Inc./Maxim Integrated
| Series | Category | # Parts | Status | Description |
|---|---|---|---|---|
| Part | Spec A | Spec B | Spec C | Spec D | Description |
|---|---|---|---|---|---|
| Series | Category | # Parts | Status | Description |
|---|---|---|---|---|
| Part | Spec A | Spec B | Spec C | Spec D | Description |
|---|---|---|---|---|---|
| Part | Category | Description |
|---|---|---|
Analog Devices Inc./Maxim Integrated LTC1879EGN#TRUnknown | Integrated Circuits (ICs) | IC REG BUCK ADJ 1.2A 16SSOP |
Analog Devices Inc./Maxim Integrated LTC2208CUP#TRUnknown | Integrated Circuits (ICs) | IC ADC 16BIT 130MSPS 64-QFN |
Analog Devices Inc./Maxim Integrated ADP2108ACBZ-1.1-R7Obsolete | Integrated Circuits (ICs) | IC REG BUCK 1.1V 600MA 5WLCSP |
Analog Devices Inc./Maxim Integrated EV1HMC832ALP6GObsolete | Development Boards Kits Programmers | EVAL BOARD FOR HMC832ALP6GE |
Analog Devices Inc./Maxim Integrated LTC488ISWUnknown | Integrated Circuits (ICs) | IC LINE RCVR RS485 QUAD 16-SOIC |
Analog Devices Inc./Maxim Integrated LTC6946IUFD-2Obsolete | Integrated Circuits (ICs) | IC CLK/FREQ SYNTH 28QFN |
Analog Devices Inc./Maxim Integrated MAX5556ESA+TObsolete | Integrated Circuits (ICs) | IC DAC/AUDIO 16BIT 50K 8SOIC |
Analog Devices Inc./Maxim Integrated EVAL-FLTR-LD-1RZUnknown | Unclassified | EVAL BRD FOR AD800 SERIES |
Analog Devices Inc./Maxim Integrated | Development Boards Kits Programmers | BOARD EVAL FOR AD9963 |
Analog Devices Inc./Maxim Integrated LTC1296CCSW#TRUnknown | Integrated Circuits (ICs) | IC DATA ACQ SYS 12BIT 5V 20SOIC |
| Series | Category | # Parts | Status | Description |
|---|---|---|---|---|
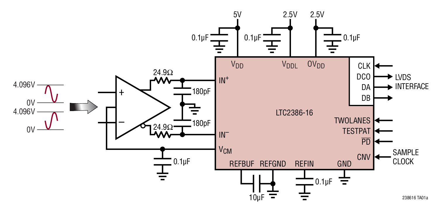
LTC2385-1616-Bit, 5Msps SAR ADC | Integrated Circuits (ICs) | 1 | Active | The LTC2385-16 is a low noise, high speed, 16-bit 5Msps successive approximation register (SAR) ADC ideally suited for a wide range of applications. The combination of excellent linearity and wide dynamic range makes the LTC2385-16 ideal for high speed imaging and instrumentation applications. No-latency operation provides a unique solution for high speed control loop applications. The very low distortion at high input frequencies enables communications applications requiring wide dynamic range and significant signal bandwidth.To support high speed operation while minimizing the number of data lines, the LTC2385-16 features a serial LVDS digital interface. The LVDS interface has one-lane and two-lane output modes, allowing the user to optimize the interface data rate for each application.ApplicationsHigh Speed Data AcquisitionImagingCommunicationsControl LoopsInstrumentationATE |
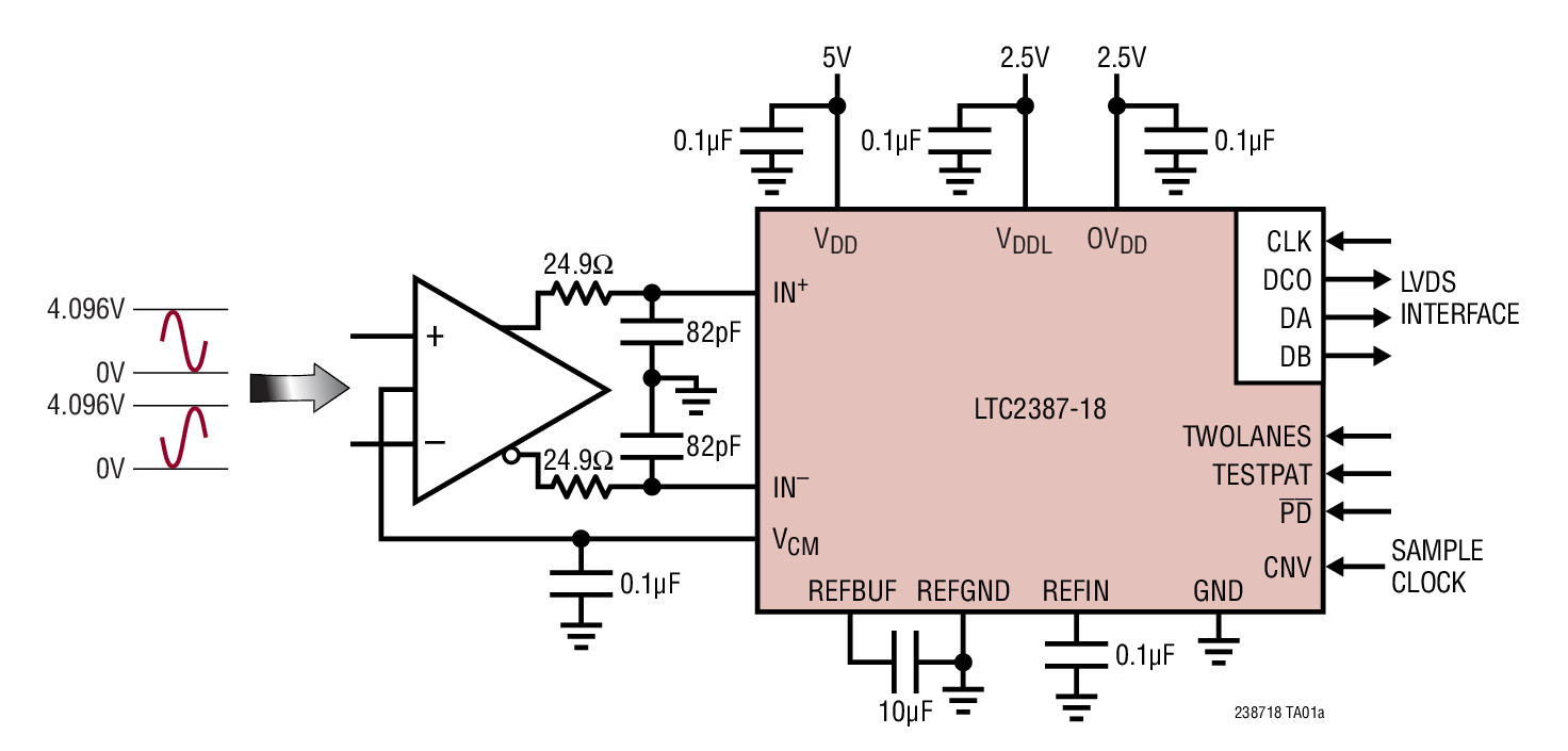
LTC2385-1818-Bit, 5Msps SAR ADC | Data Acquisition | 2 | Active | The LTC2385-18 is a low noise, high speed, 18-bit 5Msps successive approximation register (SAR) ADC ideally suited for a wide range of applications. The combination of excellent linearity and wide dynamic range makes the LTC2385-18 ideal for high speed imaging and instrumentation applications. No-latency operation provides a unique solution for high speed control loop applications. The very low distortion at high input frequencies enables communications applications requiring wide dynamic range and significant signal bandwidth.To support high speed operation while minimizing the number of data lines, the LTC2385-18 features a serial LVDS digital interface. The LVDS interface has one-lane and two-lane output modes, allowing the user to optimize the interface data rate for each application.ApplicationsHigh Speed Data AcquisitionImagingCommunicationsControl LoopsInstrumentationATE |
| Development Boards, Kits, Programmers | 8 | Active | ||
| Data Acquisition | 1 | Active | ||
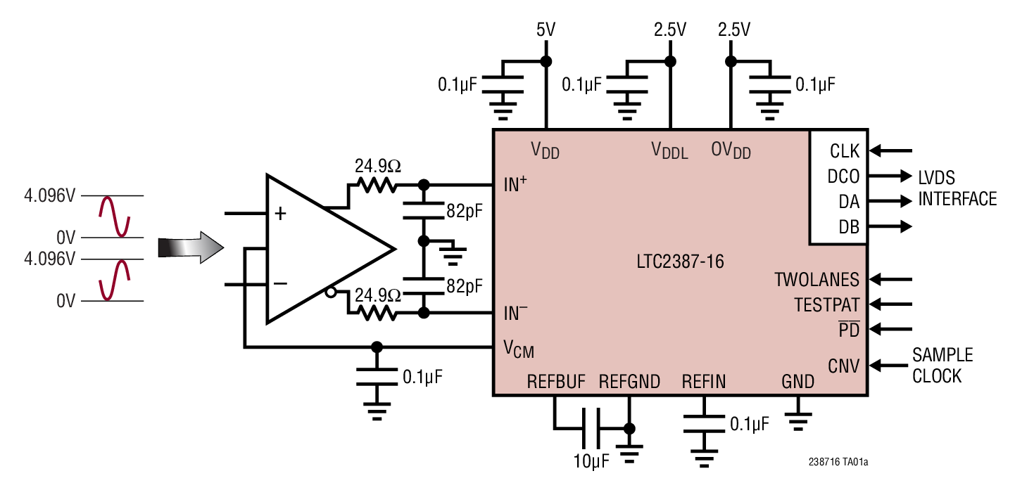
LTC238716-Bit, 15Msps SAR ADC | Evaluation and Demonstration Boards and Kits | 7 | Active | The LTC2387-16 is a low noise, high speed, 16-bit 15Msps successive approximation register (SAR) ADC ideally suited for a wide range of applications. The combination of excellent linearity and wide dynamic range makes the LTC2387-16 ideal for high speed imaging and instrumentation applications. No-latency operation provides a unique solution for high speed control loop applications. The very low distortion at high input frequencies enables communications applications requiring wide dynamic range and significant signal bandwidth.To support high speed operation while minimizing the number of data lines, the LTC2387-16 features a serial LVDS digital interface. The LVDS interface has one-lane and two-lane output modes, allowing the user to optimize the interface data rate for each application.ApplicationsHigh Speed Data AcquisitionImagingCommunicationsControl LoopsInstrumentationATE |
LTC2387-1616-Bit, 15Msps SAR ADC | Analog to Digital Converters (ADC) | 2 | Active | The LTC2387-16 is a low noise, high speed, 16-bit 15Msps successive approximation register (SAR) ADC ideally suited for a wide range of applications. The combination of excellent linearity and wide dynamic range makes the LTC2387-16 ideal for high speed imaging and instrumentation applications. No-latency operation provides a unique solution for high speed control loop applications. The very low distortion at high input frequencies enables communications applications requiring wide dynamic range and significant signal bandwidth.To support high speed operation while minimizing the number of data lines, the LTC2387-16 features a serial LVDS digital interface. The LVDS interface has one-lane and two-lane output modes, allowing the user to optimize the interface data rate for each application.ApplicationsHigh Speed Data AcquisitionImagingCommunicationsControl LoopsInstrumentationATE |
LTC2387-1818-Bit, 15Msps SAR ADC | Data Acquisition | 1 | Active | The LTC2387-18 is a low noise, high speed, 18-bit 15Msps successive approximation register (SAR) ADC ideally suited for a wide range of applications. The combination of excellent linearity and wide dynamic range makes the LTC2387-18 ideal for high speed imaging and instrumentation applications. No latency operation provides a unique solution for high speed control loop applications. The very low distortion at high input frequencies enables communications applications requiring wide dynamic range and significant signal bandwidth.To support high speed operation while minimizing the number of data lines, the LTC2387-18 features a serial LVDS digital interface. The LVDS interface has one-lane and two-lane output modes, allowing the user to optimize the interface data rate for each application.ApplicationsHigh Speed Data AcquisitionImagingCommunicationsControl LoopsInstrumentationATE |
| Integrated Circuits (ICs) | 8 | Active | ||
| Integrated Circuits (ICs) | 7 | Active | ||
| Data Acquisition | 7 | Active | ||