A
Analog Devices Inc./Maxim Integrated
| Series | Category | # Parts | Status | Description |
|---|---|---|---|---|
| Part | Spec A | Spec B | Spec C | Spec D | Description |
|---|---|---|---|---|---|
| Series | Category | # Parts | Status | Description |
|---|---|---|---|---|
| Part | Spec A | Spec B | Spec C | Spec D | Description |
|---|---|---|---|---|---|
| Part | Category | Description |
|---|---|---|
Analog Devices Inc./Maxim Integrated LTC1879EGN#TRUnknown | Integrated Circuits (ICs) | IC REG BUCK ADJ 1.2A 16SSOP |
Analog Devices Inc./Maxim Integrated LTC2208CUP#TRUnknown | Integrated Circuits (ICs) | IC ADC 16BIT 130MSPS 64-QFN |
Analog Devices Inc./Maxim Integrated ADP2108ACBZ-1.1-R7Obsolete | Integrated Circuits (ICs) | IC REG BUCK 1.1V 600MA 5WLCSP |
Analog Devices Inc./Maxim Integrated EV1HMC832ALP6GObsolete | Development Boards Kits Programmers | EVAL BOARD FOR HMC832ALP6GE |
Analog Devices Inc./Maxim Integrated LTC488ISWUnknown | Integrated Circuits (ICs) | IC LINE RCVR RS485 QUAD 16-SOIC |
Analog Devices Inc./Maxim Integrated LTC6946IUFD-2Obsolete | Integrated Circuits (ICs) | IC CLK/FREQ SYNTH 28QFN |
Analog Devices Inc./Maxim Integrated MAX5556ESA+TObsolete | Integrated Circuits (ICs) | IC DAC/AUDIO 16BIT 50K 8SOIC |
Analog Devices Inc./Maxim Integrated EVAL-FLTR-LD-1RZUnknown | Unclassified | EVAL BRD FOR AD800 SERIES |
Analog Devices Inc./Maxim Integrated | Development Boards Kits Programmers | BOARD EVAL FOR AD9963 |
Analog Devices Inc./Maxim Integrated LTC1296CCSW#TRUnknown | Integrated Circuits (ICs) | IC DATA ACQ SYS 12BIT 5V 20SOIC |
| Series | Category | # Parts | Status | Description |
|---|---|---|---|---|
LTC2335-1616-Bit, 1Msps 8-Channel Differential ±10.24V Input SoftSpan ADC with Wide Input Common Mode Range | Analog to Digital Converters (ADC) | 1 | Active | The LTC2335-16 is a 16-bit, low noise 8-channel multiplexed successive approximation register (SAR) ADC with differential, wide common mode range inputs. Operating from a 5V low voltage supply, flexible high voltage supplies, and using the internal reference and buffer, this SoftSpanTMADC can be configured on a conversion-by-conversion basis to accept ±10.24V, 0V to 10.24V, ±5.12V, or 0V to 5.12V signals on any channel. Alternately, the ADC may be programmed to cycle through a sequence of channels and ranges without further user intervention.The wide input common mode range and 118dB CMRR of the LTC2335-16 analog inputs allow the ADC to directly digitize a variety of signals, simplifying signal chain design. This input signal flexibility, combined with ±1LSB INL, no missing codes at 16 bits, and 94.4dB SNR, makes the LTC2335-16 an ideal choice for many high voltage applications requiring wide dynamic range.The LTC2335-16 supports pin-selectable SPI CMOS (1.8V to 5V) and LVDS serial interfaces.ApplicationsProgrammable Logic ControllersIndustrial Process ControlPower Line MonitoringTest and Measurement |
| Integrated Circuits (ICs) | 5 | Active | ||
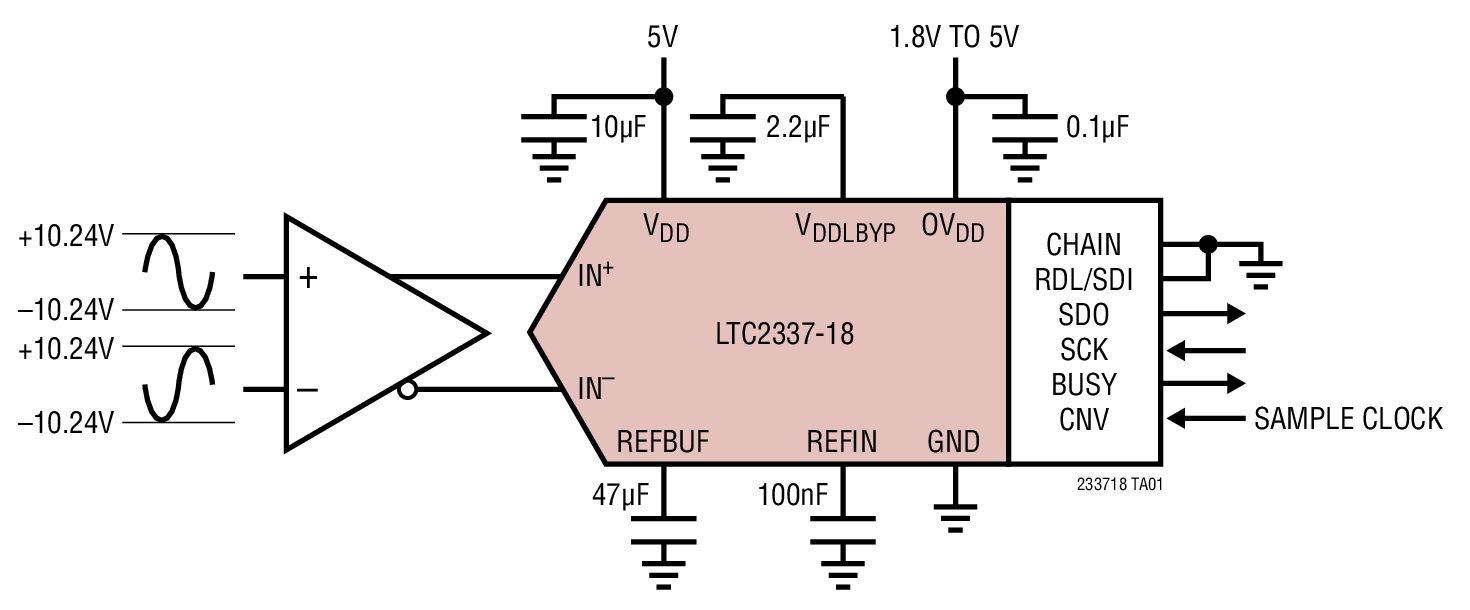
LTC2337-1818-Bit, 500ksps, ±10.24V True Bipolar, Fully Differential Input ADC with 100dB SNR | Data Acquisition | 6 | Active | The LTC2337-18 is a low noise, high speed 18-bit successive approximation register (SAR) ADC with fully differential inputs. Operating from a single 5V supply, the LTC2337-18 has a ±10.24V true bipolar input range, making it ideal for high voltage applications which require a wide dynamic range. The LTC2337-18 achieves ±4LSB INL maximum, no missing codes at 18-bits with 100dB SNR.The LTC2337-18 has an on-board single-shot capable reference buffer and low drift (20ppm/°C max) 2.048V temperature compensated reference. The LTC2337-18 also has a high speed SPI-compatible serial interface that supports 1.8V, 2.5V, 3.3V and 5V logic while also featuring a daisy-chain mode. The fast 500ksps throughput with no cycle latency makes the LTC2337-18 ideally suited for a wide variety of high speed applications. An internal oscillator sets the conversion time, easing external timing considerations. The LTC2337-18 dissipates only 35mW and automatically naps between conversions, leading to reduced power dissipation that scales with the sampling rate. A sleep mode is also provided to reduce the power consumption of the LTC2337-18 to 300μW for further power savings during inactive periods.ApplicationsProgrammable Logic ControllersIndustrial Process ControlHigh Speed Data AcquisitionPortable or Compact InstrumentationATE |
| Data Acquisition | 5 | Active | ||
| Analog to Digital Converters (ADC) | 9 | Active | ||
LTC2341-16Dual, 16-Bit, 666ksps/ch Differential SoftSpan ADC with Wide Input Common Mode Range | Data Acquisition | 1 | Active | The LTC2341-16 is a 16-bit, low noise 2-channel simultaneous sampling successive approximation register (SAR) ADC with differential, wide common mode range inputs. Operating from a 5V supply and using the internal reference and buffer, both channels of this SoftSpan™ADC can be independently configured on a conversion-by-conversion basis to accept ±4.096V, 0V to 4.096V, ±2.048V, or 0V to 2.048V signals. One channel may also be disabled to increase throughput on the other channel.The wide input common mode range and 105dB CMRR of the LTC2341-16 analog inputs allow the ADC to directly digitize a variety of signals, simplifying signal chain design. This input signal flexibility, combined with ±1.25LSB INL, no missing codes at 16 bits, and 93.4dB SNR, makes the LTC2341-16 an ideal choice for many applications requiring wide dynamic range.The LTC2341-16 supports pin-selectable SPI CMOS (1.8V to 5V) and LVDS serial interfaces. Either one or two lanes of data output may be employed in CMOS mode, allowing the user to optimize bus width and throughput.ApplicationsProgrammable Logic ControllersIndustrial Process ControlMedical ImagingHigh Speed Data Acquisition |
LTC2341-18Dual, 18-Bit, 666ksps/ch Differential SoftSpan ADC with Wide Input Common Mode Range | Data Acquisition | 3 | Active | The LTC2341-18 is an 18-bit, low noise 2-channel simultaneous sampling successive approximation register (SAR) ADC with differential, wide common mode range inputs. Operating from a 5V supply and using the internal reference and buffer, both channels of this SoftSpan™ADC can be independently configured on a conversion-by-conversion basis to accept ±4.096V, 0V to 4.096V, ±2.048V, or 0V to 2.048V signals. One channel may also be disabled to increase throughput on the other channel.The wide input common mode range and 105dB CMRR of the LTC2341-18 analog inputs allow the ADC to directly digitize a variety of signals, simplifying signal chain design. This input signal flexibility, combined with ±4LSB INL, no missing codes at 18 bits, and 95dB SNR, makes the LTC2341-18 an ideal choice for many applications requiring wide dynamic range.The LTC2341-18 supports pin-selectable SPI CMOS (1.8V to 5V) and LVDS serial interfaces. Either one or two lanes of data output may be employed in CMOS mode, allowing the user to optimize bus width and throughput.ApplicationsProgrammable Logic ControllersIndustrial Process ControlMedical ImagingHigh Speed Data Acquisition |
| Data Acquisition | 1 | Active | ||
| Integrated Circuits (ICs) | 7 | Active | ||
LTC2344-18Quad, 18-Bit, 400ksps/ch Differential SoftSpan ADC with Wide Input Common Mode Range | Data Acquisition | 6 | Active | The LTC2344-18 is an 18-bit, low noise 4-channel simultaneous sampling successive approximation register (SAR) ADC with differential, wide common mode range inputs. Operating from a 5V supply and using the internal reference and buffer, each channel of this SoftSpan™ADC can be independently configured on a conversion-by-conversion basis to accept ±4.096V, 0V to 4.096V, ±2.048V, or 0V to 2.048V signals. Individual channels may also be disabled to increase throughput on the remaining channels.The wide input common mode range and 102dB CMRR of the LTC2344-18 analog inputs allow the ADC to directly digitize a variety of signals, simplifying signal chain design. This input signal flexibility, combined with ±4LSB INL, no missing codes at 18 bits, and 95dB SNR, makes the LTC2344-18 an ideal choice for many applications requiring wide dynamic range.The LTC2344-18 supports pin-selectable SPI CMOS (1.8V to 5V) and LVDS serial interfaces. Between one and four lanes of data output may be employed in CMOS mode, allowing the user to optimize bus width and throughput.ApplicationsProgrammable Logic ControllersIndustrial Process ControlMedical ImagingHigh Speed Data Acquisition |