A
Analog Devices Inc./Maxim Integrated
| Series | Category | # Parts | Status | Description |
|---|---|---|---|---|
| Part | Spec A | Spec B | Spec C | Spec D | Description |
|---|---|---|---|---|---|
| Series | Category | # Parts | Status | Description |
|---|---|---|---|---|
| Part | Spec A | Spec B | Spec C | Spec D | Description |
|---|---|---|---|---|---|
| Part | Category | Description |
|---|---|---|
Analog Devices Inc./Maxim Integrated LTC1879EGN#TRUnknown | Integrated Circuits (ICs) | IC REG BUCK ADJ 1.2A 16SSOP |
Analog Devices Inc./Maxim Integrated LTC2208CUP#TRUnknown | Integrated Circuits (ICs) | IC ADC 16BIT 130MSPS 64-QFN |
Analog Devices Inc./Maxim Integrated ADP2108ACBZ-1.1-R7Obsolete | Integrated Circuits (ICs) | IC REG BUCK 1.1V 600MA 5WLCSP |
Analog Devices Inc./Maxim Integrated EV1HMC832ALP6GObsolete | Development Boards Kits Programmers | EVAL BOARD FOR HMC832ALP6GE |
Analog Devices Inc./Maxim Integrated LTC488ISWUnknown | Integrated Circuits (ICs) | IC LINE RCVR RS485 QUAD 16-SOIC |
Analog Devices Inc./Maxim Integrated LTC6946IUFD-2Obsolete | Integrated Circuits (ICs) | IC CLK/FREQ SYNTH 28QFN |
Analog Devices Inc./Maxim Integrated MAX5556ESA+TObsolete | Integrated Circuits (ICs) | IC DAC/AUDIO 16BIT 50K 8SOIC |
Analog Devices Inc./Maxim Integrated EVAL-FLTR-LD-1RZUnknown | Unclassified | EVAL BRD FOR AD800 SERIES |
Analog Devices Inc./Maxim Integrated | Development Boards Kits Programmers | BOARD EVAL FOR AD9963 |
Analog Devices Inc./Maxim Integrated LTC1296CCSW#TRUnknown | Integrated Circuits (ICs) | IC DATA ACQ SYS 12BIT 5V 20SOIC |
| Series | Category | # Parts | Status | Description |
|---|---|---|---|---|
LTC2141-1414-Bit, 40Msps Low Power Dual ADCs | Data Acquisition | 2 | Active | The LTC2142-14/LTC2141-14/LTC2140-14 are 2-channel simultaneous sampling 14-bit A/D converters designed for digitizing high frequency, wide dynamic range signals. They are perfect for demanding communications applications with AC performance that includes 73.2dB SNR and 90dB spurious free dynamic range (SFDR). Ultralow jitter of 0.08psRMSallows undersampling of IF frequencies with excellent noise performance.DC specs include ±1LSB INL (typ), ±0.3LSB DNL (typ) and no missing codes over temperature. The transition noise is 1.2LSBRMS.The digital outputs can be either full rate CMOS, double data rate CMOS, or double data rate LVDS. A separate output power supply allows the CMOS output swing to range from 1.2V to 1.8V.The ENC+and ENC–inputs may be driven differentially or single-ended with a sine wave, PECL, LVDS, TTL, or CMOS inputs. An optional clock duty cycle stabilizer allows high performance at full speed for a wide range of clock duty cycles.BitsLTC2141-1212LTC2141-1414ApplicationsCommunicationsCellular Base StationsSoftware Defined RadiosPortable Medical ImagingMulti-Channel Data AcquisitionNondestructive Testing |
LTC2142-1212-Bit, 65Msps Low Power Dual ADCs | Analog to Digital Converters (ADC) | 4 | Active | The LTC2142-12/LTC2141-12/LTC2140-12 are 2-channel simultaneous sampling 12-bit A/D converters designed for digitizing high frequency, wide dynamic range signals. They are perfect for demanding communications applications with AC performance that includes 70.8dB SNR and 89dB spurious free dynamic range (SFDR). Ultralow jitter of 0.08psRMSallows undersampling of IF frequencies with excellent noise performance.DC specs include ±0.3LSB INL (typ), ±0.1LSB DNL (typ) and no missing codes over temperature. The transition noise is 0.3LSBRMS.The digital outputs can be either full rate CMOS, double data rate CMOS, or double data rate LVDS. A separate output power supply allows the CMOS output swing to range from 1.2V to 1.8V.The ENC+and ENC–inputs may be driven differentially or single-ended with a sine wave, PECL, LVDS, TTL, or CMOS inputs. An optional clock duty cycle stabilizer allows high performance at full speed for a wide range of clock duty cycles.BitsLTC2142-1212LTC2142-1414ApplicationsCommunicationsCellular Base StationsSoftware Defined RadiosPortable Medical ImagingMulti-Channel Data AcquisitionNondestructive Testing |
| Data Acquisition | 4 | Active | ||
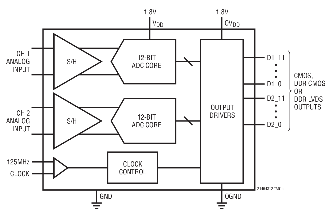
LTC214314-Bit, 80Msps Low Power Dual ADCs | Analog to Digital Converters (ADC) | 6 | Active | The LTC2145-12/LTC2144-12/LTC2143-12 are 2-channel simultaneous sampling 12-bit A/D converters designed for digitizing high frequency, wide dynamic range signals. They are perfect for demanding communications applications with AC performance that includes 70.6dB SNR and 89dB spurious free dynamic range (SFDR). Ultralow jitter of 0.08psRMSallows undersampling of IF frequencies with excellent noise performance.DC specs include ±0.3LSB INL (typ), ±0.1LSB DNL (typ) and no missing codes over temperature. The transition noise is 0.3LSBRMS.The digital outputs can be either full rate CMOS, double data rate CMOS, or double data rate LVDS. A separate output power supply allows the CMOS output swing to range from 1.2V to 1.8V.The ENC+and ENC–inputs may be driven differentially or single-ended with a sine wave, PECL, LVDS, TTL, or CMOS inputs. An optional clock duty cycle stabilizer allows high performance at full speed for a wide range of clock duty cycles.BitsLTC2143-1212LTC2143-1414ApplicationsCommunicationsCellular Base StationsSoftware Defined RadiosPortable Medical ImagingMulti-Channel Data AcquisitionNondestructive Testing |
LTC2143-1212-Bit, 80Msps Low Power Dual ADCs | Analog to Digital Converters (ADC) | 1 | Active | The LTC2145-12/LTC2144-12/LTC2143-12 are 2-channel simultaneous sampling 12-bit A/D converters designed for digitizing high frequency, wide dynamic range signals. They are perfect for demanding communications applications with AC performance that includes 70.6dB SNR and 89dB spurious free dynamic range (SFDR). Ultralow jitter of 0.08psRMSallows undersampling of IF frequencies with excellent noise performance.DC specs include ±0.3LSB INL (typ), ±0.1LSB DNL (typ) and no missing codes over temperature. The transition noise is 0.3LSBRMS.The digital outputs can be either full rate CMOS, double data rate CMOS, or double data rate LVDS. A separate output power supply allows the CMOS output swing to range from 1.2V to 1.8V.The ENC+and ENC–inputs may be driven differentially or single-ended with a sine wave, PECL, LVDS, TTL, or CMOS inputs. An optional clock duty cycle stabilizer allows high performance at full speed for a wide range of clock duty cycles.BitsLTC2143-1212LTC2143-1414ApplicationsCommunicationsCellular Base StationsSoftware Defined RadiosPortable Medical ImagingMulti-Channel Data AcquisitionNondestructive Testing |
LTC2143-1414-Bit, 80Msps Low Power Dual ADCs | Data Acquisition | 1 | Active | The LTC2145-14/LTC2144-14/LTC2143-14 are 2-channel simultaneous sampling 14-bit A/D converters designed for digitizing high frequency, wide dynamic range signals. They are perfect for demanding communications applications with AC performance that includes 73.1dB SNR and 90dB spurious free dynamic range (SFDR). Ultralow jitter of 0.08psRMSallows undersampling of IF frequencies with excellent noise performance.DC specs include ±1LSB INL (typ), ±0.3LSB DNL (typ) and no missing codes over temperature. The transition noise is 1.2LSBRMS.The digital outputs can be either full rate CMOS, double data rate CMOS, or double data rate LVDS. A separate output power supply allows the CMOS output swing to range from 1.2V to 1.8V.The ENC+and ENC–inputs may be driven differentially or single-ended with a sine wave, PECL, LVDS, TTL, or CMOS inputs. An optional clock duty cycle stabilizer allows high performance at full speed for a wide range of clock duty cycles.BitsLTC2143-1212LTC2143-1414ApplicationsCommunicationsCellular Base StationsSoftware Defined RadiosPortable Medical ImagingMulti-Channel Data AcquisitionNondestructive Testing |
LTC2144-1212-Bit, 105Msps Low Power Dual ADCs | Data Acquisition | 4 | Active | The LTC2145-12/LTC2144-12/LTC2143-12 are 2-channel simultaneous sampling 12-bit A/D converters designed for digitizing high frequency, wide dynamic range signals. They are perfect for demanding communications applications with AC performance that includes 70.6dB SNR and 89dB spurious free dynamic range (SFDR). Ultralow jitter of 0.08psRMSallows undersampling of IF frequencies with excellent noise performance.DC specs include ±0.3LSB INL (typ), ±0.1LSB DNL (typ) and no missing codes over temperature. The transition noise is 0.3LSBRMS.The digital outputs can be either full rate CMOS, double data rate CMOS, or double data rate LVDS. A separate output power supply allows the CMOS output swing to range from 1.2V to 1.8V.The ENC+and ENC–inputs may be driven differentially or single-ended with a sine wave, PECL, LVDS, TTL, or CMOS inputs. An optional clock duty cycle stabilizer allows high performance at full speed for a wide range of clock duty cycles.BitsLTC2144-1212LTC2144-1414ApplicationsCommunicationsCellular Base StationsSoftware Defined RadiosPortable Medical ImagingMulti-Channel Data AcquisitionNondestructive Testing |
LTC2144-1414-Bit, 105Msps Low Power Dual ADCs | Analog to Digital Converters (ADC) | 4 | Active | The LTC2145-14/LTC2144-14/LTC2143-14 are 2-channel simultaneous sampling 14-bit A/D converters designed for digitizing high frequency, wide dynamic range signals. They are perfect for demanding communications applications with AC performance that includes 73.1dB SNR and 90dB spurious free dynamic range (SFDR). Ultralow jitter of 0.08psRMSallows undersampling of IF frequencies with excellent noise performance.DC specs include ±1LSB INL (typ), ±0.3LSB DNL (typ) and no missing codes over temperature. The transition noise is 1.2LSBRMS.The digital outputs can be either full rate CMOS, double data rate CMOS, or double data rate LVDS. A separate output power supply allows the CMOS output swing to range from 1.2V to 1.8V.The ENC+and ENC–inputs may be driven differentially or single-ended with a sine wave, PECL, LVDS, TTL, or CMOS inputs. An optional clock duty cycle stabilizer allows high performance at full speed for a wide range of clock duty cycles.BitsLTC2144-1212LTC2144-1414ApplicationsCommunicationsCellular Base StationsSoftware Defined RadiosPortable Medical ImagingMulti-Channel Data AcquisitionNondestructive Testing |
| Evaluation Boards | 1 | Active | ||
| Analog to Digital Converters (ADC) | 4 | Active | ||