A
Analog Devices Inc./Maxim Integrated
| Series | Category | # Parts | Status | Description |
|---|---|---|---|---|
| Part | Spec A | Spec B | Spec C | Spec D | Description |
|---|---|---|---|---|---|
| Series | Category | # Parts | Status | Description |
|---|---|---|---|---|
| Part | Spec A | Spec B | Spec C | Spec D | Description |
|---|---|---|---|---|---|
| Part | Category | Description |
|---|---|---|
Analog Devices Inc./Maxim Integrated LTC1879EGN#TRUnknown | Integrated Circuits (ICs) | IC REG BUCK ADJ 1.2A 16SSOP |
Analog Devices Inc./Maxim Integrated LTC2208CUP#TRUnknown | Integrated Circuits (ICs) | IC ADC 16BIT 130MSPS 64-QFN |
Analog Devices Inc./Maxim Integrated ADP2108ACBZ-1.1-R7Obsolete | Integrated Circuits (ICs) | IC REG BUCK 1.1V 600MA 5WLCSP |
Analog Devices Inc./Maxim Integrated EV1HMC832ALP6GObsolete | Development Boards Kits Programmers | EVAL BOARD FOR HMC832ALP6GE |
Analog Devices Inc./Maxim Integrated LTC488ISWUnknown | Integrated Circuits (ICs) | IC LINE RCVR RS485 QUAD 16-SOIC |
Analog Devices Inc./Maxim Integrated LTC6946IUFD-2Obsolete | Integrated Circuits (ICs) | IC CLK/FREQ SYNTH 28QFN |
Analog Devices Inc./Maxim Integrated MAX5556ESA+TObsolete | Integrated Circuits (ICs) | IC DAC/AUDIO 16BIT 50K 8SOIC |
Analog Devices Inc./Maxim Integrated EVAL-FLTR-LD-1RZUnknown | Unclassified | EVAL BRD FOR AD800 SERIES |
Analog Devices Inc./Maxim Integrated | Development Boards Kits Programmers | BOARD EVAL FOR AD9963 |
Analog Devices Inc./Maxim Integrated LTC1296CCSW#TRUnknown | Integrated Circuits (ICs) | IC DATA ACQ SYS 12BIT 5V 20SOIC |
| Series | Category | # Parts | Status | Description |
|---|---|---|---|---|
LTC1643APCI-Bus Hot Swap Controller | PMIC | 12 | Active | The LTC1643A is a Hot Swap™controller that allows a board to be safely inserted and removed from a live PCI-Bus slot. Two external N-channel transistors control the 3.3V and 5V supplies while on-chip switches control the –12V and 12V supplies. All supply voltages can be ramped up at a programmable rate. An electronic circuit breaker protects all four supplies against overcurrent faults. The foldback current limit feature limits current spikes and power dissipation when shorts occur and allows boards with large capacitances to be powered up without tripping the circuit breaker. ThePWRGDoutput indicates when all of the supply voltages are within tolerance and theFAULToutput indicates an overcurrent condition. The ON(LTC1643AH)/ON(LTC1643AL/ LTC1643AL-1) pin is used to cycle the board power or reset the circuit breaker. The LTC1643AL-1 has the ±12V power good comparators disabled.The LTC1643A is available in a 16-pin narrow SSOP package.ApplicationsPCI-Based ServersCompactPCI Compliant Boards |
| PMIC | 4 | Active | ||
| Power Management (PMIC) | 8 | Active | ||
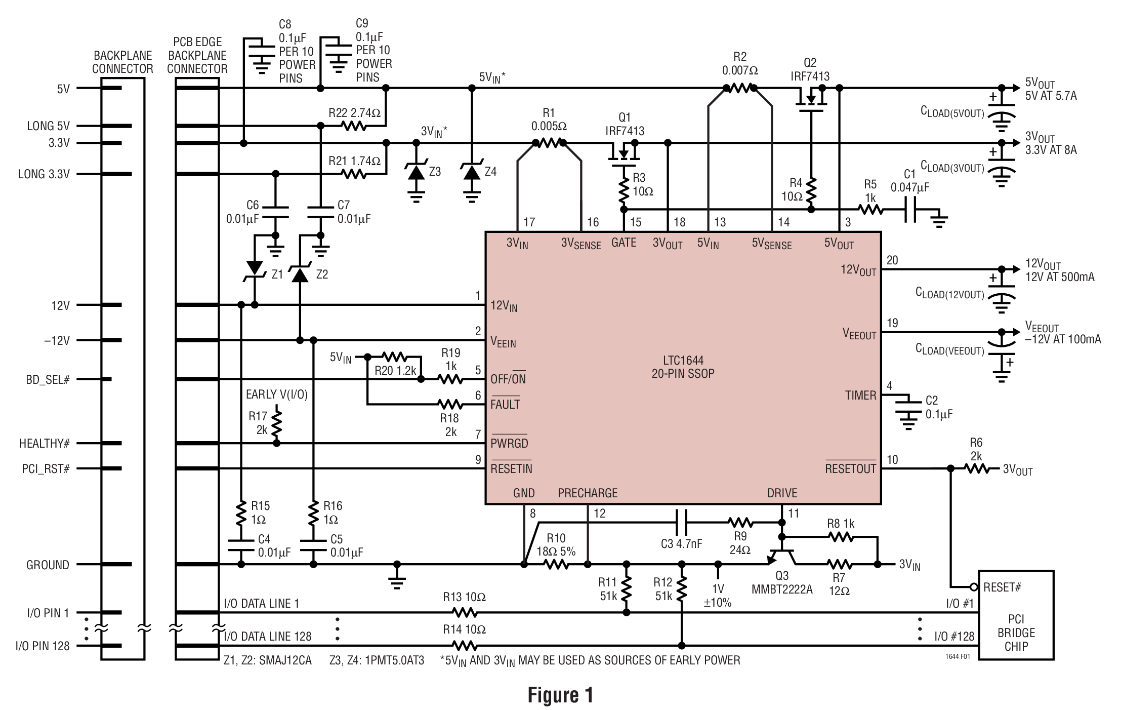
LTC1646CompactPCI Dual Hot Swap Controller | Hot Swap Controllers | 4 | Active | The LTC1646 is a Hot Swap™controller that allows a board to be safely inserted and removed from a live CompactPCI bus slot. Two external N-Channel transistors control the 3.3V and 5V supplies. The supplies can be ramped-up in current limit or at a programmable rate. Electronic circuit breakers protect both supplies against overcurrent fault conditions. ThePWRGDoutput indicates when all of the supply voltages are within tolerance. The OFF/ONpin is used to cycle the board power or reset the circuit breaker. The PRECHARGE output can be used to bias the bus I/O pins during card insertion and extraction. PCI_RST# is logically combined on-chip with HEALTHY# in order to generate LOCAL_PCI_RST# which can be used to reset the CPCI card logic if either of the supply voltages is not within tolerance.The LTC1646 is available in the 16-pin narrow SSOP package.ApplicationsCompactPCI Bus Removable Boards |
| Power Management (PMIC) | 12 | Active | ||
LTC16493.3V Input High Power Step-Down Switching Regulator Controller | DC DC Switching Controllers | 4 | Active | The LTC1649 is a high power, high efficiency switching regulator controller optimized for use with very low supply voltages. It operates from 2.7V to 5V input, and provides a regulated output voltage from 1.26V to 2.5V at up to 20A load current. A typical 3.3V to 2.5V application features efficiency above 90% from 1A to 10A load. The LTC1649 uses a pair of standard 5V logic-level N-channel external MOSFETs, eliminating the need for expensive P-channel or super-low-threshold devices.The LTC1649 shares its internal switching architecture with the LTC1430, and features the same ±1% line, load and temperature regulation characteristics. Current limit is user-adjustable without requiring an external low-value sense resistor. The LTC1649 uses a 200kHz switching frequency and voltage mode control, minimizing external component count and size. Shutdown mode drops the quiescent current to below 10µA.The LTC1649 is available in the 16-pin narrow SO package.Applications3.3V Input Power Supply for Low Voltage Microprocessors and LogicLow Input Voltage Power SuppliesHigh Power, Low Voltage RegulatorsLocal Regulation for Multiple Voltage Distributed Power Systems |
| Digital to Analog Converters (DAC) | 13 | Active | ||
LTC1654Dual 14-Bit Rail-to-Rail DAC in 16-Lead SSOP Package | Digital to Analog Converters (DAC) | 4 | Active | The LTC1654 is a dual, rail-to-rail voltage output, 14-bit digital-to-analog converter (DAC). It is available in a 16-lead narrow SSOP package, making it the smallest dual 14-bit DAC available. It includes output buffer amplifiers and a flexible serial interface.The LTC1654 has REFHI pins for each DAC that can be driven up to VCC. The output will swing from 0V to VCCin a gain of 1 configuration or VCC/2 in a gain of 1/2 configuration. It operates from a single 2.7V to 5.5V supply.The LTC1654 has two programmable speeds: a FAST and SLOW mode with ±1LSB settling times of 3µs or 8.5µs respectively and supply currents of 930µA and540µAin the two modes. The LTC1654 also has shutdown capability, power-on reset and a clear function to 0V.ApplicationsDigital CalibrationIndustrial Process ControlAutomatic Test EquipmentOffset/Gain AdjustmentMultiplying DAC |
LTC165516-Bit Rail-to-Rail Micropower DACs in SO-8 Package | Digital to Analog Converters (DAC) | 14 | Active | The LTC1655/LTC1655L are rail-to-rail voltage output, 16-bit digital-to-analog converters in an SO-8 package. They include an output buffer and a reference. The 3-wire serial interface is compatible with SPI/QSPI and MICROWIRE™ protocols. The CLK input has a Schmitt trigger that allows direct optocoupler interface.The LTC1655 has an on-board 2.048V reference that can be overdriven to a higher voltage. The output swings from 0V to 4.096V when using the internal reference. The typical power dissipation is 3.0mW on a single 5V supply.The LTC1655L has an on-board 1.25V reference that can be overdriven to a higher voltage. The output swings from 0V to 2.5V when using the internal reference. The typical power dissipation is 1.8mW on a single 3V supply.The LTC1655/LTC1655L are pin compatible with the 12-bit VOUTDAC family, allowing an easy upgrade path. They are the only buffered 16-bit DACs in an SO-8 package and they include an on-board reference for standalone performance.ApplicationsDigital CalibrationIndustrial Process ControlAutomatic Test EquipmentCellular Telephones |
LTC1657Parallel 16-Bit Rail-to-Rail Micropower DAC | Integrated Circuits (ICs) | 9 | Active | The LTC1657/LTC1657L are complete single supply, rail-to-rail voltage output, 16-bit analog-to-digital converters (DAC) in a 28-pin SSOP or PDIP package. They include a rail-to-rail output buffer amplifier, an internal reference and a double buffered parallel digital interface.The LTC1657/LTC1657L have separate reference input pins that can be driven by an external reference. The fullscale output can be 1 or 2 times the reference voltage depending on how the X1/X2 pin is connected. The LTC1657 operates from a 4.5V to 5.5V supply and has an on-board 2.048V reference. The LTC1657L operates from a 2.7V to 5.5V supply and has an on-board 1.25V reference.The LTC1657/LTC1657L are similar to the LTC1450/LTC1450L 12-bit VOUTDAC family, allowing an upgrade path. They are the only buffered 16-bit parallel DACs in a 28-lead SSOP package and include an onboard reference for stand alone performance.ApplicationsInstrumentationDigital CalibrationIndustrial Process ControlAutomatic Test EquipmentCommunication Test Equipment |