A
Analog Devices Inc./Maxim Integrated
| Series | Category | # Parts | Status | Description |
|---|---|---|---|---|
| Part | Spec A | Spec B | Spec C | Spec D | Description |
|---|---|---|---|---|---|
| Series | Category | # Parts | Status | Description |
|---|---|---|---|---|
| Part | Spec A | Spec B | Spec C | Spec D | Description |
|---|---|---|---|---|---|
| Part | Category | Description |
|---|---|---|
Analog Devices Inc./Maxim Integrated LTC1879EGN#TRUnknown | Integrated Circuits (ICs) | IC REG BUCK ADJ 1.2A 16SSOP |
Analog Devices Inc./Maxim Integrated LTC2208CUP#TRUnknown | Integrated Circuits (ICs) | IC ADC 16BIT 130MSPS 64-QFN |
Analog Devices Inc./Maxim Integrated ADP2108ACBZ-1.1-R7Obsolete | Integrated Circuits (ICs) | IC REG BUCK 1.1V 600MA 5WLCSP |
Analog Devices Inc./Maxim Integrated EV1HMC832ALP6GObsolete | Development Boards Kits Programmers | EVAL BOARD FOR HMC832ALP6GE |
Analog Devices Inc./Maxim Integrated LTC488ISWUnknown | Integrated Circuits (ICs) | IC LINE RCVR RS485 QUAD 16-SOIC |
Analog Devices Inc./Maxim Integrated LTC6946IUFD-2Obsolete | Integrated Circuits (ICs) | IC CLK/FREQ SYNTH 28QFN |
Analog Devices Inc./Maxim Integrated MAX5556ESA+TObsolete | Integrated Circuits (ICs) | IC DAC/AUDIO 16BIT 50K 8SOIC |
Analog Devices Inc./Maxim Integrated EVAL-FLTR-LD-1RZUnknown | Unclassified | EVAL BRD FOR AD800 SERIES |
Analog Devices Inc./Maxim Integrated | Development Boards Kits Programmers | BOARD EVAL FOR AD9963 |
Analog Devices Inc./Maxim Integrated LTC1296CCSW#TRUnknown | Integrated Circuits (ICs) | IC DATA ACQ SYS 12BIT 5V 20SOIC |
| Series | Category | # Parts | Status | Description |
|---|---|---|---|---|
LT6600Very Low Noise, Differential Amplifi er and 2.5MHz Lowpass Filter | Development Boards, Kits, Programmers | 13 | Active | The LT6600-2.5 combines a fully differential amplifier with a 4th order 2.5MHz lowpass filter approximating a Chebyshev frequency response. Most differential amplifiers require many precision external components to tail or gain and bandwidth. In contrast, with the LT6600-2.5, two external resistors program differential gain, and the filter’s 2.5MHz cutoff frequency and passband ripple are internally set. The LT6600-2.5 also provides the necessary level shifting to set its output common mode voltage to accommodate the reference voltage requirements of A/Ds.Using a proprietary internal architecture, the LT6600-2.5 integrates an antialiasing filter and a differential amplifier/driver without compromising distortion or low noise performance. At unity gain the measured in band signal-to- noise ratio is an impressive 86dB. At higher gains the input referred noise decreases so the part can process smaller input differential signals without significantly degrading the output signal-to-noise ratio.The LT6600-2.5 also features low voltage operation. The differential design provides outstanding performance for a 4VP-Psignal level while the part operates with a single 3V supply. The LT6600-2.5 is available in SO-8 and DFN-12 packages.For similar devices with higher cutoff frequency, refer to the LT6600-5, LT6600-10, LT6600-15 and LT6600-20 data sheets.ApplicationsHigh Speed ADC Antialiasing and DAC Smoothing in Networking or Cellular Basestation ApplicationsHigh Speed Test and Measurement EquipmentMedical ImagingDrop-in Replacement for Differential Amplifiers |
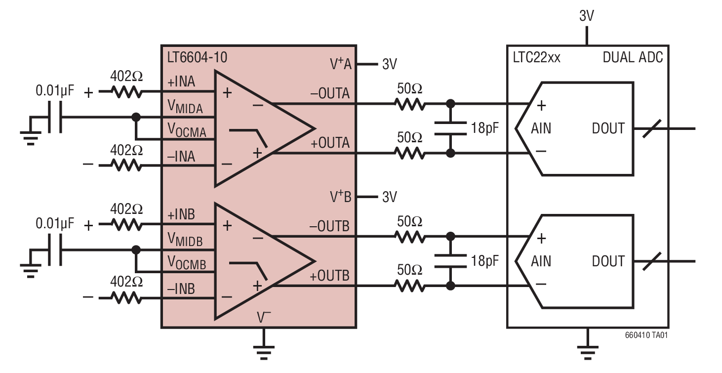
LT6604Dual Very Low Noise, Differential Amplifier and 10MHz Lowpass Filter | Special Purpose | 9 | Active | The LT6604-5 consists of two matched, fully differential amplifiers, each with a 4th order, 5MHz lowpass filter. The fixed frequency lowpass filter approximates a Chebyshev response. By integrating a filter and a differential amplifier, distortion and noise are made exceptionally low. At unity gain, the measured in-band signal-to-noise ratio is an impressive 82dB. At higher gains, the input referred noise decreases, allowing the part to process smaller input differential signals without significantly degrading the signal-to-noise ratio.Gain and phase are well matched between the two channels. Gain for each channel is independently programmed using two external resistors. The LT6604-5 enables level shifting by providing an adjustable output common mode voltage, making it ideal for directly interfacing to ADCs. The LT6604-5 is fully specified for 3V operation. The differential design enables outstanding performance at a 2VP-P signal level for a single 3V supply.See the back page of this datasheet for a complete list of related single and dual differential amplifiers with integrated 2.5MHz to 20MHz lowpass filters.ApplicationsDual Differential ADC Driver and FilterSingle-Ended to Differential ConverterMatched, Dual, Differential Gain or Filter StageCommon Mode Translation of Differential SignalsHigh Speed ADC Antialiasing and DAC Smoothing in Wireless Infrastructure or Networking ApplicationsHigh Speed Test and Measurement EquipmentMedical Imaging |
| Power Management (PMIC) | 6 | Active | ||
LT6654Precision Wide Supply High Output Drive Low Noise Reference | PMIC | 124 | Active | The LT6654 is a family of small precision voltage references that offers high accuracy, low noise, low drift, low dropout and low power. The LT6654 operates from voltages up to 36V and is fully specified from –55°C to 125°C. A buffered output ensures ±10mA of output drive with low output impedance and precise load regulation. These features, in combination, make the LT6654 ideal for portable equipment, industrial sensing and control, and automotive applications.The LT6654 was designed with advanced manufacturing techniques and curvature compensation to provide 10ppm/°C temperature drift and 0.05% initial accuracy. Low thermal hysteresis ensures high accuracy and 1.6ppmP-Pnoise minimizes measurement uncertainty. Since the LT6654 can also sink current, it can operate as a low power negative voltage reference with the same precision as a positive reference.The LT6654 references are offered in 6-lead SOT-23 package and an 8-lead LS8 package. The LS8 is a 5mm × 5mm surface mount hermetic package that provides outstanding stability.ApplicationsAutomotive Control and MonitoringHigh Temperature IndustrialHigh Resolution Data Acquisition SystemsInstrumentation and Process ControlPrecision RegulatorsMedical Equipment |
LT6654BX175°C, Wide Supply 2.5V Precision Voltage Reference | Integrated Circuits (ICs) | 1 | Active | The LT6654BX is a 2.5V precision voltage reference that is rated for operation up to 175°C junction temperature. The LT6654BX operates from voltages up to 36V and is fully specified from –40°C to 175°C. A buffered output ensures both sourcing and sinking output current, with low output impedance and precise load regulation. These features, in combination, make the LT6654BX well positioned for high temperature environment applications.Low thermal hysteresis ensures high accuracy and 1.5ppmP-Pnoise minimizes measurement uncertainty. Since the LT6654BX can also sink current, it can operate as a low power negative voltage reference with the same precision as a positive reference. The typical performance characteristics and the application information of the standard LT6654BH applies to the LT6654BX as well. See the LT6654 data sheet for more information.The LT6654BX reference is offered in an 8-lead MSOP package.ApplicationsOil and Gas ExplorationDown-Hole Drilling and InstrumentationAvionicsHeavy IndustrialHigh Temperature Automotive |
LT66561μA Precision Series Voltage Reference | PMIC | 118 | Active | The LT6656 is a tiny precision voltage reference that draws less than 1μA of supply current and can operate with a supply voltage within 10mV of the output voltage. The LT6656 offers an initial accuracy of 0.05% and temperature drift of 10ppm/°C. The combined low power and precision characteristics are ideal for portable and battery powered instrumentation.The LT6656 can supply up to 5mA of output drive with 65ppm/mA of load regulation, allowing it to be used as the supply voltage and the reference input to a low power ADC. The LT6656 can accept a supply voltage up to 18V and withstand the reversal of the input connections.The LT6656 output is stable with 1μF or larger output capacitance and operates with a wide range of output capacitor ESR.This reference is fully specified for operation from –40°C to 85°C, and is functional over the extreme temperature range of –55°C to 125°C. Low hysteresis and a consistent temperature drift are obtained through advanced design, processing and packaging techniques.The LT6656 is offered in the 6-lead SOT-23, (2mm × 2mm) DFN, and 8-lead LS8 Packages. The LS8 is a 5mm × 5mm surface mount hermetic package that provides outstanding stability.APPLICATIONSPrecision A/D and D/A ConvertersPortable Gas MonitorsBattery- or Solar-Powered SystemsPrecision RegulatorsLow Voltage Signal ProcessingMicropower Remote Sensing |
LT66571.5ppm/°C Drift, Low Noise, Buffered Reference | PMIC | 20 | Active | The LT6657 is a precision voltage reference that combines robust operating characteristics with extremely low drift and low noise. With advanced curvature compensation, this bandgap reference achieves 1.5ppm/°C drift with predictable temperature behavior, and an initial voltage accuracy of 0.1%. It also offers 0.5ppmP-Pnoise and very low temperature cycling hysteresis.The LT6657 is a low dropout reference that can be powered from as little as 50mV above the output voltage, up to 40V. The buffered output supports ±10mA of output drive with low output impedance and precise load regulation. The high sink current capability allows operation as a negative voltage reference with the same precision as a positive reference. This part is safe under reverse battery conditions, and includes current protection when the output is short-circuited and thermal shutdown for overload conditions. A shutdown is included to allow power reduction while enabling a quick turn-on.The LT6657 is fully specified over the temperature range of –40°C to 125°C. It is available in the 8-lead MSOP package.ApplicationsHigh Temperature IndustrialHigh Resolution Data Acquisition SystemsInstrumentation and Process ControlAutomotive Control and MonitoringMedical EquipmentShunt and Negative Voltage References |
| PMIC | 95 | Active | ||
LT6660Tiny Micropower Precision Series References in 2mm × 2mm DFN | PMIC | 35 | Active | The LT6660 is a family of micropower series references that combine high accuracy and low drift with low power dissipation and extremely small package size. These series references use curvature compensation to obtain low temperature coefficient, and laser trimmed precision thin-film resistors to achieve high output accuracy. The LT6660 will supply up to 20mA with excellent line regulation characteristics, making it ideal for precision regulator applications.The LT6660 family of series references provide supply current and power dissipation advantages over shunt references that must idle the entire load current to operate. Additionally, the LT6660 does not require an output compensation capacitor. This feature is important in applications where PC board space is a premium, fast settling is demanded, or total capacitance must be kept to a minimum, as in intrinsic safety applications. Reverse-battery protection keeps these references from conducting reverse current.ApplicationsHandheld InstrumentsPrecision RegulatorsA/D and D/A ConvertersPower SuppliesHard Disk DrivesSensor Modules |
| Comparators | 72 | Active | ||