A
Analog Devices Inc./Maxim Integrated
| Series | Category | # Parts | Status | Description |
|---|---|---|---|---|
| Part | Spec A | Spec B | Spec C | Spec D | Description |
|---|---|---|---|---|---|
| Series | Category | # Parts | Status | Description |
|---|---|---|---|---|
| Part | Spec A | Spec B | Spec C | Spec D | Description |
|---|---|---|---|---|---|
| Part | Category | Description |
|---|---|---|
Analog Devices Inc./Maxim Integrated LTC1879EGN#TRUnknown | Integrated Circuits (ICs) | IC REG BUCK ADJ 1.2A 16SSOP |
Analog Devices Inc./Maxim Integrated LTC2208CUP#TRUnknown | Integrated Circuits (ICs) | IC ADC 16BIT 130MSPS 64-QFN |
Analog Devices Inc./Maxim Integrated ADP2108ACBZ-1.1-R7Obsolete | Integrated Circuits (ICs) | IC REG BUCK 1.1V 600MA 5WLCSP |
Analog Devices Inc./Maxim Integrated EV1HMC832ALP6GObsolete | Development Boards Kits Programmers | EVAL BOARD FOR HMC832ALP6GE |
Analog Devices Inc./Maxim Integrated LTC488ISWUnknown | Integrated Circuits (ICs) | IC LINE RCVR RS485 QUAD 16-SOIC |
Analog Devices Inc./Maxim Integrated LTC6946IUFD-2Obsolete | Integrated Circuits (ICs) | IC CLK/FREQ SYNTH 28QFN |
Analog Devices Inc./Maxim Integrated MAX5556ESA+TObsolete | Integrated Circuits (ICs) | IC DAC/AUDIO 16BIT 50K 8SOIC |
Analog Devices Inc./Maxim Integrated EVAL-FLTR-LD-1RZUnknown | Unclassified | EVAL BRD FOR AD800 SERIES |
Analog Devices Inc./Maxim Integrated | Development Boards Kits Programmers | BOARD EVAL FOR AD9963 |
Analog Devices Inc./Maxim Integrated LTC1296CCSW#TRUnknown | Integrated Circuits (ICs) | IC DATA ACQ SYS 12BIT 5V 20SOIC |
| Series | Category | # Parts | Status | Description |
|---|---|---|---|---|
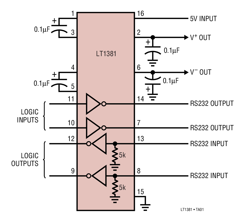
LT1381Low Power 5V RS232 Dual Driver/Receiver with 0.1µF Capacitors | Drivers, Receivers, Transceivers | 4 | Active | The LT1381 is a dual RS232 driver/receiver pair with integral charge pump to generate RS232 voltage levels from a single 5V supply. The circuit features rugged bipolar design to provide operating fault tolerance and ESD protection unmatched by competing CMOS designs. Using only 0.1µF external capacitors, the circuit consumes only 40mW of power and can operate to 120kbaud even while driving heavy capacitive loads. New ESD structures on the chip allow the LT1381 to survive multiple ±10kV strikes, eliminating the need for costly TransZorbs®on the RS232 line pins. Driver outputs are protected from overload and can be shorted to ground or up to ±25V without damage. During power-off conditions, driver and receiver outputs are in a high impedance state, allowing line sharing.ApplicationsPortable ComputersBattery-Powered SystemsPower Supply GeneratorTerminalsModems |
| Power Management (PMIC) | 10 | Active | ||
LT13947ns, Low Power, Single Supply, Ground-Sensing Comparator | Integrated Circuits (ICs) | 6 | Active | The LT1394 is an UltraFast (7ns) comparator with complementary outputs and latch. The input common mode range extends from 1.5V below the positive supply down to the negative supply rail. Like the LT1016, LT1116 and LT1671, this comparator has complementary outputs designed to interface directly to TTL or CMOS logic. The LT1394 may operate from either a single 5V supply or dual ±5V supplies. Low offset voltage specifications and high gain allow the LT1394 to be used in precision applications.The LT1394 is designed for improved speed and stability for a wide range of operating conditions. The output stage provides active drive in both directions for maximum speed into TTL, CMOS or passive loads with minimal cross-conduction current. Unlike other fast comparators, the LT1394 remains stable even for slow transitions through the active region, which eliminates the need to specify a minimum input slew rate.The LT1394 has an internal, TTL/CMOS compatible latch for retaining data at the outputs. The latch holds data as long as the LATCH pin is held high. Device parameters such as gain, offset and negative power supply current are not significantly affected by variations in negative supply voltage.ApplicationsHigh Speed A/D ConvertersZero-Crossing DetectorsCurrent Sense for Switching RegulatorsExtended Range V/F CovertersFast Pulse Height/Width DiscriminatorsHigh Speed TriggersLine ReceiversHigh Speed Sampling Circuits |
| Instrumentation, Op Amps, Buffer Amps | 2 | Active | ||
| Integrated Circuits (ICs) | 4 | Active | ||
LT1397Quad 400MHz Current Feedback Amplifier | Linear | 6 | Active | The LT1395/LT1396/LT1397 are single/dual/quad 400MHz current feedback amplifiers with an 800V/µs slew rate and the ability to drive up to 80mA of output current.The LT1395/LT1396/LT1397 operate on all supplies from a single 4V to ±6V. At ±5V, they draw 4.6mA of supply current per amplifier. The LT1395CS6 also adds a shutdown pin. When disabled, the LT1395CS6 draws virtually zero supply current and its output becomes high impedance. The LT1395CS6 will turn on in only 30ns and turn off in 40ns, making it ideal in spread spectrum and portable equipment applications.For space limited applications, the LT1395 is available in TSOT-23 packages, the LT1396 is available in a tiny 3mm × 3mm × 0.75mm dual fine pitch leadless DFN package, and the LT1397 is available in a tiny 4mm × 3mm × 0.75mm DFN package.The LT1395/LT1396/LT1397 are manufactured on our proprietary complementary bipolar process. They have standard single/dual/quad pinouts and they are optimized for use on supply voltages of ±5V.ApplicationsCable DriversVideo AmplifiersMUX AmplifiersHigh Speed Portable EquipmentIF Amplifiers |
| Linear | 1 | Obsolete | ||
| Instrumentation, Op Amps, Buffer Amps | 6 | Active | ||
| Instrumentation, Op Amps, Buffer Amps | 1 | Active | ||
LT1424Isolated Flyback Switching Regulator with 5V Output | Power Management (PMIC) | 8 | Active | The LT1424-5 is a monolithic high power switching regulator specifically designed for the isolated flyback topology. No "third winding" or optoisolator is required; the integrated circuit senses the isolated output voltage directly from the primary side flyback waveform. A high current, high efficiency switch is included on the die along with all oscillator, control and protection circuitry.The LT1424-5 operates with input supply voltages from 3V to 20V and draws only 7mA quiescent current. It can deliver up to 400mA at 5V with no external power devices. By utilizing current mode switching techniques, it provides excellent AC and DC line regulation.The LT1424-5 has a number of features not found on other switching regulator ICs. Its unique control circuitry can maintain regulation well into discontinuous mode. Load compensation circuitry allows for improved load regulation. An externally activated shutdown mode reduces total supply current to 20µA typical for standby operation.ApplicationsIsolated Communication SuppliesIndustrial AutomationInstrumentation Systems |