A
Analog Devices Inc./Maxim Integrated
| Series | Category | # Parts | Status | Description |
|---|---|---|---|---|
| Part | Spec A | Spec B | Spec C | Spec D | Description |
|---|---|---|---|---|---|
| Series | Category | # Parts | Status | Description |
|---|---|---|---|---|
| Part | Spec A | Spec B | Spec C | Spec D | Description |
|---|---|---|---|---|---|
| Part | Category | Description |
|---|---|---|
Analog Devices Inc./Maxim Integrated LTC1879EGN#TRUnknown | Integrated Circuits (ICs) | IC REG BUCK ADJ 1.2A 16SSOP |
Analog Devices Inc./Maxim Integrated LTC2208CUP#TRUnknown | Integrated Circuits (ICs) | IC ADC 16BIT 130MSPS 64-QFN |
Analog Devices Inc./Maxim Integrated ADP2108ACBZ-1.1-R7Obsolete | Integrated Circuits (ICs) | IC REG BUCK 1.1V 600MA 5WLCSP |
Analog Devices Inc./Maxim Integrated EV1HMC832ALP6GObsolete | Development Boards Kits Programmers | EVAL BOARD FOR HMC832ALP6GE |
Analog Devices Inc./Maxim Integrated LTC488ISWUnknown | Integrated Circuits (ICs) | IC LINE RCVR RS485 QUAD 16-SOIC |
Analog Devices Inc./Maxim Integrated LTC6946IUFD-2Obsolete | Integrated Circuits (ICs) | IC CLK/FREQ SYNTH 28QFN |
Analog Devices Inc./Maxim Integrated MAX5556ESA+TObsolete | Integrated Circuits (ICs) | IC DAC/AUDIO 16BIT 50K 8SOIC |
Analog Devices Inc./Maxim Integrated EVAL-FLTR-LD-1RZUnknown | Unclassified | EVAL BRD FOR AD800 SERIES |
Analog Devices Inc./Maxim Integrated | Development Boards Kits Programmers | BOARD EVAL FOR AD9963 |
Analog Devices Inc./Maxim Integrated LTC1296CCSW#TRUnknown | Integrated Circuits (ICs) | IC DATA ACQ SYS 12BIT 5V 20SOIC |
| Series | Category | # Parts | Status | Description |
|---|---|---|---|---|
| Video Amps and Modules | 3 | Active | ||
LT1229Dual 100MHz Current Feedback Amplifiers | Linear | 2 | Active | The LT1229/LT1230 dual and quad 100MHz current feedback amplifiers are designed for maximum performance in small packages. Using industry standard pinouts, the dual is available in the 8-pin miniDIP and the 8-pin SO package while the quad is in the 14-pin DIP and 14-pin SO. The amplifiers are designed to operate on almost any available supply voltage from 4V (±2V) to 30V (±15V).These current feedback amplifiers have very high input impedance and make excellent buffer amplifiers. They maintain their wide bandwidth for almost all closed-loop voltage gains. The amplifiers drive over 30mA of output current and are optimized to drive low impedance loads, such as cables, with excellent linearity at high frequencies.The LT1229/LT1230 are manufactured on a proprietary complementary bipolar process. For a single amplifier like these see the LT1227 and for better DC accuracy see the LT1223.ApplicationsVideo Instrumentation AmplifiersCable DriversRGB AmplifiersTest Equipment Amplifiers |
| Voltage Regulators - Linear, Low Drop Out (LDO) Regulators | 1 | Obsolete | ||
LT1236Precision, Low Noise, Low Profile Hermetic Voltage Reference | Power Management (PMIC) | 35 | Active | The LT1236LS8 is a precision reference that combines low drift and noise with excellent long-term stability and high output accuracy. The reference output will both source and sink up to 10mA and remains very constant with input voltage variations.The hermetic package provides outstanding humidity and thermal hysteresis performance. The LT1236LS8 is only 5mm × 5mm × 1.5mm, offering an alternative to large through-hole metal can voltage references, such as the industry standard LT1021. The LT1236LS8 offers similar performance to the LT1236, with additional stability from the hermetic package.LT1236LS8 is based on a buried Zener diode structure, which enables temperature and time stability, and extremely low noise performance of < 1ppm peak-to-peak. Noise is 100% tested in production. The LT1236LS8 operates on a supply voltage from 7.2V up to 40V. The subsurface Zener exhibits better time stability than even the best bandgap reference, and the hermetic package maintains that stability over a wide range of environmental conditions.ApplicationsInstrumentation and Test EquipmentHigh Resolution Data Acquisition SystemsA/D and D/A ConvertersPrecision RegulatorsPrecision ScalesDigital Voltmeters |
LT1236LS8Precision, Low Noise, Low Profile Hermetic Voltage Reference | Power Management (PMIC) | 1 | Active | The LT1236LS8 is a precision reference that combines low drift and noise with excellent long-term stability and high output accuracy. The reference output will both source and sink up to 10mA and remains very constant with input voltage variations.The hermetic package provides outstanding humidity and thermal hysteresis performance. The LT1236LS8 is only 5mm × 5mm × 1.5mm, offering an alternative to large through-hole metal can voltage references, such as the industry standard LT1021. The LT1236LS8 offers similar performance to the LT1236, with additional stability from the hermetic package.LT1236LS8 is based on a buried Zener diode structure, which enables temperature and time stability, and extremely low noise performance of < 1ppm peak-to-peak. Noise is 100% tested in production. The LT1236LS8 operates on a supply voltage from 7.2V up to 40V. The subsurface Zener exhibits better time stability than even the best bandgap reference, and the hermetic package maintains that stability over a wide range of environmental conditions.ApplicationsInstrumentation and Test EquipmentHigh Resolution Data Acquisition SystemsA/D and D/A ConvertersPrecision RegulatorsPrecision ScalesDigital Voltmeters |
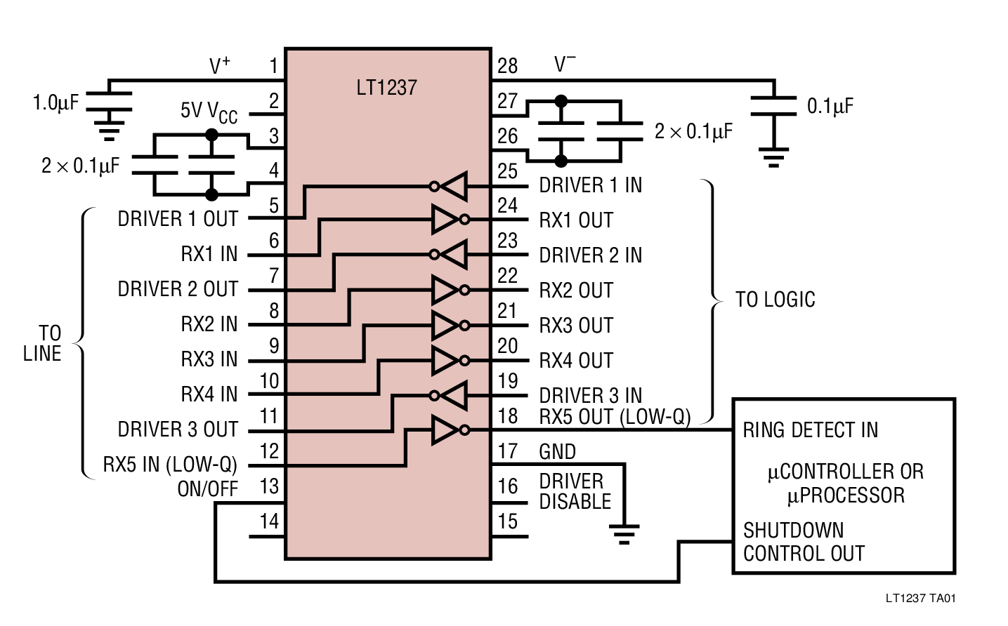
LT12375V RS232 Transceiver with Advanced Power Management and One Receiver Active in Shutdown | Integrated Circuits (ICs) | 5 | Active | The LT1237 is an advanced low power three driver, five receiver RS232 transceiver. Included on the chip is a shutdown pin for reducing supply current near zero. During shutdown one receiver remains active to detect incoming RS232 signals, for example, to wake up a system.The LT1237 is fully compliant with all EIA RS232 specifications. New ESD structures on the chip allow the LT1237 to survive multiple ±15kV strikes, eliminating the need for costly TransZorbs®on the RS232 line pins.The LT1237 operates in excess of 120kbaud even driving heavy capacitive loads. Two shutdown modes allow the driver outputs to be shut down separately from the receivers for more versatile control of the RS232 interface. During shutdown, drivers and receivers assume a high impedance state.ApplicationsNotebook ComputersPalmtop Computers |
| PMIC | 6 | Active | ||
LT1242High Speed Current Mode Pulse Width Modulators | DC DC Switching Controllers | 8 | Active | The LT1241 series devices are 8-pin, fixed frequency, current mode, pulse width modulators. They are improved plug compatible versions of the industry standard UC1842 series. These devices have both improved speed and lower quiescent current. The LT1241 series is optimized for off-line and DC/DC converter applications. They contain a temperature-compensated reference, high gain error amplifier, current sensing comparator and a high current totem pole output stage ideally suited to driving power MOSFETs. Start-up current has been reduced to less than 250µA. Cross-conduction current spikes in the output stage have been eliminated, making 500kHz operation practical. Several new features have been incorporated. Leading edge blanking has been added to the current sense comparator. Trims have been added to the oscillator circuit for both frequency and sink current, and both of these parameters are tightly specified. The output stage is clamped to a maximum VOUTof 18V in the on state. The output and the reference output are actively pulled low during undervoltage lockout.ApplicationsOff-Line ConvertersDC/DC Converters |
LT1243High Speed Current Mode Pulse Width Modulators | PMIC | 6 | Active | The LT1241 series devices are 8-pin, fixed frequency, current mode, pulse width modulators. They are improved plug compatible versions of the industry standard UC1842 series. These devices have both improved speed and lower quiescent current. The LT1241 series is optimized for off-line and DC/DC converter applications. They contain a temperature-compensated reference, high gain error amplifier, current sensing comparator and a high current totem pole output stage ideally suited to driving power MOSFETs. Start-up current has been reduced to less than 250µA. Cross-conduction current spikes in the output stage have been eliminated, making 500kHz operation practical. Several new features have been incorporated. Leading edge blanking has been added to the current sense comparator. Trims have been added to the oscillator circuit for both frequency and sink current, and both of these parameters are tightly specified. The output stage is clamped to a maximum VOUTof 18V in the on state. The output and the reference output are actively pulled low during undervoltage lockout.ApplicationsOff-Line ConvertersDC/DC Converters |
| AC DC Converters, Offline Switches | 6 | Active | ||