A
Analog Devices Inc./Maxim Integrated
| Series | Category | # Parts | Status | Description |
|---|---|---|---|---|
| Part | Spec A | Spec B | Spec C | Spec D | Description |
|---|---|---|---|---|---|
| Series | Category | # Parts | Status | Description |
|---|---|---|---|---|
| Part | Spec A | Spec B | Spec C | Spec D | Description |
|---|---|---|---|---|---|
| Part | Category | Description |
|---|---|---|
Analog Devices Inc./Maxim Integrated LTC1879EGN#TRUnknown | Integrated Circuits (ICs) | IC REG BUCK ADJ 1.2A 16SSOP |
Analog Devices Inc./Maxim Integrated LTC2208CUP#TRUnknown | Integrated Circuits (ICs) | IC ADC 16BIT 130MSPS 64-QFN |
Analog Devices Inc./Maxim Integrated ADP2108ACBZ-1.1-R7Obsolete | Integrated Circuits (ICs) | IC REG BUCK 1.1V 600MA 5WLCSP |
Analog Devices Inc./Maxim Integrated EV1HMC832ALP6GObsolete | Development Boards Kits Programmers | EVAL BOARD FOR HMC832ALP6GE |
Analog Devices Inc./Maxim Integrated LTC488ISWUnknown | Integrated Circuits (ICs) | IC LINE RCVR RS485 QUAD 16-SOIC |
Analog Devices Inc./Maxim Integrated LTC6946IUFD-2Obsolete | Integrated Circuits (ICs) | IC CLK/FREQ SYNTH 28QFN |
Analog Devices Inc./Maxim Integrated MAX5556ESA+TObsolete | Integrated Circuits (ICs) | IC DAC/AUDIO 16BIT 50K 8SOIC |
Analog Devices Inc./Maxim Integrated EVAL-FLTR-LD-1RZUnknown | Unclassified | EVAL BRD FOR AD800 SERIES |
Analog Devices Inc./Maxim Integrated | Development Boards Kits Programmers | BOARD EVAL FOR AD9963 |
Analog Devices Inc./Maxim Integrated LTC1296CCSW#TRUnknown | Integrated Circuits (ICs) | IC DATA ACQ SYS 12BIT 5V 20SOIC |
| Series | Category | # Parts | Status | Description |
|---|---|---|---|---|
| RF Mixers | 2 | Obsolete | ||
| RF Mixers | 2 | Obsolete | ||
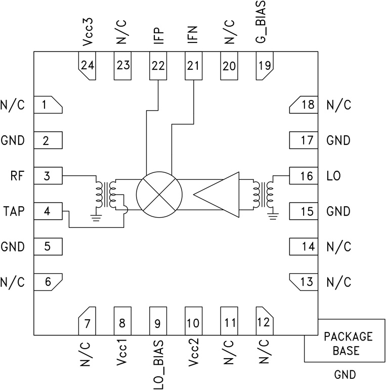
HMC686BiCMOS Mixer w/Integrated LO Amplifier, 700 - 1500 MHz | RF, RFID, Wireless Evaluation Boards | 4 | Obsolete | The HMC686LP4(E) is a high dynamic range passive MMIC mixer with integrated LO amplifier in a 4x4 SMT QFN package covering 0.7 to 1.1 GHz. Excellent input IP3 performance of +34 dBm for down conversion is provided for 3G & 4G GSM/CDMA applications at an LO drive of 0 dBm. With an input 1 dB compression of +25 dBm, the RF port will accept a wide range of input signal levels. Conversion loss is 7.5 dB typical. The DC to 500 MHz IF frequency response will satisfy GSM/CDMA transmit or receive frequency plans.The HMC686LP4(E) is optimized to high side LO frequency plans for 0.7 - 1.1 GHz RF Band and is pin for pin compatible with the HMC684LP4(E) which is a 0.7 - 1.0 GHz converter optimized for low side LO. The HMC686LP4(E) is optimized to low side LO frequency plans for 1.4 - 1.5 GHz RF LTE band applications.APPLICATIONSCellular/3G & LTE/WiMAX/4GBasestations & RepeatersGSM, CDMA & OFDMTransmitters and Receivers |
| RF Mixers | 2 | Obsolete | ||
| Clock Buffers, Drivers | 2 | Obsolete | ||
| RF and Wireless | 2 | Obsolete | ||
| Filters - Active | 1 | Obsolete | ||
| Integrated Circuits (ICs) | 2 | Obsolete | ||
HMC689BiCMOS MMIC Mixer w/Integrated LO Amplifier, 2.0 - 2.7 GHz | Evaluation Boards | 3 | Obsolete | The HMC689LP4(E) is a high dynamic range passive MMIC mixer with integrated LO amplifier in a 4x4 SMT QFN package covering 2.0 - 2.7 GHz. Excellent input IP3 performance of +32 dBm for down conversion is provided for 3G & 4G GSM/CDMA applications at an LO drive of 0 dBm. With an input 1 dB compression of +23 dBm, the RF port will accept a wide range of input signal levels. Conversion loss is 7.5 dB typical. The DC to 800 MHz IF frequency response will satisfy GSM/CDMA transmit or receive frequency plans. The HMC689LP4(E) is pin for pin compatible with the HMC688LP4(E) which is a 2.0 - 2.7 MHz mixer with LO amplifier, amplifier is optimized for low side LO applications.APPLICATIONSCellular/3G & LTE/WiMAX/4GBasestations & RepeatersGSM, CDMA & OFDMTransmitters and Receivers |
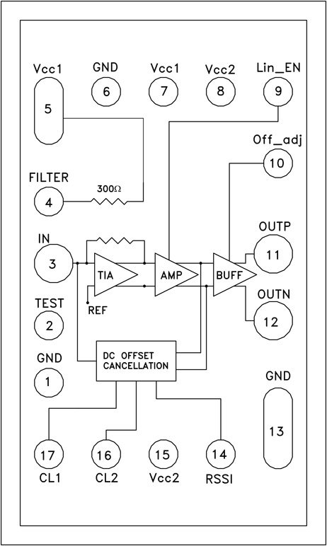
HMC69010 Gbps Transimpedance Amplifier Chip | RF Amplifiers | 1 | Obsolete | The HMC690 is 10 Gbps transimpedance amplifier designed for SONET OC-192 / SDH STM-64, 10GbE and 10Gbps systems employing optical amplifiers. It supports data rates up to 11.3 Gbps. This amplifi er provides a differential output voltage that is proportional to an applied current at its input port. This current is typically provided by a photodiode. Operating from a single +3.3V supply, the HMC690 features low input referred noise, and is designed for driving a CDR or a typical transceiver directly.The RSSI output can be used for monitoring average input power. This device also features a DC offset control, which enables output signal level adjustment for asymmetrical signals. Additional features include an integrated 300Ω filter resistor for photo-diode supply voltage and an extended linear range option.ApplicationsSONET OC-192 and SDH STM-64 Transponders10 Gbps EthernetBroadband InstrumentationShort, intermediate and long reach optical receiver modules |