A
Analog Devices Inc./Maxim Integrated
| Series | Category | # Parts | Status | Description |
|---|---|---|---|---|
| Part | Spec A | Spec B | Spec C | Spec D | Description |
|---|---|---|---|---|---|
| Series | Category | # Parts | Status | Description |
|---|---|---|---|---|
| Part | Spec A | Spec B | Spec C | Spec D | Description |
|---|---|---|---|---|---|
| Part | Category | Description |
|---|---|---|
Analog Devices Inc./Maxim Integrated LTC1879EGN#TRUnknown | Integrated Circuits (ICs) | IC REG BUCK ADJ 1.2A 16SSOP |
Analog Devices Inc./Maxim Integrated LTC2208CUP#TRUnknown | Integrated Circuits (ICs) | IC ADC 16BIT 130MSPS 64-QFN |
Analog Devices Inc./Maxim Integrated ADP2108ACBZ-1.1-R7Obsolete | Integrated Circuits (ICs) | IC REG BUCK 1.1V 600MA 5WLCSP |
Analog Devices Inc./Maxim Integrated EV1HMC832ALP6GObsolete | Development Boards Kits Programmers | EVAL BOARD FOR HMC832ALP6GE |
Analog Devices Inc./Maxim Integrated LTC488ISWUnknown | Integrated Circuits (ICs) | IC LINE RCVR RS485 QUAD 16-SOIC |
Analog Devices Inc./Maxim Integrated LTC6946IUFD-2Obsolete | Integrated Circuits (ICs) | IC CLK/FREQ SYNTH 28QFN |
Analog Devices Inc./Maxim Integrated MAX5556ESA+TObsolete | Integrated Circuits (ICs) | IC DAC/AUDIO 16BIT 50K 8SOIC |
Analog Devices Inc./Maxim Integrated EVAL-FLTR-LD-1RZUnknown | Unclassified | EVAL BRD FOR AD800 SERIES |
Analog Devices Inc./Maxim Integrated | Development Boards Kits Programmers | BOARD EVAL FOR AD9963 |
Analog Devices Inc./Maxim Integrated LTC1296CCSW#TRUnknown | Integrated Circuits (ICs) | IC DATA ACQ SYS 12BIT 5V 20SOIC |
| Series | Category | # Parts | Status | Description |
|---|---|---|---|---|
HMC656LP2Fixed Passive SMT Attenuator, DC - 25 GHz | Attenuators | 1 | Active | The HMC656LP2E / 657LP2E / 658LP2E are a line of wideband fixed value SMT 50 Ohm matched attenuators which offer relative attenuation levels of 10, 15 and 20 dB respectively. These passive attenuators are ideal for military, test equipment, and other wideband applications where extremely flat attenuation, and excellent VSWR vs. frequency are required. These wideband attenuators handle up to +25 dBm of input power, and are compatible with high volume surface mount manufacturing techniques.APPLICATIONSFiber OpticsMicrowave RadioMilitary & SpaceTest & MeasurementScientific InstrumentsRF / Microwave Circuit Prototyping |
HMC657Fixed, 15 dB Passive Attenuator Chip, DC - 50 GHz | RF Amplifiers | 5 | Active | TheHMC650/HMC651/HMC652/HMC653/HMC654/HMC655/HMC656/HMC657/HMC658are a line of wideband fixed value 50 Ohm matched attenuator chips which offer relative attenuation levels of 0, 2, 3, 4, 6, 10, 15 and 20 dB. These passive thoughlines and attenuators are ideal for microstrip, hybrid, and multi-chip module applications where extremely flat attenuation, and excellent VSWR vs. frequency are required.These wideband attenuators feature low inductance on-chip vias, and require no additional ground connections. The HMC650 through HMC658 are backside metallized with gold, and are suitable for eutectic or epoxy die attach. Each of the 9 products can be purchased individually by their respective part number or in a set of 10 each in the HMC-DK006 Fixed Attenuator Chip Designer’s Kit.ApplicationsFiber OpticsMicrowave RadioMilitary & Space HybridsTest & MeasurementScientific InstrumentsRF/Microwave Circuit Prototyping |
HMC657-DieFixed, 15 dB Passive Attenuator Chip, DC - 50 GHz | RF and Wireless | 1 | Unknown | TheHMC650/HMC651/HMC652/HMC653/HMC654/HMC655/HMC656/HMC657/HMC658are a line of wideband fixed value 50 Ohm matched attenuator chips which offer relative attenuation levels of 0, 2, 3, 4, 6, 10, 15 and 20 dB. These passive thoughlines and attenuators are ideal for microstrip, hybrid, and multi-chip module applications where extremely flat attenuation, and excellent VSWR vs. frequency are required.These wideband attenuators feature low inductance on-chip vias, and require no additional ground connections. The HMC650 through HMC658 are backside metallized with gold, and are suitable for eutectic or epoxy die attach. Each of the 9 products can be purchased individually by their respective part number or in a set of 10 each in the HMC-DK006 Fixed Attenuator Chip Designer’s Kit.ApplicationsFiber OpticsMicrowave RadioMilitary & Space HybridsTest & MeasurementScientific InstrumentsRF/Microwave Circuit Prototyping |
HMC658Fixed, 20 dB Passive Attenuator Chip, DC - 50 GHz | Evaluation Boards | 4 | Active | TheHMC650/HMC651/HMC652/HMC653/HMC654/HMC655/HMC656/HMC657/HMC658 are a line of wideband fixed value 50 Ohm matched attenuator chips which offer relative attenuation levels of 0, 2, 3, 4, 6, 10, 15 and 20 dB. These passive thoughlines and attenuators are ideal for microstrip, hybrid, and multi-chip module applications where extremely flat attenuation, and excellent VSWR vs. frequency are required.These wideband attenuators feature low inductance on-chip vias, and require no additional ground connections. The HMC650 through HMC658 are backside metallized with gold, and are suitable for eutectic or epoxy die attach. Each of the 9 products can be purchased individually by their respective part number or in a set of 10 each in the HMC-DK006 Fixed Attenuator Chip Designer’s Kit.ApplicationsFiber OpticsMicrowave RadioMilitary & Space HybridsTest & MeasurementScientific InstrumentsRF/Microwave Circuit Prototyping |
HMC658LP2Fixed Passive SMT Attenuator, DC - 25 GHz | Attenuators | 1 | Active | The HMC656LP2E / 657LP2E / 658LP2E are a line of wideband fixed value SMT 50 Ohm matched attenuators which offer relative attenuation levels of 10, 15 and 20 dB respectively. These passive attenuators are ideal for military, test equipment, and other wideband applications where extremely flat attenuation, and excellent VSWR vs. frequency are required. These wideband attenuators handle up to +25 dBm of input power, and are compatible with high volume surface mount manufacturing techniques.APPLICATIONSFiber OpticsMicrowave RadioMilitary & SpaceTest & MeasurementScientific InstrumentsRF/Microwave Circuit Prototyping |
HMC659Power Amplifier Chip, DC - 15 GHz | Evaluation Boards | 5 | Active | The HMC6590 is a high-speed, high gain, low-power limiting transimpedance amplifier (TIA) used in optical receivers with data rates up to 43Gbps. It features low input referred noise, 39 GHz bandwidth, 4kΩ differential small signal transimpedance and output cross point adjustment. HMC6590 exhibits an optical input dynamic range between -10dBm and +5dBm while maintaining 10e-12 BER at 43Gbps operation.The HMC6590 is available in die form, includes an on-chip VCC bypass capacitor. It requires only supply decoupling capacitor as external component.The HMC6590 requires a single 3.3V ±5% supply and it typically dissipates less than 300mW. The device is characterized for operation from –5°C to +85°C case (IC back side) temperature.Applications40 GbE-F440 GBps VSR/SFFShort, intermediate, and long-haul optical receivers |
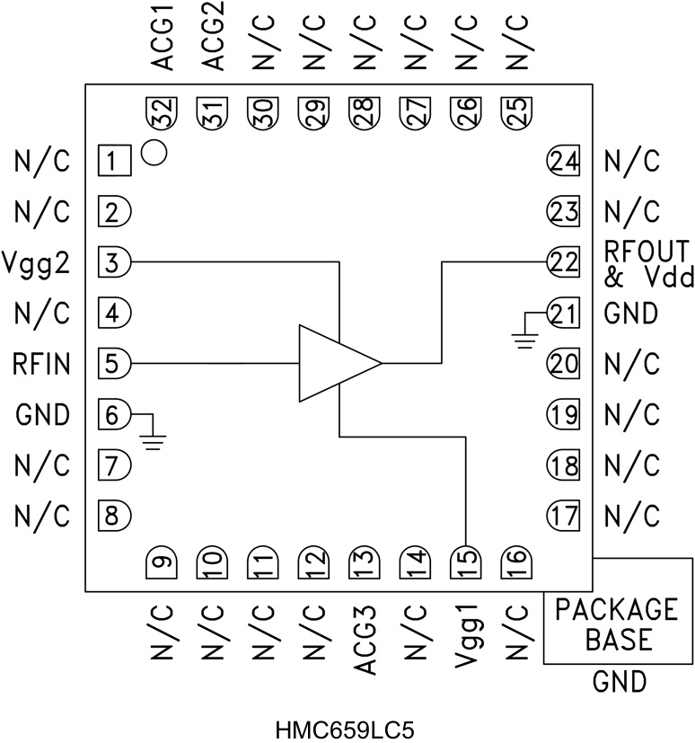
HMC659-DiePower Amplifier Chip, DC - 15 GHz | RF and Wireless | 1 | Active | The HMC659 is a GaAs MMIC PHEMT Distributed Power Amplifier die which operates between DC and 15 GHz. The amplifier provides 19.1 dB of gain, +35 dBm output IP3 and +26.5 dBm of output power at 1 dB gain compression while requiring 300 mA from a +8V supply. Gain flatness is excellent at ±0.4 dB from DC to 10 GHz making the HMC619 ideal for EW, ECM, Radar and test equipment applications. The HMC619 amplifier I/Os are internally matched to 50 ohms facilitating integration into Mutli-Chip-Modules (MCMs). All data is taken with the chip connected via two 0.025mm (1 mil) wire bonds of minimal length 0.31 mm (12 mils).ApplicationsTelecom InfrastructureMicrowave Radio & VSATMilitary & SpaceTest InstrumentationFiber Optics |
| RF Amplifiers | 1 | Active | ||
| RF, RFID, Wireless Evaluation Boards | 4 | Active | ||
| RF, RFID, Wireless Evaluation Boards | 3 | Active | ||