HMC462LP5Wideband Low Noise Amplifier SMT, 2 - 20 GHz | RF and Wireless | 3 | Active | The HMC462LP5(E) is a GaAs MMIC PHEMT Low Noise Distributed Amplifier in leadless 5x5 mm surface mount package which operate between 2 and 20 GHz. The self-biased amplifier provides 13 dB of gain, 2.5 to 3.5 dB noise figure and +14.5 dBm of output power at 1 dB gain compression while requiring only 66 mA from a single +5V supply. Gain flatness is excellent from 6 - 18 GHz making the HMC462LP5(E) ideal for EW, ECM RADAR and test equipment applications. The wideband amplifier I/Os are internally matched to 50 Ohms and are internally DC blocked.ApplicationsTelecom InfrastructureMicrowave Radio & VSATMilitary EW, ECM & C³ITest InstrumentationFiber Optics |
HMC463-DieGaAs PHEMT MMIC Low Noise AGC Amplifier, 2-20 GHz | RF Amplifiers | 2 | Active | The HMC463 is a GaAs MMIC PHEMT Low Noise AGC Distributed Amplifier die which operates between 2 and 20 GHz. The amplifier provides 14 dB of gain, 2.5 dB noise figure and 19 dBm of output power at 1 dB gain compression while requiring only 60 mA from a +5V supply. An optional gate bias (Vgg2) is provided to allow Adjustable Gain Control (AGC) of 10 dB typical. Gain flatness is excellent at ±0.15 dB from 6 - 18 GHz making the HMC463 ideal for EW, ECM and RADAR applications. The HMC463 amplifier can easily be integrated into Multi-Chip-Modules (MCMs) due to its small size. All data is with the chip in a 50 Ohm test fixture connected via 0.025mm (1 mil) diameter wire bonds of minimal length 0.31mm (12 mils).ApplicationsTelecom InfrastructureMicrowave Radio & VSATMilitary & SpaceTest InstrumentationFiber Optics |
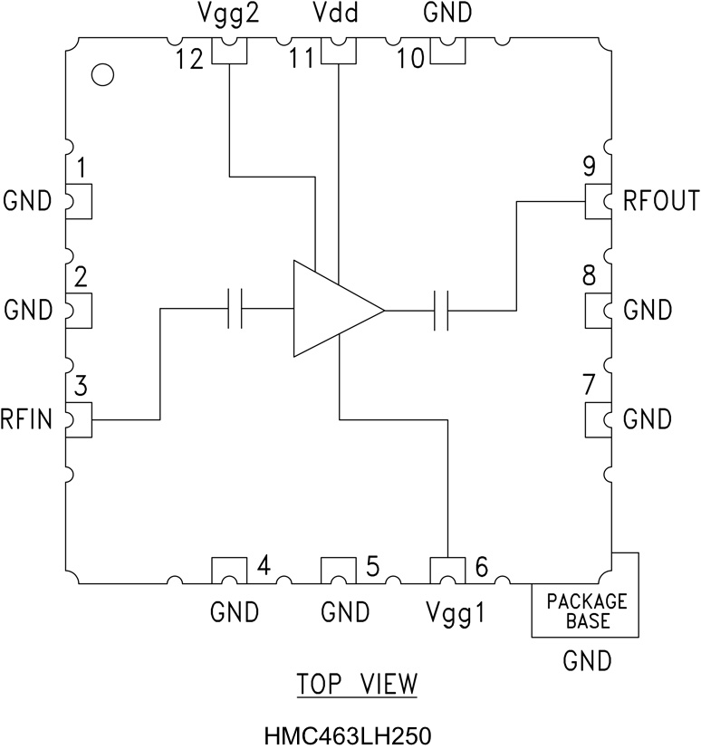
HMC463LH250GaAs pHEMT MMIC Low Noise AGC Amplifier, 2 - 20 GHz | RF Amplifiers | 2 | Active | The HMC463LH250 is a GaAs MMIC pHEMT Low Noise AGC Distributed Amplifier packaged in a hermetic surface mount package which operates between 2 and 20 GHz. The amplifier provides 13 dB of gain, 3 dB noise figure and 18 dBm of output power at 1 dB gain compression while requiring only 60 mA from a +5V supply. An optional gate bias (Vgg2) is provided to allow Adjustable Gain Control (AGC) of 8 dB typical. Gain flatness is excellent at ±0.5 dB from 2 - 14 GHz making the HMC463LH250 ideal for EW, ECM RADAR, test equipment and High-Reliability applications. The HMC463LH250 LNA I/Os are internally matched to 50 Ohms and are internally DC blocked.ApplicationsTelecom InfrastructureMicrowave Radio & VSATMilitary EW, ECM & C3ITest InstrumentationFiber Optics |
HMC463LP5GaAs pHEMT MMIC Low Noise AGC Amplifier, 2 - 20 GHz | RF and Wireless | 4 | Active | The HMC463LP5(E) is a GaAs MMIC pHEMT Low Noise AGC Distributed Amplifier packaged in a leadless 5x5 mm surface mount package which operates between 2 and 20 GHz. The amplifier provides 13 dB of gain, 2.8 dB noise figure and 18 dBm of output power at 1 dB gain compression while requiring only 60mA from a +5V supply. An optional gate bias (Vgg2) is provided to allow Adjustable Gain Control (AGC) of 8 dB typical. Gain flatness is excellent at 0.5 dB from 6 - 18 GHz making the HMC463LP5(E) ideal for EW, ECM RADAR and test equipment applications. The HMC463LP5(E) LNA I/Os are internally matched to 50 Ohms and are internally DC blocked.ApplicationsTelecom InfrastructureMicrowave Radio & VSATMilitary EW, ECM & C³ITest InstrumentationFiber Optics |
| Development Boards, Kits, Programmers | 1 | Active | |
HMC464-DieWideband Power Amplifier Chip, 2 - 20 GHz | RF Amplifiers | 2 | Active | The HMC464 is a GaAs MMIC PHEMT Distributed Power Amplifier die which operates between 2 and 20 GHz. The amplifier provides 16 dB of gain, +30 dBm Output IP3 and +26 dBm of output power at 1 dB gain compression while requiring 290 mA from a +8V supply. Gain flatness is excellent from 2 - 18 GHz making the HMC464 ideal for EW, ECM and radar driver amplifier applications. The HMC464 amplifier I/O’s are internally matched to 50 Ohms facilitating easy integration into Multi-Chip-Modules (MCMs). All data is with the chip in a 50 Ohm test fixture connected via 0.025mm (1 mil) diameter wire bonds of minimal length 0.31mm (12 mils).ApplicationsTelecom InfrastructureMicrowave Radio & VSATMilitary & SpaceTest InstrumentationFiber Optics |
HMC464LP5Wideband Power Amplifier SMT, 2 - 20 GHz | RF and Wireless | 2 | Active | The HMC464LP5(E) is a GaAs MMIC PHEMT Distributed Power Amplifier in leadless 5x5 mm surface mount package which operates between 2 and 20 GHz. The amplifier provides 14 dB of gain, +30 dBm output IP3 and +26 dBm of output power at 1 dB gain compression while requiring 290 mA from a +8V supply. Gain flatness is good from 2 - 18 GHz making the HMC464LP5(E)ideal for EW, ECM and radar driver amplifiers as well as test equipment applications. The wideband amplifier I/O’s are internally matched to 50 Ohms.ApplicationsTelecom InfrastructureMicrowave Radio & VSATMilitary EW, ECM & C³ITest InstrumentationFiber Optics |
HMC465-DieWideband Driver Amplifier Chip, DC - 20 GHz | RF and Wireless | 2 | Active | The HMC465 is a GaAs MMIC PHEMT Distributed Driver Amplifier die which operates between DC and 20 GHz. The amplifier provides 17 dB of gain, 2.5 dB noise figure and +24 dBm of saturated output power while requiring only 160 mA from a +8V supply. Gain flatness is excellent at ±0.25 dB as well as ±1 deg deviation from linear phase from DC - 10 GHz making the HMC465 ideal for OC192 fiber optic LN/MZ modulator driver amplifier as well as test equipment applications.The HMC465 amplifier I/Os are internally matched to 50 Ohms facilitating easy integration into Multi-Chip-Modules (MCMs). All data is with the chip in a 50 Ohm test fixture connected via 0.025 mm (1 mil) diameter wire bonds of minimal length 0.31mm (12 mils).ApplicationsOC192 LN/MZ Modulator DriverTelecom InfrastructureTest InstrumentationMilitary & Space |
HMC465LP5GaAs PHEMT MMIC Modulator Driver Amplifier, DC - 20 GHz | RF and Wireless | 4 | Active | The HMC465LP5(E) is a GaAs MMIC PHEMT Distributed Driver Amplifier packaged in leadless 5x5 mm surface mount package which operate between DC and 20 GHz. The amplifier provides 15 dB of gain, 3 dB noise figure and +25 dBm of saturated output power while requiring only 160 mA from a +8V supply. Gain flatness is excellent at ±0.5 dB as well as ±4 deg deviation from linear phase from DC - 10 GHz making the HMC465LP5(E) ideal for OC192 fiber optic LN/MZ modulator driver amplifiers as well as test equipment applications. The HMC465LP5(E) amplifiers I/Os are internally matched to 50 Ohms.ApplicationsOC192 LN/MZ modulator driverMicrowave radio andVSATTest instrumentationMilitary EW, ECM & C³I |
| Evaluation Boards | 3 | Active | |