A
Analog Devices Inc./Maxim Integrated
| Series | Category | # Parts | Status | Description |
|---|---|---|---|---|
| Part | Spec A | Spec B | Spec C | Spec D | Description |
|---|---|---|---|---|---|
| Series | Category | # Parts | Status | Description |
|---|---|---|---|---|
| Part | Spec A | Spec B | Spec C | Spec D | Description |
|---|---|---|---|---|---|
| Part | Category | Description |
|---|---|---|
Analog Devices Inc./Maxim Integrated LTC1879EGN#TRUnknown | Integrated Circuits (ICs) | IC REG BUCK ADJ 1.2A 16SSOP |
Analog Devices Inc./Maxim Integrated LTC2208CUP#TRUnknown | Integrated Circuits (ICs) | IC ADC 16BIT 130MSPS 64-QFN |
Analog Devices Inc./Maxim Integrated ADP2108ACBZ-1.1-R7Obsolete | Integrated Circuits (ICs) | IC REG BUCK 1.1V 600MA 5WLCSP |
Analog Devices Inc./Maxim Integrated EV1HMC832ALP6GObsolete | Development Boards Kits Programmers | EVAL BOARD FOR HMC832ALP6GE |
Analog Devices Inc./Maxim Integrated LTC488ISWUnknown | Integrated Circuits (ICs) | IC LINE RCVR RS485 QUAD 16-SOIC |
Analog Devices Inc./Maxim Integrated LTC6946IUFD-2Obsolete | Integrated Circuits (ICs) | IC CLK/FREQ SYNTH 28QFN |
Analog Devices Inc./Maxim Integrated MAX5556ESA+TObsolete | Integrated Circuits (ICs) | IC DAC/AUDIO 16BIT 50K 8SOIC |
Analog Devices Inc./Maxim Integrated EVAL-FLTR-LD-1RZUnknown | Unclassified | EVAL BRD FOR AD800 SERIES |
Analog Devices Inc./Maxim Integrated | Development Boards Kits Programmers | BOARD EVAL FOR AD9963 |
Analog Devices Inc./Maxim Integrated LTC1296CCSW#TRUnknown | Integrated Circuits (ICs) | IC DATA ACQ SYS 12BIT 5V 20SOIC |
| Series | Category | # Parts | Status | Description |
|---|---|---|---|---|
| Development Boards, Kits, Programmers | 3 | Obsolete | ||
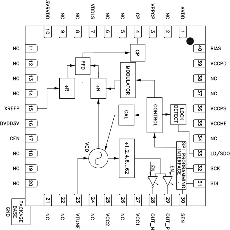
HMC1032Clock Generator with Fractional-N PLL & Integrated VCO SMT, 125 - 350 MHz | Integrated Circuits (ICs) | 2 | Obsolete | The HMC1032LP6GE is a low-noise, wide-band clock generator IC with a fractional-N Phase Locked Loop (PLL) that features an integrated Voltage Controlled Oscillator (VCO). The device provides differential clock outputs between 125 and 350 MHz range. The HMC1032LP6GE features low noise Phase Detector (PD) and Delta-Sigma modulator, capable of operating at up to 100 MHz, permit wider loop-bandwidths with excellent spectral performance.The HMC1032LP6GE features industry leading phase noise and jitter performance, across the operating range, that enable it to improve link level jitter performance, Bit-Error-Rates (BER) and eye diagram metrics. The superior noise floor (<-165 dBc/Hz) makes the HMC1032LP6GE an ideal source for a variety of applications –such as clock references for high speed data converters, physical layer devices (PHY), serializer/deserializer (SERDES) circuits, FPGAs and processors. The HMC1032LP6GE can also be used as reference clock and LO for 1G/10G Ethernet line cards as well as jitter attenuation and frequency translation.The differential output of the HMC1032LP6GE includes a 2-bit output amplitude control which may be set via the SPI serial programming interface, and an output Mute function. The Delta-Sigma Modulator of the HMC1032LP6GE features Hittite’s Exact Frequency Mode, which enables users to generate output frequencies with close to 0 Hz frequency error.APPLICATIONS1G/10G Ethernet Line CardsOTN & SONET/SDH ApplicationsHigh Frequency Processor ClocksLow Jitter SAW Oscillator ReplacementFiber Channel Interface ClocksCellular/4G InfrastructureDDS Replacement10G Optical Modules, Transponders, Line Cards |
HMC1033High Performance, +3.3V Clock Generator, 25 - 550 MHz | Clock Generators, PLLs, Frequency Synthesizers | 2 | Obsolete | The HMC1033LP6GE is a low-noise, wide-band 3.3 V clock generator IC with a fractional-N Phase Locked Loop (PLL) that features an integrated Voltage Controlled Oscillator (VCO). The device provides differential clock outputs between 25 MHz and 550 MHz range. The HMC1033LP6GE features a low noise Phase Detector (PD) and Delta- Sigma modulator, capable of operating at up to 100 MHz which permits wider loop-bandwidths and excellent spurious performance.The HMC1033LP6GE features industry leading phase noise and jitter performance, across the operating range, that enable it to improve link level jitter performance, Bit-Error-Rates (BER) and eye diagram metrics. The superior noise floor (<-162 dBc/Hz) makes the HMC1033LP6GE an ideal source for a variety of applications–such as clock references for high speed data converters, physical layer devices (PHY), serializer/deserializer (SER DES) circuits, FPGAs and processors. The HMC1033LP6GE can also be used as an LO for 10G/40G/100G optical modules and transponders, as well as primary reference clock for 10G/40G/100G line cards, and for jitter attenuation and frequency translation.The differential output of the HMC1033LP6GE can be set to either an LVPECL or LVDS compatible mode, with further output swing which makes the device flexible and compatible with a wide variety of signal level requirements. The output can be internally terminated to reduce component count and cost. The outputs could be terminated externally in LVPECL mode using standard methods such as resistors to ground. An Output Mute function allows the user to shut off the outputs, such as may be required for board testing or debugging. The LVPECL/LVDS, amplitude select and Output Mute function are all programmed SPI serial programming.The HMC1033LP6GE is designed to select between a Power Priority or a Performance Priority mode. The Power Priority setting reduces the current consumption of the part, whereas the Performance Priority setting improves the Jitter and Phase Noise performance.The 24 bit Delta-Sigma Modulator further enhances Hittite’s Exact Frequency Mode, which enables users to generate output frequencies with 0 Hz frequency error in many applications.APPLICATIONS10G/40G/100G Optical Modules, Transponders, Line CardsOTN and SONET /SDH ApplicationsData Converters, Sample Clock GenerationCellular/4G InfrastructureHigh Frequency Processor/FPGA ClocksAny Frequency Clock Rate GenerationLow Jitter SAW Oscillator ReplacementDDS ReplacementFrequency TranslationFrequency Margining |
HMC1034Clock Generator with Fractional-N PLL & Integrated VCO SMT, 125 - 3000 MHz | Integrated Circuits (ICs) | 2 | Obsolete | The HMC1034LP6GE is a low-noise, wide-band clock generator IC with a fractional-N Phase Locked Loop (PLL) that features an integrated Voltage Controlled Oscillator (VCO). The device provides differential clock outputs between 125MHz and 3GHz range. The HMC1034LP6GE features low noise Phase Detector (PD) and Delta-Sigma modulator, capable of operating at up to 100MHz, permit wider loop-bandwidths with excellent spectral performance.The HMC1034LP6GE features industry leading phase noise and jitter performance, across the operating range, that enable it to improve link level jitter performance, Bit-Error-Rates (BER) and eye diagram metrics. The superior noise floor (<-165dBc/Hz) makes the HMC1034LP6GE an ideal source for a variety of applications–such as clock references for high speed data converters, physical layer devices (PHY), serializer/deserializer (SERDES) circuits, FPGAs and processors. The HMC1034LP6GE can also be used as an LO for 10G/40G/100G optical modules and transponders, as well as primary reference clock for 10G/40G/100G line cards, and for jitter attenuation and frequency translation.The differential output of the HMC1034LP6GE includes a 2-bit output amplitude control which may be set via the SPI serial programming interface, and an output Mute function. The Delta-Sigma Modulator of the HMC1034LP6GE features Hittite’s Exact Frequency Mode, which enables users to generate output frequencies with close to 0 Hz frequency error.APPLICATIONS10G/40G/100G Optical Modules, Transponders, Line CardsOTN and SONET/SDH Applications1G/10G Ethernet Line CardsHigh Frequency Processor ClocksLow Jitter SAW Oscillator ReplacementFiber Channel Interface ClocksCellular/4G InfrastructureDDS Replacement10G Optical Modules, Transponders, Line Cards |
HMC1035High Performance, +3.3V Clock Generator, 25 - 2500 MHz | Clock/Timing | 2 | Obsolete | The HMC1035LP6GE is a low-noise, wide-band 3.3 V clock generator IC with a fractional-N Phase Locked Loop (PLL) that features an integrated Voltage Controlled Oscillator (VCO). The device provides differential clock outputs between 25 MHz and 2500 MHz range. The HMC1035LP6GE features a low noise Phase Detector (PD) and Delta-Sigma modulator, capable of operating at up to 100 MHz which permits wider loop-bandwidths and excellent spurious performance.The HMC1035LP6GE features industry leading phase noise and jitter performance, across the operating range, that enable it to improve link level jitter performance, Bit-Error-Rates (BER) and eye diagram metrics. The superior noise floor (<-162 dBc/Hz) makes the HMC1035LP6GE an ideal source for a variety of applications–such as clock references for high speed data converters, physical layer devices (PHY), serializer/deserializer (SER DES) circuits, FPGAs and processors. The HMC1035LP6GE can also be used as an LO for 10G/40G/100G optical modules and transponders, as well as primary reference clock for 10G/40G/100G line cards, and for jitter attenuation and frequency translation.The differential output of the HMC1035LP6GE can be set to either External Termination, which could be used for LVPECL operation, or Internal Termination for operation in an LVDS compatible mode or LVPECL. Additionally, an ouput swing adjustment makes the device flexible and compatible with a wide variety of signal level requirements. The output can be internally terminated to reduce component count and cost or could be terminated externally using standard LVPECL termination methods. An Output Mute function allows the user to shut off the outputs, such as may be required for board testing or debugging. The LVPECL/LVDS, amplitude select and Output Mute function are all programmed SPI serial programming.The HMC1035LP6GE is designed to select between a Power Priority or a Performance Priority mode. The Power Priority setting reduces the current consumption of the part, whereas the Performance Priority setting improves the Jitter and Phase Noise performance.The 24 bit Delta-Sigma Modulator further enhances Hittite’s Exact Frequency Mode, which enables users to generate output frequencies with 0 Hz frequency error in many applications.APPLICATIONS10G/40G/100G Optical Modules, Transponders, Line CardsOTN and SONET /SDH ApplicationsData Converters, Sample Clock GenerationCellular/4G InfrastructureHigh Frequency Processor/FPGA ClocksAny Frequency Clock Rate GenerationLow Jitter SAW Oscillator ReplacementDDS ReplacementFrequency TranslationFrequency Margining |
| RF and Wireless | 4 | Active | ||
HMC1040-Die20 GHz to 44 GHz, GaAs, pHEMT, MMIC, Low Noise Amplifier | RF and Wireless | 1 | Unknown | The HMC1040CHIPS is a gallium arsenide (GaAs), pseudomorphic high electron mobility transistor (pHEMT), monolithic microwave integrated circuit (MMIC), low noise wideband amplifier that operates from 20 GHz to 44 GHz. The HMC1040CHIPS is self biased and provides a typical gain of 25.0 dB, a 2 dB typical noise figure, and a typical output third-order intercept (IP3) of 25.5 dBm typical, requiring only 65 mA from a 2.5 V supply voltage. The typical saturated output power (PSAT) of 15.5 dBm enables the low noise amplifier (LNA) to function as a local oscillator (LO) driver for many of Analog Devices, Inc., balanced, in phase quadrature (I/Q) or image rejection mixers.The HMC1040CHIPS also feature inputs and outputs that are internally matched to 50 Ω, making it ideal for surface-mounted technology (SMT)-based, high capacity microwave radio applications.ApplicationsSoftware defined radiosElectronic warfareRadar applicationsSatellite communicationElectronic warfareInstrumentationTelecommunications |
HMC1041GaAs MMIC I/Q Mixer SMT, 17 - 27 GHz | Evaluation Boards | 4 | Obsolete | The HMC1041LC4 is a compact I/Q MMIC mixer in a leadless "Pb free" SMT package, which can be used as either an Image Reject Mixer or a Single Sideband Upconverter. The mixer utilizes two standard Hittite double balanced mixer cells and a 90 degree hybrid fabricated in a GaAs MES FET process. A low frequency quadrature hybrid was used to produce a 1000 MHz USB IF output. This product is a much smaller alternative to hybrid style Image Reject Mixers and Single Sideband Upconverter assemblies. The HMC1041LC4 eliminates the need for wire bonding and allows the use of surface mount manufacturing techniques.ApplicationsPoint-to-Point RadioPoint-to-Multi-Point RadioTest Equipment & SensorsMilitary End Use |
HMC1042GaAs MMIC I/Q Mixer 15 - 33.5 GHz | RF Mixers | 3 | Active | The HMC1042LC4 is a compact I/Q MMIC mixer in a leadless "Pb free" SMT package, which can be used as either an Image Reject Mixer or a Single Sideband Upconverter. The mixer utilizes two standard Hittite double balanced mixer cells and a 90 degree hybrid fabricated in a GaAs MESFET process. A low frequency quadrature hybrid was used to produce a 2000 MHz USB IF output. This product is a much smaller alternative to hybrid style Image Reject Mixers and Single Sideband Upconverter assemblies. The HMC1042LC4 eliminates the need for wire bonding and allows the use of surface mount manufacturing techniques.ApplicationsPoint-to-Point RadioPoint-to-Multi-Point RadioTest Equipment & SensorsMilitary End-Use |
| Evaluation Boards | 4 | Obsolete | ||