| Evaluation and Demonstration Boards and Kits | 1 | Active | |
| Linear | 2 | Active | |
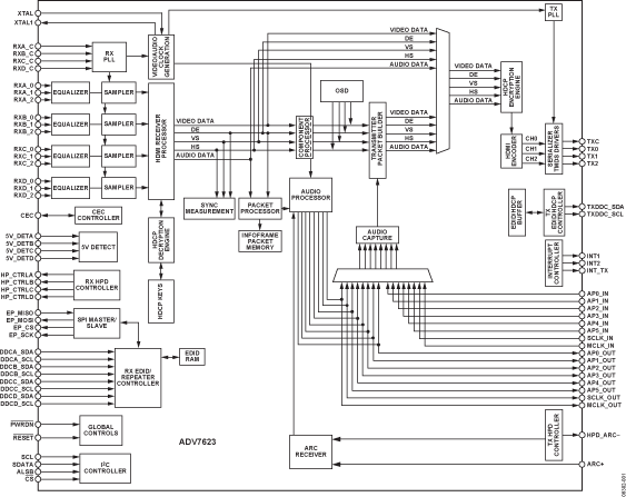
ADV7623HDMI®Transceiver with Xpressview™Fast Switching Technology | Specialized | 2 | Unknown | ADV7623 is a high performance 4 input, 1 output, High-Definition Multimedia Interface (HDMI®) transceiver that integrates HDMI receiver and transmitter with digital audio inputs and outputs onto one chip. It supports all HDCP repeater functions through fully tested ADI repeater software libraries and drivers.The ADV7623 incorporates Xpressview™fast switching on all input HDMI ports. Using the Analog Devices hardware-based HDCP engine that minimizes software overhead, Xpressview allows fast switching between any HDMI input ports in less than 1 second.The ADV7623 supports all mandatory 3D TV formats in addition to all HDTV formats up to 1080p, 12-bit Deep Color. The ADV7623 also integrates an HDMI v1.4 CEC controller that supports the capability discovery and control (CDC) feature.The ADV7623 supports all mandatory 3D TV formats in addition to all HDTV formats up to 1080p, 12-bit Deep Color. The ADV7623 also integrates a CEC controller that supports the capability discovery and control (CDC) feature.The ADV7623 offers a dedicated flexible audio output port and a dedicated audio input port to allow easy extraction and insertion of audio data into and out of the HDMI stream. All HDMI audio formats, including super audio CD (SACD) via DSD, compressed SACD via DST, and HBR, are supported. The ADV7623 also features an audio return channel (ARC) receiver. ARC simplifies cabling by combining upstream audio capability in a conventional HDMI cable.Fabricated in an advanced CMOS process, the ADV7623 is provided in a 144-lead, 20 mm × 20 mm, Pb-free LQFP package and is specified over the −20°C to +70°C temperature range.APPLICATIONSAVRsHTiBSound bar with HDMI repeater supportHBR enabled TVsOther repeater applications |
ADV7682APIX2 Transmitter with Dual Port HDMI and HDCP Support | Interface | 2 | Unknown | The ADV7682 is a high quality, dual input HDMI®and single input ITU-R BT.656 receiver with an APIX®2 transmitter, compatible with APIX®and APIX2 receiver technology from Inova Semiconductors. It incorporates dual port HDMI receivers that support all mandatory 3D TV formats defined in HDMI. The ITU-R BT.656 8-bit receiver supports resolutions up to 720p when using a 148.5 MHz input clock. A standard ITU-R BT.656 input clock of 27 MHz is also supported. When using the ITU-R BT.656 interface, only embedded timing is supported. There is no provision for using separate horizontal sync (Hsync) or vertical sync (Vsync) inputs. The ADV7682 also supports DVI or HDMI resolutions up to a 107 MHz pixel clock at 24 BPP or a 140 MHz pixel clock at 18 BPP. However, the input format configuration across both video ports must be managed to ensure that the maximum total video payload for the APIX2 interface is not exceeded.ADV7682 integrates a CEC controller that supports the capability discovery and control (CDC) feature.The ADV7682 has an audio output port for the audio data extracted from any one of the HDMI input streams. The HDMI receiver also has an advanced mute controller that prevents audible extraneous noise (pops and clicks) in the audio output. Additionally, the ADV7682 can be set to output TDM serial audio, which allows transmission of four multiplexed stereo serial audio channels on a single audio output interface port.The following HDMI source audio formats are accessible as outputs from the ADV7682:A stream from the audio serializer (two audio channels).A TDM stream from the audio serializer (eight audio channels, time multiplexed). The maximum audio bit rate is 48 kHz.A stream from the audio serializer (two uncompressed channels or N compressed channels, for example, AC3).An external master clock (MCLK) used to output audio data in stereo modes. The maximum audio bit rate is 48 kHz for sample rate converter (SRC) mode with an external MCLK.The following audio formats are supported as inputs to the ADV7682, for transmission over the APIX2 interface:One serial audio stream (two audio channels).One TDM serial audio stream (eight audio channels, time multiplexed). The maximum audio bit rate is 96 kHz.Two serial audio streams using a combination of the serial audio input ports (I2S1 and I2S0) or HDMI extracted audio (two independent stereo audio channels with asynchronous master clocks). On-board SRC is performed in this configuration. The maximum audio bit rate is 48 kHz in SRC modes.One of the HDMI input ports is assigned a dedicated 5 V detect and Hot Plug™assert pins. The HDMI receiver also includes an integrated equalizer that ensures the robust operation of the interface with long cables, including support for Type E automotive cable assemblies and connectors.The ADV7682 contains one main component processor (CP) that processes the video signals from any one of the HDMI receiver ports. The ADV7682 provides features such as contrast, brightness, and saturation adjustments; a standard identification (STDI) detection block; and free run and synchronization alignment controls.Fabricated in an advanced CMOS process, the ADV7682 is provided in a 14 mm × 14 mm, 100-lead surface-mount LQFP_EP RoHS-compliant package and is specified over the −40°C to +85°C temperature range.ADV7682 is offered in automotive, industrial version.APPLICATIONSAutomotive infotainmentInfotainment head unitsRear seat entertainment systemsAutomotive media port applicationsHDMI repeaters and video switches |
ADV780010-Bit, SDTV/HDTV 3D Comb Filter, Video Decoder, and Graphics Digitizer | Evaluation Boards | 3 | Obsolete | The ADV7800 is a high quality, single-chip, multiformat 3D comb filter, video decoder, and graphics digitizer. This multiformat 3D comb filter decoder supports the conversion of PAL, NTSC, and SECAM standards in the form of a composite or an S-Video into a digital ITU-R BT.656 format. The ADV7800 also supports the decoding of a component RGB/YPbPr video signal into a digital YCrCb or RGB pixel output stream.The support for component video includes standards such as 525i, 625i, 525p, 625p, 720p, 1080i, 1080p, and many other HD and SMPTE standards. Graphics digitization is supported by the ADV7800; it is capable of digitizing RGB graphics signals from VGA to SXGA rates and converting them into a digital RGB or YCrCb pixel output stream. SCART and overlay functionality are enabled by the ability of the ADV7800 to simultaneously process CVBS and standard definition RGB signals.The ADV7800 contains two main processing sections. The first section is the standard definition processor (SDP), which processes all PAL, NTSC, SECAM, and component (up to 525p/625p) signal types. The second section is the component processor (CP), which processes YPrPb and RGB component formats, including RGB graphics.APPLICATIONSAV receiverLCD HDTVsPDP HDTVsCRT HDTVsHDTV STBs with PVRDVD recorders with progressive scan input support |
ADV780212-Bit, SDTV/HDTV 3D Comb Filter, Video Decoder, and Graphics Digitizer | Integrated Circuits (ICs) | 2 | Active | The ADV7802 is a high quality, single-chip, multiformat 3D comb filter, video decoder, and graphics digitizer. This multiformat 3D comb filter decoder supports the conversion of PAL, NTSC, and SECAM standards in the form of a composite or an S-Video into a digital ITU-R BT.656 format. The ADV7802 also supports the decoding of a component RGB/YPbPr video signal into a digital YCrCb or RGB pixel output stream.The support for component video includes standards such as 525i, 625i, 525p, 625p, 720p, 1080i, 1080p, and many other HD and SMPTE standards. Graphics digitization is supported by the ADV7802; it is capable of digitizing RGB graphics signals from VGA to SXGA rates and converting them into a digital RGB or YCrCb pixel output stream. SCART and overlay functionality are enabled by the ability of the ADV7802 to simultaneously process CVBS and standard definition RGB signals.The ADV7802 contains two main processing sections. The first section is the standard definition processor (SDP), which processes all PAL, NTSC, SECAM, and component (up to 525p/625p) signal types. The second section is the component processor (CP), which processes YPrPb and RGB component formats, including RGB graphics.APPLICATIONSAV receiverLCD HDTVsPDP HDTVsCRT HDTVsHDTV STBs with PVRDVD recorders with progressive scan input support |
ADV7842Dual HDMI 1.4 Fast Switching Receiver with 12-Bit, 170 MHz Video and Graphics Digitizer and 3D Comb Filter Decoder | Evaluation Boards | 2 | Active | The ADV7842 is a dual HDMI 1.4 fast switching rReceiver with 12-Bit, 170 MHz video and graphics digitizer and 3D comb filter decoder. It is a highly flexible 36-bit pixel output interface with nternal EDID RAM for HDMI and graphics.The ADV7842 incorporates a dual input HDMI 1.4-compatible receiver that supports all HDTV formats up to 1080p and display resolutions up to UXGA (1600 × 1200 at 60 Hz).The ADV7842 incorporates Xpressview™ fast switching on both input HDMI ports. Using the Analog Devices, Inc., hardware-based HDCP engine that minimizes software overhead, Xpressview technology allows fast switching between any HDMI input ports in less than 1 second.ApplicationsAdvanced TVsPDP HDTVsLCD TVs (HDTV ready)LCD/DLP® rear projection HDTVsCRT HDTVsLCoS™ HDTVsAVR video receiversLCD/DLP front projectorsHDTV STBs with PVRProjectors |
ADV8002Video Signal Processor with Bitmap OSD, Dual HDMI Txand Video Encoder | Linear | 2 | Obsolete | The ADV8002 is a multi-input video signal processor that can de-interlace and scale SD, ED, or HD video data to HD formats, generate a bitmap on-screen display (OSD), and output the video with OSD overlaid on two High Definition Multimedia Interface (HDMI) transmitters and/or a video encoder.Video can be input into the ADV8002 in a number of ways: using the 36-bit TTL pixel port, using the 24-bit external OSD TTL pixel port, or from a HDMI transmitter such asADV7623orADV7511. The ADV8002 supports input and output formats as outlined in the CEA-861 specification, as well as several other widely used timing formats.Using external DDR2 memories, the ADV8002 can perform high performance motion-adaptive interlaced to progressive conversion.Two video scalers allow the ADV8002 to support two different output resolutions.Detail enhancement and image enhancing techniques such as random, mosquito, and block noise reduction allow for improved final image quality.The ADV8002 can either accept OSD information from an external OSD source on the 24-bit external OSD TTL pixel data input or internally generate a high-quality, bitmap-based OSD. Analog Devices, Inc., provides an OSD development tool to assist in the design, debug, and emulation of the OSD prior to integration with the system application.Video can be output from the ADV8002 using one or both of the HDMI transmitters and/or the 6-DAC SD/HD video encoder. The flexible multiplexing in the part allows simultaneous output of HD formats on the HDMI transmitters and HD DACs (for example, 1080p) and SD formats on the SD DACs (for example, 480i).Both of the HDMI transmitters on ADV8002 support all mandatory and many optional 3D video resolutions, CEC, and ARC. The ADV8002 can receive up to 6-channels of I2S, S/PDIF, direct stream digital (DSD), and high bit rate (HBR).The six 12-bit NSV video DACs allow for composite (CVBS), S Video (Y/C), and component (YPrPb) analog outputs in standard, enhanced, and high definition video formats. Oversampling of 216 MHz (SD and ED) and 297 MHz (HD) removes the requirement for external output filtering.The ADV8002 supports the I2C®protocol for communication with the system microcontroller.APPLICATIONSHigh-end A/V receiversUpconverting DVD players/recordersBlu-ray players/recordersSet-top boxesVideo conferencingStandalone video processorsHDMI splitters |
| Linear | 5 | Active | |
ADV8005NatureVue™Video Signal Processor with Bitmap OSD, Dual HDMI Tx, and Encoder | Linear | 6 | Active | The ADV8005 is a multiple input video signal processor that can deinterlace and scale standard definition (SD), enhanced definition (ED), or high definition (HD) video data to ultra HD formats; generate a bitmap on-screen display (OSD); and output the video with OSD overlaid on two High-Definition Multimedia Interface (HDMI®) transmitters and a video encoder.The 60-bit TTL video port can be used to input video to the ADV8005 in a number of ways: using the 48-bit TTL pixel port, using the 24-bit external OSD TTL pixel port, or from a device with an HDMI transmitter such as theADV7850. The ADV8005 supports many of the formats outlined in the CEA-861-F and VESA specifications, as well as several other widely used timing formats.The ADV8005 features primary and secondary video scalers that enable simultaneous output of multiple different resolutions. The primary video scaler can upscale to 4k × 2k modes. The secondary video scaler can upscale to 1080p or UXGA graphics. 4k × 2k downscaling is performed using the secondary video scaler, leaving the primary video scaler available for other video processing.The ADV8005 primary video scaler can perform high performance, motion adaptive interlaced to progressive conversion on SD and HD content. Additional functionality has also been added to ADV8005 to facilitate upscaling and downscaling to VESA formats with pixel clock frequencies below 300 MHz.Detail enhancement and image enhancing techniques such as random, mosquito, and block noise reduction allow improved final image quality. The frame rate converter of the ADV8005 allows the conversion between common frame rates with support to output two different frame rates simultaneously under certain conditions. The VSP can do aspect ratio conversion, CUE correction, crop output image.The ADV8005 can accept OSD video from an external OSD source on one of its inputs and it can internally generate a high quality, bitmap-based OSD. The internal OSD is highly flexible and allows the system designer to easily incorporate features like scrolling text and animation in various color depths up to 24-bit true color with alpha blending, such as RGB565, ARGB4444 and ARGB8888.Analog Devices, Inc., provides an OSD development tool (Blimp) to assist in the design, debug, and emulation of the OSD prior to integration with the system application. When the design is complete, the OSD development tool automatically generates code to which system application programming interfaces (APIs) can be added before integration with the system application and an OSD design resource, which must be downloaded to an external SPI flash memory.Video can be output from the ADV8005 using one or both of the HDMI transmitters and/or the six-DAC SD/HD video encoder. The six 12-bit NSV®video DACs allow composite (CVBS), S-Video (Y/C), and component (YPrPb) analog outputs in standard, enhanced, and high definition video formats. Oversampling of 216 MHz (SD and ED) and 297 MHz (HD) removes the requirement for external output filtering. Rovi®and non-Rovi variants of the ADV8005 are available.Both of the HDMI transmitters on the ADV8005 support 4k × 2k and all mandatory and many optional 3D video resolutions. Each transmitter features an audio return channel receiver (ARC). The ADV8005 can receive up to eight channels of I2S, S/PDIF, direct stream digital (DSD), and high bit rate (HBR) audio passed from either the serial video Rx or from the externally available audio input pins.The ADV8005 supports the I2C protocol for communication with the system microcontroller.APPLICATIONSHigh end A/V receiversUpconverting DVD players/recordersVideo conferencing and distributionHDMI splittersVideo walls4k HDMI transmitter |