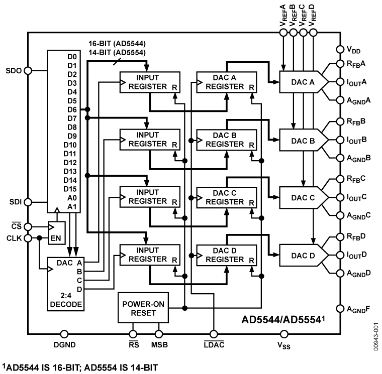
AD5544Quad, Current-Output, Serial-Input 16-/14-Bit DACs | Data Acquisition | 7 | Active | The AD5544/AD5554 quad, 16-/14-bit, current output, digital-to-analog converters (DACs) are designed to operate from 2.7 V to 5.5 V supply range.The applied external reference input voltage (VREFX) determines the full-scale output current. Integrated feedback resistors (RFB) provide temperature-tracking, full-scale voltage outputs when combined with an external I-to-V precision amplifier.A double-buffered serial data interface offers high speed, 3-wire, SPI- and microcontroller-compatible inputs using serial data in (SDI), a chip select (CS), and clock (CLK) signals. In addition, a serial data out pin (SDO) allows for daisy-chaining when multiple packages are used. A common, level-sensitive, load DAC strobe (LDAC) input allows the simultaneous update of all DAC outputs from previously loaded input registers. Additionally, an internal power-on reset forces the output voltage to 0 at system turn-on. An MSB pin allows system reset assertion (RS) to force all registers to zero code when MSB = 0, or to half-scale code when MSB = 1.The AD5544 is packaged in the compact 28-lead SSOP and 32-lead LFCSP. The AD5554 is packaged in the compact 28-lead SSOP.ApplicationsAutomatic test equipmentInstrumentationDigitally controlled calibration |
AD5545Precision DUAL 16-Bit and 14-Bit DACs in Compact TSSOP Packages | Data Acquisition | 4 | Active | The AD5545/AD5555 are 16-bit/14-bit, current-output, digital- to-analog converters designed to operate from a single 5 V supply with bipolar output up to ±15 V capability.An external reference is needed to establish the full-scale output-current. An internal feedback resistor (RFB) enhances the resistance and temperature tracking when combined with an external op amp to complete the I-to-V conversion.A serial data interface offers high speed, 3-wire microcontroller compatible inputs using serial data in (SDI), clock (CLK), and chip select (CS). Additional LDAC function allows simultaneous update operation. The internal reset logic allows power-on preset and dynamic reset at either zero or midscale, depending on the state of the MSB pin.The AD5545/AD5555 are packaged in the compact TSSOP-16 package and can be operated from –40°C to +85°C.ApplicationsAutomatic test equipmentInstrumentationDigitally controlled calibrationIndustrial control PLCsProgrammable attenuator |
AD5546Current-Output Parallel-Input, 16-Bit Digital-to-Analog Converter | Digital to Analog Converters (DACs) Evaluation Boards | 5 | Active | The AD5546 /AD5556are precision 16-/14-bit, multiplying, low power, current output, parallel input D/A converters. They operate from a single 2.7 V to 5.5 V supply with ±10 V multiplying references for 4-quadrant outputs. Built-in 4-quadrant resistors facilitate the resistance matching and temperature tracking that minimize the number of components needed for multiquadrant applications. The feedback resistor (RFB) simplifies the I-V conversion with an external buffer. The AD5546/AD5556 are packaged in compact TSSOP-28 packages with operating temperatures from –40°C to +125°C.APPLICATIONSAutomatic test equipmentInstrumentationDigitally controlled calibrationDigital waveform generation |
AD5547Dual Current Output, Parallel Input, 16-Bit Multiplying DACs with 4-Quadrant Resistors | Digital to Analog Converters (DAC) | 6 | Active | The AD5547/AD5557 are dual precision, 16-/14-bit, multiplying, low power, current-output, parallel input, digital- to-analog converters. They are designed to operate from single +5 V supply with ±10 V multiplying references for 4-quadrant outputs with up to 4 MHz bandwidth.The built-in 4-quadrant resistors facilitate resistance matching and temperature tracking, which minimize the numbers of components needed for multiquadrant applications. In addition, the feedback resistor (RFB) simplifies the I-V conversion with an external buffer.The AD5547/AD5557 are available in a compact TSSOP-38 package and operate at the extended automotive temperature range of –40°C to +125°C.ApplicationsAutomatic Test EquipmentInstrumentationDigitally controlled calibrationDigital waveform generation |
| Digital to Analog Converters (DAC) | 2 | Active | |
AD55525 V, Serial-Input, Voltage-Output 14-Bit DAC With Bipolar Output Capability | Integrated Circuits (ICs) | 1 | Active | TheAD5551and AD5552 are single, 14-bit, serial input, voltage output DACs that operate from a single 2.7 V to 5.5 V. The The DAC output range extends from 0 V to VREF.These DACs provide 14-bit performance without any adjustments. The DAC output is unbuffered, which reduces power consumption and offset errors contributed by an output buffer.With an external op amp the AD5552 can be operated in bipolar mode generating a ±VREF output swing. The AD5552 also includes Kelvin sense connections for the reference and analog ground pins to reduce layout sensitivity. For higher precision applications, please refer to 16-bit DACs,AD5541,AD5542, andAD5544.The AD5551 / AD5552 utilize a versatile 3-wire interface that is compatible with SPI, QSPI™, MICROWIRE™, and DSP interface standards. The AD5551 and AD5552 are available in 8-lead and 14-lead SOIC packages.Product HighlightsSingle Supply Operation. The AD5551 and AD5552 are fully specified and guaranteed for a single 2.7 V to 5.5 V supply.Low Power Consumption. Typically 0.625 mW with a 5 V supply.3-Wire Serial Interface.Unbuffered output capable of driving 60 kΩ loads, which reduces power consumption as there is no internal buffer to drive.Power-On Reset Circuitry.APPLICATIONSDigital gain and offset adjustmentAutomatic test equipmentData acquisition systemsIndustrial process control |
AD555314-Bit DAC inµSOIC-8 Package | Integrated Circuits (ICs) | 2 | Active | The AD5543/AD5553 are precision 16-/14-bit, low power, current output, small form factor digital-to-analog converters (DACs). They are designed to operate from a single 5 V supply with a ±10 V multiplying reference.The applied external reference, VREF, determines the full-scale output current. An internal feedback resistor (RFB) facilitates the R-2R and temperature tracking for voltage conversion when combined with an external operational amplifier.A serial data interface offers high speed, 3-wire microcontroller-compatible inputs using serial data in (SDI), clock (CLK), and chip select (CS).The AD5543/AD5553 are packaged in ultracompact (3 mm × 4.7 mm) 8-lead MSOP and 8-lead SOIC packages.ApplicationsAutomatic test equipmentInstrumentationDigitally controlled calibrationIndustrial control programmable logic controllers |
| Digital to Analog Converters (DAC) | 1 | Active | |
AD5555Precision DUAL 16-Bit 14-Bit-DACs in Compact TSSOP Packages | Data Acquisition | 2 | Active | The AD5545/AD5555 are 16-bit/14-bit, current-output, digital- to-analog converters designed to operate from a single 5 V supply with bipolar output up to ±15 V capability.An external reference is needed to establish the full-scale output-current. An internal feedback resistor (RFB) enhances the resistance and temperature tracking when combined with an external op amp to complete the I-to-V conversion.A serial data interface offers high speed, 3-wire microcontroller compatible inputs using serial data in (SDI), clock (CLK), and chip select (CS). Additional LDAC function allows simultaneous update operation. The internal reset logic allows power-on preset and dynamic reset at either zero or midscale, depending on the state of the MSB pin.The AD5545/AD5555 are packaged in the compact TSSOP-16 package and can be operated from –40°C to +85°C.APPLICATIONSAutomatic test equipmentInstrumentationDigitally controlled calibrationIndustrial control PLCsProgrammable attenuator |
AD5556Current-Output Parallel-Input, 14-Bit Digital-to-Analog Converter | Integrated Circuits (ICs) | 1 | Active | TheAD5546/ AD5556 are precision 16-/14-bit, multiplying, low power, current output, parallel input D/A converters. They operate from a single 2.7 V to 5.5 V supply with ±10 V multi- plying references for 4-quadrant outputs. Built-in 4-quadrant resistors facilitate the resistance matching and temperature tracking that minimize the number of components needed for multiquadrant applications. The feedback resistor (RFB) simplifies the I-V conversion with an external buffer. The AD5546 / AD5556 are packaged in compact TSSOP-28 packages with operating temperatures from –40°C to +125°C. |